初中生物第三节 软体动物和节肢动物学案
展开【预习导学】
1.软体动物概述
(1)软体动物因贝壳内的身体非常_______而得名。
(2)目前已命名的软体动物有________万种以上,是动物界的第________大类群。
2.双壳类软体动物
(1)定义:身体外面有______大小相近的______贝壳,因而称为双壳类。
(2)代表动物——缢蛏
图5-1-3-1
①外套膜:壳内柔软的身体表面包裹着的犹如外套一般的________。
②贝壳:由________分泌的物质形成。
③运动器官:________。
④呼吸器官:________。
⑤摄食:通过身体后端的________吸入水,水流经身体一些器官后,再通过________排出体外。在吸入和排出水的过程中,摄取水中的____________并排出未消化的________。
3.其他的软体动物
________、________、________等。
4.软体动物的主要特征
(1)柔软的身体表面有________,大多具有______。
(2)运动器官是________。
5.与人类生活的关系
(1)有利方面
①食用。
②药用,如鲍的壳(石决明)、乌贼的壳(________)、珍珠粉等可入药。
③可用作________。
(2)有害方面
________是日本血吸虫的中间寄主,与__________的传播有关。
(3)软体动物的呼吸器官:水生种类用鳃呼吸,陆生种类用肺呼吸。
【探究释疑】
1.软体动物中许多种类有贝壳,少数种类没有贝壳或者退化。你能对此作出科学的解释吗?
2.河蚌、乌贼、蜗牛形态各异,但它们都属于________动物,因为它们柔软的身体表面都有________,运动器官是________。
【预习导学】
1.节肢动物概述
(1)节肢动物是________的动物类群,目前已命名的种类有________万种以上,占所有已知动物种数的________以上。
(2)________是节肢动物中种类最多的一类动物。
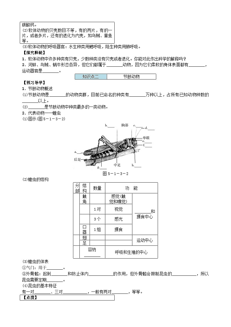
2.代表动物——蝗虫
(1)图示(图5-1-3-2)
图5-1-3-2
(2)蝗虫的结构
(3)蝗虫的体表
①气门:用于________。
②外骨骼:起到________和防止体内____________的作用,但外骨骼会限制昆虫的____________,所以昆虫需要定期________。
(4)昆虫的基本特征
有一对________、三对____________,一般有两对________,等等。
3.节肢动物的主要特征
(1)体表有坚韧的________。
(2)身体和附肢都________。
4.节肢动物与人类的关系
(1)有利方面
①提供____________。
②为开花植物____________。
③可以________,治疗疾病。
④________是非常经典的实验材料。
有害方面:传播________,如蚊、蜱、螨等。
【探究释疑】
1.分析软体动物的贝壳和昆虫的外骨骼在功能上的异同点。
(1)相同点:______________________________。
(2)不同点:______________________________。
2.蚯蚓、沙蚕等动物的身体也是由很多体节构成的,为什么不属于节肢动物?
【核心知识·巧构建】
【分层演练·提素能】
【基础巩固练】
1.(2015·广东珠海)下列软体动物中,都能分泌珍珠质,形成珍珠的是 ( )
A.河蚌、鱿鱼 B.河蚌、珍珠贝
C.章鱼、河蚌 D.蜗牛、鱿鱼
2.下列动物中属于软体动物而不是水生动物的是( )
A.鲨鱼 B.草鱼 C.蜗牛 D.河蚌
3.将河蚌放到50 ℃左右的温水中,待贝壳张开以后,会看到一层透明的薄膜,这层薄膜是( )
A.贝壳 B.珍珠层
C.外套膜 D.细胞膜
4.双壳类软体动物的运动器官和呼吸器官分别是
( )
A.足、鳃 B.贝壳、鳃
C.足、入水管 D.足、出水管
5.水流从缢蛏的入水管进入,从出水管流出的过程中,不能完成的生理活动是( )
A.呼吸 B.摄食
C.排出食物残渣 D.运动
6.下列不属于软体动物特征的是( )
A.身体柔软 B.靠刚毛和疣足运动
C.大多具有贝壳 D.有外套膜
7.有一种具有止血功能的药材海螵蛸,它是下列哪一种动物的贝壳?( )
A.蜗牛 B.乌贼 C.牡蛎 D.扇贝
8.动物界中种类最多、数量最大、分布最广的一个类群是( )
A.软体动物 B.节肢动物
C.线形动物 D.环节动物
9.(2015·黑龙江龙东)下列动物中属于昆虫的是( )
A B
C D
10.(2015·广西贵港)夏天到了,讨厌的蚊子和苍蝇会多起来,你可知道它们都属于( )
A.腔肠动物 B.线形动物
C.环节动物 D.节肢动物
11.(2015·黑龙江齐齐哈尔)成语“金蝉脱壳”中的“壳”指的是( )
A.角质层 B.细胞壁
C.外套膜 D.外骨骼
12.蝗虫在生长发育过程中有蜕皮现象,其原因是( )
A.外骨骼不能随身体生长而长大
B.有利于进行气体交换
C.蜕掉原来的外骨骼使运动更灵活
D.减轻体重,有利于运动
13.(2015·湖北襄阳)襄阳的夏夜,伴着蝉儿鸣唱,吹着悠悠的汉江风,人们喜欢吃着小龙虾,喝着啤酒消夏。蝉和小龙虾均属于节肢动物的理由是( )
A.体表有外骨骼,身体和附肢都分节
B.都有三对足,两对翅
C.身体都分为头、胸、腹三部分
D.都有相同的生活环境
14.下列关于节肢动物的叙述错误的是 ( )
A.蜈蚣和蝎子对人会造成伤害
B.昆虫的外骨骼的成分只有几丁质
C.虾、 蟹能为人类和其他海洋生物提供动物蛋白
D.蜜蜂能为农作物和牧草等传粉
15.图5-1-3-4是蝗虫的外部形态示意图,请据图回答下列问题。
图5-1-3-4
(1)它的身体分为[ ]______部、[ ]______部和[ ]______部。
(2)用手触摸蝗虫和蚯蚓的身体分别有什么感觉?
_________________________________________。
原因是蝗虫的体表有一层坚硬的__________,作用
是_________________________________________
_________________________________________。
蝗虫共有____对足、____对翅,着生在[ ]_____部,其中适于跳跃的是发达的[ ]______。
【提能综合练】
1.下列有关软体动物的说法,不正确的是 ( )
A.软体动物的身体表面有外套膜
B.软体动物贝壳是由外套膜分泌的物质形成的
C.软体动物对人类都是有利的
D.软体动物不一定都能产生珍珠
2.软体动物与人类的关系非常密切。下列有关软体动物的描述,错误的是( )
A.很多种类的软体动物都可以食用
B.软体动物有水生的也有陆生的
C.软体动物的身体比较柔软,所以体外都有贝壳保护
D.软体动物的运动器官是足
3.下列动物中,全部都属于节肢动物的是( )
A.蝗虫、绦虫 B.蝴蝶、蜘蛛
C.水螅、蜜蜂 D.蜈蚣、海蜇
4.蝗虫能适应陆地生活,其形态结构特点有( )
①用气管呼吸 ②胸部有三对足、两对翅 ③有外骨骼,防止水分蒸发 ④视力发达,有一对复眼
A.①②③④ B.①②③
C.①②④ D.①③④
5.关于节肢动物的说法正确的是( )
A.昆虫是唯一能飞行的节肢动物类群
B.一般有灵敏的感觉器官,没有发达的脑和独特的呼吸器官
C.大多数昆虫对人类是有害的
D.身体的外骨骼可保护内部器官,但不能防止体内水分蒸发
6.如果把蝗虫记作a,蜘蛛记作b,昆虫记作c,节肢动物记作d,则下列图示正确的是( )
A B
C D
7.(拓展探究)蝗虫的腹部会不停地收缩、舒张,这是蝗虫在进行呼吸。那么蝗虫的呼吸入口在什么部位呢?下面让我们一起通过实验来探究蝗虫的呼吸入口。
(1)提出问题:______________________________
_____________________________________?
(2)作出假设:蝗虫的呼吸入口在____________。
(3)实验过程
①取两只生长良好、大小相近的蝗虫和两支盛满水的试管。
②__________________________________________
________________________________________________________________________。
(4)实验结果:胸腹部浸没在水中的蝗虫________,而头部浸没在水中的蝗虫则________________。
(5)得出结论:蝗虫的呼吸入口不在__________,而在__________。
【阅读怿站】
昆虫的翅
昆虫是无脊椎动物中唯一有翅能够飞行的动物,一般有两对翅,通常只有一对翅比较发达,用来承担飞行任务。例如,蝗虫、蝉等昆虫前翅革质,对后翅起保护作用,后翅膜质,展开后面积很大,适于飞行;甲虫类前翅坚硬如角质,用来保护背部和后翅,后翅适于飞行;而蝇类依靠前翅飞行,后翅退化成平衡棒,飞行时起到平衡身体的作用,等等。
另外,大多数昆虫翅的表面往往有不同的覆盖物,如蝶类翅上有鳞片,称鳞翅;石蛾翅上有许多毛,称毛翅;蓟马的翅很狭小,而边缘上有很多长毛,称缨翅;等等。
思考:昆虫的翅对昆虫的生活有什么意义?
参考答案
第三节 软体动物和节肢动物
【自主探究·释疑难】
知识点一
[预习导学]
1.(1)柔软 (2)10 二
2.(1)两片 石灰质 (2)a.鳃 b.贝壳 c.外套膜 d.足 ①肉质膜 ②外套膜 ③足 ④鳃 ⑤入水管 出水管 食物颗粒 残渣
3.石鳖 蜗牛 乌贼
4.(1)外套膜 贝壳 (2)足
5.(1)②海螵蛸 ③装饰品 (2)钉螺 血吸虫病
[探究释疑]
1.提示:蜗牛、河蚌等是有贝壳的软体动物,一般运动缓慢;而乌贼、章鱼等是贝壳退化为内壳的动物,一般运动较迅速。这体现了身体结构对运动方式的适应。
2.软体 外套膜 足
知识点二
[预习导学]
1.(1)最大 120 80% (2)昆虫
2.(1)a.翅 b.腹部 c.头部 d.触角 e.复眼 f.口器 g.气门 h.前足
(2)头部 1对 复眼 单眼 感觉 胸部 2对 飞行
3对 跳跃 腹部 内脏器官
(3)①呼吸 ②保护 水分蒸发 发育和长大 蜕皮
(4)触角 足 翅
3.(1)外骨骼 (2)分节
4.(1)①动物蛋白 ②传播花粉 ③入药 ④果蝇 (2)疾病
[探究释疑]
1.(1)都具有保护内部柔软器官的作用
(2)外骨骼具有防止体内水分蒸发的作用
2.提示:蚯蚓、沙蚕的身体虽然分节,但是各个体节之间都很相似,它们的体表没有外骨骼,没有分节的触角和足,所以不属于节肢动物。
【核心知识·巧构建】
缢蛏 蝗虫 外套膜 贝壳 足 外骨骼 分节 食用 疾病 花粉 实验材料
【分层演练·提素能】
[基础巩固练]
1.B 2.C 3.C
4.A 解析:双壳类软体动物可以用足缓慢地运动,同时利用鳃与水流进行气体交换。
5.D 解析:在吸入和排出水的过程中,缢蛏能摄取水中的食物和排出未消化的食物残渣,同时利用鳃与水流进行气体交换。
6.B 7.B 8.B
9.D 解析:昆虫具有一对触角、三对足,一般有两对翅,能够飞行。蝗虫属于昆虫类节肢动物,虾属于甲壳类节肢动物、蜘蛛属于蛛形类节肢动物、蜈蚣属于多足类节肢动物。
10.D 解析:蚊子和苍蝇的身体和附肢都分节,体表有坚韧的外骨骼,因此属于节肢动物。
11.D 解析:外骨骼不能随着身体的生长而生长,在发育过程中需要定期蜕掉原来的外骨骼,重新形成新的外骨骼。
12.A
13.A 解析:蝉和小龙虾的体表都有坚韧的外骨骼,身体和附肢都分节,具备节肢动物的主要特征。
14.B 解析:昆虫的外骨骼是由其表皮细胞分泌的物质形成的,主要含有几丁质、 蛋白质等成分。
15.(1)一 头 二 胸 三 腹
(2)蝗虫身体比较硬,蚯蚓身体比较柔软 外骨骼
保护和支持内部的柔软器官,防止体内水分蒸发
(3)三 两 二 胸 3 后足
[提能综合练]
1.C 解析:软体动物并不都是对人类有利的,如钉螺是日本血吸虫的中间寄主,与血吸虫病的传播有关。
2.C 解析:软体动物的身体柔软,一般具有贝壳,但有的软体动物的贝壳退化,如乌贼。
3.B
解析:蝗虫、蝴蝶、蜘蛛、蜜蜂和蜈蚣的身体和附肢都分节,体表都有坚韧的外骨骼,都属于节肢动物;绦虫属于扁形动物;水螅、海蜇属于腔肠动物。
4.B 解析:蝗虫的形态结构特点都是与陆地生活相适应的。外骨骼防止水分蒸发适于陆地的干燥环境;胸部有三对足、两对翅,使蝗虫具有较强的运动能力,使取食范围扩大,有利于生存;用气管呼吸可使氧气直接送达组织细胞,呼吸能力变强,为蝗虫的陆上飞行运动提供了足够的能量;蝗虫有一对复眼和三个单眼,只能感光和辨认物体的形状和大小,视力不发达。
5.A 解析:节肢动物一般有灵敏的感觉器官、独特的呼吸器官;少数的昆虫对人类有害;外骨骼能防止体内水分的蒸发。
6.D 解析:蝗虫属于昆虫,即a包含于c;蜘蛛与昆虫是并列关系,它们都属于节肢动物。
7.(1)蝗虫的呼吸入口在身体的哪一部位 (2)头部(或胸腹部) (3)把一只蝗虫的头部完全浸没在水中而胸腹部露出水面,把另一只蝗虫的胸腹部完全浸没在水中而头部露出水面 (4)死亡 安然无恙 (5)头部 胸腹部
答图1
解析:该实验探究的是蝗虫的呼吸入口的位置。因此,可提出问题:蝗虫的呼吸入口在身体的哪一部位?由实验结果可知道,对蝗虫呼吸入口的位置提出了两种可能:一种可能是在头部;一种可能是在胸腹部。因此,可作出如下假设:蝗虫的呼吸入口在头部(或蝗虫的呼吸入口在胸腹部)。在实验过程的第②步中,可设置对照实验,把一只蝗虫的头部完全浸没在水中而胸腹部露出水面,另一只蝗虫的胸腹部完全浸没在水中而头部露出水面,如答图1所示。通过观察实验现象可知:胸腹部浸没在水中的蝗虫死亡,而头部浸没在水中的蝗虫则安然无恙。从该实验中可得出结论:蝗虫的呼吸入口不在头部,而在胸腹部。知识点一
软体动物
【点拨】
(1)珍珠的形成:
某些贝类的外套膜受到沙粒等异物的刺激时,会分泌大量的珍珠质把异物层层包裹起来,最后形成了珍珠。珍珠和贝壳内表面的成分相同,主要成分是碳酸钙。
(2)软体动物的贝壳数目不等,有的两片,有的一片,或者多片,还有的退化为内壳,如乌贼、章鱼等。
知识点二
节肢动物
分部
结构
数量
功 能
触角
感觉(触
觉和嗅觉)
________和
摄食中心
1对
视觉
3个
感光
口器
1组
摄食
翅
运动中心
足
容纳________
呼吸和生殖的中心
【点拨】
(1)蝗虫的呼吸过程(如图5-1-3-3所示)。
蝗虫的胸腹部左右两侧生有10对气门,是气体进出虫体的门户,气门向内连接着气管,气管与组织细胞直接进行气体交换。
图5-1-3-3
(2)巧记昆虫的特征:身体分为头胸腹,两对翅膀三对足,头上两根感觉须,里头是肉外是骨。
【点拨】
节肢动物的种类
(1)昆虫类:蝗虫、蝶、蝇、蚊等。
(2)甲壳类:虾、蟹等。
(3)蛛形类:蜘蛛、蝎等。
(4)多足类:蜈蚣等。
比较
项目
软体动物
节肢动物
代表
动物
其他
动物
石鳖、蜗牛、乌贼等
蝉、蜻蜓、蜘蛛、虾等
主要
特征
柔软的身体外面有________;大多具有________;运动器官是________
体表有坚韧的________;身体和附肢都________
与人
类生
活的
关系
________、药用、作装饰品;也可传播________
食用;传播________;药用;用作________;传播疾病
初中生物第三节 真菌学案设计: 这是一份初中生物第三节 真菌学案设计,共7页。学案主要包含了自主探究·释疑难,预习导学,探究释疑,核心知识·巧构建,分层演练·提素能,基础巩固练,提能综合练等内容,欢迎下载使用。
生物八年级上册第三节 真菌学案设计: 这是一份生物八年级上册第三节 真菌学案设计,共2页。学案主要包含了回顾已知,引入新课,自主学习,边学边导,精讲点拨 精练提升,达标检测,当堂过关等内容,欢迎下载使用。
初中生物人教版 (新课标)八年级上册第一节 动物的运动学案及答案: 这是一份初中生物人教版 (新课标)八年级上册第一节 动物的运动学案及答案,共2页。学案主要包含了回顾已知,引入新课,自主学习,边学边导,精讲点拨,精练提升,达标检测,当堂过关等内容,欢迎下载使用。

