初中数学北师大版七年级上册6.3 数据的表示第2课时教案
展开1.理解条形统计图的意义.
2.掌握频数的概念,会求一组数据的频数.
一、情境导入
游泳是一项深受青少年喜爱的体育活动,学校为了加强学生的安全意识,组织学生观看了纪实片《孩子,请不要私自下水》,并于观看后在本校的2000名学生中作了抽样调查.你能根据下面两个不完整的统计图回答以下问题吗?
(1)这次抽样调查中,共调查了多少名学生?
(2)补全两个统计图;
(3)根据抽样调查的结果,估算该校2000名学生中大约有多少人“一定会下河游泳”?
二、合作探究
探究点一:频数直方图的制作
小红家开了一个报亭,为了使每天进的某种报纸适量,小红对这种报纸40天的销售情况作了调查,这40天卖出这种报纸的份数如下:
136 175 153 135 161 140 155 180 179 166
188 142 144 154 155 157 160 162 135 156
148 173 154 145 158 150 154 168 168 155
169 157 157 149 134 167 151 144 155 131
将上述数据分组,并绘制相应的频数直方图.
解析:先找出这组数据的最大值和最小值,再以10为组距把数据分组,然后制作频数直方图.
解:通过观察这组数据的最大值为188,最小值为131,它们的差是57,所以取组距为10,分6组,整理可得下面的频数分布表:
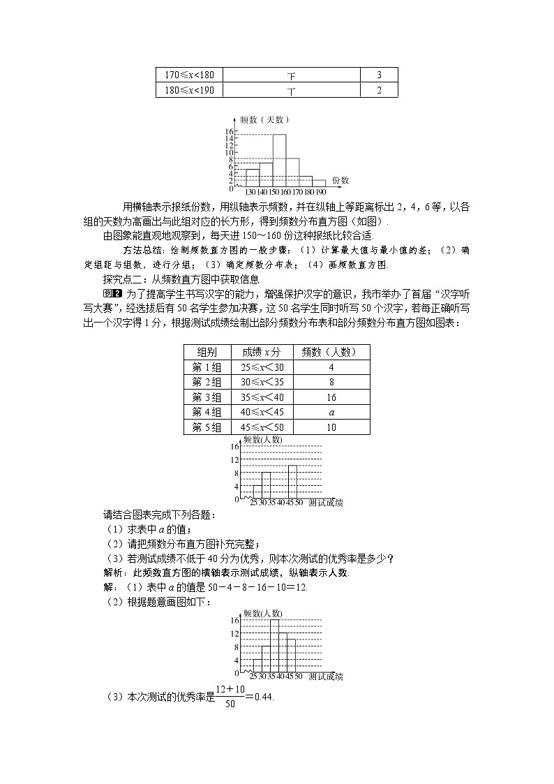
用横轴表示报纸份数,用纵轴表示频数,并在纵轴上等距离标出2,4,6等,以各组的天数为高画出与此组对应的长方形,得到频数分布直方图(如图).
由图象能直观地观察到,每天进150~160份这种报纸比较合适.
方法总结:绘制频数直方图的一般步骤:(1)计算最大值与最小值的差;(2)确定组距与组数,进行分组;(3)确定频数分布表;(4)画频数直方图.
探究点二:从频数直方图中获取信息
为了提高学生书写汉字的能力,增强保护汉字的意识,我市举办了首届“汉字听写大赛”,经选拔后有50名学生参加决赛,这50名学生同时听写50个汉字,若每正确听写出一个汉字得1分,根据测试成绩绘制出部分频数分布表和部分频数分布直方图如图表:
请结合图表完成下列各题:
(1)求表中a的值;
(2)请把频数分布直方图补充完整;
(3)若测试成绩不低于40分为优秀,则本次测试的优秀率是多少?
解析:此频数直方图的横轴表示测试成绩,纵轴表示人数.
解:(1)表中a的值是50-4-8-16-10=12.
(2)根据题意画图如下:
(3)本次测试的优秀率是eq \f(12+10,50)=0.44.
答:本次测试的优秀率是0.44.
方法总结:频数直方图是一种特殊的条形统计图,它将统计对象的数据进行了分组,画在横轴上,纵轴表示各组数据的频数.
探究点三:频数直方图的实际应用题
2015年某市国际车展期间,某公司对参观本次车展盛会的消费者进行了随机问卷调查,共发放1000份调查问卷,并全部收回.
①根据调查问卷的结果,将消费者年收入的情况整理后,制成表格如下:
②将消费者打算购买小车的情况整理后,作出频数直方图的一部分(如图①所示)
注:每组包含最小值不包含最大值,且车价取整数.
请你根据以上信息,回答下列问题:
(1)请在图中补全这个频数直方图;
(2)打算购买价格10万元以下小车的消费者人数占被调查消费者人数的百分比是 W.
解析:因为共发放1000份问卷,所以打算购买价格在10万~12万元小车的消费者人数为1000-(40+120+360+200+40)=240(人);打算购买价格在10万元以下小车的消费者人数为40+120+360=520(人),占被调查消费者人数的百分比是eq \f(520),\s\d5(1000))×100%=52%.
解:(1)如图②所示;(2)52%.
方法总结:各数据频数的和等于数据总数,这是求解此类问题的关键.
三、板书设计
eq \a\vs4\al(制作频数,直方图)eq \b\lc\{(\a\vs4\al\c1(1.找出数据的最大值与最小值的差,2.把数据分为若干组,3.统计每组中数据出现的次数,4.制作频数直方图))
教学过程中,强调学生自主探索与合作交流,通过观察、归纳、总结等思维过程,培养学生实事求是的科学态度,并通过对数据的整理,提高学生的责任心与耐心细致的工作态度.
份数(x)
频数累计
频数
130≤x<140
正
5
140≤x<150
正
7
150≤x<160
正正正
15
160≤x<170
正
8
170≤x<180
3
180≤x<190
2
组别
成绩x分
频数(人数)
第1组
25≤x<30
4
第2组
30≤x<35
8
第3组
35≤x<40
16
第4组
40≤x<45
a
第5组
45≤x<50
10
年收入(万元)
4.8
6
7.2
9
10
被调查的消
费者人数(人)
200
500
200
70
30
青岛版九年级下册6.3频数直方图教学设计: 这是一份青岛版九年级下册6.3频数直方图教学设计,共3页。教案主要包含了引入新课,讲授新课,例题讲解,辨析,合作学习,课堂小结,布置作业,课后反思 组别等内容,欢迎下载使用。
青岛版九年级下册6.3频数直方图教学设计: 这是一份青岛版九年级下册6.3频数直方图教学设计,共2页。教案主要包含了复习引入,应用迁移,随堂练习,课堂小结,新课讲解等内容,欢迎下载使用。
青岛版九年级下册6.3频数直方图教学设计: 这是一份青岛版九年级下册6.3频数直方图教学设计,共2页。教案主要包含了导入新课,练习巩固,随堂练习,课堂小结等内容,欢迎下载使用。

