必修 第一册1 实验:探究小车速度随时间变化的规律一课一练
展开考点1:实验原理和实验操作
一、实验原理与方法
1.利用打点计时器所打纸带的信息,代入计算式vn=eq \f(xn+xn+1,2T),即用以n点为中心的一小段时间间隔的平均速度代替n点的瞬时速度。
2.用描点法作出小车的vt图像,根据图像的形状判断小车的运动性质。若所得图像为一条倾斜直线,则表明小车做匀变速直线运动。
3.利用vt图像求出小车的加速度。
二、实验器材
打点计时器、一端附有定滑轮的长木板、小车、纸带、细绳、槽码、刻度尺、导线、交流电源。
三、实验步骤
1.如图所示,把一端附有滑轮的长木板放在实验桌上,并使滑轮伸出桌面,把打点计时器固定在长木板上没有滑轮的一端,连接好电路。
2.把一条细绳拴在小车上,使细绳跨过滑轮,下边挂上槽码,把纸带穿过打点计时器,并把纸带的一端固定在小车的后面。
3.把小车停在靠近打点计时器处,接通电源后,释放小车,让小车拖着纸带运动,打点计时器就在纸带上打下一列小点。
4.换上新的纸带,重复实验两次。
5.增减所挂槽码,按以上步骤再做两次实验。
【例1】 在“探究小车速度随时间变化的规律”的实验中:(1)关于电磁打点计时器和电火花计时器,下列说法正确的是 。
A.电磁打点计时器用的是直流电源,而电火花计时器用的是交流电源
B.它们每隔0.02 s打一个点
C.它们的工作电压均为220 V的交流电源
D.使用它们计时时,必须先拉动纸带,再立即接通电源
(2)如图所示是电火花计时器的示意图,其工作时的基本步骤如下:
A.当纸带完全通过电火花计时器后,及时关闭电火花计时器
B.接通开关,听到放电声,拖动纸带运动
C.将纸带从墨粉纸盘下面穿过打点计时器
D.将电火花计时器插头插入相应的电源插座
上述步骤正确的顺序是 。(按顺序填写步骤编号)
(3)打点计时器固定在斜面上某处,一小车拖着穿过打点计时器的纸带从斜面上滑下,如图甲所示。若工作电源的频率为50 Hz,纸带上打点如图乙所示,则打点计时器打A点时小车的速度vA= m/s,若小车做匀变速直线运动,该运动过程的加速度a= m/s2。
(4)在研究匀变速直线运动的实验中,算出小车经过各计数点的瞬时速度,为了计算加速度,最合理的方法是 。
A.根据任意两计数点的速度用公式a=eq \f(Δv,Δt)算出加速度
B.根据实验数据画出vt图像,量取其倾角θ,由公式a=tan θ求出加速度
C.根据实验数据画出vt图像,由图像上相距较远的两点所对应的速度、时间用公式a=eq \f(Δv,Δt)算出加速度
D.依次算出通过连续两计数点间的加速度,算出平均值作为小车的加速度
【解析】 (1)电火花打点计时器是使用220 V交流电源的计时仪器,电磁打点计时器的工作电压为交流6 V以下,当电源的频率为50 Hz时,它每隔0.02 s打一个点,故A、C错误,B正确;使用它们时必须先接通电源,再拉动纸带,故D错误;(2)实验步骤要遵循先安装器材后进行实验的原则进行:先将电火花计时器插头插入相应的电源插座,再将纸带从墨粉纸盘下面穿过打点计时器,然后接通开关,听到放电声,拖动纸带运动,最后当纸带完全通过电火花打点计时器后,及时关闭电火花计时器,上述步骤正确的顺序是DCBA;(3)小车做匀加速直线运动,平均速度等于中间时刻的瞬时速度,故vA=0.55 m/s;根据推论公式Δx=aT2,有a=eq \f(Δx,T2)=5 m/s2;(4)在处理实验数据时,如果只使用其中两个数据,因为偶然误差的存在可能会造成最后误差较大,所以可以根据实验数据画出vt图像,尽量使那些不能画在线上的点均匀分布在直线的两侧,这样图线会舍弃误差较大的点,由图像上相距较远的任意两点所对应的速度及时间,用公式a=eq \f(Δv,Δt)即可算出加速度,所以误差较小,故A错误,C正确;由于图像纵坐标和横坐标的单位长度可能不同,所以不能用a=tan θ求出加速度,故B错误;依次算出通过连续两计数点间的加速度,算出平均值作为小车的加速度,实际应用的只是第一组和最后一组数据,同样存在较大的误差,故D错误。
【答案】 (1)B (2)DCBA (3)0.55 5 (4)C
考点2:实验数据处理
1.表格法
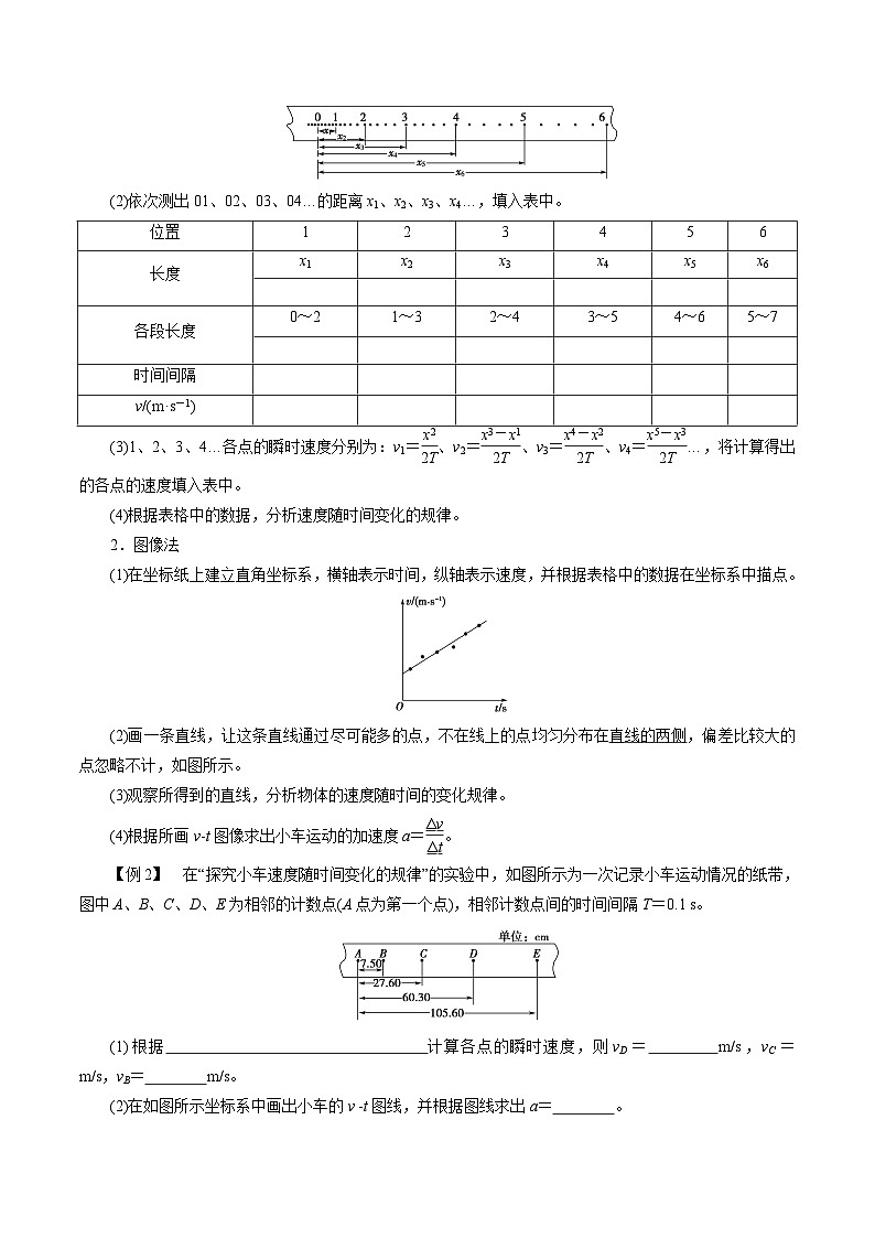
(1)从几条纸带中选择一条比较理想的纸带,舍掉开始一些比较密集的点,在后面便于测量的地方找一个点,作为计数始点,以后依次每五个点取一个计数点,并标明0、1、2、3、4…,如图所示。
(2)依次测出01、02、03、04…的距离x1、x2、x3、x4…,填入表中。
(3)1、2、3、4…各点的瞬时速度分别为:v1=eq \f(x2,2T)、v2=eq \f(x3-x1,2T)、v3=eq \f(x4-x2,2T)、v4=eq \f(x5-x3,2T)…,将计算得出的各点的速度填入表中。
(4)根据表格中的数据,分析速度随时间变化的规律。
2.图像法
(1)在坐标纸上建立直角坐标系,横轴表示时间,纵轴表示速度,并根据表格中的数据在坐标系中描点。
(2)画一条直线,让这条直线通过尽可能多的点,不在线上的点均匀分布在直线的两侧,偏差比较大的点忽略不计,如图所示。
(3)观察所得到的直线,分析物体的速度随时间的变化规律。
(4)根据所画vt图像求出小车运动的加速度a=eq \f(Δv,Δt)。
【例2】 在“探究小车速度随时间变化的规律”的实验中,如图所示为一次记录小车运动情况的纸带,图中A、B、C、D、E为相邻的计数点(A点为第一个点),相邻计数点间的时间间隔T=0.1 s。
(1)根据 计算各点的瞬时速度,则vD= m/s,vC= m/s,vB= m/s。
(2)在如图所示坐标系中画出小车的v t图线,并根据图线求出a= 。
(3)将图线延长与纵轴相交,交点的物理意义:
。
【解析】 (1)若时间较短,平均速度可以代替中间时刻的瞬时速度。
D点的瞬时速度
vD=eq \f(xCE,2T)=eq \f(78.00,0.2) cm/s=390 cm/s=3.90 m/s。
C点的瞬时速度
vC=eq \f(xBD,2T)=eq \f(52.80,0.2) cm/s=264 cm/s=2.64 m/s。
B点的瞬时速度
vB=eq \f(xAC,2T)=eq \f(27.60,0.2) cm/s=138 cm/s=1.38 m/s。
(2)由上述数据画出小车的v t图像如图所示,由图线的斜率可求得它的加速度a=eq \f(Δv,Δt)=eq \f(1.26 m/s,0.1 s)=12.6 m/s2。
(3)将图线延长后,与纵轴的交点的速度表示零时刻小车经过A点的速度大小。
【答案】(1)某段较短时间内的平均速度等于中间时刻的瞬时速度 3.90 2.64 1.38
(2)图像见解析图 12.6 m/s2
(3)表示小车经过A点的速度大小
【技巧与方法】
图像法处理数据时的两点注意
(1)作图时,要用平滑曲线将这些点连起来,要让尽可能多的点分布在线上,不在线上的点均匀分布在直线两侧,离线较远的点删去,注意不可用折线连接。
(2)利用vt图像求加速度时,应选用直线上相距较远的两个点来求直线的斜率,即加速度。不能采用量出直线的倾斜角,然后求出其正切值的方法来计算加速度,因为该倾斜角还与坐标轴的标度有关。
考点3:实验改进与创新
【例3】 在“探究小车速度随时间变化的规律”的实验中,打点计时器接在频率为50 Hz的低压交变电源上,某同学在打出的纸带上每五个点取一个计数点,共取了A、B、C、D、E、F六个计数点(每两个相邻计数点间还有四个点未画出),如图甲所示。从每一个计数点处将纸带剪开分成五段(分别为a、b、c、d、e段),将这五段纸带由短到长紧靠但不重叠地粘在xOy坐标系中,如图乙所示。
甲 乙
(1)请你在xOy坐标系中用最简洁的方法作出能表示vt关系的图线,并指出哪个轴相当于v轴。
(2)从第一个计数点开始计时,为了求出t=0.15 s时的瞬时速度,需要测出 (选填“a”“b”“c”“d”或“e”)段纸带的长度。
(3)若测得a段纸带的长度为2.0 cm,e段纸带的长度为10.0 cm,则可求出加速度的大小为 m/s2。
【解析】 (1)以纸带宽度为时间单位0.1 s,x轴相当于t轴,y轴相当于v轴,每段纸带上端中点的纵坐标相当于这段时间中间时刻的瞬时速度,把各段纸带顶端的中点连起来即可得到vt图线,如答案图所示。
(2)用b段纸带的长度除以0.1 s就是小车通过BC段位移的平均速度,也近似等于t=0.15 s时刻的瞬时速度,故需测出b段纸带的长度。
(3)t=0.05 s时的瞬时速度
v1=eq \f(2.0,0.1 cm/s)=20.0 cm/s=0.20 m/s,
t=0.45 s时的瞬时速度
v2=eq \f(10.0,0.1 cm/s)=100 cm/s=1.00 m/s,
则加速度大小a=eq \f(v2-v1,Δt)=eq \f(1.00-0.20,0.45-0.05) m/s2=2.0 m/s2。
【答案】 (1)vt关系的图线如图所示 y轴相当于v轴 (2)b (3)2.0
【技巧与方法】
等效替代法的应用
本题采用等效替代的方法,把纸带的宽度等效为时间,故x轴相当于时间轴,每段纸带的长度对应小车在相等时间内的位移,故纸带的长度正比于小车运动的速度,因此可把各段纸带顶端的中点连成一条直线,即表示把不同时刻的速度的点连成一条直线,从而反映出运动规律。
考点达标
1.打点计时器使用的交流电源频率为50 Hz,在“探究小车速度随时间变化的规律”的实验中,若交流电源的频率变小了而未被发现,则测得小车的速度值与真实值比较将( )
A.偏大 B.偏小
C.无影响 D.无法判断
【解析】A 打点计时器打点的频率是由电源的频率决定的,且打点的频率等于电源的频率。当交流电源的频率为50 Hz时,打点计时器每隔0.02 s打一个点;当交流电源的频率低于50 Hz时,打点计时器打点的时间间隔将大于0.02 s,计算速度时如果仍按0.02 s计算,由v=eq \f(x,t)可知,因测量值t小于真实值,故导致测量出的速度值大于真实值,故A正确。
2.(多选)一小球在水平桌面上做直线运动,用照相机对着小球每隔0.1 s拍照一次,得到一幅频闪照片,用刻度尺量得照片上小球各位置如图所示,已知照片与实物的比例为1∶10,则( )
A.图中对应的小球在通过8 cm距离内的平均速度是2 m/s
B.图中对应的小球在通过8 cm距离内的平均速度是1.6 m/s
C.图中对应的小球通过6 cm处的瞬时速度是2.5 m/s
D.图中对应的小球通过6 cm处的瞬时速度是2 m/s
【解析】AD 小球在通过8 cm距离内的平均速度eq \x\t(v)=eq \f(x,t)=eq \f(8×10,4×0.1) cm/s=200 cm/s=2 m/s,A正确,B错误;可以认为小球通过6 cm处的瞬时速度等于相邻两点间的平均速度v=eq \f(x′,t′)=eq \f(4×10,2×0.1 cm/s)=200 cm/s=2 m/s,C错误,D正确。
3.在“探究小车速度随时间变化的规律”的实验中,下列说法正确的是( )
A.长木板一定要水平摆放
B.使用刻度尺测量长度时,不必估读
C.使用刻度尺测量长度时,要估读到分度值的下一位
D.作vt图像时,所描线必须经过每一个点
【解析】C 实验过程中,一般长木板应平放,不能侧向倾斜,但适当一端高一端低,也是可以的,A错误;使用刻度尺测长度时,需要估读到分度值的下一位,B错误,C正确;作vt图像时,若各点与直线拟合,则作直线并使直线经过尽量多的点,不在直线上的点,分布在直线两侧,D错误。
4.某同学在测定匀变速直线运动的加速度时,得到了几条较为理想的纸带。他已在每条纸带上按每5个点取一个计数点,即两计数点之间的时间间隔为0.1 s,依据打点先后标记为0、1、2、3、4、5。由于不小心,几条纸带都被撕断了,如图所示。根据给出的A、B、C、D四段纸带回答:
A B
C D
(1)B、C、D三段纸带中与纸带A原属于同一条纸带的应该是纸带 。
(2)打纸带A时,物体的加速度大小是 m/s2。
【解析】 (1)根据匀变速直线运动中相邻相等时间的位移差相等,可得Δx=x12-x01=6.0 mm,所以x45=x12+3Δx=54.0 mm,即与纸带A原属于同一条纸带的是纸带C。
(2)v01=eq \f(x01,T)=eq \f(30.0×10-3,0.1) m/s=0.3 m/s,
v12=eq \f(x12,T)=eq \f(36.0×10-3,0.1) m/s=0.36 m/s,
a=eq \f(v12-v01,T)=eq \f(0.36-0.3,0.1) m/s2=0.6 m/s2。
【答案】 (1)C (2)0.6
5.用图甲所示的实验装置研究小车速度随时间变化的规律。实验中,选取了一条点迹清晰的纸带,找一个合适的点当作计时起点O(t=0),然后每隔相同的时间间隔T选取一个计数点,如图乙中A、B、C、D、E、F所示。通过测量、计算可以得到在打A、B、C、D、E点时小车的速度,分别记作v1、v2、v3、v4、v5。
(1)本实验中,打点计时器的工作电压为 (选填“220 V”或“6 V以下”)交流电。
(2)在图丙中已标出计数点A、B、D、E对应的坐标点,请在该图中标出计数点C对应的坐标点,并画出vt图像。
(3)观察vt图像,可以判断小车做匀变速直线运动,其依据是 。
(4)描绘vt图像前,还不知道小车是否做匀变速直线运动。用平均速度eq \f(Δx,Δt)表示各计数点的瞬时速度,从理论上讲,对Δt的要求是 (选填“越小越好”或“与大小无关”);从实验的角度看,速度测量的误差与选取的Δx大小 (选填“有关”或“无关”)。
【解析】 (1)电磁打点计时器的工作电压为6 V以下的交流电。
(2)根据标出计数点A、B、D、E对应的坐标点位置,及C点对应的时间,从而确定C点的位置,再将各点平滑连接,如图所示。
(3)由于vt图像是一条倾斜直线,可知,速度随着时间是均匀变化的,说明小车做匀变速直线运动。
(4)当不知道小车是否做匀变速直线运动时,若用平均速度表示各计数点的瞬时速度,从理论上讲,对Δt的要求是越小越好,即v=eq \f(Δx,Δt),Δt越小,所得平均速度越接近瞬时速度;从实验的角度看,速度测量的误差与选取的Δx大小有关。
【答案】 (1)6 V以下 (2)见解析 (3)小车速度随时间均匀变化 (4)越小越好 有关
6.光电计时器是一种常用的计时仪器,其结构如图甲所示,a、b分别是光电门的激光发射和接收装置,当有滑块从a、b间通过时,光电计时器就可以显示出滑块的挡光时间。现有某滑块在斜面上滑行,先后通过光电门1和光电门2,计时器显示的挡光时间分别是t1=5×10-2 s、t2=3×10 s,滑块从光电门1到光电门2所经历的时间t=0.15 s,用分度值为1 mm的刻度尺测量滑块的长度d,示数如图乙所示。
甲 乙
(1)读出滑块的长度d为 cm。
(2)滑块通过光电门1、2的速度v1、v2分别为 m/s、 m/s。
(3)滑块的加速度大小为 m/s2。(计算结果均保留两位小数)
【解析】 (1)由图可知d=8.40 cm-4.00 cm=4.40 cm。
(2)滑块通过光电门1、2的速度
v1=eq \f(d,t1)=0.88 m/s,v2=eq \f(d,t2)≈1.47 m/s。
(3)滑块的加速度
a=eq \f(v2-v1,t)=eq \f(1.47-0.88,0.15) m/s2≈3.93 m/s2。
【答案】(1)4.40 (2)0.88 1.47 (3)3.93
位置
1
2
3
4
5
6
长度
x1
x2
x3
x4
x5
x6
各段长度
0~2
1~3
2~4
3~5
4~6
5~7
时间间隔
v/(m·s-1)
人教版 (2019)必修 第一册1 实验:探究小车速度随时间变化的规律巩固练习: 这是一份人教版 (2019)必修 第一册<a href="/wl/tb_c162906_t7/?tag_id=28" target="_blank">1 实验:探究小车速度随时间变化的规律巩固练习</a>,共98页。试卷主要包含了进一步练习使用打点计时器,1 s,90 2,00,0,60,0,40 0等内容,欢迎下载使用。
人教版 (2019)必修 第一册第二章 匀变速直线运动的研究1 实验:探究小车速度随时间变化的规律课后练习题: 这是一份人教版 (2019)必修 第一册<a href="/wl/tb_c162906_t7/?tag_id=28" target="_blank">第二章 匀变速直线运动的研究1 实验:探究小车速度随时间变化的规律课后练习题</a>,共82页。试卷主要包含了00 m/s2等内容,欢迎下载使用。
人教版 (2019)必修 第一册1 实验:探究小车速度随时间变化的规律习题: 这是一份人教版 (2019)必修 第一册<a href="/wl/tb_c162906_t7/?tag_id=28" target="_blank">1 实验:探究小车速度随时间变化的规律习题</a>,共24页。试卷主要包含了实验原理与方法,实验器材,实验步骤等内容,欢迎下载使用。

