物理必修 第一册1 实验:探究小车速度随时间变化的规律教学设计
展开第二章 第一节 实验:探究小车速度随时间变化的规律
【教学目标】
1.进一步熟练打点计时器的使用。
2.加深学习利用纸带求某时刻瞬时速度的方法。
3.进一步提高用描点法作图的能力。
【核心素养发展】
核心知识
1.进一步熟练打点计时器的使用。
2.加深学习利用纸带求某时刻瞬时速度的方法。
3.进一步提高用描点法作图的能力。
核心能力
1.通过实验电路的连接练习动手能力,体会科学家的不容易。
2.学会如何更好的处理实验数据。
科学品质
1. 通过对纸带的处理,实验数据的图象展现,培养学生实事求是的科学态度,能使学生灵活地运用科学方法来研究问题,解决问题,提高创新意识。
2. 用打点计时器测位移和时间是一个很有趣且不是很难的实验。通过实验进一步理解探究的过程。
【教学重点】
1.打点计时器的使用。
2.画物体的速度—时间图象。
【教学难点】
1.对纸带数据的处理。
2.用计算机绘制v-t图象。
【教学方法】教师启发、引导学生思考,讨论、交流学习成果。探究法、讨论法、实验法。
(一)新课导入
1、电火花计时器使用 电源,当电源频率为50Hz时,每隔 打一次点,打点时间间隔由 决定(选填“电压大小”或“电源频率”)。
2、下图为打点计时器打出的纸带的一部份,点间时间隔为T,尽可能精确测B点的瞬时速度的表达式是VB = ______________
3、本实验用到的仪材有 ______________________________
(二)新课内容
一.实验目的 探究小车速度随 变化的规律。
二.实验原理 利用 打出的纸带上记录的数据,以寻找小车速度随时间变化的规律。
三.实验器材 打点计时器、低压 电源、纸带、带滑轮的长木板、小车、 、细线、复写纸片、 。
四.实验步骤
1.实验准备电路的连接
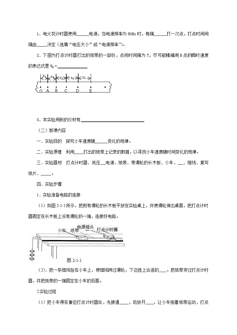
(1)如图2-1-1所示,把附有滑轮的长木板平放在实验桌上,并使滑轮伸出桌面,把打点计时器固定在长木板上没有滑轮的一端,连接好电路。
(2).把一条细线拴在小车上,使细线跨过滑轮,下边挂上合适的 。把纸带穿过打点计时器,并把纸带的一端固定在小车的后面。
2.实验过程
(1)把小车停在靠近打点计时器处,先接通 ,后放开 ,让小车拖着纸带运动,打点计时器就在纸带上打下一行小点,随后立即关闭电源。换上新纸带,重复实验三次。
(2)从三条纸带中选择一条比较理想的,舍掉开头比较密集的点迹,在后边便于测量的地方找一个点做计时起点。为了测量方便和减少误差,通常不用每打一次点的时间作为时间的单位,而用每打五次点的时间作为时间的单位,就是T=0.02 s ×5=0.1 s 。
3.数据处理
(1)利用纸带计数点间距离x1、x2、x3……和相对应的时间,根据第一章用打点计时器测量瞬时速度的方法,得出各计数点的瞬时速度, ……其中T=0.1s;求出各计数点的瞬时速度后,由加速度的定义:计算出小车做直线运动的加速度a。
(2)将得到的瞬时速度值分别填入下表:
小车在几个时刻的瞬时速度 | ||||||
位置编号 | 0 | 1 | 2 | 3 | 4 | 5 |
时间t/s | 0 | 0.1 | 0.2 | 0.3 | 0.4 | 0.5 |
v1/(m•s-1) |
|
|
|
|
|
|
v2/(m•s-1) |
|
|
|
|
|
|
v3/(m•s-1) |
|
|
|
|
|
|
(3)作出速度—时间图象
运用“拟合”描点法画v-t图象:在科学上,为了描述实验中测量量之间的关系,先将其在坐标系中描点,然后用一条曲线(包括直线)“拟合”这些点,使画出的曲线两侧的点数大致相同,这种描点方法叫拟合描点法。
每次实验,描出的几个点都大致在一条直线上,由于实验误差是不可避免的,所以有些点会落在直线的左边,有些点落在了直线的右边,如果是没有误差的理想情况,这些点才能全部落在直线上。需要注意的是,如果在拟合这些点时,发现某一个点离散得较多,远远偏离了拟合曲线,则说明此点反映的实验数据存在问题,应重做这一步实验或舍去此点。
(4)作出v-t图象,通过观察思考,找出这些点的分布规律,图线的斜率就是小车运动的加速度。
五.注意事项
1. 开始释放小车时,应使小车靠近打点计时器。
2. 先接通电源,计时器工作后,再放开小车,当小车停止运动时及时断开电源。
3. 要防止钩码落地和小车跟滑轮相撞,当小车到达滑轮前及时用手按住它。
4. 牵引小车的钩码个数要适当,以免加速度过大而使纸带上的点太少,或者加速度太小而使各段位移无多大差别,从而使误差增大。加速度的大小以能在60cm长的纸带上清楚地取得六七个计数点为宜。
5.要区别计时器打出的点和人为选取的计数点。一般在纸带上每5个点取一个计数点,间隔为0.1 s 。
应用点一:实验器材的选择
例1:在下列给出的器材中,选出“探究小车速度随时间变化的规律”的实验中所需的器材填在横线上(填编号).
①打点计时器 ②天平 ③低压交流电源 ④低压直流电源 ⑤细绳和纸带 ⑥钩码和小车 ⑦秒表 ⑧一端有滑轮的长木板 ⑨刻度尺
选出器材是____________.
解析: 打点计时器是一种计时仪器,所用电源是低压交流电源,因此④⑦不选.该实验不需要测量质量,因此②不选.
答案: ①③⑤⑥⑧⑨
点评:要掌握实验器材的选取,首先要理解实验的原理,结合实验目的和实验过程进行记忆.
拓展练习1-1:在下列所给器材中,本实验所需的器材有____________;为达到实验目的,还应增添____________.
①电磁打点计时器 ②天平 ③低压直流电源 ④细绳 ⑤纸带 ⑥小车 ⑦钩码 ⑧秒表 ⑨一端有滑轮的长木板
拓展练习1-1:①④⑤⑥⑦⑨ 低压交流电源和刻度尺
应用点二:熟悉实验操作步骤
例2:在“探究小车速度随时间变化的规律”的实验中,某同学操作中有以下实验步骤,其中有错误或遗漏的步骤有(遗漏步骤可编上序号G、H……)______________________.
A.拉住纸带,将小车移至靠近打点计时器处,先放开纸带,再接通电源
B.将打点计时器固定在平板上,并接好电路
C.把一条细绳拴在小车上,细绳跨过定滑轮,下面吊着适当的钩码
D.取下纸带
E.将平板一端抬高,轻推小车,使小车能在平板上做匀速运动
F.将纸带固定在小车后部,并穿过打点计时器的限位孔
将以上步骤完善并按合理的顺序写在横线上____________.
解析:在“探究小车速度随时间变化的规律”的实验中,要先接通电源,再放开纸带.在取下纸带前要先断开电源.为了减小误差,应重复3次即打3条纸带.
答案:(1)A中应先接通电源,再放开纸带.
(2)D中取下纸带前应先断开电源.
(3)补充步骤G:换上新纸带,重复3次
步骤顺序为:BFECADG
点评:对于实验步骤,同学们应结合实际操作掌握.
拓展练习2-1:关于“探究小车速度随时间变化的规律”的实验操作,下列说法错误的是( )
A.长木板不能侧向倾斜
B.在释放小车前,小车应紧靠在打点计时器上
C.应先接通电源,待打点计时器开始打点后再释放小车
D.要在小车到达定滑轮前使小车停止运动
拓展练习2-1:B
六、板书设计
七、作业布置
课堂作业:课本p40全部
八、小结
本实验的几个重点:电路的连接不能虚,实验的过程顺序不能错,位移的测量要估读,单位不能丢,时间间隔不能数错,速度的计算要认真。在考试中计算最容易出错,要加强练习。
人教版 (2019)必修 第一册1 实验:探究小车速度随时间变化的规律教学设计: 这是一份人教版 (2019)必修 第一册1 实验:探究小车速度随时间变化的规律教学设计,共3页。
物理必修 第一册第二章 匀变速直线运动的研究1 实验:探究小车速度随时间变化的规律教学设计: 这是一份物理必修 第一册第二章 匀变速直线运动的研究1 实验:探究小车速度随时间变化的规律教学设计,共16页。教案主要包含了即学即练1,即学即练2,即学即练3,即学即练4,即学即练5等内容,欢迎下载使用。
人教版 (2019)必修 第一册1 实验:探究小车速度随时间变化的规律教案设计: 这是一份人教版 (2019)必修 第一册1 实验:探究小车速度随时间变化的规律教案设计,共6页。教案主要包含了物理观念,科学思维,科学探究,科学态度与责任,教学重点,教学难点,新课导入,新课讲授等内容,欢迎下载使用。

