高中物理人教版 (2019)必修 第一册第二章 匀变速直线运动的研究1 实验:探究小车速度随时间变化的规律授课ppt课件
展开物理定律不能单靠“思维”来获得,还应该致力于观察和实验——普朗克。这一节我们要研究小车在重物牵引下的运动,看看小车的速度是怎样随时间变化的。你认为该如何设计此实验?需要测量哪些物理量?选用什么器材?
1.练习使用打点计时器,学会用打上点的纸带研究物体的运动2.掌握判断物体是否做匀变速直线运动的方法3.能够利用纸带测定物体做匀变速直线运动的速度和加速度
小车、细绳、一端附有定滑轮的长木板、打点计时器、电源、导线(两根)、纸带、毫米刻度尺、钩码、复写纸等
打点计时器(1)作用:计时仪器,当接频率为50 Hz的交流电时,打点周期为0.02 s(2)工作条件: 电磁打点计时器:4~6 V低压交流电源 电火花计时器:220 V交流电源(3)纸带的意义:表示跟纸带相连的物体不同时刻的位置
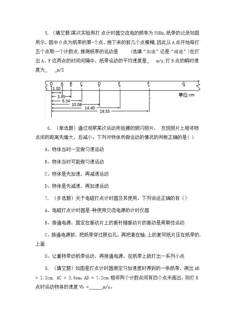
1.仪器安装把一端附有定滑轮的长木板放在实验桌上,并使滑轮伸出桌面。把打点计时器固定在长木板上没有滑轮的一端,连接好电路,如图所示:
2.固定纸带,把一条细绳拴在小车上,细绳跨过滑轮,并在细绳的另-端挂上合适的钩码。放手后小车能在长木板_上平稳地运动一段距离,把纸带穿过打点计时器,并把它的一端固定在小车的后面。3.打纸带把小车停在靠近打点计时器处,先接通电源,再放开小车让小车运动,打点计时器就在纸带上打下一系列的点,取下纸带,换上新纸带,重复实验几次。
4.由实验数据得出v-t图象(1)根据表格中的V、t数据,在直角坐标系中仔细描点。(2)作一条直线,使同一次实验得到的各点尽量落到这条直线上,落不到直线上的各点应均匀分布在直线的两侧,这条直线就是本次实验的v-t图线,它是一条倾斜的直线。
1.平行:纸带和细绳要和木板平行2.一先一后:实验中应先接通电源,后让小车运动;实验后应先断开电源后取纸带3.防止碰撞:在到达长木板末端前应让小车停止运动,要防止钩码落地和小车与滑轮相撞.4.减小误差:小车的加速度宜适当大些,可以减小长度的测量误差,加速度大小以能在约50 cm的纸带上清楚地取出6~7个计数点为宜。
例题2-1(填空题)在研究匀变速直线运动中,某同学用一端装有定滑轮的长木板,小车、打点计时器(频率为50Hz )、钩码、纸带、细线组成如图甲所示的装置,用钩码拉动小车,使其做匀变速直线运动,得到如图乙所示的一条纸带,纸带中相邻两个计数点之间有四个点未画出。
某同学操作实验步骤如下,有错误或不需要的步骤是 (填写字母)A.将打点计时器固定在平板上,并接好电路B.将纸带固定在小车尾部,并穿过打点计时器C.适当抬高长木板的右端,使不挂钩码的情况下,轻推小车,小车能匀速运动D.把一条细绳拴在小车.上,细绳跨过定滑轮,下面吊着适当重的钩码E.将小车移至靠近打点计时器处 F.放开纸带,再接通电源
分析:其中不需要的步骤是C,本实验在研究匀变速度直线运动,是否存在摩擦阻力,对实验没有影响,只要加速度恒定即可;错误的是F,实验时不能先放开小车,再接通打点计时器电源,由于小车运动较快,可能会使打出来的点很少,不利于数据的采集和处理,所以应该先接通电源,再释放纸带。
例题2-2(填空题)在研究匀变速直线运动中,某同学用一端装有定滑轮的长木板,小车、打点计时器(频率为50Hz )、钩码、纸带、细线组成如图甲所示的装置,用钩码拉动小车,使其做匀变速直线运动,得到如图乙所示的一条纸带,纸带中相邻两个计数点之间有四个点未画出。
1.(实验题)一个有一定厚度的圆盘,可以绕通过中心垂直于盘面的水平抽转动。可用下面的方法测量它匀速转动时的角速度。实验器材有:电磁打点计时器、米尺、纸带、复写纸片等。实验步骤如下:
(1)如图甲所示,将电磁打点计时器固定在桌面上,将纸带的一端穿过打点计时器的限位孔后,固定在待测圆盘的侧面上,使得圆盘转动时,纸带可以卷在圆盘侧面上。(2)启动控制装置使圆盘转动,同时接通电源,打点计时器开始打点。(3)经过一段时间,停止转动和打点,取下纸带,进行测量。
分析:①在纸带上取两点为n个打点周期,距离为L,则圆盘的线速度为: v=L/nT,则圆盘的角速度w=v/r= L/nTr,其中T为电磁打点计时器打点的周期,r为圆盘的半径,L是用米尺测量的纸带上待定的两点的长度,n为选定的两点间的打点周期。②从图中可知第一个点到最后一个点共有n=15个周期,其总长度L= 11.50cm,代入数据解得:w= 6.97rad/s。
2-1.(多选题)某同学利用如图所示装置研究小车的匀变速直线运动
实验中,必要的措施是( )A.细线必须与长木板平行 B.先接通电源再释放小车C.小车的质远大于钩码的质量 D.平衡小车与长木板间的摩擦力
分析:实验时,细线必须与长木板平行,以减小实验的误差,选项A正确;实验时要先接通电源再释放小车,选项B正确;此实验中没必要小车的质量远大于钩码的质量,选项C错误;此实验中不需平衡小车与长木板间的摩擦力,选项D错误。
3-1. (填空题)在“探究小车速度随时间变化的规律”的实验中,纸带记录了小车的运动情况,在纸带上确定出A、B、C、D、E、F共6个计数点,每两个相邻的计数点之间还有4个点未画出。S1 =1.40cm、S2 = 2.90cm、S3 = 4.38cm、S4 = 5.88cm、S5=7.39cm。
试根据纸带上各个计数点间的距离,计算出打下B、E两个点时小车的瞬时速度,并将这两个速度值填入下表:
3-2.(解答题)将B、C、D、E各个时刻的瞬时速度标在直角坐标系中,并画出小车的瞬时速度随时间变化的关系图线。(画在 下面的直角坐标系中)
分析:将B、 C、D、E各个时刻的瞬时速度标在直角坐标系中,画出小车的瞬时速度随时间变化的关系图线,如图2。
3-3. (填空题)在“探究小车速度随时间变化的规律”的实验中,纸带记录了小车的运动情况,在纸带上确定出A、B、C、D、E、F共6个计数点,每两个相邻的计数点之间还有4个点未画出。S1 =1.40cm、S2 = 2.90cm、S3 = 4.38cm、S4 = 5.88cm、S5=7.39cm。
探究小车速度与时间变化的规律
成功的花,人们只惊慕她现时的明艳!然而当初它的芽儿,浸透了奋斗的泪泉,洒遍了牺牲的血雨。
物理1 实验:探究小车速度随时间变化的规律公开课课件ppt: 这是一份物理1 实验:探究小车速度随时间变化的规律公开课课件ppt,文件包含第1节实验探究小车速度随时间变化的规律课件pptx、第1节实验探究小车速度随时间变化的规律分层练习-2023-2024学年高一物理同步精品课堂人教版2019必修第一册原卷版docx、第1节实验探究小车速度随时间变化的规律分层练习-2023-2024学年高一物理同步精品课堂人教版2019必修第一册解析版docx等3份课件配套教学资源,其中PPT共38页, 欢迎下载使用。
高中物理人教版 (2019)必修 第一册1 实验:探究小车速度随时间变化的规律精品ppt课件: 这是一份高中物理人教版 (2019)必修 第一册1 实验:探究小车速度随时间变化的规律精品ppt课件,共60页。
物理必修 第一册1 实验:探究小车速度随时间变化的规律课文内容ppt课件: 这是一份物理必修 第一册1 实验:探究小车速度随时间变化的规律课文内容ppt课件,共20页。PPT课件主要包含了知识回顾,某一点的瞬时速度,加速度,系统误差,偶然误差,实验目的,研究对象是谁,如何测量速度,小车如何加速,实验设计等内容,欢迎下载使用。

