所属成套资源:人教版九年级物理全一册教材解读与重难点突破 专项练习(附答案)
初中物理人教版(2024)九年级全册第3节 串联和并联巩固练习
展开
这是一份初中物理人教版(2024)九年级全册第3节 串联和并联巩固练习,共7页。试卷主要包含了串联电路,并联电路,电路的识别方法,并联电路画法,串联等内容,欢迎下载使用。
教材考点梳理
一、串联电路
1.定义:把用电器逐个顺次连接起来的电路。
2.特点:
(1)电流路径:只有1条路径,无干路、支路之分。
(2)用电器是否相互影响:相互影响。
(3)开关作用:开关控制整个电路,位置改变,作用不变。
3.局部短路对电路影响:
“谁被短路,谁不工作。其它用电器仍然工作”
4.生活应用:
(1)手电筒中,多节电池串联。
(2)开关和它控制的电灯串联。
(3)节日小彩灯串是串联。
二、并联电路
1.定义:
把用电器并列连接起来的电路。
2.特点:
(1)电流路径:有多条路径,有干路、支路之分。
(2)用电器是否相互影响:相不影响。
(3)开关作用:
干路开关控制整个电路,支路开关只控制各个支路用电器。
3.局部短路对电路影响:
“无论哪个用电器被短路,都会发生电源短路,烧坏电源和导线。
4.生活应用:
(1)家庭电路中各个用电器并联。
(2)街上路灯是并联。
三、电路的识别方法
1.定义法:看各个用电器是“逐个顺次连接”还是“并列连接”。
2.电流法:即让电流从电源正极出发回到电源负极,若途中不分流,用电器串联;若分流,一般为并联。
3.拆除法:去掉任意一个用电器,若另一个用电器也不工作,则这两个用电器串联。若另一个用电器不受影响仍然工作则这两个用电器为并联。
4.节点法:在识别电路时,不论导线有多长,只要其间没有用电器或电源,则导线的两端点都可看成同一点,从而找出各用电器的共同点。
四、并联电路画法
1.“干支干”:让电流从电源正极出发,先画干路,过分流点后画各个支路,经合流点后画干路到电源负极。
2.“先支后干”:先画出每一条支路,然后经分流点和合流点再画出干路到电源两极。
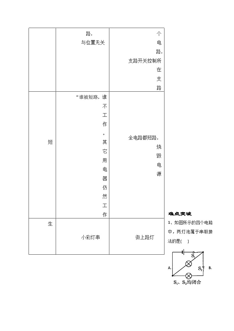
五、串联、并联电路区别
重难点突破
1、如图所示的四个电路中,两灯泡属于串联接法的是( )
A.B.C.D.
2、随着人们生活水平的提高,家用电器的使用也正在得到普及,家用电器在电路中的连接方式是( )
A.一定串联 B.一定并联
C.串联、并联都可以 D.无法确定
3、如图所示,电路分析错误的是( )
A.当断开,闭合时,与为串联
B.当断开,闭合时,与为并联
C.当断开,闭合时,与为串联
D.只要同时闭合,就会出现短路现象
4、如图所示,要使灯泡和组成串联电路,应( )
A. 闭合,断开 B. 断开和
C. 闭合和 D. 闭合,断开
5、小强把台灯的插头插在如图所示的插座上,插座上有一个开关和一个指示灯(相当于电 阻很大的灯泡)。台灯开关和灯泡用、表示。当只闭合时,台灯不发光,当闭合时,指示灯发光,再闭合时,台灯发光;如果指示灯损坏,和各都闭合时,台灯也能发光,下图中设计的电路符合要求的是( )
A. B.
C. D.
6、高铁轨道中的螺丝会因震动而松动,检修工作非常艰苦且重要.青少年科技创新大赛的获奖作品《5G高铁轨道螺丝警报器》,设计了检测螺丝松动的报警方案.其主要的科学原理是:螺丝(螺丝在电路图中用虚线框表示,其电阻不计)连接在电路中,当螺丝松动时,它会与下端的导线分离而断开,此时电灯亮起而发出警报,及时提醒工人修理.下列符合题意的电路图是( )
A.B.
C.D.
7、如图所示,学校有前、后两个门,在前、后门各装一个按钮开关,学校传达室有甲、乙两盏灯和电池组。要求:前门来人按下开关时甲灯亮,后门来人按下开关时乙灯亮。请连线图中实物。
参考答案
1、答案:D
解析:图A中,两开关均闭合后,两个灯泡并联;图B中,两开关均闭合后,一个灯泡被短路,另一个灯泡能够工作;图C中,断开,闭合后,两个灯泡并联;图D中,闭合,断开后,电流依次流过两个灯泡,电流只有一条路径,为串联电路。
2、答案:B
3、答案:C
解析:由题意结合题图可知,判断电路连接方式,可由电流路径来判断。当断开,闭合时,与为串联;当断开,闭合时,与为并联;同时闭合,就会出现短路现象,故选项A、B、D正确。当断开,闭合时,被短路,故选项C错误。
4、答案:D
5、答案:B
解析:题图A中当闭合开关、断开时,灯泡不亮,A错误。 题图B中当闭合开关、断开时,灯泡亮,当闭合开关、 断开时,灯泡都不亮,当,、都闭合时,两灯都亮,图中两灯 并联,所以如果指示灯损坏,不受影响,还能发光,B正确.题图C中当闭合开关、断幵时,灯泡亮,C错误。题图 D中当闭合开关、断开时,两灯泡都亮,D错误。
6、答案:D
解析:A选项图中,螺丝与电灯串联,螺丝没有松动时发出警报而螺丝松动时不发出警报,A错误;B选项图中,螺丝与电灯并联,当螺丝没有松动时,电源被短路,B错误;C选项图中,螺丝与电阻R并联后再与电灯串联,当螺丝没有松动时,R被短路,电灯会一直发光,发出警报,C错误;D选项图中,螺丝与电灯并联后再与电阻R串联,当螺丝没有松动时,电灯被短路,电灯不发光,不发出警报,当螺丝松动时,电灯与电阻串联,电灯发光,发出警报,D正确.
7、答案:
解析:由题意可知,前门开关只控制甲灯,后门开关只控制乙灯,这是一个并联电路,如图所示:特点
串联电路
并联电路
电路
连接特点
逐个顺次
并列连接
电流路径
只有1条
有多条路径
工作特点
互相影响
互不影响
开关作用
控制整个电路,
与位置无关
干路开关控制整个电路,
支路开关控制所在支路
短路影响
“谁被短路,谁不工作。其它用电器仍然工作
全电路都短路,烧毁电源
生活应用
小彩灯串
街上路灯
相关试卷
这是一份初中物理人教版(2024)九年级全册第5节 磁生电巩固练习,共10页。试卷主要包含了电磁感应,发电机,动圈式话筒,三大发现和三大应用等内容,欢迎下载使用。
这是一份人教版(2024)九年级全册第2节 电生磁精练,共5页。试卷主要包含了电流的磁效应,通电螺线管的磁场,安培定则等内容,欢迎下载使用。
这是一份初中人教版(2024)第二十章 电与磁第1节 磁现象 磁场巩固练习,共6页。试卷主要包含了磁现象,磁场,地磁场等内容,欢迎下载使用。

