初中科学第2节 电流的测量巩固练习
展开学习目标:
1.理解电流强度的概念,知道电流的符号、单位及单位换算。
2.了解常见用电器的工作电流大小,了解人体内的电流(心电图、测谎仪、安全电流等)。
3.知道电流表的量程、一般结构及使用规范,学会利用电流表测量电流。
同步训练:
1.下列关于电流的说法中不正确的是(▲)
A.电流是表示电流快慢的物理量
B.电流是表示电流强弱的物理量
C.电流的单位是安培,单位符号是“A”
D.电流的符号是“I”,单位可以用毫安,也可以用微安
2.LED灯具有节能、环保等特点,越来越普及到各个家庭。一般的家用照明LED灯泡在正常工作时,
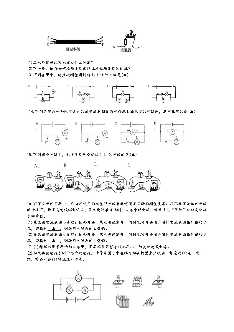
通过它的电流强度可能为(▲)
A.4×10-2mA B.4×10-2A C.4A D.4×102A
3.某同学测电流时,本应选用“0∽3A”的量程,却误用“0∽0.6A”的量程,这样做的结果是(▲)
A.指针反向偏转,电流表会被损坏
B.指针不动
C.指针偏转的角度变小
D.指针偏转的角度变大,电流表可能被损坏
4.有关电流表的使用规则,下列说法中不正确的是(▲)
A.电流表可以并联在待测电路中
B.必须使电流从“+”接线柱流进电流表,从“-”接线柱流出电流表
C.被测电流不能超过电流表的量程
D.不可以把电流表直接连在电源的两极
5.某同学利用如图所示的电路研究并联电路电流的规律。闭合开关S再迅速断开,发现接通电路的短时间内,两只小灯泡均发光,电流表的指针正向偏转超过最大刻度。产生这种现象的原因可能是(▲)
A.小灯泡L1发生短路
B.小灯泡L2发生短路
C.电流表使用的量程较小
D.电流表的正、负接线柱接反了
6.请正确读出如图所示电流表的示数。
(1)当电流表的“一”与“0.6”接线柱接入电路时,图甲中指针所在位置的示数是 ▲ ,图乙中指针所在位置的示数是 ▲ 。
(2)当电流表的“-”与“3”接线柱接入电路时,图甲中指针所在位置的示数是 ▲ ,图乙中指针所在位置的示数是 ▲ 。
7.在如图甲所示的电路中,当开关S闭合后,电流表测量的是通过 ▲ (填“电源”“L1”或“L2”)的电流,若电流表的指针偏转如图乙所示,则电流表的示数为 ▲ A。
8.在使用电源时,绝对不允许用导线把电源的正、负两极直接连接起来,这是因为(▲)
A.电流太大,会损坏电源 B.电流太大,会损坏用电器
C.电流太小,用电器不能工作 D.电流太大,会损坏电源和用电器
9.关于如图所示的电路,下列分析中正确的是(▲)
A.只闭合S1时,L2发光,L1不发光,电流表A2测通过L2的电流
B.只闭合S2时,L1发光,L2不发光,电流表A1测通过L1的电流
C.闭合S1、S2时,L1、L2并联,电流表A2测通过L2的电流
D.闭合S1、S2时,L1、L2串联,电流表A1、A2示数相等
10.如图甲所示为用电流表测量电流的实物连接图。
(1)电流表测量的是通过灯泡 ▲ (填“L1”或“L2”)的电流。
(2)若电流表示数如图乙所示,则测出的电流是 ▲ A。
(3)若要用电流表测干路电流,且只允许移动其中一根导线,应将导线 ▲ (填“a”“b”或“c”)
的右端接在电流表的 ▲ (填“-”“0.6”或“3”)接线柱上。
乙
11.A、B、C、D四位同学在做“用电流表测电流”的分组实验中,闭合开关前,他们的电流表指针均指在零刻度线处。当闭合开关试触时,发现A、B、C三位同学的电流表指标摆动分别出现了如图甲、
乙、丙所示的三种情况,请分析他们在电流表的使用上分别存在什么问题:
(1)A同学的问题:电流表的正、负接线柱在接线时 ▲ 。
(2)B同学的问题:电流表 ▲ 。
(3)C同学的问题:电流表 ▲ 。
(4)D同学正确使用电流表,在某次实验时,电流表示数如图丁所示,则他测得的电流为 ▲ A。
12.如图甲所示,在一根横跨河流两岸的硬塑料管内穿有三根完全相同且完好的导线。为了辨别哪两
个线头为同一根导线的两端,工人师傅用如图乙所示的测通器来进行测试。他首先将A和B连接起来,然后将测通器的m连接在D上,将n连接在F上,发现此时小灯泡发光。
(1)工人师傅据此可以做出什么判断?
(2)下一步,他将如何操作才能最终搞清每根导线的两端?
13.下列各图中,能直接测量通过灯L1电流的电路是(▲)
14.下列各图为一些同学设计的用电流表测量通过灯泡L的电流的电路图,其中正确的是(▲)
15.下列四个电路中,电流表能测量通过灯L1的电流的是(▲)
16.在某次电学实验中,已知所使用的双量程电流表能够满足实验的测量要求。在不能事先估计电流的情况下,为了避免损坏电流表,且又能较准确地测出电路中的电流,常常通过“试触”来确定电流表的量程。
(1)先选用电流表的小量程:闭合开关,然后迅速断开,同时观察开关闭合瞬间电流表的指针偏转情况,若指针 ▲ ,则换用电流表的大量程。
(2)先选用电流表的大量程:闭合开关,然后迅速断开,同时观察开关闭合瞬间电流表的指针偏转情况,若指针 ▲ ,则换用电流表的小量程。
17.(1)根据如图甲所示的电路图,用笔画线代替导线把图乙中的实物连成电路。
(2)如果要使电流表测干路中的电流,请你在图乙中连接好的实物图上只改动一根连线(删去一根
线,重画一根线)实现这一要求。
18.如图所示,灯L1与灯L2并联,先用电流表测通过灯L1电流,再测通过灯L2电流时,小明用了这样的方法:先闭合S、S1,断开S2,电流表测通过灯L2电流,再闭合S、S2,断开S1,电流表测通过灯L1电流。这种接法 ▲ (填“正确”或“不正确”),理由是 ▲ 。
(二)研究串、并联电路的电流特点(实验)
学习目标:
1.初步学会串联电路和并联电路的连接方法,了解开关对电路的控制作用。
2.初步学会使用电流表测量电路中的电流。
3.了解串联电路和并联电路中各部分电流的关系。
同步训练:
1.下列各图中,灯L1、L2并联,用电流表测干路和支路的电流,其中正确的是(▲)
2.下列说法中正确的是(▲)
A.串联电路中,各处电流一定是相等的
B.串联电路中,各处电流有时可能不相等
C.并联电路中,支路中的电流有时会大于干路中的电流
D.并联电路中,各支路中的电流一定相等
3.如图所示,当开关闭合后,电流表A1和A2的示数与开关闭合前相比,下列说法中正确的是(▲)
A.A1不变,A2增大
B.A1和A2的示数都增大
C.A1和A2的示数都减小
D.A1减小,A2增大
4.利用如图甲所示的电路探究电路的电流规律时,闭合开关后,A1的示数为1.2A,A2的示数如图乙
所示,则下列判断中正确的是(▲)
A.通过L2的电流为2.5A B.通过L1的电流为1.2A
C.通过L2的电流为1.2A D.通过L1的电流为0.7A
5.在如图所示的电路中,开关闭合时电流表甲测量的是通过 ▲ (填“L1”“L2”或“L1和L2”)的电流,电流表乙测量的是通过 ▲ (填“L1”“L2”或“L1和L2”)的电流。L1和L2两只灯泡是 ▲ (填“串联”或“并联”)关系。
6.某同学探究并联电路中电流的规律。
【提出问题】在如图所示的并联电路中,通过电路中A、B、C各点电流之间可能有怎样的关系?
【设计实验与进行实验】
①按图所示连接电路。
②把电流表分别接入电路中的A、B、C处,测出通过的电流,填入下页表中。
③为了防止偶然因素的影响,可以采用以下两种方法之一,重复上面的实验步骤。
方法一:改变电源电压。
方法二:更换其中一条支路中的电阻(阻值不同)。
请回答下列问题:
(1)上面设计的表格中存在的不足之处是 ▲ 。
(2)表格补充完整后,通过对表中数据的分析可知,后面两次实验是采用 ▲ (填“方法一”或“方法二”)进行的。
(3)该实验可以得出结论:并联电路干路中的电流等于 ▲ 。
7.小鑫在用电流表测电路中的电流时,设计了如图1所示的电路图。
(1)请你根据小鑫所画的电路图,用笔画线代替导线连接图2中的实物电路(要求导线不能交叉)。
(2)小鑫在实验时发现:当只闭合S1时,电流表的示数为0.22A;当同时闭合S1、S2时,电流表的示
数为0.58A,这时通过L1和L2的电流各是多少安培?(温馨提醒:请用相应的物理量符号表示相关数值)
8.如图甲所示,开关S闭合时两灯正常发光,电流表A1、A2示数如图乙所示。设灯丝的电阻不随温度而改变,下列说法中正确的是(▲)
A.电流表A1的示数是0.48A,电流表A2的示数是1.2A
B.L1、L2是串联的
C.电流表A2测的是L1所在支路的电流
D.工作一段时间后L1断路,则电流表A1示数减小,A2示数不变
9.在“探究串联电路中电流大小的关系”实验中,某同学用电流表分别测出图中A、B、C三处的电流大小。他下一步的操作应该是(▲)
A.将电源两极对调,再次测量A、B、C三处的电流
B.改变开关S的位置,再次测量A、B、C三处的电流
C.将图中两只灯泡位置对调,再次测量A、B、C三处的电流
D.换用不同规格的灯泡,再次测量A、B、C三处的电流
10.小明通过实验研究串联电路中的电流关系,实验电路如图所示,闭合开关S后,灯泡L1、L2均不发光,且电流表示数为零。他用电流表检测电路故障,将电流表的正、负接线柱分别与A、B两点相连接,灯L2发光,电流表的示数为0.3A;将电流表的正、负接线柱分别与B、C两点相连接,灯L1、L2均不发光,且电流表的示数为零。若电路中只有一处故障,下列对故障的判断中正确的是(▲)
A.灯L1短路
B.灯L2短路
C.灯L1断路
D.灯L2断路
11.小科在做“用电流表研究并联电路电流特点”实验时,连接了如图所示的电路。闭合开关后,由于 ▲ 致使电流表无示数,但两个灯泡会发光;当拆除导线 ▲ (填“a”“b”或“c”)时,就可以修复电路,并使电流表测其中一条支路电流。
12.小明用如图甲所示的电路探究并联电路中干路电流与各支路电流的关系,把一个电流表分别接入
电路中A、B、C处测量电流。
(1)他测量电流时连接的实验电路如图乙所示,闭合开关前小明发现电流表指针如图丙所示,其原
因是 ▲ ,排除故障后,此时电流表测量的是 ▲ (填“A”“B”或“C”)处的电流。
(2)请在图乙中移动一根导线,测量另外一处的电流。在移动的导线上画“×”,并用笔画线代替导
线连接正确的电路。
(3)进行实验,小明记录了如下表所示的数据:
分析以上实验数据,可以得到并联电路中干路电流与各支路电流的关系是 ▲ (填关系式),并且小明还得出“并联电路中通过各支路的电流总是相等的”这一结论,这个结论 ▲ (填“正确”或“不正确”),原因可能是 ▲ 。
13.在如图所示的电路中,闭合开关时,下列说法中正确的是(▲)
A.两灯泡串联 B.电流表测的是总电流
C.电流表测的是通过L1的电流 D.开关只能控制L2
14.如图所示为研究并联电路电流特点的实物电路图,电源电压保持不变。同时闭合开关S和S1,两灯发光,观察并记录电流表示数,断开开关S1,此时(▲)
A.甲表示数不变,乙表示数变大 B.甲表示数变小,乙表示数变大
C.甲表示数变大,乙表示数不变 D.甲表示数变小,乙表示数不变
15.宝宝和玲玲想探究并联电路的电流规律。
【猜想与假设】
宝宝猜想:并联电路中各支路电流相等。
玲玲猜想:并联电路干路中的电流等于各支路电流之和。
【设计实验与制订计划】宝宝和玲玲分别从实验室选取电流表3只,灯泡2只,开关1个、滑动变阻器1只,干电池、导线若干,按如图所示电路进行实验。
【进行实验与收集数据】
(1)宝宝根据电路图连接好实验电路,连接过程中,开关应该 ▲ ;检查电路无误后,开始实验,正确读出电流表示数如表一所示。
表一 表二
(2)玲玲根据电路图正确连接好实验电路,开始实验,正确读出电流表示数如表二所示。
【分析与论证】分析记录的实验数据,宝宝得出结论;并联电路中各支路电流相等,玲玲得出结论;
并联电路干路中的电流有时等于各支路电流之和,有时不等于各支路电流之和。
【评估】
(1)宝宝得出错误的实验结论,主要原因是 ▲ 。
(2)玲玲的实验记录表中,第 ▲ 次实验的读数错误,原因是 ▲ 。
(3)为了使实验结论更具科学性,请提出合理的建议; ▲ (一条即可)。
16.在探究并联电路的电流规律时,各组同学从甲、乙、丙、丁四种规格的灯泡中选取两个并联起来接在相同的电源上,组成如图甲所示的电路。然后把一个电流表分别接入电路中A,B、C处测量电流,并记录数据。
(1)小明在连接电路时发现,刚接好最后一根导线,电流表的指针就发生了偏转,由此可知在连接电路时,他忘记了 ▲ 。
(2)小军将电流表接在A处,闭合开关后,观察到灯L2发光,但灯L1不发光,电流表的示数为零,电路可能存在的故障是 ▲ 。
(3)小李将电流表接在B处,闭合开关,电流表示数如图乙所示,为了使测量结果更准确,她应该断
开开关, ▲ ,重新进行实验。
(4)小张测量时,闭合开关,发现电流表指针向零刻度线的左侧偏转,电流表连接存在的错误是 ▲ 。
(5)老师收集到几个组的数据如下表所示:
对于测量数据的相关分析,下列说法中正确的是 ▲ (多选,填字母)。
A.第1组数据没有测量误差
B.分析多组数据是为了减小误差
C.选用不同规格的灯泡进行实验,可使结论更具普遍性
D.第4组数据的偏差可能是电流表未调零引起的实验序号
A处的电流1A
B处的电流IB
C处的电流Ic
1
0.10
0.12
0.22
2
0.20
0.24
0.44
3
0.30
0.36
0.66
实验序号
A处电流IA/A
B处电流IB/A
C处电流Ic/A
1
0.1
0.1
0.2
2
0.2
0.2
0.4
3
0.3
0.3
0.6
实验序号
I1/A
I2/A
I/A
1
0.10
0.20
0.30
2
0.14
0.28
0.42
3
0.18
1.80
0.54
实验序号
I1/A
I2/A
I/A
1
0.16
0.16
0.32
2
0.20
0.20
0.40
3
0.22
0.22
0.44
组别
L1规格
L2规格
IA/A
IB/A
IC/A
1
甲
甲
0.12
0.12
0.23
2
乙
丙
0.15
0.20
0.35
3
甲
丁
0.12
0.14
0.26
4
甲
丁
0.16
0.18
0.30
浙教版科学八年级上第四章第2节《电流的测量》培优训练
(一)电流强度、电流的测量
学习目标:
1.理解电流强度的概念,知道电流的符号、单位及单位换算。
2.了解常见用电器的工作电流大小,了解人体内的电流(心电图、测谎仪、安全电流等)。
3.知道电流表的量程、一般结构及使用规范,学会利用电流表测量电流。
1.下列关于电流的说法中不正确的是(▲)
A.电流是表示电流快慢的物理量
B.电流是表示电流强弱的物理量
C.电流的单位是安培,单位符号是“A”
D.电流的符号是“I”,单位可以用毫安,也可以用微安
【答案】A
【解析】(1)电荷的定向移动形成电流,电流的大小称为电流强度(简称电流,符号为I),是指单位时间内通过导线某一截面的电荷量,每秒通过1库仑的电量称为1安培;(2)电流的国际单位是安培,符号是A,另外还与毫安(mA)、微安(uA)。
【分析】本题考查了学生对电流的概念以及单位的了解,属于基础知识的考查。
【详解】(1)电流是表示电流强弱的物理量,故A不正确,B正确;(2)电流的符号是“I”,国际单位安培,符号是“A”,单位可以用毫安,也可以用微安,故CD正确。本题选择说法不正确;故选A。
2.LED灯具有节能、环保等特点,越来越普及到各个家庭。一般的家用照明LED灯泡在正常工作时,
通过它的电流强度可能为(▲)
A.4×10-2mA B.4×10-2A C.4A D.4×102A
【答案】B
【解析】首先估计家用LED节能灯的功率,然后根据|=P/U计算工作电流。
【分析】物理与社会生活联系紧密,多了解一些生活中的常见量的值可帮助我们更好地学好物理,同时也能让物理更好地为生活服务。
【详解】LED灯具有节能、环保等特点,工作功率一般不超过10W,由P=UI得,其工作电流在
I=P/U=10W/220V≈4×10-2A左右。故选:B。
3.某同学测电流时,本应选用“0∽3A”的量程,却误用“0∽0.6A”的量程,这样做的结果是(▲)
A.指针反向偏转,电流表会被损坏
B.指针不动
C.指针偏转的角度变小
D.指针偏转的角度变大,电流表可能被损坏
【答案】D
【解析】1.本题考查了电流表的正确使用,电流表是电学实验中经常用到的电学仪器,它的正确使用是我们应当掌握的基本技能。2.电流表的正确使用方法是:与被测用电器串联;电流必须从电流表的“+”接线柱流入,从“-”接线柱流出;所测量的电流不能超过电流表的量程;绝对不允许不经过用电器把电流表直接接在电源两极上。1.本题是关于电流表的题目,解题的关键是知道电流表的正确使用;2.被测电流不要超过电流表的量程,如果选择量程过小,指针的偏转角度会过大,甚至打弯指针;3.若果量程过大,指针偏转角度会过小;
【分析】【详解】电流表应选用0∽0.6A的量程,但误用0∽3A的量程来测量,指针摆动角度将比较小,读数不够准确,且两个量程的分度值也不一样,也会导致测量准确程度降低。故答案为:D
4.有关电流表的使用规则,下列说法中不正确的是(▲)
A.电流表可以并联在待测电路中
B.必须使电流从“+”接线柱流进电流表,从“-”接线柱流出电流表
C.被测电流不能超过电流表的量程
D.不可以把电流表直接连在电源的两极
【答案】A【解析】【分析】【详解】略
5.某同学利用如图所示的电路研究并联电路电流的规律。闭合开关S再迅速断开,发现接通电路的短时间内,两只小灯泡均发光,电流表的指针正向偏转超过最大刻度。产生这种现象的原因可能是(▲)
A.小灯泡L1发生短路
B.小灯泡L2发生短路
C.电流表使用的量程较小
D.电流表的正、负接线柱接反了
【答案】C
【解析】使用电流表测量电流时,必须使电流表与用电器串联,使电流从“+”接线柱流入,从“-”流出,并且被测电流不能超过电流表的最大量程。
【分析】使用电流表时,指针偏转不正常的情况有四种:①不偏转,原因是电路断路或电流表短路;②偏转角度很小,原因是电流太小或选择的量程太大;③指针迅速转到最右侧,原因是电流太大或选择的量程太小;④指针倒转,原因是电流方向错了。
【详解】A.如果灯泡L1短路,电路电流很大,但灯泡L1不会发光.此选项不符合题意;B。如果灯泡L2短路,电路电流很大,但灯泡L2不会发光.此选项不符合题意;C.如果电流表使用的量程太小,因为电流较大,所以指针会迅速转到最右侧,超过最大刻度。此选项符合题意;D.如果电流表的接线柱接反了,闭合开关,指针会向左偏转。此选项不符合题意。故选C。
6.请正确读出如图所示电流表的示数。
(1)当电流表的“一”与“0.6”接线柱接入电路时,图甲中指针所在位置的示数是 ▲ ,图乙中指针所在位置的示数是 ▲ 。
(2)当电流表的“-”与“3”接线柱接入电路时,图甲中指针所在位置的示数是 ▲ ,图乙中指针所在位置的示数是 ▲ 。
【答案】(1)0.12A;0.44A;(2)0.6A;2.2A
【解析】弄明白电流表所接的量程和分度值,再去读数。
【分析】此题主要考查的是学生对电流表读书方法的理解和掌握,弄明白量程和分度值是解决此题的关键。
【详解】(1)电流表的示数如图甲所示,选用0∽0.6A量程,分度值为0.02A,则示数为0.12A;电流表的示数如图乙所示,选用0∽0.6A量程,分度值为0.02A,则示数为0.44A;(2)电流表的示数如图甲所示,选用0∽3A量程,分度值为0.1A,则示数为0.6A;电流表的示数如图乙所示,选用0∽3A量程,分度值为0.1A,则示数为2.2A.故答案为:(1)0.12A;0.44A;(2)0.6A;2.2A。
7.在如图甲所示的电路中,当开关S闭合后,电流表测量的是通过 ▲ (填“电源”“L1”或“L2”)的电流,若电流表的指针偏转如图乙所示,则电流表的示数为 ▲ A。
【答案】L2 ;0.28
【解析】【分析】【详解】看图可知,两灯并联,电流表与L2串联,测量通过L2的电流,读数为0.28A.故答案为:L2;0.28。
8.在使用电源时,绝对不允许用导线把电源的正、负两极直接连接起来,这是因为(▲)
A.电流太大,会损坏电源 B.电流太大,会损坏用电器
C.电流太小,用电器不能工作 D.电流太大,会损坏电源和用电器
【答案】A
【解析】解决此题要知道当用导线把电源两端连在一起时,会发生短路现象,这样电流太大会烧坏电源。
【分析】用导线把电源的正、负两极直接连接起来,电路短路,电路电流很大,会损坏电源发生危险,在连接电路时应该避免发生这种情况。
【详解】用导线把电源的正、负两极直接连起来,电路短路,电路电流很大,会损坏电源,所以在使用电源时绝对不允许用导线把电源的正、负两极直接连接起来。故选A。
9.关于如图所示的电路,下列分析中正确的是(▲)
A.只闭合S1时,L2发光,L1不发光,电流表A2测通过L2的电流
B.只闭合S2时,L1发光,L2不发光,电流表A1测通过L1的电流
C.闭合S1、S2时,L1、L2并联,电流表A2测通过L2的电流
D.闭合S1、S2时,L1、L2串联,电流表A1、A2示数相等
【答案】C
【解析】结合题目中的电路图,让电流从电源正极出发,按四个选项中的开关组合判断电路的连接情况。
【分析】能正确的区分电路的串并联关系、并熟悉电流表的正确使用是解决该题的关键。
【详解】A、只闭合S1时,L1发光,L2不发光,故A错误;B、只闭合S2时,两个灯泡都不发光,故B错误;C、闭合S1、S2闭合时,L1、L2并联,A2测L2电流,故C正确;D、闭合S1、S2闭合时,L1、L2并联,故D错误。故选:C。
10.如图甲所示为用电流表测量电流的实物连接图。
(1)电流表测量的是通过灯泡 ▲ (填“L1”或“L2”)的电流。
(2)若电流表示数如图乙所示,则测出的电流是 ▲ A。
(3)若要用电流表测干路电流,且只允许移动其中一根导线,应将导线 ▲ (填“a”“b”或“c”)
的右端接在电流表的 ▲ (填“-”“0.6”或“3”)接线柱上。
乙
【答案】(1)L1 ; (2)0.36; (3)b;-
【解析】电流表与被测电路串联,测量与它串联用电器的电流;由图示电流表确定电流表量程与分度值,然后读出其示数;电流表测干路电流,要接在干路上,由此分析电路如何改接。
【分析】【详解】(1)由甲电路图可知,电流表与L1灯串联,测灯L1的电流;(2)由图乙所示电流表可知,其量程是0∽0.6A,分度值为0.02A,电流表示数为0.36A;(3)如果要用电流表测干路电流,电流表应串联接在干路中,由电路图可知,只需将导线b的右端接在电流表的负接线柱上即可。故答案为:(1)L1;(2) 0.36;(3) b;-。
11.A、B、C、D四位同学在做“用电流表测电流”的分组实验中,闭合开关前,他们的电流表指针均指在零刻度线处。当闭合开关试触时,发现A、B、C三位同学的电流表指标摆动分别出现了如图甲、
乙、丙所示的三种情况,请分析他们在电流表的使用上分别存在什么问题:
(1)A同学的问题:电流表的正、负接线柱在接线时 ▲ 。
(2)B同学的问题:电流表 ▲ 。
(3)C同学的问题:电流表 ▲ 。
(4)D同学正确使用电流表,在某次实验时,电流表示数如图丁所示,则他测得的电流为 ▲ A。
【答案】(1)电流表的正负接线柱接反了;(2)所选量程较大;(3)电流表所选量程较小;(4)0.54A。
【解析】电流表的使用方法及注意事项为:(1)电流表要与待测电阻串联在电路中;(2)电流应从正接线柱流入,从负接线柱流出;(3)要合理的选择量程,不能向偏角过大或过小;(4)读数时要注意所选量程,根据量程计算出最小分度,则可得出读数。
【分析】本题考查电流表的使用,要求能根据实验的现象分析电流表在使用中出现的问题。
【详解】(1)由图可知,指针反转,说明电流由负接线柱流入,即电流表的正负接线柱接反了;(2)由图可知,电流表指针偏角较小,说明所选量程较大;(3)由图可知电流表指针偏角过大,超过了最大量程,故说明电流表所选的量程较小;(4)所选量程为0∽0.6A,则最小分度为0.02A,则读数为0. 54A.故答案为:(1)反接;(2)较大;(3)电流表所选量程较小;(4)0.54A。
12.如图甲所示,在一根横跨河流两岸的硬塑料管内穿有三根完全相同且完好的导线。为了辨别哪两
个线头为同一根导线的两端,工人师傅用如图乙所示的测通器来进行测试。他首先将A和B连接起来,然后将测通器的m连接在D上,将n连接在F上,发现此时小灯泡发光。
(1)工人师傅据此可以做出什么判断?
(2)下一步,他将如何操作才能最终搞清每根导线的两端?
【答案】(1)因为连接A和B,将测通器的m连接在D上。当n连接F时小灯泡发光,说明DBAF连通,CE为另外的一根导线;(2)现在知道CE为一根导线,下一步将AC连在一起,先把m连接在E上,若n连接F时小灯泡发光,则AF为一根导线,若灯不亮说明AD为一根导线,BF为同一根导线。
【解析】将A和B连接起来,“测通器”的m连接在D上,将n连接在F上,发现小灯泡发光说明所连接的四个线头之间是通路,从而判断另两个CE之间为一根导线,据此分析判断每根导线的两端。
【分析】本题利用了电路是通路时,电灯能发光来辨别哪两个线头是通路,而剩下的两个线头属于同一根导线。此方法很有实际意义,可以用在我们学生实验上,去找出开路的地方。
【详解】略
13.【怀化】下列各图中,能直接测量通过灯L1电流的电路是(▲)
【答案】D
【解析】电流表应与被测用电器串联,电流从正接线柱流入,负接线柱流出,根据电路图,分析电路结构,即可作出判断。
【分析】本题考查了电流表的使用,本题只要抓住电流表要与灯L1串联,且电流要从电流表的正接线注流入、负接线柱流出即可解答。
【详解】A、图中电流表在干路上,电流表测干路电流,故A不符合题意;B、图中电流表与L1串联,但电流表的正负接线柱接反了,不能测L1的电流,故B不符合题意;C、图中两灯泡并联,电流表与L2串联,电流表测L2支路的电流,不能直接测量通过灯L1的电流,故C不符合题意;D、图中电流表与L1串联,电流表的正负接线柱正确,能直接测量通过灯L1的电流,故D符合题意。故选D。
14.【枣庄】下列各图为一些同学设计的用电流表测量通过灯泡L的电流的电路图,其中正确的是(▲)
【答案】A
【解析】使用电流表时要注意:电流表要和被测用电器串联;让电流从正接线柱流入,从负接线柱流出;被测电流不能超过电流表的量程;绝对不允许不经过用电器直接把电流表接在电源的两极上。
【分析】该题考查电流表的正确使用方法,是一项基本技能,难度不大。
【详解】A、图中电流表与灯L串联,连接方法正确,故A是正确的;B、图中电流表的正、负接线柱接反了,故B错误;C、图中电流表直接并联在电源的两极上,而且正、负接线柱接反了,故C错误;D、图中电流表直接并联在电源的两极上,开关闭合后会烧坏电流表,故D错误。故选A。
15.【绍兴】下列四个电路中,电流表能测量通过灯L1的电流的是(▲)
【答案】D
【解析】(1)电流表是测量电流的仪表,一般有两个量程,三个接线柱;(2)电流表使用时要串联在电路中,并且电流从“+”接线柱流入,从“”接线柱流出。
【分析】电流表与测量的对象串联,并且注意正负接线柱;串联电路具有相互影响的特点,因此最简单的方法就是:把电流表去掉,看哪个灯泡受到了影响,电流表测量的是受到影响的那个灯泡的电流。
【详解】A、由图可见,两灯被短路,开关闭合后,电流表烧毁,故A不符合题意;B、由图可见,两灯并联,电流表在干路上,测量的是干路的总电流,故B不符合题意;C、由图可见,两灯并联,电流表与L2串联,测量的是L2的电流,故C不符合题意;D、由图可见,两灯并联,电流表与L1串联,测量的是L1的电流,故D符合题意.故选D。
16.【安徽】在某次电学实验中,已知所使用的双量程电流表能够满足实验的测量要求。在不能事先估计电流的情况下,为了避免损坏电流表,且又能较准确地测出电路中的电流,常常通过“试触”来确定电流表的量程。
(1)先选用电流表的小量程:闭合开关,然后迅速断开,同时观察开关闭合瞬间电流表的指针偏转情况,若指针 ▲ ,则换用电流表的大量程。
(2)先选用电流表的大量程:闭合开关,然后迅速断开,同时观察开关闭合瞬间电流表的指针偏转情况,若指针 ▲ ,则换用电流表的小量程。
【答案】(1)偏转超过最大值;(2)偏转较小
【解析】电流表使用之前,在无法确定电流大小时,要试触。
【分析】本题考查了试触的方法和原因。试触后既可以使读数准确,又能保护电流表不被损坏。
【详解】(1)假如先选用电流表的小量程:闭合开关然后迅速断开,同时观察开关闭合瞬间电流表的指针偏转情况,若电流表的指针偏转超过最大值,说明被测电流超过了小量程,而在大量程范围内,应换用大量程进测量;(2)假如先选用电流表的大量程:闭合开关然后迅速断开,同时观察开关闭合瞬间电流表的指针偏转情况,若电流表的指针偏转较小,说明量程选择过大,被测电流在小量程范围内,应换用小量程进行测量。
17.(1)根据如图甲所示的电路图,用笔画线代替导线把图乙中的实物连成电路。
(2)如果要使电流表测干路中的电流,请你在图乙中连接好的实物图上只改动一根连线(删去一根
线,重画一根线)实现这一要求。
【答案】
(1)如图所示 (2)如图所示
【解析】【分析】【详解】略
18.如图所示,灯L1与灯L2并联,先用电流表测通过灯L1电流,再测通过灯L2电流时,小明用了这样的方法:先闭合S、S1,断开S2,电流表测通过灯L2电流,再闭合S、S2,断开S1,电流表测通过灯L1电流。这种接法 ▲ (填“正确”或“不正确”),理由是 ▲ 。
【答案】不正确;电流表正负接线柱接反了
【解析】电流表测电流时,应与待测电路串联,电流表正负接线柱不要接反,否则电表指针将反向偏转;根据电路图分析答题。
【分析】本题考查了电流表的用法,知道电流表用法、分析清楚电路结构即可正确解题。
【详解】图中两灯泡并联,只闭合S、S1,电流表与灯泡L2串联,测量灯泡L2的电流,电流表的下面为正接线柱;只闭合S、S2,电流表与灯泡L1串联,测量灯泡L1的电流,电流表的上面为正接线柱,正负接线柱接反,故接法不正确。故答案为:不正确;电流表正负接线柱接反了。
(二)研究串、并联电路的电流特点(实验)
学习目标
1.初步学会串联电路和并联电路的连接方法,了解开关对电路的控制作用。
2.初步学会使用电流表测量电路中的电流。
3.了解串联电路和并联电路中各部分电流的关系。
1.下列各图中,灯L1、L2并联,用电流表测干路和支路的电流,其中正确的是(▲)
【答案】C
【解析】(1)电流表的测量电流的仪表,使用时应该串联在电路中,并且电流从“+”接线柱流入,从“-”接线柱流出;(2)并联电路电流有多条路径,测量干路电流时串联在干路中,测量支路电流串联在支路中。
【分析】明确电流表的使用方法,知道电流必须从“+”接线柱流入,从“-”接线柱流出是解题的关键。
【详解】A、由图可见,电流表A的“+”、“-”接线柱接反了,故该选项不正确;B、由图可见,电流表A1和A2的“+”、“一”接线柱接反了,故该选项不正确;C、三个电流表的“+”、“-”接线柱都正确,并且A测干路总电流,A1测通过灯L1的电流,A2测灯L2的电流,故该选项正确;D、由图可见,电流表A的“+”、“-”接线柱接反了,故该选项不正确。故选C。
2.下列说法中正确的是(▲)
A.串联电路中,各处电流一定是相等的
B.串联电路中,各处电流有时可能不相等
C.并联电路中,支路中的电流有时会大于干路中的电流
D.并联电路中,各支路中的电流一定相等
【答案】A
【解析】(1)串联电路中电流处处相等;(2)并联电路中,各个并联支路的电压相等,干路电流等于各个支路电流之和,各个支路的电流不一定相等。
【分析】知道串并联电路电流和电压的规律是解决该题的关键。
【详解】A、据课本可知,串联电路中的各处电流一定是相等的,故正确;B、据课本可知,串联电路中的各处电流一定是相等的,故错误;C、并联电路中,各个并联支路的电压相等,干路电流等于各个支路电流之和,故干路电流一定大于支路电流,故错误;D、若并联支路的电阻不相等,故各个并联支路的电流不相等,故错误;故选A。
3.如图所示,当开关闭合后,电流表A1和A2的示数与开关闭合前相比,下列说法中正确的是(▲)
A.A1不变,A2增大
B.A1和A2的示数都增大
C.A1和A2的示数都减小
D.A1减小,A2增大
【答案】B
【解析】开关闭合前电路中只有L1,电流表A1测量的是通过L1的电流;当开关闭合后,为并联电路,根据并联电路各支路互不影响以及干路电流等于支路电流之和分析两个电流表示数的变化。
【分析】本题主要考查并联电路的电流规律以及电流表的使用,识别电路是解答本题的关键。
【详解】开关闭合前,电路中只有L1,电流表A1测量通过L1中的电流,A2的示数为0;当开关闭合时,两灯并联,电流表A1测量干路电流,A2测量通过支路L2中的电流,∵并联电路互不影响,I=I1+I2,∴A1示数变大,A2示数变大.故选B。
4.利用如图甲所示的电路探究电路的电流规律时,闭合开关后,A1的示数为1.2A,A2的示数如图乙
所示,则下列判断中正确的是(▲)
A.通过L2的电流为2.5A B.通过L1的电流为1.2A
C.通过L2的电流为1.2A D.通过L1的电流为0.7A
【答案】D
【解析】(1)串联电路中电流处处相等,并联电路中,干路电流等于各支路电流之和。(2)根据实物图画出电路图,判断出电路的连接方式和电流表测量的对象,再根据串、并联电路电流的特点作出选择。
【分析】本题考查了学生分析判断电路的能力,以及对串并联电路电流特点的掌握情况,有一的难度。
【详解】(1)由图可见:电流路径有两条,分别是:正极→开关→A1→L1→负极、正极→开关→A1→A2→L2→负极.因此该电路为并联电路,电流表A1测量的是干路总电流,电流表A2测量的是支路的L2电流.电路如下图:
(2)A1的示数为1.2A,A2选择的是0∽0.6A量程,指针指在0.5A上,根据并联电路的特点可知:通过灯L2的电流为0.5A,通过灯L1的电流为1.2A-0.5A=0.7A.故选D。
5.在如图所示的电路中,开关闭合时电流表甲测量的是通过 ▲ (填“L1”“L2”或“L1和L2”)的电流,电流表乙测量的是通过 ▲ (填“L1”“L2”或“L1和L2”)的电流。L1和L2两只灯泡是 ▲ (填“串联”或“并联”)关系。
【答案】L2; L1 ; 并联
【解析】各电路元件并列连接的连接方式是并联,并联电路有多条电流路径;电流表串联在所测电路中;分析电路结构然后答题。
【分析】知道串并联的概念、知道电流表的用法分析清楚电路结构即可正确解题,本题是一道基础题。
【详解】由电路图可知,电路有两条电流路径,两灯泡是并联的;电流表甲串联在灯L2支路中,测灯L2的电流;电流表乙串联在L1支路中,测通过灯L1的电流;故答案为:L2 ; L1; 并联。
6.某同学探究并联电路中电流的规律。
【提出问题】在如图所示的并联电路中,通过电路中A、B、C各点电流之间可能有怎样的关系?
【设计实验与进行实验】
①按图所示连接电路。
②把电流表分别接入电路中的A、B、C处,测出通过的电流,填入下页表中。
③为了防止偶然因素的影响,可以采用以下两种方法之一,重复上面的实验步骤。
方法一:改变电源电压。
方法二:更换其中一条支路中的电阻(阻值不同)。
请回答下列问题:
(1)上面设计的表格中存在的不足之处是 ▲ 。
(2)表格补充完整后,通过对表中数据的分析可知,后面两次实验是采用 ▲ (填“方法一”或“方法二”)进行的。
(3)该实验可以得出结论:并联电路干路中的电流等于 ▲ 。
【答案】(1)没有写出电流的单位; (2)方法一; (3)各支路的电流之和
【解析】(1)设计实验表格时,被测量的物理量的后面要有单位;(2)并联电路中各支路互不影响,根据两支路中电流的变化可判断所采用的方法;(3)根据表中数据可得出并联电路的电流规律。
【分析】探究并联电路电流的特点时,是采用改变电源电压和改变电阻的方法进行多次测量的方法,使实验具有普遍性;实验中还考查了电路的连接常识、表格设计等,属常考内容。
【详解】(1)设计实验表格时,被测量的物理量的后面要有单位,物理量没有单位没有意义,测量的电流没有单位。(2)比较后面两次实验与第一次实验的数据可知,两支路的电流均成倍增大,故应该是改变了电源电压;因为如果是方法二更换其中一条支路中的电阻,其中一条支路的电流应该不变。所以采用的是方法一;由表中数据可得出结论:并联电路干路中的电流等于各支路的电流之和。故答案为:(1)没有写出电流的单位;(2)方法一;(3)各支路电流之和。
7.小鑫在用电流表测电路中的电流时,设计了如图1所示的电路图。
(1)请你根据小鑫所画的电路图,用笔画线代替导线连接图2中的实物电路(要求导线不能交叉)。
(2)小鑫在实验时发现:当只闭合S1时,电流表的示数为0.22A;当同时闭合S1、S2时,电流表的示
数为0.58A,这时通过L1和L2的电流各是多少安培?(温馨提醒:请用相应的物理量符号表示相关数值)
【答案】(1)如图;
(2)这时通过L1和L2的电流各是0.36A和0.22A
【解析】(1)据电路图连接实物图即可;(2)分析该电路是并联电路,即并联电路中的总电流等于各个支路电流之和。
【分析】本题考查了并联电流的关系和实物电路的连接问题,是一道基础题。
【详解】(1)据题可知,电流从电源正极出发,经过开关S1、电流表后,分两条路径,一条经L2后,再经S2回到负极,另一条经过L1回到负极,如下图所示,且据(2)中的数据可知,电流表选择小量程:
(2)当只闭合S1时,电流表的示数为0.22A,即此时灯泡L2的电流是0.22A;当同时闭合S1、S2时,两个灯泡并联,对于L2来说,其电压不变,电阻不变,故该灯泡的电流不变,仍为0.22A,即I2=0.22A;此时电流表的示数为0.58A,即I=0.58A,所以L1的电流是:I1=0.58A-0.22A=0.36A;故答案为:(1)见上图;(2)这时通过L1和L2的电流各是0.36A和0.22A。
8.如图甲所示,开关S闭合时两灯正常发光,电流表A1、A2示数如图乙所示。设灯丝的电阻不随温度而改变,下列说法中正确的是(▲)
A.电流表A1的示数是0.48A,电流表A2的示数是1.2A
B.L1、L2是串联的
C.电流表A2测的是L1所在支路的电流
D.工作一段时间后L1断路,则电流表A1示数减小,A2示数不变
【答案】A
【解析】由电路图可知,两灯泡并联,电流表A1测L2支路的电流,电流表A2测干路电流,根据并联电路的电流特点和电流表指针的位置确定两电流表的量程并根据分度值读出示数。
【分析】本题考查了电流表的读数和并联电路的电流特点,关键是根据并联电路的特点和指针的位置确定量程。
【详解】(1)由电路图可知,两灯泡并联,电流表A1测L2支路的电流,电流表A2测干路电流.并联电路中干路电流等于各支路电流之和,即干路电流大于任意支路的电流,电流表A2示数应大于A1示数,故电流表A2的量程为0∽3A,分度值为0.1A,示数I=1.2A,电流表A1的量程为0∽0.6A,分度值为0.02A,示数I1=0.48A,即表A1示数为0.48A,故A正确,BC错误;(2)因电流表A1测L2支路的电流,所以若工作一段时间后L1断路,电流表A1示数不变,因为并联电路中干路上的电流等于各支路电流之和,若工作一段时间后L1断路,A2示数将变小。故D错误。故选A。
9.在“探究串联电路中电流大小的关系”实验中,某同学用电流表分别测出图中A、B、C三处的电流大小。他下一步的操作应该是(▲)
A.将电源两极对调,再次测量A、B、C三处的电流
B.改变开关S的位置,再次测量A、B、C三处的电流
C.将图中两只灯泡位置对调,再次测量A、B、C三处的电流
D.换用不同规格的灯泡,再次测量A、B、C三处的电流
【答案】D
【解析】探究串联电路中的电流时,为了使实验结论具有普遍性,要进行多次测量。可以通过改变电源电压,或者更换不同的灯泡,或更换不同的用电器进行多次实验。
【分析】对于电路问题,要掌握串联电路的电流特点以及探究串联电路特点的实验方法。要使实验结论具有普遍性,要更换不同规格的灯泡进行多次测量。
【详解】A、将电源的正负极对调,不能改变电路中的电阻、电压、电流的大小,实验测得的数据不变,测量结果没有普遍性,不能作为下一步操作。故A错误。B、改变开关的位置,不能改变电路的电阻、电压和电流的大小,实验测量得到的数据不变,测量结果没有普遍性,不能作为下一步操作。故B错误。C、两只灯泡的位对调,不能改变电路的电阻、电压和电流的大小,实验测量得到数据不变,测量结果没有普遍性。不能作为下一步操作。故C错误。D、更换不同规格的灯泡,电阻发生变化,电路中的电流随之发生变化,再次测量A、B、C三处的电流,这样得出的实验结论具有普遍性,减小了偶然性,可以作为他的下一步操作。故D正确。故答案为:D。
10.小明通过实验研究串联电路中的电流关系,实验电路如图所示,闭合开关S后,灯泡L1、L2均不发光,且电流表示数为零。他用电流表检测电路故障,将电流表的正、负接线柱分别与A、B两点相连接,灯L2发光,电流表的示数为0.3A;将电流表的正、负接线柱分别与B、C两点相连接,灯L1、L2均不发光,且电流表的示数为零。若电路中只有一处故障,下列对故障的判断中正确的是(▲)
A.灯L1短路
B.灯L2短路
C.灯L1断路
D.灯L2断路
【答案】C
【解析】由电路图知,两灯串联。闭合开关两灯都不亮,说明不可能发生一灯短路,只能是某处断路。
【分析】本题考查用电流表、电压表判断电路中的故障,要记住短路和断路的区别以电表在电路中的不同特征。
【详解】将电流表的正、负接线柱分别与a、b两点相连接,如左图所示;将电流表的正、负接线柱分别与b、c两点相连接,如右图所示玉:
A、如果灯L1短路,L2发光.此选不符合题意;B、灯L2处出现了短路,L1发光.此选项不符合题意;C、灯L1处出现了断路,两灯泡不亮,将电流表的正、负接线柱与a、b两点相连接,灯L2发光,与b、c两点相连接,灯L1、L2均不发光,符合题意;D、如果灯L2断路,两灯都不发光;将电流表的正、负接线柱与a、b两点相连接,灯L2不发光,不符合题意。故选C。
11.小科在做“用电流表研究并联电路电流特点”实验时,连接了如图所示的电路。闭合开关后,由于 ▲ 致使电流表无示数,但两个灯泡会发光;当拆除导线 ▲ (填“a”“b”或“c”)时,就可以修复电路,并使电流表测其中一条支路电流。
【答案】电流表被短路;b
【解析】要使电流表测其中一条支路电流,电流表应串联在这一支路中,搞清实物图的连接,据此作答。
【分析】本题探究电流表的正确使用、还考查电路的连接,比较简单。
【详解】由图可知,导线b与电流表并联,将电流表短路了,所以电流表没有示数,此时L1、L2并联,两灯均发光;因此去掉b导线即为正常电路,此时电流表测右边灯泡所在支路的电流;故答案为:电流表被短路;b。
12.小明用如图甲所示的电路探究并联电路中干路电流与各支路电流的关系,把一个电流表分别接入
电路中A、B、C处测量电流。
(1)他测量电流时连接的实验电路如图乙所示,闭合开关前小明发现电流表指针如图丙所示,其原
因是 ▲ ,排除故障后,此时电流表测量的是 ▲ (填“A”“B”或“C”)处的电流。
(2)请在图乙中移动一根导线,测量另外一处的电流。在移动的导线上画“×”,并用笔画线代替导
线连接正确的电路。
(3)进行实验,小明记录了如下表所示的数据:
分析以上实验数据,可以得到并联电路中干路电流与各支路电流的关系是 ▲ (填关系式),并且小明还得出“并联电路中通过各支路的电流总是相等的”这一结论,这个结论 ▲ (填“正确”或“不正确”),原因可能是 ▲ 。
【答案】(1)电流表指针没有调零;C;(2)如图;
(3)Ic=IA+IB;不正确;选用的灯泡规格相同
【解析】(1)电流表使用前要调零;掌握电路的连接,两灯泡并联,电流表在干路上,据此判断;(2)根据电流表与哪部分电路串联测量哪部分电路的电流改接即可;(3)分析数据得出结论;为得出普遍结论,实验时应采用不同规格的实验器材进行多次实验。
【分析】此题是探究并联电路中电流的规律实验,考查了注意事项、电流表使用、有关电路的连接、数据分析等知识,属于中考常考命题点。
【详解】(1)在闭合开关前,电路中无电流,而发现电流表的指针偏转,原因是:电流表没有调。电流表在干路上测量干路的电流,即此时电流表测量的是C处的电流。(2)让电流表测量A处支路的电流,则电流表与L1串联中,电路连接如图所示:
(3)根据表格数据可以得出:并联电路中,干路电流等于各支路电流的和,即Ic=IA+IB;若实验中小灯泡的规格相同,电阻相同,当两电阻并联时,电压也相同,通过的电流也相同,所以小明还得出“并联电路中通过各支路的电流总是相等的”片面结论。故答案为:(1)电流表指针没有调零;C;
(2)见上图;(3)Ic=IA+IB;不正确;选用的灯泡规格相同。
13.在如图所示的电路中,闭合开关时,下列说法中正确的是(▲)
A.两灯泡串联 B.电流表测的是总电流
C.电流表测的是通过L1的电流 D.开关只能控制L2
【答案】C
【解析】分析清楚电路结构,根据各电路元件的连接方式分析答题。
【分析】本题难度不大,是一道基础题,分析清楚电路结构即可正确解题。
【详解】由电路图可知,两灯泡并联,电流表串联在L1支路中,测流过L1的电流;A、两灯泡并联,故A错误;B、电流表串联在L1支路中,测支路电流,故B错误;C、电流表测的是L1的电流,故C正确;D、由电路图可知,开关串联接在干路上,控制整个干路,故D错误;故选C.
14.【金华】如图所示为研究并联电路电流特点的实物电路图,电源电压保持不变。同时闭合开关S和S1,两灯发光,观察并记录电流表示数,断开开关S1,此时(▲)
A.甲表示数不变,乙表示数变大 B.甲表示数变小,乙表示数变大
C.甲表示数变大,乙表示数不变 D.甲表示数变小,乙表示数不变
【答案】D
【解析】根据电路图可知,同时闭合开关S和S1时,两灯泡并联,电流表甲测量干路电流,电流表乙测量一条之路电流,开关S控制整个电流,开关S1控制另一条支路;断开开关S1后,电路为一个灯泡的基本电路,电流表甲乙都测量电路电流;先根据并联电路各支路互不影响的特点确定电流表乙示数的变化,然后根据并联电路电流规律确定电流表甲示数的变化。
【分析】本题是一道电路动态分析题,分析清楚电路结构是正确解题的关键,分析清楚电路结构后应用并联电路特点与欧姆定律可以解题。
【详解】根据电路图可知,同时闭合开关S和S1时,两灯泡并联,电流表甲测量干路电流,电流表乙测量一条之路电流;因为并联电路中干路电流等于各支路电流之和,因此电流表甲的示数大于电流表乙的示数;断开开关S1后,电路为一个灯泡的基本电路,电流表甲乙都测量电路电流,此时两电流表示数相同;由于电流表原来位于支路中,因此电流表乙示数不变,电流表甲示数变小。故选D。
15.【江西】宝宝和玲玲想探究并联电路的电流规律。
【猜想与假设】
宝宝猜想:并联电路中各支路电流相等。
玲玲猜想:并联电路干路中的电流等于各支路电流之和。
【设计实验与制订计划】宝宝和玲玲分别从实验室选取电流表3只,灯泡2只,开关1个、滑动变阻器1只,干电池、导线若干,按如图所示电路进行实验。
【进行实验与收集数据】
(1)宝宝根据电路图连接好实验电路,连接过程中,开关应该 ▲ ;检查电路无误后,开始实验,正确读出电流表示数如表一所示。
表一 表二
(2)玲玲根据电路图正确连接好实验电路,开始实验,正确读出电流表示数如表二所示。
【分析与论证】分析记录的实验数据,宝宝得出结论;并联电路中各支路电流相等,玲玲得出结论;
并联电路干路中的电流有时等于各支路电流之和,有时不等于各支路电流之和。
【评估】
(1)宝宝得出错误的实验结论,主要原因是 ▲ 。
(2)玲玲的实验记录表中,第 ▲ 次实验的读数错误,原因是 ▲ 。
(3)为了使实验结论更具科学性,请提出合理的建议; ▲ (一条即可)。
【答案】【进行实验与收集数据】断开;【评估】(1)用了两只规格相同的灯泡; (2)3; 读错了量程; (3)应该选用不同规格的灯泡再进行多次实验后得出结论
【解析】【分析】【详解】略
16.在探究并联电路的电流规律时,各组同学从甲、乙、丙、丁四种规格的灯泡中选取两个并联起来接在相同的电源上,组成如图甲所示的电路。然后把一个电流表分别接入电路中A,B、C处测量电流,并记录数据。
(1)小明在连接电路时发现,刚接好最后一根导线,电流表的指针就发生了偏转,由此可知在连接电路时,他忘记了 ▲ 。
(2)小军将电流表接在A处,闭合开关后,观察到灯L2发光,但灯L1不发光,电流表的示数为零,电路可能存在的故障是 ▲ 。
(3)小李将电流表接在B处,闭合开关,电流表示数如图乙所示,为了使测量结果更准确,她应该断
开开关, ▲ ,重新进行实验。
(4)小张测量时,闭合开关,发现电流表指针向零刻度线的左侧偏转,电流表连接存在的错误是 ▲ 。
(5)老师收集到几个组的数据如下表所示:
对于测量数据的相关分析,下列说法中正确的是 ▲ (多选,填字母)。
A.第1组数据没有测量误差
B.分析多组数据是为了减小误差
C.选用不同规格的灯泡进行实验,可使结论更具普遍性
D.第4组数据的偏差可能是电流表未调零引起的
【答案】(1)断开开关;(2)灯L1所在支路断路;(3)换电流表的小量程; (4)电流表的正、负接线柱接反了;(5)CD
【解析】从指针偏转角度太小、指针反向偏转找原因;(3)清楚误差的概念,明确用不同规格的灯多次实验的目的;电流表使用前应调零。
【分析】本题探究并联电路中各电路电流与各支路电流的关系,考查实验中常见的问题处理方法和归纳法的运用,难度中等。
【详解】(1)在测量电流时,出现图示指针偏转角度太小的问题,是因为选用的电流表量程太大了,为了测量结果准确,她应该断开开关,换电流表的小量程,重新进行试验;(2)在测量电流时,出现图示指针反向偏转的问题,是因为电流从“-”接线柱流入了,电流表连接存在的错误是“+”、“-”接线柱接反了;(3)A、误差只能减小,不能避免,错误;B、分析多组数据,是为了避免实验的偶然性,得出具有普遍性的结论,错误;C、选用不同规格的灯进行实验,是为了得出具有普遍性的结论,正确;D、第4组数据都比对应的3组大,可能因为测量时电流表指针没有调零所致,正确。故选CD.故答案为:(1)断开开关;(2)灯L1所在支路断路;(3)换电流表的小量程; (4)电流表的正、负接线柱接反了;(5)CD
实验序号
A处的电流1A
B处的电流IB
C处的电流Ic
1
0.10
0.12
0.22
2
0.20
0.24
0.44
3
0.30
0.36
0.66
实验序号
A处电流IA/A
B处电流IB/A
C处电流Ic/A
1
0.1
0.1
0.2
2
0.2
0.2
0.4
3
0.3
0.3
0.6
实验序号
I1/A
I2/A
I/A
1
0.10
0.20
0.30
2
0.14
0.28
0.42
3
0.18
1.80
0.54
实验序号
I1/A
I2/A
I/A
1
0.16
0.16
0.32
2
0.20
0.20
0.40
3
0.22
0.22
0.44
组别
L1规格
L2规格
IA/A
IB/A
IC/A
1
甲
甲
0.12
0.12
0.23
2
乙
丙
0.15
0.20
0.35
3
甲
丁
0.12
0.14
0.26
4
甲
丁
0.16
0.18
0.30
初中科学浙教版(2024)八年级上册第7节 电路分析与应用精练: 这是一份初中科学浙教版(2024)八年级上册<a href="/kx/tb_c92819_t7/?tag_id=28" target="_blank">第7节 电路分析与应用精练</a>,共27页。试卷主要包含了2A等内容,欢迎下载使用。
初中科学浙教版(2024)八年级上册第6节 电流与电压、电阻的关系课堂检测: 这是一份初中科学浙教版(2024)八年级上册<a href="/kx/tb_c5712_t7/?tag_id=28" target="_blank">第6节 电流与电压、电阻的关系课堂检测</a>,共31页。
浙教版(2024)八年级上册第5节 电压的测量同步练习题: 这是一份浙教版(2024)八年级上册<a href="/kx/tb_c5711_t7/?tag_id=28" target="_blank">第5节 电压的测量同步练习题</a>,共23页。试卷主要包含了知道电压表的使用规范等内容,欢迎下载使用。

