人教版 (2019)选择性必修1第三节 金属的腐蚀与防护课后练习题
展开一、选择题
1.化学与生产、生活、社会密切相关。下列有关说法中不正确的是
A.“静电除尘”、“燃煤固硫”、“汽车尾气催化净化”都能提高空气质量
B.“朝坛雾卷,曙岭烟沉”中的雾是一种气溶胶,能产生丁达尔现象
C.在日常生活中,造成钢铁腐蚀的主要原因是化学腐蚀
D.华为自主研发的“麒麟”芯片与太阳能电池感光板所用材料均为晶体硅
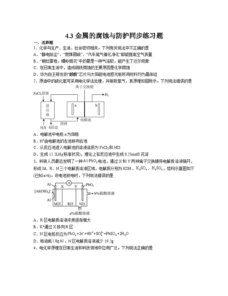
2.原油中的硫化氢可采用电化学法处理,并制取氢气,其原理如图所示。下列说法错误的是
A.电解池中电极a为阳极
B.H+由电解池的左池移向右池
C.从反应池进入电解池的溶液溶质为FeCl2和HCl
D.生成11.2LH2(标准状况),理论上在反应池中生成0.25mlS沉淀
3.科研人员最近发明了一种电池,通过X和Y两种离子交换膜将电解质溶液隔开,形成M、R、N三个电解质溶液区域,电解质分别为KOH、、,结构示意图如下(已知a>b)。该电池放电时,下列说法错误的是
A.R区电解质溶液浓度逐渐增大
B.K+通过X移向R区
C.N区电极反应为
D.每消耗,N区电解质溶液减少19.2g
4.电化学原理在日常生活和科技领域中应用广泛。下列说法正确的是
A.甲:向电极方向移动,电极附近溶液增大
B.乙:电池充电时,二氧化铅与电源的负极连接
C.丙:被保护的金属铁与电源的负极连接,该方法称为外加电源保护法
D.丁:负极的电极反应式为
5.我国某科研团队借助氧化还原介质RM,将电池的放电电压提高至3V以上,该电池的工作原理如图。下列说法正确的是
A.电极的电势比多孔碳电极的高
B.负极反应:
C.RM和均为该电池反应的催化剂
D.电极每减重7 g,就有22 g 被固定
6.下列有关化学与生产、生活、科技的叙述错误的是
A.Ge的单晶可以用于太阳能电池
B.镀锌铁镀层破损后,更容易被腐蚀的金属是铁
C.冷敷袋俗称冰袋,袋内物质是硝酸铵和水
D.用“84”消毒液消毒时,主要是利用了次氯酸钠的强氧化性
7.下列有关金属腐蚀与防护的说法不正确的是
A.金属腐蚀是金属或合金与周围的气体或液体发生氧化还原反应
B.金属腐蚀过程中电化学腐蚀和化学腐蚀往往同时发生
C.钢铁在潮湿的空气中直接发生反应:,继而形成铁锈
D.牺牲阳极法和外加电流法都需要采用辅助阳极
8.化学是一门以实验为基础的科学,下列实验装置或操作能达到实验目的的是
A.AB.BC.CD.D
9.某无隔膜流动海水电解法制的装置如下图所示,其中高选择性催化剂可抑制产生。下列说法正确的是
A.b端电势高于a端电势B.理论上转移生成
C.电解后海水下降D.阳极发生:
10.化学与生活、社会、科技和环境密切相关。下列说法正确的是
A.地下管道用导线连接锌块可以减缓管道的腐蚀
B.电解过程中,化学能转化为电能“储存”起来
C.催化剂可降低水分解反应的焓变,有利于开发氢能源
D.电器着火可用泡沫灭火器灭火
11.化学与中国传统文化密切相关,下列说法错误的是
A.《本草纲目》中“冬月灶中所烧薪柴之灰,令人以灰淋汁,取碱浣衣”中的碱是K2CO3
B.“冰,水为之,而寒于水”说明冰的能量低于水,冰转化为水属于吸热反应
C.《周礼》中记载沿海古人“煤饼烧蛎房成灰”(“蛎房”即牡蛎壳),并把这种灰称为“蜃”,“蜃”的主要成分为CaO
D.黑铁(生铁)在空气中发生的腐蚀主要是电化学腐蚀
12.埋在地下的钢管常用如图所示的方法加以保护,使其免受腐蚀,下列说法正确的是
A.金属棒X的材料可能为铜B.金属棒X的材料可能为钠
C.钢管附近土壤的pH可能会上升D.这种方法称为外加电流法
13.如图所示是Zn、Cu以及稀硫酸形成的原电池,某实验兴趣小组做完实验后,在书本上的记录如下,则以下描述合理的是
实验后的记录:
①Cu为正极,Zn为负极
②Zn极上有气泡产生,发生还原反应
③向Cu极移动
④若产生标准状况下2.24L气体,则消耗Zn的质量为6.5g
⑤若将导线断开铜锌电极上均会产生气泡
A.①③④B.①②④C.③④⑤D.②③④
14.家用炒菜铁锅用水清洗放置后,出现红棕色的锈斑,在此过程中不发生反应
A.4Fe(OH)2+2H2O+O2=4Fe(OH)3B.2Fe+2H2O+O2=2Fe(OH)2
C.2H2O+O2+4e-=4OH-D.Fe-3e-=Fe3+
15.将分别盛有熔融的氯化钾、氯化镁、氧化铝的三个电解槽串联,在一定条件下通电一段时间后,析出钾、镁、铝的物质的量之比是
A.1∶2∶3B.3∶2∶1C.6∶3∶1D.6∶3∶2
二、填空题
16.回答下列问题:
(1)钢铁工业是国家工业的基础,请回答钢铁腐蚀与防护过程中的有关问题。
①钢铁腐蚀主要是吸氧腐蚀,该腐蚀过程中正极的电极反应式为_______。
②为了降低某水库的铁闸门被腐蚀的速率,可以采用图甲所示的方案,其中焊接在铁闸门上的固体材料可以采用_______填写字母序号。
A.铜 B.钠 C.锌 D.石墨
③图乙所示的方案也可以降低铁闸门的腐蚀速率,此种防护方法叫_______。
(2)在实际生产中,可在铁件的表面上镀铜防止铁被腐蚀。装置示意图如下图:
①甲图为电镀装置,镀件与电源的_______极连接,写出B电极反应式为_______。
②图是一种钠硫高能电池的结构示意图,由和制得,其作用是导电和隔膜,该电池总反应为。该电池正极的电极反应式为_______。
17.金属电化学腐蚀的原理
(1)定义:不纯的金属接触到___________发生原电池反应而发生的腐蚀。
(2)实质:被腐蚀的金属作原电池的___________极而失电子被氧化。
(3)析氢腐蚀与吸氧腐蚀(以钢铁的腐蚀为例)
18.I.炒过菜的铁锅未及时洗净,不久便会因腐蚀而出现红褐色锈斑。请回答:
(1)铁锅的锈蚀是_______腐蚀(填“析氢”或“吸氧”)。
(2)写出铁锅腐蚀正极的电极反应式:_______
II.美国阿波罗宇宙飞船上使用的氢氧燃料电池是一种新型的化学电源,其构造如图所示:a、b两个极均由多孔性碳制成,通入的气体由孔隙中逸出,并在电极表面放电。
(1)a是_______极;电极反应式为_______。
(2)已知:2H2(g)+O2(g)=2H2O(l) ΔH=-572kJ/ml,飞船上宇航员的生活用水由燃料电池提供。已知这种电池发1度电(3600KJ)时能生成360g水,则该电池的能量的利用率为_______。
19.某课外小组分别用如图所示装置对原电池和电解池的原理进行实验探究。
请回答:
Ⅰ.用图1所示装置进行第一组实验。
(1)M极发生反应的电极反应式为__。
(2)已知电解质溶液均足量,若电路中通过0.2ml电子,则CuSO4溶液质量变化量为__g。
Ⅱ.用图2所示装置进行第二组实验。实验过程中,两极均有气体产生,Y极区溶液逐渐变成紫红色;停止实验,铁电极明显变细,电解液仍然澄清。查阅资料发现,高铁酸根(FeO42-)在溶液中呈紫红色。
(3)电解过程中,X极发生反应的电极反应式__。
(4)电解过程中,Y极发生反应的电极反应式为Fe-6e-+8OH-=FeO42-+4H2O和4OH--4e-=2H2O+O2↑,若在X极收集到896mL气体,在Y极收集到112mL气体(均已折算为标准状况时气体体积),则Y电极(铁电极)质量减少__g。
(5)在碱性锌电池中,用高铁酸钾作为正极材料,电池总反应式为2K2FeO4+3Zn=Fe2O3+ZnO+2K2ZnO2,该电池正极的电极反应式为__。A.探究温度对化学平衡的影响
B.测定NaClO溶液的pH
C.测定中和热
D.验证铁钉的析氢腐蚀
类别
吸氧腐蚀
析氢腐蚀
条件
_______
_______
正极反应
_______
_______
负极反应
_______
原电池总反应
_______
________
【参考答案】
一、选择题
1.C
解析:A.“静电除尘”减少空气中飘尘,“燃煤固硫”减少空气中二氧化硫的排放,“汽车尾气催化净化”减少空气中氮氧化物的排放,三者都能提高空气质量,故A正确;
B.“朝坛雾卷,曙岭烟沉”中的雾是一种气溶胶,能产生丁达尔现象,形成一条光亮通路,故B正确;
C.在日常生活中,造成钢铁腐蚀的主要原因是电化学腐蚀,故C错误;
D.“麒麟”芯片与太阳能电池感光板所用材料主要为晶体硅,故D正确。
综上所述,答案为C。
2.D
【分析】从图分析,FeCl3溶于经H2S还原为FeCl2进入a极再循环使用,那么a极为Fe2+变为Fe3+发生氧化反应为阳极,而b极产生H2发生还原反应为阴极。
解析:A.由上分析,a极为阳极,A项正确;
B.H+通过膜移向阴极,即从左池经膜移向右池,C项正确;
C.反应池的反应为2FeCl3+H2S=S↓+2FeCl2+2HCl,所以进入电解池的溶有FeCl2和HCl,C项正确;
D.电子守恒关系:H2~2e-~S,即每产生1mlH2可以产生1mlS沉淀,那么11.2L即为0.5mlH2产生0.5mlS,D项错误;
故选D。
3.D
解析:A.M去中氢氧根消耗,根据电荷守恒,钾离子移向R区,N区硫酸中氢离子被消耗,根据电荷守恒,硫酸根移向R区,因此R区电解质溶液浓度逐渐增大,故A正确;
B.根据A选项分析得到K+通过X移向R区,故B正确;
C.Al变为[Al(OH)4]-,作负极,PbO2作正极,N区电极反应为,故C正确;
D.每消耗,转移电子物质的量,根据,N区有0.1ml硫酸根消耗,0.1ml硫酸根转移到R取,有0.1ml的二氧化铅中的氧进入到溶液中,因此N区电解质溶液减少0.2ml×96g∙ml−1−0.2ml×16g∙ml−1=16g,故D错误。
综上所述,答案为D。
4.C
解析:A.甲为原电池,Zn失电子,得电子,向Cu电极方向移动,在Cu电极上得电子,生成氢气,附近溶液pH增大,A项错误;
B.电池充电时,电池的负极和电源的负极相连接,即铅与电源的负极连接,B项错误;
C.被保护的金属铁与电源相连,必须与电源负极相连,这种方法叫外加电流的阴极保护法,C项正确;
D.燃料电池通燃料的一极为负极,电极反应式为2CH3OH+2H2O-12e-=2CO2↑+12H+,D项错误;
答案选C。
5.B
【分析】由图可知,原电池中阳离子向正极移动,则左侧电极为负极、右侧电极为正极。
解析:A.电极为负极、多孔电极为正极,故电极的电势比多孔碳电极的低,A错误;
B.左侧电极为负极,失去电子发生氧化反应,负极反应:,B正确;
C.由图可知,RM为该电池反应的催化剂,为该电池反应的中间产物,C错误;
D.由负极电极反应可知,电极每减重7 g则转移1ml电子,反应中碳元素化合价由+4变为+3,则根据电子守恒可知,有1ml即44 g被固定,D错误;
故选B。
6.B
解析:A.Ge与Si都是金属与非金属交界处的元素,Ge的单晶可以用于太阳能电池,故A正确;
B.锌比铁活泼,镀锌铁镀层破损后,锌作负极,铁不易被腐蚀,故B错误;
C.冰袋内物质是硝酸铵和水,硝酸铵溶于水是吸热过程,故C正确;
D.“84”消毒液中含有NaClO,NaClO有强氧化性,常用于消毒杀菌,故D正确。
综上所述,答案为B。
7.C
解析:A.金属腐蚀的实质是金属或合金与周围的气体或液体发生氧化还原反应,A项正确;
B.金属腐蚀过程中电化学腐蚀和化学腐蚀往往同时发生,B项正确;
C.在原电池中,铁只能失去电子,转化为亚铁离子,C项错误;
D.牺牲阳极法和外加电流法都需要采用辅助阳极,将被保护的金属做阴极,D项正确;
答案选C。
8.A
解析:A.NO2是红棕色气体,N2O4是无色气体,两者存在平衡: ,该反应的正反应是放热的,将两个封装NO2和N2O4混合气体的圆底烧瓶,分别浸泡在热水和冷水中,可通过观察两个烧瓶中颜色不同探究温度对化学平衡的影响,A项正确;
B.NaClO溶液能使pH试纸褪色,测定NaClO溶液的pH需要用pH计,B项错误;
C.测定中和热需要环形玻璃搅拌棒,C项错误;
D.食盐水浸泡过的铁钉和空气接触,发生的是吸氧腐蚀,不是析氢腐蚀,D项错误;
故选A。
9.D
【分析】由图可知,左侧电极产生氧气,则左侧电极为阳极,电极a为正极,右侧电极为阴极,b电极为负极,该装置的总反应产生氧气和氢气,相当于电解水,以此解题。
解析:A.由分析可知,a为正极,b电极为负极,则a端电势高于b端电势,A错误;
B.右侧电极上产生氢气的电极方程式为:2H++2e-=H2↑,则理论上转移生成,B错误;
C.由图可知,该装置的总反应为电解海水的装置,随着电解的进行,海水的浓度增大,但是其pH基本不变,C错误;
D.由图可知,阳极上的电极反应为:,D正确;
故选D。
10.A
解析:A.地下管道用导线连接锌块后,锌、管道的铁及周围的电解质溶液构成原电池。锌为原电池的负极,先被氧化,管道的铁得到了保护,故可以减缓管道的腐蚀,A正确;
B.在电解过程中,电能转化为化学能而将能量“储存”起来,B错误;
C.催化剂可降低反应的活化能,加快化学反应速率,因而有利于开发氢能源,但催化剂不能改变水分解反应的焓变,C错误;
D.普通泡沫灭火器不可用于扑灭带电设备的火灾,因为喷出的泡沫中含有水分,家用电器着火可使用干粉灭火器和二氧化碳灭火器,D错误;
故答案为:A。
11.B
解析:A.烧薪柴得到的草木灰中含K2CO3,溶液显碱性,能去除衣服上的污渍,故A正确;
B.“冰,水为之,而寒于水”说明相同质量的水和冰,冰的温度低于水,所以水的能量高,冰转化为水吸热过程,没有新物质生成,属于物理变化,不是吸热反应,故B错误;
C.牡蛎壳的主要成分是碳酸钙,碳酸钙分解生成氧化钙,所以“蜃“的主要成分为CaO,故C正确;
D.生铁含有Fe和C形成原电池,在空气中吸收氧气,铁失电子而氧气得电子,主要发生电化腐蚀,故D正确;
故选:B。
12.C
【分析】由图可知,该装置为牺牲阳极的阴极保护法,比铁活泼的金属X、钢管在电解质溶液构成原电池,金属棒X做负极被损耗,钢管做正极被保护。
解析:A.铜的金属性弱于铁,与铁在电解质溶液中构成原电池时,铁做负极被损耗,故A错误;
B.金属钠性质很活泼,极易和空气中的氧气和电解质溶液中的水反应,不能做原电池的电极材料,故B错误;
C.该装置发生吸氧腐蚀,正极钢管上氧气得电子生成氢氧根离子,导致钢管附近土壤的pH可能会增大,故C正确;
D.该装置没有外接电源,不属于外加电流的阴极保护法,而是牺牲阳极的阴极保护法,故D错误;
故选C。
13.A
解析:在该原电池中,比活泼,故作负极,作正极,电子由流出经导线流向,负极反应为,正极反应为。
①Cu为正极,Zn为负极,①正确;
②铜电极上有气泡产生,发生还原反应,②错误;
③在溶液中向正极(铜极)移动,向负极移动,③正确;
④若产生标准状况下气体,转移电子,则消耗的质量为,④正确;
⑤若将导线断开,铜电极上不会产生气泡,⑤错误;
故①③④正确,②⑤错误。答案选A。
14.D
【分析】家用炒菜铁锅用水清洗放置后,出现红棕色锈斑[Fe(OH)3失水的产物],是金属铁发生吸氧腐蚀的结果,正极发生的是氧气得电子的还原反应,负极是金属铁是失电子的氧化反应。
解析:A.氢氧化亚铁不稳定,易被氧气氧化为氢氧化铁,即4Fe(OH)2+O2+2H2O═Fe(OH)3,故A发生;
B.正极发生的是氧气得电子的还原反应,即2H2O+O2+4e−═4OH−,负极是金属铁是失电子的氧化反应,即Fe−2e−═Fe2+,Fe2++2OH−═Fe(OH)2,合并得到:2Fe+2H2O+O2═2Fe(OH)2↓,故B发生;
C.金属铁发生吸氧腐蚀,正极发生的是氧气得电子的还原反应,即2H2O+O2+4e−═4OH−,故C发生;
D.金属铁发生吸氧腐蚀,负极是金属铁是失电子的氧化反应,即Fe−2e−═Fe2+,所以Fe−3e−=Fe3+不发生,故D不发生;
故选答案D。
15.D
解析:试题分析:三个电解槽串联,则转移的电子数相等,设均转移6e-,
由K++e-═K、Mg2++2e-═Mg、Al3++3e-═Al,
则6e-~6K~3Mg~2Al,
所以析出钾、镁、铝的物质的量之比为6:3:2,
故选D。
考点:原电池和电解池的工作原理
点评:本题考查电解,明确电解中转移电子数的关系及电极反应式是解答本题的关键,题目难度不大。
二、填空题
16.(1) O2+2H2O+4e-=4OH- C 外加电流的阴极保护法
(2) 负 Cu2++2e-= Cu xS+2e−=
解析:(1)①钢铁发生吸氧腐蚀时,铁作负极,发生失电子的氧化反应,即Fe-2e﹣=Fe2+,碳作正极,正极上氧气得电子发生还原反应,电极反应式为: O2+2H2O+4e-=4OH-,故答案为: O2+2H2O+4e-=4OH-;
②为了降低某水库的铁闸门被腐蚀的速率,可以让金属铁做原电池的正极,其中焊接在铁闸门上的固体材料R可以是比金属铁的活泼性强的金属,故答案为:C;
③电解池的阴极上的金属被保护,为降低铁闸门的腐蚀速率,其中铁闸门应该连接在直流电源的负极,此种防护方法叫外加电流的阴极保护法,故答案为: 外加电流的阴极保护法;
(2)①根据电镀原理,镀层金属作阳极,镀件作阴极,电解液一般为含有镀层金属阳离子的盐溶液,在铁件的表面镀铜时,镀件与电源的负极连接,A电极对应的金属是铜,B电极的电极反应式是:Cu2++2e-= Cu,故答案为:负;Cu2++2e-= Cu;
②根据电池反应分析,硫元素的化合价降低,S发生还原反应,作正极,电极反应式为xS+2e−= 。
17.(1)电解质溶液
(2)负
(3) 水膜酸性不强 水膜酸度较高 O2+2H2O+4e-=4OH- 2H++2e-=H2↑ Fe-2e-=Fe2+ Fe+2H+=Fe2++H2↑ 2Fe+O2+2H2O=2Fe(OH)2
解析:略
18. 吸氧 O2+2H2O+4e-=4OH- 负 H2+2OH--2e-=2H2O 62.9%(或63%)
【分析】I.(1)中性或弱酸性条件下,钢铁发生吸氧腐蚀;
(2)铁、碳和电解质溶液构成原电池,碳作正极,正极上氧气得电子发生还原反应;
II.(1)氢氧燃料电池中,H2失去电子被氧化,a为负极;O2得到电子被还原,b为正极;
(2)1度为1KW·h,即3600 kJ,由2H2(气)+O2(气)2H2O(l)+572 kJ可知,生成360 gH2O(l)放出的热量=360×572/36=5720 kJ,而这些热能只能转化为3600 kJ的电能,据此计算能量的转化率。
解析:I.(1)弱酸或中性条件下,钢铁发生吸氧腐蚀;
因此,本题正确答案是:吸氧;
(2)铁、碳和电解质溶液构成原电池,碳作正极,正极上氧气得电子发生还原反应,电极反应式为:O2+2H2O+4e-=4OH-;
因此,本题正确答案是: O2+2H2O+4e-=4OH-;
II.(1)由图示可知,参与电极反应的是H2和O2,生成的是H2O,故在反应中H2失去电子被氧化,a为负极;O2得到电子被还原,b为正极。电极反应分别为:H2+2OH--2e-=2H2O;
综上所述,故为:负,H2+2OH--2e-=2H2O;
(2)1度为1KW·h,即3600 kJ,由2H2(气)+O2(气)=2H2O(l)+572 kJ可知,生成360 gH2O(l)放出的热量=360×572/36=5720 kJ,而这些热能只能转化为3600 kJ的电能,所以能量的转化率=3600/5720×100%=62.9%;综上所述,故为:62.9%(或63%)。
19. Fe-2e-+2OH-=Fe(OH)2 16g 2H2O+2e-=H2↑+2OH-或2H++2e-=H2↑ 0.56 2FeO42-+6e-+5H2O=Fe2O3+10OH-
【分析】图1左侧为原电池,右侧为电解池;根据原电池和电解池的工作原理进行分析解答;(1)图1中左侧是原电池装置Zn为负极,Cu为正极,Cu电极也可以换成比Zn活泼性弱的金属或石墨。(2)图1中右侧是电解池装置,则M为阳极,N为阴极,H+在阴极得电子,发生还原反应。(3)在原电池中阴离子移向原电池的负极,整个电池中电子转移数相同。
解析:I.(1)图1中左侧是原电池装置Zn为负极,Cu为正极,Cu电极也可以换成比Zn活泼性弱的金属或石墨。(2)图1中右侧是电解池装置,则M为阳极,N为阴极,H+在阴极得电子,发生还原反应。(3)在原电池中阴离子移向原电池的负极,图1中右侧装置实质是M电极(Fe)被腐,M极发生反应的电极反应式为Fe-2e-+2OH-=Fe(OH)2;故为: Fe-2e-+2OH-=Fe(OH)2;
(2)图1中左侧是原电池装置Zn为负极,Cu为正极,电极反应方程式为:Cu2-+2e-=Cu若电路中通过0.2ml电子,则会产生0.1ml的Cu,有0.1ml的SO42-离子通过隔膜,所以CuSO4溶液质量变化量为6.4g+9.6g=16g。
Ⅱ.用图2所示装置为电解池,X为阴极,Y为阳极,实验过程中,阴极X极发生反应的电极反应式2H2O+2e-=H2↑+2OH-或2H++2e-=H2↑。(4)电解过程中,Y极发生反应的电极反应式为Fe-6e-+8OH-=FeO42-+4H2O和4OH--4e-=2H2O+O2↑,若在X极收集到896mLH2气体,转移的电子数为0.08ml,在Y极收集到112mL气体为氧气,转移的电子数为0.02ml,由Fe-6e-+8OH-=FeO42-+4H2O反应和根据得失电子守恒,则Y电极参加的铁为0.01ml,铁的电极质量减少0.56g。
人教版 (2019)选择性必修1第三节 金属的腐蚀与防护同步训练题: 这是一份人教版 (2019)选择性必修1第三节 金属的腐蚀与防护同步训练题,共15页。试卷主要包含了3金属的腐蚀与防护同步练习题等内容,欢迎下载使用。
高中人教版 (2019)第三节 金属的腐蚀与防护随堂练习题: 这是一份高中人教版 (2019)第三节 金属的腐蚀与防护随堂练习题,共16页。试卷主要包含了3金属的腐蚀与防护同步练习题,4L等内容,欢迎下载使用。
高中化学人教版 (2019)选择性必修1第三节 金属的腐蚀与防护复习练习题: 这是一份高中化学人教版 (2019)选择性必修1第三节 金属的腐蚀与防护复习练习题,共13页。试卷主要包含了3金属的腐蚀与防护同步练习题等内容,欢迎下载使用。

