高中物理人教版 (2019)必修 第三册5 实验:练习使用多用电表复习练习题
展开微点10 多用电表的使用方法
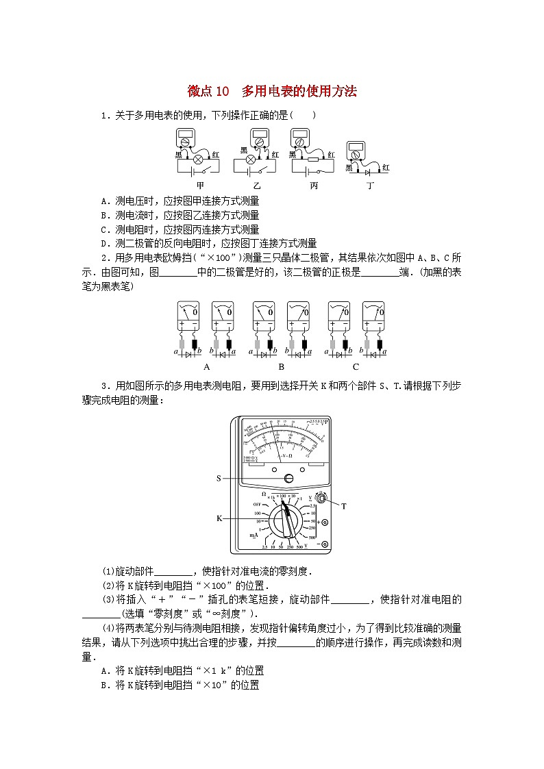
1.关于多用电表的使用,下列操作正确的是( )

A.测电压时,应按图甲连接方式测量
B.测电流时,应按图乙连接方式测量
C.测电阻时,应按图丙连接方式测量
D.测二极管的反向电阻时,应按图丁连接方式测量
2.用多用电表欧姆挡(“×100”)测量三只晶体二极管,其结果依次如图中A、B、C所示.由图可知,图________中的二极管是好的,该二极管的正极是________端.(加黑的表笔为黑表笔)

3.用如图所示的多用电表测电阻,要用到选择开关K和两个部件S、T.请根据下列步骤完成电阻的测量:

(1)旋动部件________,使指针对准电流的零刻度.
(2)将K旋转到电阻挡“×100”的位置.
(3)将插入“+”“-”插孔的表笔短接,旋动部件________,使指针对准电阻的________(选填“零刻度”或“∞刻度”).
(4)将两表笔分别与待测电阻相接,发现指针偏转角度过小,为了得到比较准确的测量结果,请从下列选项中挑出合理的步骤,并按________的顺序进行操作,再完成读数和测量.
A.将K旋转到电阻挡“×1 k”的位置
B.将K旋转到电阻挡“×10”的位置
C.将两表笔的金属部分分别与被测电阻的两根引线相接
D.将两表笔短接,旋动合适部件,对电表进行校准
4.某同学利用多用电表做了以下实验:
使用多用电表测电阻,他的主要实验步骤如下:
①把选择开关拨到“×100”的欧姆挡上;
②把表笔插入测试插孔中,先把两表笔相接触,旋转欧姆调零旋钮,使指针指在电阻刻度的零位上;
③把两表笔分别与某一待测电阻的两端相接,发现这时指针偏转角度较小;
④换用“×10”的欧姆挡,随即记下数值;
⑤把表笔从测试笔插孔中拔出后,就把多用电表放回桌上原处,实验完毕.
该同学在测量时已注意到:待测电阻与其他元件和电源断开,不用手碰表笔的金属杆,那么该同学在实验中有哪些操作是错误的?(三个错误)
错误一:____________________________________________________________________;
错误二:____________________________________________________________________;
错误三:___________________________________________________________________.
5.在练习使用多用电表的实验中:
(1)某同学连接的电路如图所示.

①若旋转选择开关,使其尖端对准直流电流挡,此时测得的是通过________的电流;
②若断开电路中的开关,旋转选择开关使其尖端对准欧姆挡,此时测得的是________的阻值;
③若旋转选择开关,使尖端对准直流电压挡,闭合开关,并将滑动变阻器的滑片移至最左端,此时测得的是________两端的电压.
(2)在使用多用电表的欧姆挡测量电阻时,若________.
A.双手捏住两表笔金属杆,测量值将偏大
B.测量时发现指针向左偏离中央刻度过大,则必须减小倍率,重新调零后再进行测量
C.选择“×10”倍率测量时发现指针位于20与30正中间,则测量值小于25 Ω
D.欧姆表内的电池使用时间太长,虽然完成调零,但测量值将略偏大
微点10 多用电表的使用方法
1.答案:B
解析:A错,B对:测电压、电流时,红表笔应接电势高的点,黑表笔应接电势低的点,电流方向是红表笔进、黑表笔出.C错:测电阻时,应将电阻从电路中断开.D错:由于黑表笔接的是内部电源的正极,图丁的连接方式测量的是二极管的正向电阻.
2.答案:B a
解析:二极管加正向电压时,电阻值越小越好,但不能为零,否则二极管将被击穿;加反向电压时,电阻值越大越好,但不能无穷大,否则二极管引线断开.由题图可知,图A、C中的二极管都是坏的,图B中的二极管是好的,且B中左图加的是反向电压,B中右图加的是正向电压.由于红表笔插入的是“+”测试孔,与内部电池负极相连,故二极管的正极是a端.
3.答案:(1)S (3)T 零刻度 (4)ADC
解析:(1)使用多用电表时,先看指针是否在零刻度上,若指针不在零刻度上,用螺丝刀转动定位螺丝S,使指针对准电流的零刻度.(3)测电阻时,转动选择开关K选择量程,再将两表笔短接,调整调零电阻的旋钮T,使指针对准满偏刻度(即电阻的零刻度),然后才能将两表笔分别与被测电阻的两根引线相接,测量电阻的阻值.(4)若在测量过程中,发现指针偏转角度过小,表明被测的电阻阻值较大,这时要换用更高倍率的挡位,从“×100”挡位换为“×1 k”的挡位.
4.答案:换用“×10”的欧姆挡,应换用倍率更大的挡 没有重新进行欧姆调零 没有将选择开关旋至“OFF”挡或交流电压最高挡
解析:换用“×10”的欧姆挡是错误的,指针偏转角度较小,应该换用倍率更大的挡位;换挡后直接测量是错误的,应该重新进行欧姆调零;用完后应将选择开关旋至“OFF”挡或交流电压最高挡.
5.答案:(1)①R1 ②R1和R2串联 ③R2(或电源) (2)D
解析:(1)①当多用电表选择开关尖端对准直流电流挡时,多用电表与R1串联,此时测得的是通过R1的电流.②切断电路,选择开关尖端对准欧姆挡时,测得的是R1和R2串联的总电阻.③选择开关尖端对准直流电压挡,闭合开关,并将滑动变阻器的滑片移至最左端,电阻R1被短路,此时多用电表测得的是电阻R2两端的电压,也是电源的路端电压.
(2)双手捏住两表笔金属杆时,测量值为被测电阻与人体电阻的并联阻值,测量值将偏小,A错误;测量时指针若向左偏离中央刻度过大,应增大倍率,B错误;欧姆表刻度是左密右疏,选择开关对应“×10”倍率,指针位于20与30正中间时,测量值应小于250 Ω,C错误;欧姆表内的电池使用时间太久,电压减小,内电阻变大,虽然完成调零,但测量值将比真实值偏大,D正确.
高中物理人教版 (2019)必修 第三册5 能量量子化课时作业: 这是一份高中物理人教版 (2019)必修 第三册5 能量量子化课时作业,共2页。试卷主要包含了下列说法正确的是等内容,欢迎下载使用。
必修 第三册第十三章 电磁感应与电磁波初步5 能量量子化课时练习: 这是一份必修 第三册第十三章 电磁感应与电磁波初步5 能量量子化课时练习,共2页。试卷主要包含了下列叙述正确的是,关于热辐射,下列说法正确的是,下列说法正确的是,能正确解释黑体辐射实验规律的是等内容,欢迎下载使用。
高中物理人教版 (2019)必修 第三册第十三章 电磁感应与电磁波初步2 磁感应强度 磁通量课堂检测: 这是一份高中物理人教版 (2019)必修 第三册第十三章 电磁感应与电磁波初步2 磁感应强度 磁通量课堂检测,共4页。试卷主要包含了下列判断正确的是等内容,欢迎下载使用。

