数学九年级上册《圆》第3节 圆和圆和位置关系导学案1
展开《圆》第三节 圆和圆位置关系导学案1
主编人: 主审人:
班级: 学号: 姓名:
学习目标:
【知识与技能】
弄清圆与圆的五种位置关系及如何用两圆的半径R、r与圆心距d的数量间的关系来判别两圆的位置关系。
【过程与方法】
通过生活中的实际事例,探求圆与圆的五种位置关系,并提炼出相关的数学知识,从而渗透运动变化观点、数形结合、分类讨论原则等数学思想。
【情感、态度与价值观】
经过操作、实验、发现、确认等数学活动,从探索两圆位置关系的过程中,体会运动变化的观点,量变到质变的辩证唯物主义,感受数学中的美感。
【重点】
圆与圆的五种位置关系及其应用
【难点】
圆与圆的五种位置及数量间的关系
学习过程:
一、自主学习
(一)复习巩固
1.直线和圆有几种位置关系?各是怎样定义的? (设圆心到直线的距离为d,半径为r)
2 .平面内点和圆的关系有多少种呢?(设圆心与点的距离为d,半径为r)
(二)自主探究
1、古希腊的数学家毕达哥拉斯认为:“一切平面图形中最美的是圆”。在实际生活中,我们所见到的不仅仅是单一的圆,很多都是有两个甚至更多的圆所组成的美丽图案。你发现了哪些好看的图案呢?结合课本98页的图片,让我们一起感受两圆的位置关系,并完成99页的探究,把你的结论写到下边:圆和圆具备 种位置关系,由远及近,分别是 、 、 、 、 。
当两圆没有公共点时,可能具备的位置关系是 或 ,我们把它统称为 ;当两圆有唯一公共点时,可能 或 ,统称为 ;当两圆有2个公共点时,两圆 。
2、如果两圆的半径分别为R、r,圆心距为d,则
两圆外离 ________________ 两圆外切 ________________
两圆相交 ________________ 两圆内切 ________________
两圆内含 ________________
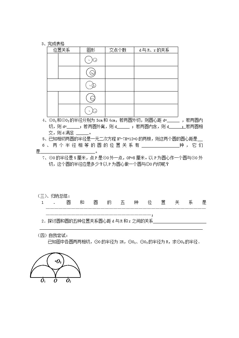
3、完成表格
位置关系 | 图形 | 交点个数 | d与R、r的关系 | |
|
|
|
| |
|
|
| ||
|
|
| ||
|
|
|
| |
|
|
| ||
4、⊙O1和⊙O2的半径分别为3cm和4cm,若两圆外切,则圆心距d= ,若两圆内切,则d= ;若两圆外离,则d ;若两圆内含,则d ;若两圆相交,则d满足 。
5、已知相切两圆的半径是一元二次方程X2-7X+12=0的两根,则这两个圆的圆心距是
6、两个半径相等的圆的位置关系有 种,它们是 。
7、⊙O的半径是5厘米,点P是⊙O外一点,OP=8厘米。以P为圆心作一个圆与⊙O外切,这个圆的半径应是多少?以P为圆心做一个圆与⊙O内切呢?
(三)、归纳总结:
1.圆和圆的五种位置关系是———————————————————————————————————————————————————————————————;
2.探讨圆和圆的五种位置关系圆心距d与R和r之间的关系
(四)自我尝试:
已知图中各圆两两相切,⊙O的半径为2R,⊙O1、⊙O2的半径为R,求⊙O3的半径.
二、教师点拔
圆与圆的位置关系就好像识别点与圆、直线与圆的位置关系一样,也用数量关系来体现与圆的位置关系。在识别圆与圆的位置关系时,关系式比较多,也难于记忆,如果用数轴来体现圆与圆的位置关系,理解起来就会更深刻,记忆也会更容易,此外,在判断两圆的位置关系时,要牢牢抓住两个特殊点,即 和 两点,当圆心距刚好等于两圆的半径 时,两圆外切,等于两圆的半径 时,两圆内切。若圆心距处于半径和与半径差之间时,两圆 ;大于两圆半径和时,两圆 ;小于两圆半径差时,两圆 。
三、课堂检测
1、已知两圆的半径分别为5cm和7cm,圆心距为9 cm,那么这两个圆的位置关系是( )
A 内切 B 相交 C 外切 D 外离
2、⊙A与⊙B相切,圆心距为10cm,其中⊙A半径为4cm,则⊙B半径为( )cm.
A 6 B 14 C 6或14 D 3或7
3、 两圆内切时圆心距是2,外切时圆心距是6,则两圆的半径分别是 、
。
4、已知两圆的半径分别为3和7,且这两圆有公共点,则这两个圆的圆心距d满足 。
5、如果两圆半径为R、r(R>r),圆心距为d,若R2-r2+d2=2Rd,则这两个圆的位置关系是 。
四、课外训练
1、如图,国际奥委会会旗上的图案是由五个圆环组成,在这个图案中反映出的两圆位置关系有( ).
A.内切、相交 B.外离、相交
C.外切、外离 D.外离、内切
2、已知两圆的半径分别为3cm和2cm,圆心距为5cm,则两圆的位置关系是( )
A.外离 B.外切 C.相交 D.内切
3、若⊙O1与⊙O2的半径分别为4和9,根据下列给出的圆心距d的大小,写出对应的两
圆的位置关系:(1)当d=4时,两圆_______ ; (2)当d=10时,两圆_______ ;
(3)当d=5时,两圆_______; (4)当d=13时,两圆_______; (5)当d=14时,两圆_______.
4、已知定圆O的半径为2cm,动圆P的半径为1cm.
(1)设⊙P与⊙O相外切,那么点P与点O之间的距离是多少?点P应在怎样的图形上运动?
(2)设⊙P与⊙O相内切,情况又怎样?
5、⊙O1和⊙O2的半径分别为3 cm和4cm,若两圆外切,则d=_____;若两圆内切;d=____.
6、两圆的半径分别为10 cm和R、圆心距为13 cm,若这两个圆相切,则R的值是___ _ .
7、半径为5 cm的⊙O外一点P,则以点P为圆心且与⊙O相切的⊙P能画_______个.
8、两圆半径之比为3:5,当两圆内切时,圆心距为4 cm,则两圆外切时圆心距的长为_____.
9、两圆内切时圆心距是2,这两圆外切时圆心距是5,两圆的半径分别是______、_______
10、两圆内切,圆心距为3,一个圆的半径为5,另一个圆的半径为 .
11、已知O1与O2的半径分别为R,r(R>r),圆心距为d,且两圆相交,判定关于x的一元二次方程x2—2(d—R)x+r2=0根的情况
12、已知:⊙O1和⊙O2相交于A、B两点,半径分别为4cm、3cm,公共弦AB=4cm,求圆心距 的长。

