高中化学人教版 (新课标)选修5 有机化学基础第二节 醛第3课时一课一练
展开 www.ks5u.com
第3课时 酸碱中和滴定
[目标要求] 1.理解酸碱中和滴定的原理。2.初步了解酸碱中和滴定的操作方法。3.掌握有关酸碱中和滴定的误差分析。
酸碱中和滴定
1.酸碱中和滴定概念:用已知物质的量浓度的酸(或碱)来测定未知物质的量浓度的碱(或酸)的方法叫做酸碱中和滴定。滴定的原理:n元酸与n′元碱恰好完全中和时:nc酸V酸=n′c碱V碱。如果用A代表一元酸,用B代表一元碱,可以利用下列关系式来计算未知碱(或酸)的物质的量浓度:cB=。
2.酸碱中和滴定的关键:准确测定参加反应的两种溶液的体积,以及准确判断中和反应是否恰好进行完全。
3.酸碱中和滴定实验
实验仪器:pH计、酸式滴定管、碱式滴定管、锥形瓶、烧杯、滴定管夹、量筒、铁架台。
实验药品:标准液、待测液、指示剂。
实验步骤:
(1)查:检查两滴定管是否漏水和堵塞;
(2)洗:先用蒸馏水洗涤两滴定管,然后用所要盛装的酸碱润洗2~3遍;
(3)盛、调:分别将酸、碱溶液注入酸、碱滴定管中,使液面位于滴定管刻度“0”以上2~3厘米处,并将滴定管固定在滴定管夹上,然后赶走滴定管内部气泡,调节滴定管中液面高度处于某一刻度,并记下读数。
(4)取:从碱式滴定管中放出25.00 mL氢氧化钠溶液于锥形瓶中,滴入2滴酚酞试液,将锥形瓶置于酸式滴定管下方,并在瓶底衬一张白纸。
(5)滴定:左手控制酸式滴定管活塞,右手拿住锥形瓶瓶颈,边滴入盐酸,边不断摇动锥形瓶,眼睛始终注意锥形瓶内溶液颜色变化。
(6)记:当看到加一滴盐酸时,锥形瓶中溶液红色突变为无色时,停止滴定,且半分钟内不恢复原来的颜色,准确记下盐酸读数,并准确求得滴定用去的盐酸体积。
(7)算:整理数据进行计算。
根据cB=计算。
知识点一 酸碱中和滴定
1.一只规格为a mL的滴定管,其尖嘴部分充满溶液,管内液面在m mL处,当液面降到n mL处时,下列判断正确的是( )
A.流出溶液的体积为(m-n) mL B.流出溶液的体积为(n-m) mL
C.管内溶液体积等于(a-n) mL D.管内溶液体积多于n mL
答案 B
解析 滴定管的“0”刻度在上方,越向下刻度越大,所以流出液体的体积为(n-m) mL;刻度线以下及尖嘴部分均充有溶液,所以管内溶液体积大于(a-n) mL。
2.某学生用已知物质的量浓度的盐酸来测定未知物质的量浓度的NaOH溶液时,选择甲基橙作指示剂。请填写下列空白:
(1)用标准的盐酸滴定待测的NaOH溶液时,左手握酸式滴定管的活塞,右手摇动锥形瓶,眼睛注视________,直到因加入一滴盐酸后,溶液由黄色变为橙色,并______为止。
(2)下列操作中可能使所测NaOH溶液的浓度数值偏低的是( )
A.酸式滴定管未用标准盐酸润洗就直接注入标准盐酸
B.滴定前盛放NaOH溶液的锥形瓶用蒸馏水洗净后没有干燥
C.酸式滴定管在滴定前有气泡,滴定后气泡消失
D.读取盐酸体积时,开始仰视读数,滴定结束时俯视读数
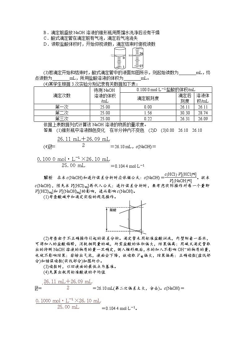
(3)若滴定开始和结束时,酸式滴定管中的液面如图所示,则起始读数为________mL,终点读数为________mL,所用盐酸溶液的体积为________mL。
(4)某学生根据3次实验分别记录有关数据如下表:
滴定次数
待测NaOH溶液的体积/mL
0.100 0 mol·L-1盐酸的体积/mL
滴定前刻度
滴定后刻度
溶液体积/mL
第一次
25.00
0.00
26.11
26.11
第二次
25.00
1.56
30.30
28.74
第三次
25.00
0.22
26.31
26.09
依据上表数据列式计算该NaOH溶液的物质的量浓度。
答案 (1)锥形瓶中溶液颜色变化 在半分钟内不变色 (2)D (3)0.00 26.10 26.10
(4)==26.10 mL,c(NaOH)=
=0.104 4 mol·L-1
解析 在求c(NaOH)和进行误差分析时应依据公式:c(NaOH)=。欲求c(NaOH),须先求V[(HCl)aq]再代入公式;进行误差分析时,要考虑实际操作对每一个量即V[(HCl)aq]和V[(NaOH)aq]的影响,进而影响c(NaOH)。
(1)考查酸碱中和滴定实验的规范操作。
(2)考查由于不正确操作引起的误差分析。滴定管未用标准盐酸润洗,内壁附着一层水,可将加入的盐酸稀释,消耗相同量的碱,所需盐酸的体积偏大,结果偏高;用碱式滴定管取出的待测NaOH溶液的物质的量一旦确定,倒入锥形瓶后,水的加入不影响OH-的物质的量,也就不影响结果;若排出气泡,液面会下降,故读取V酸偏大,结果偏高;正确读数(虚线部分)和错误读数(实线部分)如图所示。
(3)读数时,以凹液面的最低点为基准。
(4)先算出耗用标准酸液的平均值
==26.10 mL(第二次偏差太大,舍去)。c(NaOH)=
=0.104 4 mol·L-1。
知识点二 酸碱中和滴定误差分析
3.用标准盐酸溶液滴定待测浓度的碱溶液时,下列操作中会引起碱溶液浓度的测定值偏大的是( )
A.锥形瓶中的溶液在滴定过程中溅出
B.滴定管装液后尖嘴部位有气泡,滴定后气泡消失
C.指示剂变色15 s后又恢复为原来的颜色便停止滴定
D.锥形瓶用蒸馏水冲洗后未用待测液润洗
答案 B
解析 根据c(B)=判断,A项中,V(B)的实际量减少,导致V(A)减少,测定值偏小;B项使液体充满气泡,导致V(A)增大,测定值偏大;C项未到滴定终点,偏小;D项,不影响测定结果。
4.称取一定质量的NaOH来测定未知浓度的盐酸时(NaOH放在锥形瓶内,盐酸放在滴定管中)。用A.偏高;B.偏低;C.无影响;D.无法判断,填写下列各项操作会给实验造成的误差。
(1)称量固体NaOH时,未调节天平的零点( )
(2)将NaOH放入锥形瓶中加水溶解时,加入水的体积不准确( )
(3)滴定管装入盐酸前未用盐酸洗( )
(4)开始滴定时,滴定管尖端处有气泡,滴定完毕气泡排出( )
(5)滴定前未将液面调至刻度线“0”或“0”以下,结束时初读数按0计算( )
(6)在滴定过程中活塞处漏液( )
(7)摇动锥形瓶时,因用力过猛,使少量溶液溅出( )
(8)滴定前读数时仰视,滴定完毕读数时俯视( )
答案 (1)D (2)C (3)B (4)B (5)A (6)B (7)A (8)A
解析 (1)称量固体NaOH时,未调节天平零点,不能确定称量结果是偏大还是偏小,故选D。(2)锥形瓶内是否含水或加多少水并不影响NaOH与HCl的中和反应。(3)滴定管中装盐酸前未润洗相当于将待测液稀释了,导致测定结果偏低。(4)滴定前有气泡,滴定后无气泡,相当于待测液比实际用量多了,导致结果偏低。(5)读出的数据比实际值小,导致结果偏大。(6)滴定过程中漏液使读出的待测液的体积比实际消耗量多,导致结果偏低。(7)摇动锥形瓶时,用力过猛,使少量液体溅出,致使一部分NaOH未被中和,消耗待测液体积减小,使测定结果偏高。(8)读出的数据比实际值偏小,使结果偏高。
知识点三 常见的几种滴定方法
5.(1)配平氧化还原反应方程式:
C2O+MnO+H+===CO2↑+Mn2++H2O
(2)称取6.0 g含H2C2O4·2H2O、KHC2O4和K2SO4的试样,加水溶解,配成250 mL溶液。量取两份此溶液各25 mL,分别置于两个锥形瓶中。
①第一份溶液中加入2滴酚酞试液,滴加0.25 mol·L-1 NaOH溶液至20 mL时,溶液由无色变为浅红色。该溶液被中和的H+的物质的量为________mol。
②第二份溶液中滴加0.10 mol·L-1酸性KMnO4溶液至16 mL时反应完全,此时溶液颜色由________变为________。该溶液中还原剂的物质的量为________mol。
答案 (1)5 2 16 10 2 8
(2)①0.005 ②无色 紫红色 0.004
解析 (1)方程式中1 mol C2O反应中能失去2 mol e-,而1 mol MnO反应中能得到5 mol e-,依据得失电子总数相等,不难得出C2O与MnO系数比为5∶2,其他可依据原子守恒配平。
(2)①NaOH溶液中的n(OH-)=0.25 mol·L-1×0.02 L=0.005 mol,能中和0.005 mol H+。
②酸性KMnO4溶液呈紫红色,C2O与Mn2+无色,所以终点时溶液由无色变为紫红色。
5C2O ~ 2MnO
5 2
n(C2O) 0.10 mol·L-1×16×10-3 L
解得n(C2O)=0.004 mol
练基础落实
1.下列实验操作不会引起误差的是( )
A.酸碱中和滴定时,用待测液润洗锥形瓶
B.酸碱中和滴定时,用冲洗干净的滴定管盛装标准溶液
C.用NaOH标准溶液测定未知浓度的盐酸溶液时,选用酚酞作指示剂,实验时不小心多加了几滴
D.用标准盐酸测定未知浓度NaOH结束实验时,酸式滴定管尖嘴部分有气泡,开始实验时无气泡
答案 C
解析 A:锥形瓶一定不要用待测液润洗,否则使待测液的量偏大,消耗标准液的体积偏大从而使所测浓度偏大。
B:冲洗干净的滴定管无论是盛装标准溶液,还是量取待测溶液,都必须用待装溶液润洗2~3次,否则会使标准溶液或待测溶液比原来溶液的浓度偏小,影响结果。
C:在滴定过程中,指示剂略多加了几滴,一般不影响实验结果,因为指示剂不会改变反应过程中酸和碱的物质的量。
D:开始实验时酸式滴定管中无气泡,结束实验时有气泡,会导致所读取的V(HCl)偏小,依据V(HCl)·c(HCl)=V(NaOH)·c(NaOH),使所测的c(NaOH)偏小。
2.用0.1 mol·L-1 NaOH溶液滴定0.1 mol·L-1的盐酸,如果达到滴定终点时不慎多加了1滴NaOH溶液(1滴溶液体积约为0.05 mL)继续加水至50 mL,所得溶液pH是( )
A.4 B.7.2 C.10 D.11.3
答案 C
解析 本题是以酸碱中和滴定为素材设计的题目,涉及到溶液中OH-、H+、pH的计算,考查学生的计算能力。用0.1 mol·L-1的NaOH溶液滴定0.1 mol·L-1的盐酸,滴定到终点时溶液呈中性。多加1滴NaOH溶液(1滴溶液体积为0.05 mL),加水至50 mL,此时溶液中
c(OH-)==1×10-4 mol·L-1
c(H+)===1×10-10 mol·L-1
pH=10即选项C正确。
3.以下是几种酸碱指示剂变色的pH范围:①甲基橙3.1~4.4 ②甲基红4.4~6.2
③酚酞8.2~10.0,现用0.100 0 mol·L-1的NaOH溶液滴定浓度相近的乙酸时,上述指示剂( )
A.都可以用 B.只能用③ C.可以用①或② D.可以用②或③
答案 B
解析 氢氧化钠溶液与乙酸等物质的量反应时,生成的乙酸钠溶液呈碱性,选用在碱性条件下变色的指示剂酚酞为宜。
练方法技巧
4.用1.0 mol·L-1的NaOH溶液中和某浓度的H2SO4溶液,其水溶液的pH和所用NaOH溶液的体积关系变化如图所示,则原H2SO4溶液的物质的量浓度和完全反应后溶液的大致体积是( )
A.1.0 mol·L-1,20 mL B.0.5 mol·L-1,40 mL
C.0.5 mol·L-1,80 mL D.1.0 mol·L-1,80 mL
答案 C
解析 滴定前稀H2SO4的pH=0,c(H+)=1.0 mol·L-1,则c(H2SO4)=0.5 mol·L-1,当pH=7时V(NaOH)=40 mL,通过计算原硫酸溶液的体积为40 mL。本题考查中和滴定曲线,关键是把握滴定终点,pH=7恰好完全反应,即n(H+)=n(OH-)。
5.某学生用0.100 mol·L-1的KOH标准溶液滴定未知浓度的盐酸,其操作可分解为如下几步:
A.移取20 mL待测盐酸溶液注入洁净的锥形瓶中,并加入2~3滴酚酞;
B.用标准溶液润洗滴定管2~3次;
C.把盛有标准溶液的碱式滴定管固定好,调节滴定管使尖嘴处充满溶液;
D.取标准KOH溶液注入碱式滴定管至刻度“0”以上2~3 cm 处;
E.调节液面至“0”或“0”以下刻度,记下读数;
F.把锥形瓶放在滴定管的下面,用标准KOH溶液滴定至终点并记下滴定管液面的刻度。
就此实验完成填空:
(1)正确操作步骤的顺序是(用序号字母填写)__________________________________。
(2)上述B步骤操作的目的是________________________________________________
________________________________________________________________________。
(3)上述A步骤操作之前,若先用待测溶液润洗锥形瓶,则滴定结果________(填“偏高”、“偏低”或“不变”)。
(4)判断到达滴定终点的实验现象是________________________________________
________________________________________________________________________。
答案 (1)BDCEAF (2)洗去附在滴定管壁上的水,防止因将标准溶液稀释而带来误差 (3)偏高 (4)滴入最后一滴NaOH溶液,溶液由无色变为浅红色且半分钟内不褪色
解析 (2)无论是盛放标准液还是待测液的滴定管均应润洗,因为滴定管的内壁上附着的蒸馏水会将放入的溶液稀释而引起测定误差。(3)A步骤操作之前,先用待测液润洗锥形瓶,会使待测液的体积大于20.00 mL,消耗标准液多,则测定结果偏高。(4)由于用酚酞作指示剂,故当滴入最后一滴NaOH溶液时溶液由无色变为浅红色且半分钟内不褪色时即达到了滴定终点。
练综合拓展
6.某化学课外小组为测定空气中CO2的含量,进行了如下实验:
(1)配制0.100 0 mol·L-1和0.010 00 mol·L-1的标准盐酸。
(2)用0.100 0 mol·L-1的标准盐酸滴定未知浓度的Ba(OH)2溶液10.00 mL,结果用去盐酸19.60 mL。
(3)用测定的Ba(OH)2溶液吸收定量空气的CO2。取Ba(OH)2溶液10.00 mL,放入100 mL容量瓶里,加水至刻度线。取出稀释后的溶液放入密闭容器内,并通入10 L标准状况下的空气,振荡,这时生成沉淀。
(4)过滤上述所得浊液。
(5)取滤液20.00 mL,用0.010 00 mol·L-1的盐酸滴定,用去盐酸34.80 mL。请回答下列问题:
①配制标准盐酸时,需用下列哪些仪器________;
A.托盘天平 B.容量瓶 C.酸式滴定管 D.量筒 E.烧杯 F.胶头滴管 G.玻璃棒
②滴定操作中,左手__________,右手__________,眼睛________________________。
① Ba(OH)2溶液的物质的量浓度是________________________________________;
② 过滤所得浊液的目的是_________________________________________________;
③ 此空气样品中含CO2的体积分数为______________________________________。
答案 ①B、D、E、F、G ②控制活塞 摇动锥形瓶 注视锥形瓶内溶液颜色的变化 ③0.098 0 mol·L-1 ④分离出BaCO3,防止盐酸与BaCO3反应 ⑤0.025%
解析 ⑤Ba(OH)2+CO2===BaCO3↓+H2O,只需求出余下的Ba(OH)2,就可计算与CO2反应的Ba(OH)2,CO2的量也就计算出来了。20 mL滤液中Ba(OH)2的物质的量为34.80×10-
3×0.01× mol=1.74×10-4 mol,那么100 mL滤液中有Ba(OH)2:1.74×10-4×5 mol=8.7×10-4 mol,原有Ba(OH)2:10×10-3 L×0.098 mol·L-1=9.8×10-4 mol,与CO2反应的Ba(OH)2有(9.8-8.7)×10-4 mol=1.1×10-4 mol,则n(CO2)=1.1×10-4 mol,w(CO2)=
×100%=0.025%。
7.某工厂废水含游离态氯,通过下列实验测定其浓度:
①取水样10.0 mL于锥形瓶中,加入10.0 mL KI溶液(足量),滴入指示剂2~3滴;②取一滴定管依次用自来水、蒸馏水洗净,然后注入0.01 mol·L-1 Na2S2O3溶液,调整液面,记下读数;③将锥形瓶置于滴定管下进行滴定,发生反应为:I2+2Na2S2O3===2NaI+Na2S4O6。试回答下列问题:
(1)步骤①加入的指示剂是__________。
(2)步骤②应使用________式滴定管。
(3)步骤③当待测液由________色变为________色且不再变化即达终点,若耗去Na2S2O3溶液20.0 mL,则废水中Cl2的物质的量浓度为________。
(4)Cl2的实际浓度比所测浓度为________(填“偏大”、“偏小”或“相等”),造成误差的原因是____________________________(若认为没有误差,该问不答)。
答案 (1)淀粉 (2)碱 (3)蓝 无 0.01 mol·L-1 (4)偏小 滴定管未用标准液润洗
人教版 (新课标)选修4 化学反应原理第二节 水的电离和溶液的酸碱性第2课时练习: 这是一份人教版 (新课标)选修4 化学反应原理第二节 水的电离和溶液的酸碱性第2课时练习,共5页。
人教版 (新课标)选修4 化学反应原理第二节 影响化学反应速率的因素第4课时课后作业题: 这是一份人教版 (新课标)选修4 化学反应原理第二节 影响化学反应速率的因素第4课时课后作业题,共5页。试卷主要包含了某浓度的氨水中存在下列平衡,下列叙述正确的是,常温下,下列四种溶液,下列叙述中正确的是等内容,欢迎下载使用。
高中化学人教版 (新课标)选修4 化学反应原理第二节 影响化学反应速率的因素第1课时练习: 这是一份高中化学人教版 (新课标)选修4 化学反应原理第二节 影响化学反应速率的因素第1课时练习,共5页。

