高中数学教案必修三:2.2.2 频率分布直方图与折线图
展开www.ks5u.com
教学目标:
1.根据频率分布表,能画出频率分布的条形图、直方图、折线图;
2.会用样本频率分布去估计总体分布.
教学重点:
绘制频率直方图、条形图、折线图.
教学难点:
会根据样本频率分布或频率直方图去估计总体分布.
教学过程:
一、问题情境
1.列频率分布表的一般步骤是什么?
2.能否根据频率分布表来绘制频率直方图?
3.能否根据频数情况来绘制频数条形图?
二、学生活动
讨论如何作图.
三、建构数学
1.频数条形图.
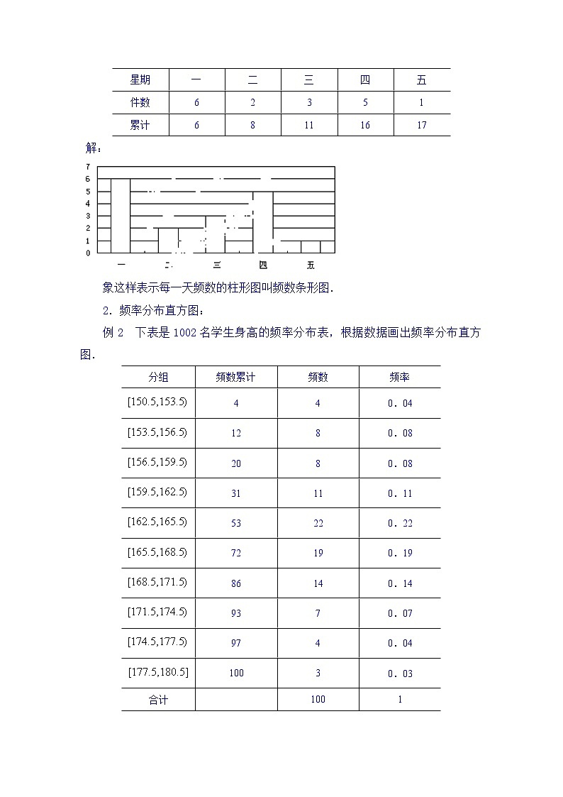
例1 下表是某学校一个星期中收交来的失物件数,请将5天中收交来的失
物数用条形图表示.
星期 | 一 | 二 | 三 | 四 | 五 |
件数 | 6 | 2 | 3 | 5 | 1 |
累计 | 6 | 8 | 11 | 16 | 17 |
解:
象这样表示每一天频数的柱形图叫频数条形图.
2.频率分布直方图:
例2 下表是1002名学生身高的频率分布表,根据数据画出频率分布直方图.
分组 | 频数累计 | 频数 | 频率 |
4 | 4 | 0.04 | |
12 | 8 | 0.08 | |
20 | 8 | 0.08 | |
31 | 11 | 0.11 | |
53 | 22 | 0.22 | |
72 | 19 | 0.19 | |
86 | 14 | 0.14 | |
93 | 7 | 0.07 | |
97 | 4 | 0.04 | |
100 | 3 | 0.03 | |
合计 |
| 100 | 1 |
解:(1)根据频率分布表,作直角坐标系,以横轴表示身高,纵轴表示频率/组距;
(2)在横轴上标上表示的点;
(3)在上面各点中,分别以连接相邻两点的线段为底作矩形,高等于该组的频率/组距.
频率分布直方图如图:
一般地,作频率分布直方图的方法为:
把横轴分成若干段,每一段对应一个组的组距,以此线段为底作矩形,高等于该组的频率/组距,这样得到一系列矩形,每一个矩形的面积恰好是该组上的频率.这些矩形构成了频率分布直方图.
2.频率分布折线图.
在频率分布直方图中,取相邻矩形上底边的中点顺次连结起来,就得到频率分布折线图(简称频率折线图)例2的频率折线图如图:
3.密度曲线.
如果样本容量取得足够大,分组的组距取得足够小,则相应的频率折线图将趋于一条光滑的曲线,称这条光滑的曲线为总体的密度曲线.
四、数学运用
例3 为了了解一大片经济林生长情况,随机测量其中的100株的底部周长,得到如下数据表(单位:cm)
135 | 98 | 102 | 110 | 99 | 121 | 110 | 96 | 100 | 103 |
125 | 97 | 117 | 113 | 110 | 92 | 102 | 109 | 104 | 112 |
109 | 124 | 87 | 131 | 97 | 102 | 123 | 104 | 104 | 128 |
105 | 123 | 111 | 103 | 105 | 92 | 114 | 108 | 104 | 102 |
129 | 126 | 97 | 100 | 115 | 111 | 106 | 117 | 104 | 109 |
111 | 89 | 110 | 121 | 80 | 120 | 121 | 104 | 108 | 118 |
129 | 99 | 90 | 99 | 121 | 123 | 107 | 111 | 91 | 100 |
99 | 101 | 116 | 97 | 102 | 108 | 101 | 95 | 107 | 101 |
102 | 108 | 117 | 99 | 118 | 106 | 119 | 97 | 126 | 108 |
123 | 119 | 98 | 121 | 101 | 113 | 102 | 103 | 104 | 108 |
(1)编制频率分布表;(2)绘制频率分布直方图;(3)估计该片经济林中底部周长小于100cm的树木约占多少,周长不小于120cm的树木约占多少.
解:(1)这组数据的最大值为135,最小值为80,全距为55,可将其分为11组,组距为5.
频率分布表如下:
分组 | 频数 | 频率 | 频率/组距 |
1 | 0.01 | 0.002 | |
2 | 0.02 | 0.004 | |
4 | 0.04 | 0.008 | |
14 | 0.14 | 0.028 | |
24 | 0.24 | 0.048 | |
15 | 0.15 | 0.030 | |
| 12 | 0.12 | 0.024 |
9 | 0.09 | 0.018 | |
11 | 0.11 | 0.022 | |
6 | 0.06 | 0.012 | |
2 | 0.02 | 0.004 | |
合计 | 100 | 1 | 0.2 |
(2)直方图如图:
(3)从频率分布表得,样本中小于的频率为,
样本中不小于的频率为,估计该片经济林中底部周长小于的树木约占,周长不小于的树木约占.
五、要点归纳与方法小结
本节课学习了以下内容
1.什么是频数条形图、频率直方图、折线图、密度曲线?
2.绘制频率分布直方图的一般方法是什么?
3.频率分布直方图的特征:
(1)从频率分布直方图可以清楚的看出数据分布的总体趋势.
(2)从频率分布直方图得不出原始的数据内容,把数据表示成直方图后,原有的具体数据信息就被抹掉了.

