- 人教版(2019)高中物理必修三新教材同步 第11章 1 电源和电流导学案(教师版+学生版) 学案 2 次下载
- 人教版(2019)高中物理必修三新教材同步 第11章 2 导体的电阻导学案(教师版+学生版) 学案 1 次下载
- 人教版(2019)高中物理必修三新教材同步 第11章 3 实验2 金属丝电阻率的测量导学案(教师版+学生版) 学案 1 次下载
- 人教版(2019)高中物理必修三新教材同步 第11章 4 第1课时 串联和并联电路的特点 限流电路与分压电路导学案(教师版+学生版) 学案 2 次下载
- 人教版(2019)高中物理必修三新教材同步 第11章 4 第2课时 电压表和电流表导学案(教师版+学生版) 学案 2 次下载
高中物理人教版 (2019)必修 第三册3 实验:导体电阻率的测量优质学案
展开科学思维
1.了解游标卡尺的测量原理,掌握游标卡尺的读数和使用方法.
2.了解螺旋测微器的测量原理,掌握螺旋测微器的读数和使用方法.
科学态度与责任
1.掌握电压表、电流表的读数方法.
2.理解测量导体电阻率的实验原理,能进行正确的实验操作和数据处理.
实验1 长度的测量及测量工具的选用
一、游标卡尺的原理和读数
1.构造:主尺、游标尺(主尺和游标尺上各有一个内、外测量爪)、游标卡尺上还有一个深度尺.(如图1所示)
图1
2.用途:测量厚度、长度、深度、内径、外径.
3.原理:利用主尺的最小分度与游标尺的最小分度的差值制成.
不管游标尺上有多少个小等分刻度,它的刻度部分的总长度比主尺上的同样多的小等分刻度少1 mm.常见的游标尺上小等分刻度有10个、20个、50个的,其规格见下表:
4.读数
若用x表示由主尺上读出的整毫米数,K表示从游标尺上读出与主尺上某一刻线对齐的游标的格数,则记录结果表达为(x+K×精确度)mm.
5.游标卡尺的使用及注意事项
(1)用游标卡尺测量零件时,右手拿主尺,大拇指移动游标尺,左手拿待测物体,当其与测量爪相贴时,即可锁定螺钉,读取数据。
(2)游标卡尺是比较精密的测量工具,要轻拿轻放,不得碰撞或跌落地下。
(3)用游标卡尺测量零件时,不允许过分地施加压力,所用压力应使两个测量爪刚好接触零件表面。
(4)游标卡尺读数时不需要估读。
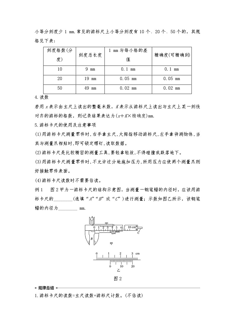
例1 图2甲为一游标卡尺的结构示意图,当测量一钢笔帽的内径时,应该用游标卡尺的________(选填“A”“B”或“C”)进行测量;示数如图乙所示,该钢笔帽的内径为________ mm.
图2
答案 A 11.25
解析 由游标卡尺的结构原理可知,测内径应选游标卡尺的内测量爪,故选A;游标卡尺的主尺读数为11 mm,游标尺的读数为5×0.05 mm=0.25 mm,故钢笔帽的内径为11.25 mm.
1.游标卡尺的读数=主尺读数+游标尺计数。(不估读)
2.游标卡尺的读数方法:“三看”
(1)一看,精确度;
(2)二看,游标尺上的0刻度线位置,区分零刻度与标尺最前端(如图所示);
(3)三看,游标尺的哪条(第N条)刻度线与主尺上的刻度线对齐。
针对训练1 某同学用游标卡尺分别测量金属圆管的内、外壁直径,游标卡尺的示数分别如图3(a)和(b)所示.由图可读出,圆管内壁的直径为_______ cm,圆管外壁的直径为_______ cm;由此可计算出金属圆管横截面的面积.
图3
答案 2.23 2.99
解析 题图(a)中游标卡尺的主尺读数为22 mm,游标尺读数为3×0.1 mm=0.3 mm,所以最终读数为22 mm+0.3 mm=22.3 mm=2.23 cm.题图(b)中游标卡尺的主尺读数为29 mm,游标尺读数为9×0.1 mm=0.9 mm,所以最终读数为29 mm+0.9 mm=29.9 mm=2.99 cm.
二、螺旋测微
1.构造
如图4所示,它的测砧A和固定刻度B固定在尺架C上,可动刻度E、旋钮D和微调旋钮D′是与测微螺杆F连在一起的,并通过精密螺纹套在B上.
图4
2.原理
精密螺纹的螺距是0.5 mm,即旋钮D每转一周,测微螺杆F前进或后退0.5 mm,可动刻度分成50等份,因此每旋转一格,对应测微螺杆F前进或后退0.01 mm即为螺旋测微器的精确度.
3.使用方法
当A与F并拢时,可动刻度E的零点恰好跟固定刻度B的零点重合,逆时针旋转旋钮D,将测微螺杆F旋出,把被测物体放入A、F之间的夹缝中,再顺时针旋转旋钮D,F快要接触被测物时,要停止使用旋钮D,改用微调旋钮D′,直到听到“喀喀”声.
4.读数方法
L=固定刻度示数+可动刻度示数(估读一位)×分度值.
注意事项
(1)读数时要准确到0.01 mm,估读到0.001 mm,测量结果若用毫米做单位,则小数点后面必须保留三位.
(2)读数时,要注意固定刻度上半毫米刻度线是否露出.
5.螺旋测微器的使用及注意事项
(1)使用前,首先应检查零点,即测微螺杆与测砧接触,可动刻度的左边缘与固定刻度的零刻度线对齐,否则,校正零点。
(2)测量时,用左手拿尺架,将被测物体夹在测砧与测微螺杆之间,右手转动粗调旋钮,在测微螺杆快靠近被测物体时应停止使用粗调旋钮,而改用微调旋钮,直至棘轮发出声音,随即拨动止动旋钮使测微螺杆固定,然后读数。这样既能使测量结果精确,又可避免产生过大的压力使螺旋测微器受损。
INCLUDEPICTURE "E:\\张潇\\2020\\同步\\例2.TIF" \* MERGEFORMAT INCLUDEPICTURE "E:\\张潇\\2020\\同步\\例2.TIF" \* MERGEFORMATINET 例2 用螺旋测微器测量合金丝的直径.为防止读数时测微螺杆发生转动,读数前应先旋紧如图5所示的部件________(选填“A”“B”“C”或“D”).从图中的示数可读出合金丝的直径为________ mm.
图5
答案 B 0.410
解析 读数前应先旋紧B,使读数固定不变,螺旋测微器的固定刻度为0 mm,可动刻度为41.0×0.01 mm=0.410 mm,所以最终读数为0 mm+0.410 mm=0.410 mm.
螺旋测微器的读数方法是固定刻度读数加上可动刻度读数,在读可动刻度读数时需要估读。
针对训练2 在测量一根粗细均匀的合金丝电阻率的实验中,利用螺旋测微器测定合金丝直径的过程如图6所示,校零时的读数为________ mm,合金丝的直径为________ mm.
图6
答案 0.007 0.650
解析 校零时可动刻度为0.7格,故读数为0.7×0.01 mm=0.007 mm,测量时固定刻度上读数为0.5 mm,可动刻度为15.7格,故读数为0.5 mm+15.7×0.01 mm=0.657 mm.合金丝的直径为两次读数之差,D=0.657 mm-0.007 mm=0.650 mm.
三、电压表、电流表的读数
电压表、电流表的读数方法
1.首先要弄清电表量程,即指针指到最大刻度时电表允许通过的最大电压或电流值.
2.根据表盘总的刻度数确定精确度,即每一小格表示的值,同时确定读数有效数字所在的位数.
3.按照指针的实际位置进行读数.
4.(1)0~3 V的电压表和0~3 A的电流表读数方法相同,此量程下的精确度是0.1 V和0.1 A,读到0.1的下一位,即读到小数点后面两位.
(2)对于0~15 V量程的电压表,精确度是0.5 V,在读数时只要求读到小数点后面一位,即读到0.1 V.
(3)对于0~0.6 A量程的电流表,精确度是0.02 A,在读数时只要求读到小数点后面两位,这时要求“半格估读”,即读到最小刻度的一半0.01 A.
INCLUDEPICTURE "E:\\张潇\\2020\\同步\\例3.TIF" \* MERGEFORMAT INCLUDEPICTURE "E:\\张潇\\2020\\同步\\例3.TIF" \* MERGEFORMATINET 例3 如图7为电流表和电压表的刻度盘.
图7
(1)图甲使用0.6 A量程时,对应刻度盘上每一小格代表________A,图中表针示数是________A;当使用3 A量程时,对应刻度盘上每一小格代表________A,图中表针示数为________A.
(2)图乙使用较小量程时,每小格表示________V,图中表针的示数为______V.若使用的是较大量程,则这时表盘刻度每小格表示______V,图中表针示数为______V.
答案 (1)0.02 0.44 0.1 2.20
(2)0.1 1.70 0.5 8.5
解析 (1)使用0.6 A量程时,刻度盘上的每一小格为0.02 A,表针示数为0.44 A;当使用3 A量程时,每一小格为0.1 A,表针示数为2.20 A.
(2)使用3 V量程时,每小格表示0.1 V,表针示数为1.70 V;使用15 V量程时,每小格为0.5 V,表针示数为8.5 V.
1.如图8甲、乙、丙所示的三把游标卡尺,它们的游标尺分别为9 mm长10等分、19 mm长20等分、49 mm长50等分,它们的读数依次为________ mm、________ mm、________ mm.
图8
答案 16.6 23.85 10.46
2.(1)使用游标为10个小等分刻度的游标卡尺测量一物体的尺寸,得到图9甲中的游标卡尺的读数,由于遮挡,只能看到游标的后半部分,图中游标卡尺的读数为________ cm;
(2)从图乙中可读出金属丝的直径为________ mm.
图9
答案 (1)5.45 (2)0.520
解析 (1)游标上有10个小等分刻度,游标尺长度是9 mm,游标卡尺的固定刻度与游标尺对齐的刻度读数为59 mm,游标尺上第5个刻度游标读数为0.9×5 mm=4.5 mm,所以最终读数为:59 mm-4.5 mm=54.5 mm=5.45 cm.
(2)d=0.5 mm+2.0×0.01 mm=0.520 mm.
3.某学生在用螺旋测微器测定某一金属丝的直径时,测得的结果如图10甲所示,则该金属丝的直径d=________ mm.另一位学生用游标尺上标有20等分刻度的游标卡尺测得一工件的长度,测得的结果如图乙所示,则该工件的长度L=________ cm.
图10
答案 3.205 5.015
4.电流表量程一般有两种:0~0.6 A和0~3 A;电压表量程一般有两种:0~3 V和0~15 V.如图11所示:
图11
(1)接0~3 V量程时读数为________ V.
(2)接0~15 V量程时读数为________ V.
(3)接0~3 A量程时读数为________ A.
(4)接0~0.6 A量程时读数为________ A.
答案 (1)1.90 (2)9.5 (3)0.84 (4)0.17
5.用游标卡尺可以测量某些工件的外径。在测量某件工件时,示数如图所示,则读数为________mm。
答案 29.8
解析 游标卡尺读数为29 mm+8×0.1 mm=29.8 mm。
6.用50分度的游标卡尺(测量值可精确到0.02 mm)测定某圆筒的内径时,游标卡尺上的示数如图所示,可读出圆筒的内径为________ mm。
答案 52.10
解析 主尺上读出整毫米数为52 mm,精确度为0.02 mm,游标尺上第5条刻线与主尺上某一刻线对齐,读数为52.10 mm。
7.某同学用如图甲所示的螺旋测微器测小球的直径时,他应先转动________使F靠近小球,再转动________使F夹住小球,直至听到棘轮发出声音为止,拨动________使F固定后读数。(均选填仪器部件字母符号)正确操作后,螺旋测微器的示数如图乙所示,则小球的直径是________ mm。
答案 D H G 6.700
解析 用螺旋测微器测小球直径时,先转动旋钮D使测微螺杆F靠近被测小球,再转动微调旋钮H使测微螺杆F夹住小球,直到棘轮发出声音为止,拨动锁紧装置G使F固定后读数,读数为6.5 mm+20.0×0.01 mm=6.700 mm。
刻度格数(分度)
刻度总长度
1 mm与每小格的差值
精确度(可精确到)
10
9 mm
0.1 mm
0.1 mm
20
19 mm
0.05 mm
0.05 mm
50
49 mm
0.02 mm
0.02 mm
必修 第三册3 实验:导体电阻率的测量优质学案: 这是一份必修 第三册<a href="/wl/tb_c163128_t4/?tag_id=42" target="_blank">3 实验:导体电阻率的测量优质学案</a>,文件包含人教版2019高中物理必修三新教材同步第11章3实验2金属丝电阻率的测量--教师版docx、人教版2019高中物理必修三新教材同步第11章3实验2金属丝电阻率的测量--学生版docx等2份学案配套教学资源,其中学案共26页, 欢迎下载使用。
高中物理1 电源和电流精品导学案及答案: 这是一份高中物理<a href="/wl/tb_c163124_t4/?tag_id=42" target="_blank">1 电源和电流精品导学案及答案</a>,文件包含人教版2019高中物理必修三新教材同步第11章1电源和电流--教师版docx、人教版2019高中物理必修三新教材同步第11章1电源和电流--学生版docx等2份学案配套教学资源,其中学案共31页, 欢迎下载使用。
人教版 (新课标)四、电容器第2课时学案: 这是一份人教版 (新课标)<a href="/wl/tb_c2300_t4/?tag_id=42" target="_blank">四、电容器第2课时学案</a>,文件包含人教版2019高中物理必修三新教材同步第10章4第2课时实验观察电容器的充放电现象--教师版docx、人教版2019高中物理必修三新教材同步第10章4第2课时实验观察电容器的充放电现象--学生版docx等2份学案配套教学资源,其中学案共10页, 欢迎下载使用。

