人教版 (2019)第十一章 电路及其应用3 实验:导体电阻率的测量导学案
展开11.3 实验:导体电阻率的测量
【学习目标】
1. 理解游标卡尺、螺旋测微器的原理,学会使用游标卡尺、螺旋测微器测量长度。
2. 理解测量电阻率的实验原理及实验方法。学会测量导体的电阻率,并能进行误差分析。
3. 通过用游标卡尺或螺旋测微器测量长度,测量电阻等过程,形成自觉遵守实验操作规程和谨慎操作习惯。
【开启新探索】
电阻率是反映导体材料导电性能的物理量。思考一下,测量哪些物理量,就可以求出导体的电阻率?
【质疑提升1】游标卡尺的原理和使用
1. 长度是物理学中基本的物理量,长度的测量是最基本的测量。初中通常用刻度尺测量长度。结合刻度尺测量实例,回顾用刻度尺测量长度的方法和读数规则。
读数: cm、 mm。 读数: cm、 mm。
2. 高中我们将要学习另外两种测量长度精度更高的工具,第一个是游标卡尺。阅读教材P62,观察游标卡尺的结构图,说明,游标卡尺主要由哪几部分构成?
(1)主尺(尺身):类同刻度尺,单位 ,每一大格长度 ,每一小格长度 。
(2)游标尺(内测量爪、外测量爪):单位: 。
(3)紧固螺钉:内外测量爪贴合待测物体后,旋动紧固螺钉,可将游标尺固定在 。
3. 阅读课本P62,说明游标卡尺可更精确测量长度的原理?
(1) 游标卡尺是利用主尺的单位刻度(1mm)与游标尺的单位刻度之间固定的 来提高测量精度的。
(2) 阅读课本P63,说明10分度游标尺为什么能提高测量的精度?
(3) 结合提高测量的精度原理,读出以下游标卡尺的读数。
读数: cm 读数: cm
读数: mm 读数: mm
(4) 结合以上的读数,可知读数方法:被测长度= 。
(5) 10分度的游标卡尺的刻度长度 ,分格数 ,单位刻度 ,精确度 。
20分度的游标卡尺的刻度长度 ,分格数 ,单位刻度 ,精确度 。
50分度的游标卡尺的刻度长度 ,分格数 ,单位刻度 ,精确度 。
(6) 读出以下游标卡尺的读数。
读数: cm 读数: mm
读数: cm 读数: mm
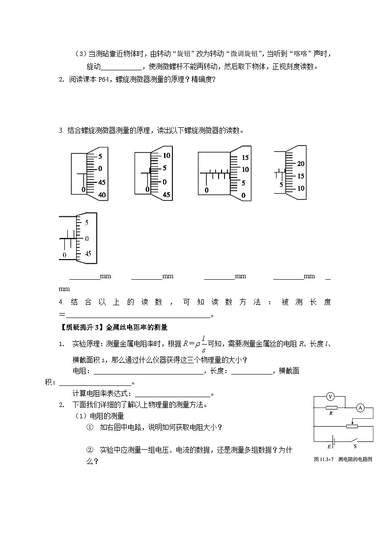
【质疑提升2】螺旋测微器的原理和使用
1. 阅读课本P64,观察螺旋测微器的结构,说明各部分分之间的关系?
(1) 测砧和 、 是固定在一起的。
(2) 测微螺杆和 、 、 是连在一起的,通过精密螺纹套在因定刻度上。
(3) 当测砧靠近物体时,由转动“旋钮”改为转动“微调旋钮”,当听到“喀喀”声时,旋动 ,使测微螺杆不能再转动,然后取下物体,正视刻度读数。
2. 阅读课本P64,螺旋测微器测量的原理?精确度?
3. 结合螺旋测微器测量的原理,读出以下螺旋测微器的读数。
mm mm mm mm mm
4. 结合以上的读数,可知读数方法:被测长度= 。
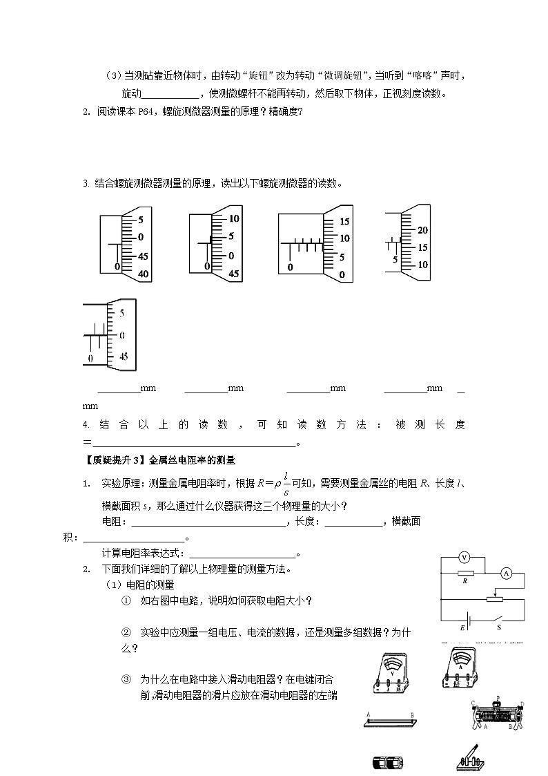
【质疑提升3】金属丝电阻率的测量
1. 实验原理:测量金属电阻率时,根据可知,需要测量金属丝的电阻R、长度l、横截面积s,那么通过什么仪器获得这三个物理量的大小?
电阻: ,长度: ,横截面积: 。
计算电阻率表达式: 。
2. 下面我们详细的了解以上物理量的测量方法。
(1) 电阻的测量
① 如右图中电路,说明如何获取电阻大小?
② 实验中应测量一组电压、电流的数据,还是测量多组数据?为什么?
③ 为什么在电路中接入滑动电阻器?在电键闭合前,滑动电阻器的滑片应放在滑动电阻器的左端还是右端?
(2) 长度的测量
① 测量金属丝的总长度,还是接入电路的有效长度? 。 ② 测量一次,还是测量多次求平均值? 。
(3) 金属丝的直径
① 用什么测量工具测量? 。
② 测量一次,还是测量多次求平均值? 。在同一位置测量,还是不同位置测量? 。
3. 实验测量、计算,进行误差分析。思考,实验的哪些方面可能存在误差?
【学以致用】
1.(1)在“测定金属丝的电阻率”的实验中,需要测量金属丝的长度L和直径d。现用最小分度为1mm的米尺测量金属丝的长度,图中箭头所指位置是拉直的金属丝两端在米尺上相对应的位置,测得的金属丝长度L为 mm。
(2)在测定金属丝的直径时,螺旋测微器的读数如图所示,可知该金属丝的直径d= mm。
0
1
2
3
A
0
0.2.2.2.2
0.4
0.6
.2
0
1
2
3
V
0
5
10
15
(3)下面左图是电压表的刻度盘,若当时使用的是该表的0-3V量程,那么读数为 V;下面右图是电流表的刻度盘,若当时使用的是该表的0-0.6A量程,那么电表读数为 A 。
(3) 通过本组数据的测量,可以初步计算出电阻率ρ= 。
【素养提升专练】
1. 某同学用游标卡尺测量一个导体的长度。游标尺上有10等分刻度,测得的读数如图所示,该导体的长度是多少?某同学用螺旋测微器测量一个圆柱导体的直径,测得读数如图所示,则该圆柱导体的直径是多少?
读数: cm 读数: mm
2. 以下游标卡尺、螺旋测微器的读数分别为:
读数: cm 读数: cm
读数: mm 读数: mm
甲
乙
读数: mm 读数: mm 读数: mm
3. 某同学想要了解导线在质量相同时,电阻与截面积的关系,选取了材料相同、质量相等的5卷导线,进行了如下实验:
(1)用螺旋测微器测量某一导线的直径如右图所示。读得直
径d= mm.
电阻R (Ω)
121.0
50.0
23.9
10.0
3.1
导线直径d (mm)
0.80l
0.999
1.20l
1.494
1.998
导线截面积S(mm2)
0.504
0.784
1.133
1.753
3.135
(2)该同学经实验测量及相关计算得到如下数据:
请你根据以上数据判断,该种导线的电阻R与截面积S是否满足反比关系?若满足反比关系,请说明理由;若不满足,请写出R与S应满足的关系。
(3) 若导线的电阻率ρ=5.1×10-7Ω·m,则表中阻值为3.1Ω的导线长度l= m。(结果保留两位有效数字)
高中物理人教版 (2019)必修 第三册5 实验:练习使用多用电表学案: 这是一份高中物理人教版 (2019)必修 第三册5 实验:练习使用多用电表学案,文件包含115实验练习使用多用电表doc、115实验练习使用多用电表参考答案doc等2份学案配套教学资源,其中学案共10页, 欢迎下载使用。
高中物理人教版 (2019)必修 第三册1 电荷导学案及答案: 这是一份高中物理人教版 (2019)必修 第三册1 电荷导学案及答案,文件包含91电荷参考答案docx、91电荷docx等2份学案配套教学资源,其中学案共14页, 欢迎下载使用。
高中物理人教版 (2019)必修 第三册3 实验:导体电阻率的测量学案及答案: 这是一份高中物理人教版 (2019)必修 第三册3 实验:导体电阻率的测量学案及答案,共5页。学案主要包含了自学感知,探究解惑 ,课堂小结等内容,欢迎下载使用。

