- 11.3.1 实验:长度的测量及测量工具的选用(课中练习)-高中物理人教版(2019)必修第三册高二上学期课前课中课后同步试题精编 试卷 3 次下载
- 11.3.1 实验:长度的测量及测量工具的选用(课后练习)-高中物理人教版(2019)必修第三册高二上学期课前课中课后同步试题精编 试卷 2 次下载
- 11.3.2 实验:金属丝电阻率的测量(课前预习)-高中物理人教版(2019)必修第三册高二上学期课前课中课后同步试题精编 试卷 2 次下载
- 11.3.2 实验:金属丝电阻率的测量(课后练习)-高中物理人教版(2019)必修第三册高二上学期课前课中课后同步试题精编 试卷 3 次下载
- 11.4.1 串联和并联电路(课中练习)-高中物理人教版(2019)必修第三册高二上学期课前课中课后同步试题精编 试卷 2 次下载
人教版 (2019)必修 第三册3 实验:导体电阻率的测量精品同步达标检测题
展开11.3.2 实验:金属丝电阻率的测量 课中练
一、实验原理及操作
【课堂引入】
实验原理及操作
【例题】
1. 在“探究电阻与导体长度、横截面积的关系”的实验中,用刻度尺测量金属丝直径时的刻度位置如图所示,金属丝的匝数为39,用刻度尺测出金属丝的长度L,金属丝的电阻大约为5 Ω,先用伏安法测出金属丝的电阻R,然后用控制变量法探究电阻与导体长度、横截面积的关系.
(1)从图中得出金属丝的直径为________mm;
(2)为此取来两节新的干电池、开关和若干导线及下列器材:
A.电压表0~3 V,内阻约10 kΩ
B.电压表0~15 V,内阻约50 kΩ
C.电流表0~0.6 A,内阻约0.05 Ω
D.电流表0~3 A,内阻约0.01 Ω
E.滑动变阻器,0~10 Ω
F.滑动变阻器,0~100 Ω
①要求较准确地测出其阻值,电压表应选________,电流表应选________,滑动变阻器应选________.(填序号)
②实验中某同学的实物接线如图所示,请指出该同学实物接线中的两处明显错误。
错误a:_______;
错误b:________。
2. 某同学为了测定某个圆柱形金属导体的电阻率,步骤如下:
(1)使用螺旋测微器测得直径为______(读数如图所示);测得长度为.
(2)测量电阻的步骤如下,按照如图所示的电路进行实验.
①请在图(b)中用笔画线代替导线,完成实物电路的连接______;
②实验操作时,先将滑动变阻器的滑动头移到______(选填“左”或“右”)端,再接通开关;保持断开,闭合,调节滑动变阻器使电流表指针偏转至某一位置,并记下电流______.(如图所示,电流表量程为)
③断开,保持滑动变阻器阻值不变,调整电阻箱阻值在左右,再闭合,调节电阻箱的阻值使得电流表读数为______时,的读数即为电阻的阻值.
(3)则该金属导体的电阻率为______.(用题中所给字母、、表示)
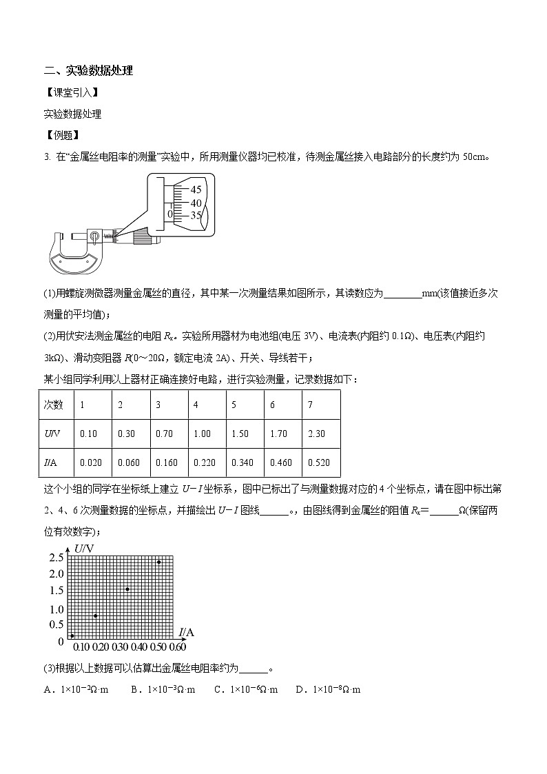
二、实验数据处理
【课堂引入】
实验数据处理
【例题】
3. 在“金属丝电阻率的测量”实验中,所用测量仪器均已校准,待测金属丝接入电路部分的长度约为50cm。
(1)用螺旋测微器测量金属丝的直径,其中某一次测量结果如图所示,其读数应为________mm(该值接近多次测量的平均值);
(2)用伏安法测金属丝的电阻Rx。实验所用器材为电池组(电压3V)、电流表(内阻约0.1Ω)、电压表(内阻约3kΩ)、滑动变阻器R(0~20Ω,额定电流2A)、开关、导线若干;
某小组同学利用以上器材正确连接好电路,进行实验测量,记录数据如下:
次数 | 1 | 2 | 3 | 4 | 5 | 6 | 7 |
U/V | 0.10 | 0.30 | 0.70 | 1.00 | 1.50 | 1.70 | 2.30 |
I/A | 0.020 | 0.060 | 0.160 | 0.220 | 0.340 | 0.460 | 0.520 |
这个小组的同学在坐标纸上建立U-I坐标系,图中已标出了与测量数据对应的4个坐标点,请在图中标出第2、4、6次测量数据的坐标点,并描绘出U-I图线______。,由图线得到金属丝的阻值Rx=______Ω(保留两位有效数字);
(3)根据以上数据可以估算出金属丝电阻率约为______。
A.1×10-2Ω·m B.1×10-3Ω·m C.1×10-6Ω·m D.1×10-8Ω·m
【课堂练习】
4. 用伏安法测量电阻R的阻值,进而求出电阻率ρ,某实验小组测出了6组电压、电流值,并在U-I图像中进行描点,如图所示。
(1)根据图像中描点情况,写出分析数据求解R值的步骤:____________________。
(2)求出的电阻值R=________。(保留3位有效数字)
(3)待测电阻是由均匀材料制成的圆柱体,用50分度的游标卡尺测量其长度与直径,结果分别如图甲、乙所示。由图可知其长度为________ cm,直径为________ cm。
(4)由以上数据可求出ρ=________。(保留1位有效数字)
5. 在“金属丝电阻率的测量”的实验中,待测金属丝的电阻Rx约为5Ω,实验室备有下列实验器材:
A.电压表V1(量程0~3V,内阻约为15kΩ);
B.电压表V2(量程0~15V,内阻约为75kΩ);
C.电流表A1(量程0~3A,内阻约为0.2Ω);
D.电流表A2(量程0~0.6A,内阻约为1Ω);
E.滑动变阻器R1(0~10Ω,0.6A);
F.滑动变阻器R2(0~2000Ω,0.1A);
G.电池组E(3V);
H.开关S,导线若干。
(1)为减小实验误差,应选用的实验器材有___________(填器材前面的序号)。
(2)为减小实验误差,本实验采用电路图如图所示。请把如图中的实物图用线连接起来__________。
(3)若用毫米刻度尺测得金属丝长度为60.00cm,用螺旋测微器测得金属丝的直径及两电表的示数如图所示,则金属丝的直径为___________mm,电阻值为___________Ω。
参考答案
1【答案】(1) 0.646(0.644~0.649均可)
(2) A ;. C;. E ;. 导线连接在滑动变阻器的滑片上 错误 ; 采用了电流表内接法
【详解】(1)从题图可读出紧密绕制的金属丝的宽度为2.52 cm,故直径为
(2)①因为两节干电池的电动势约为3 V,电压表选A;因为金属丝的电阻大约为5 Ω,如果把3 V的电动势全加在金属丝上,电流最大为0.6 A,故电流表选C;此题中金属丝的电阻大约为5 Ω,为了减小实验误差,滑动变阻器选E;
②由题中数据计算可得出
因而应采用电流表外接法,而图中为内接法,故错误;滑动变阻器连接时导线不能接在滑片上,故错误。
2. 【答案】 (1) 10.295(均正确) (2).实物题连线见解析 ; 左 ; 0.48 ; (3)
【详解】(1)螺旋测微器:不动刻度为,可动刻度为,则读数为(均正确).
(2)①运用恒流替代法,用电阻箱等效替代金属导体的电阻,使两次电流表的示数相同,所以画出电路图如图所示;
②为保证电路安全应将滑动变阻器调到分压为零的位置,故实验操作时,先将滑动变阻器的滑动头移到左端;
如图(c)所示,电流表量程为,故其读数为;
③运用了恒流替代法,用电阻箱等效替代金属导体的电阻,使两次电流表的示数相同,均为.
(3)根据电阻定律:,横截面积:,联立可得:
3.【答案】(1)0.398 (2).U-I图见解析 ;. 4.4 (3). C
【详解】(1)螺旋测微器的读数为
0mm+39.8×0.01mm=0.398mm
(2)图线应过原点,选尽可能多的点连成一条直线,不在直线上的点均匀分布在直线两侧,明显偏离的点应舍去,如图所示
图线的斜率反映了金属丝的电阻,因此金属丝的电阻值
(3)根据
可得金属丝的电阻率
故C正确,ABD错误。
4. 【答案】(1) 见解析 (2). 229 Ω(217~237 Ω均正确) (3) 0.800 ; 0.190 (4) 8×10-2 Ω·m
【详解】(1)①作U-I图线,图线应为过原点的直线,使直线过尽可能多的点,不在直线上的点均匀分布在直线两侧,偏离直线较远的点(左起第2个点)应舍弃;②求该直线的斜率k,则
(2)在图像中的直线上取两点,求出
(3)游标卡尺不需要估读,题图甲读数
题图乙读数
(4)由
得
5.【答案】 (1) ADEGH(2)实物图连线见解析; (3)0.636(0.634~0.638) ;2.4
【详解】(1)由于电源电动势为3 V,所以电压表应选A;被测电阻约为5 Ω,电路中的最大电流约为I=0.6 A,电流表应选D;根据滑动变阻器允许通过的最大电流可知,滑动变阻器应选E;还要选用电池组和开关,导线若干。故应选用的实验器材有A、D、E、G、H。
(2)实物连接如图所示
(3)从螺旋测微器可以读出金属丝的直径为
从电压表可以读出电阻两端电压为1.20 V,从电流表可以读出通过电阻的电流为0.50 A,被测金属丝的阻值为
高中人教版 (2019)3 实验:导体电阻率的测量复习练习题: 这是一份高中人教版 (2019)<a href="/wl/tb_c163128_t7/?tag_id=28" target="_blank">3 实验:导体电阻率的测量复习练习题</a>,共14页。试卷主要包含了 用伏安法测金属丝的电阻,01Ω),00mm,回答以下问题, 现测定长金属丝的电阻率等内容,欢迎下载使用。
高中物理人教版 (2019)必修 第三册第十一章 电路及其应用3 实验:导体电阻率的测量课时训练: 这是一份高中物理人教版 (2019)必修 第三册<a href="/wl/tb_c163128_t7/?tag_id=28" target="_blank">第十一章 电路及其应用3 实验:导体电阻率的测量课时训练</a>,共9页。试卷主要包含了实验原理及操作,实验数据处理等内容,欢迎下载使用。
高中物理人教版 (2019)必修 第三册第十一章 电路及其应用3 实验:导体电阻率的测量精品课后作业题: 这是一份高中物理人教版 (2019)必修 第三册第十一章 电路及其应用3 实验:导体电阻率的测量精品课后作业题,共14页。试卷主要包含了 用伏安法测金属丝的电阻,01Ω),00mm,回答以下问题, 现测定长金属丝的电阻率等内容,欢迎下载使用。

