高中物理1 动量学案
展开[学习目标] 1.通过实验寻求碰撞中的不变量。2.理解动量的概念,知道动量和动能的区别与联系(重点)。3.知道动量和动量变化量均为矢量,会计算一维情况下的动量变化量(重难点)。
一、寻求碰撞中的不变量
阅读课本第2页,思考并回答下列问题。
(1)质量相同小球的碰撞
如图甲所示,两根长度相同的细线,分别悬挂A、B两质量相同的钢球,拉起A球,放开后与静止的B球发生碰撞。碰撞后会看到什么现象?
通过此实验现象,关于碰撞中的不变量,你有什么猜想?
________________________________________________________________________________
(2)质量不同小球的碰撞
如图乙所示,使C球质量大于B球质量,用手拉起C球放开后撞击静止的B球。碰撞后会看到什么现象?
根据此实验现象,关于碰撞中的不变量,你又有什么猜想?
________________________________________________________________________________
________________________________________________________________________________
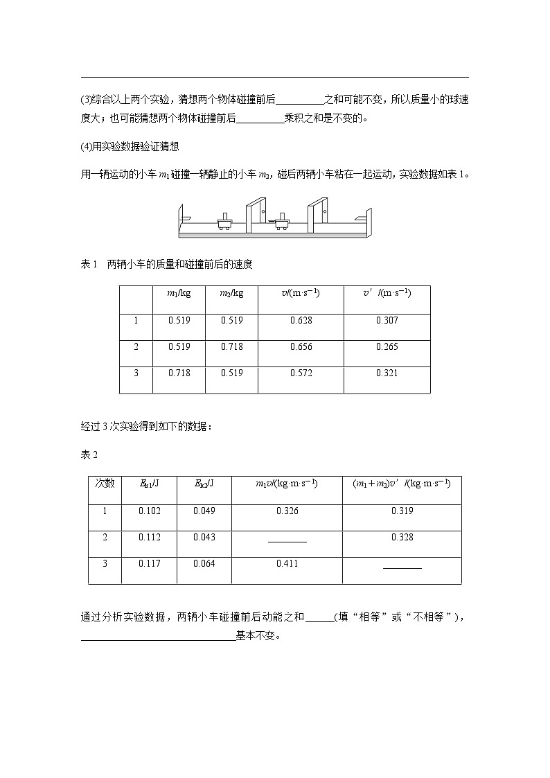
(3)综合以上两个实验,猜想两个物体碰撞前后__________之和可能不变,所以质量小的球速度大;也可能猜想两个物体碰撞前后__________乘积之和是不变的。
(4)用实验数据验证猜想
用一辆运动的小车m1碰撞一辆静止的小车m2,碰后两辆小车粘在一起运动,实验数据如表1。
表1 两辆小车的质量和碰撞前后的速度
经过3次实验得到如下的数据:
表2
通过分析实验数据,两辆小车碰撞前后动能之和______(填“相等”或“不相等”),________________________________基本不变。
二、动量及动量的变化量
1.动量
(1)定义:物体的_______和_______的乘积。
(2)定义式:p=________,单位:kg·m/s。
(3)矢量性:动量是________(填“矢”或“标”)量,方向与____________相同,运算遵循平行四边形定则。
2.动量的变化量Δp
(1)表达式:Δp=p2-p1,其中p1为初动量,p2为末动量。
(2)方向:动量变化量为矢量,与速度变化的方向________(填“相同”或“相反”)。
(1)动量越大,物体的速度越大。( )
(2)动量相同的物体,运动方向一定相同。( )
(3)物体的速度方向改变,其动量一定改变。( )
(4)动量变化量的方向一定和物体初动量的方向相同。( )
例1 (2023·天津二中月考)关于动量的变化,下列说法中错误的是( )
A.做直线运动的物体速度增大时,动量的增量Δp的方向与运动方向相同
B.做直线运动的物体速度减小时,动量的增量Δp的方向与运动方向相反
C.物体的速度大小不变时,动量的增量Δp为零
D.物体做平抛运动时,动量的增量Δp一定不为零
例2 如图所示,一足球运动员踢一个质量为0.4 kg的足球。
(1)若开始时足球的速度是4 m/s,方向向右,踢球后,球的速度为10 m/s,方向仍向右(如图甲),求足球的初动量、末动量以及踢球过程中足球动量的改变量;
(2)若足球以10 m/s的速度撞向球门门柱,然后以3 m/s的速度反向弹回(如图乙),求这一过程中足球的动量改变量。
________________________________________________________________________________
________________________________________________________________________________
________________________________________________________________________________
________________________________________________________________________________
1.动量的变化量是用末动量减初动量,即Δp=p末-p初。
2.动量的变化量为矢量,要选定正方向,求Δp时也要说明方向。
三、动量与动能的区别和联系
请分析以下几种情景中,物体的动量和动能变化情况:
①物体做匀速直线运动;②物体做自由落体运动;③物体做平抛运动;④物体做匀速圆周运动。
________________________________________________________________________________
________________________________________________________________________________
________________________________________________________________________________
________________________________________________________________________________
动量和动能的比较
例3 (2022·江苏南京市高二期中)下列关于动量、动能的说法中正确的是( )
A.动能是矢量,动能的方向与位移的方向相同
B.动量是矢量,动量的方向与速度的方向相同
C.物体的动量变化,则其动能一定变化
D.物体的动量增大2倍,其动能也增大2倍
例4 一小孩把一质量为0.5 kg的篮球由静止释放,释放后篮球的重心下降高度为1.25 m 时与地面相撞,反弹后篮球的重心上升的最大高度为0.45 m,不计空气阻力,取重力加速度g=10 m/s2,求地面与篮球相互作用的过程中:
(1)篮球动量的变化量;
(2)篮球动能的变化量。
________________________________________________________________________________
________________________________________________________________________________
________________________________________________________________________________
________________________________________________________________________________
________________________________________________________________________________
________________________________________________________________________________
拓展延伸 若篮球与地面发生碰撞时无能量损失,反弹后仍然上升到1.25 m高度处,则篮球动量的变化量是多少?动能的变化量是多少?
________________________________________________________________________________
________________________________________________________________________________
________________________________________________________________________________
________________________________________________________________________________
________________________________________________________________________________
1 动量
[学习目标] 1.通过实验寻求碰撞中的不变量。2.理解动量的概念,知道动量和动能的区别与联系(重点)。3.知道动量和动量变化量均为矢量,会计算一维情况下的动量变化量(重难点)。
一、寻求碰撞中的不变量
阅读课本第2页,思考并回答下列问题。
(1)质量相同小球的碰撞
如图甲所示,两根长度相同的细线,分别悬挂A、B两质量相同的钢球,拉起A球,放开后与静止的B球发生碰撞。碰撞后会看到什么现象?
通过此实验现象,关于碰撞中的不变量,你有什么猜想?
答案 A球停止运动,B球摆到A球原来的高度 碰撞前后两球的速度之和不变。
(2)质量不同小球的碰撞
如图乙所示,使C球质量大于B球质量,用手拉起C球放开后撞击静止的B球。碰撞后会看到什么现象?
根据此实验现象,关于碰撞中的不变量,你又有什么猜想?
答案 碰撞后B球获得较大的速度,摆起的最大高度大于C球被拉起时的高度。碰撞前后,两球的速度之和并不相等,速度变化跟它们的质量有关。
(3)综合以上两个实验,猜想两个物体碰撞前后动能之和可能不变,所以质量小的球速度大;也可能猜想两个物体碰撞前后速度与质量乘积之和是不变的。
(4)用实验数据验证猜想
用一辆运动的小车m1碰撞一辆静止的小车m2,碰后两辆小车粘在一起运动,实验数据如表1。
表1 两辆小车的质量和碰撞前后的速度
经过3次实验得到如下的数据:
表2
通过分析实验数据,两辆小车碰撞前后动能之和不相等(填“相等”或“不相等”),质量与速度的乘积之和基本不变。
二、动量及动量的变化量
1.动量
(1)定义:物体的质量和速度的乘积。
(2)定义式:p=mv,单位:kg·m/s。
(3)矢量性:动量是矢(填“矢”或“标”)量,方向与速度的方向相同,运算遵循平行四边形定则。
2.动量的变化量Δp
(1)表达式:Δp=p2-p1,其中p1为初动量,p2为末动量。
(2)方向:动量变化量为矢量,与速度变化的方向相同(填“相同”或“相反”)。
(1)动量越大,物体的速度越大。( × )
(2)动量相同的物体,运动方向一定相同。( √ )
(3)物体的速度方向改变,其动量一定改变。( √ )
(4)动量变化量的方向一定和物体初动量的方向相同。( × )
例1 (2023·天津二中月考)关于动量的变化,下列说法中错误的是( )
A.做直线运动的物体速度增大时,动量的增量Δp的方向与运动方向相同
B.做直线运动的物体速度减小时,动量的增量Δp的方向与运动方向相反
C.物体的速度大小不变时,动量的增量Δp为零
D.物体做平抛运动时,动量的增量Δp一定不为零
答案 C
解析 当做直线运动的物体速度增大时,其末动量p2大于初动量p1,由矢量的运算法则,可知Δp=p2-p1>0,与物体运动方向相同,如图甲所示,A正确。当做直线运动的物体速度减小时,p2<p1,如图乙所示,Δp与p1或p2方向相反,B正确。当物体的速度大小不变时,其方向可能变化,也可能不变,动量可能不变化,即Δp=0,也可能动量大小不变而方向变化,此种情况Δp≠0,C错误。当物体做平抛运动时,动量的方向变化,即动量一定变化,Δp一定不为零,如图丙所示,D正确。
例2 如图所示,一足球运动员踢一个质量为0.4 kg的足球。
(1)若开始时足球的速度是4 m/s,方向向右,踢球后,球的速度为10 m/s,方向仍向右(如图甲),求足球的初动量、末动量以及踢球过程中足球动量的改变量;
(2)若足球以10 m/s的速度撞向球门门柱,然后以3 m/s的速度反向弹回(如图乙),求这一过程中足球的动量改变量。
答案 见解析
解析 (1)取向右为正方向,初、末动量分别为:
p=mv=0.4×4 kg·m/s=1.6 kg·m/s,方向向右,
p′=mv′=0.4×10 kg·m/s=4 kg·m/s,方向向右,
动量的改变量为Δp=p′-p=2.4 kg·m/s,方向向右。
(2)取向右为正方向,初、末动量分别为:
p1=mv1=0.4×10 kg·m/s=4 kg·m/s,方向向右,
p2=mv2=0.4×(-3) kg·m/s=-1.2 kg·m/s,负号表示方向向左,
动量的改变量为Δp′=p2-p1=-5.2 kg·m/s,负号表示方向向左。
1.动量的变化量是用末动量减初动量,即Δp=p末-p初。
2.动量的变化量为矢量,要选定正方向,求Δp时也要说明方向。
三、动量与动能的区别和联系
请分析以下几种情景中,物体的动量和动能变化情况:
①物体做匀速直线运动;②物体做自由落体运动;③物体做平抛运动;④物体做匀速圆周运动。
答案 ①动量不变,动能不变;②动量方向不变,大小随时间推移而增大,动能逐渐增大;③动量方向时刻改变,大小随时间推移而增大,动能逐渐增大;④动量方向时刻改变,大小不变,动能不变。
动量和动能的比较
例3 (2022·江苏南京市高二期中)下列关于动量、动能的说法中正确的是( )
A.动能是矢量,动能的方向与位移的方向相同
B.动量是矢量,动量的方向与速度的方向相同
C.物体的动量变化,则其动能一定变化
D.物体的动量增大2倍,其动能也增大2倍
答案 B
解析 动能是标量,所以没有方向,A错误;动量是矢量,由p=mv知动量的方向与速度的方向相同,B正确;做匀速圆周运动的物体的动量方向时刻改变,大小不变,动能不变,C错误;由p=mv,Ek=eq \f(1,2)mv2可得Ek=eq \f(p2,2m),物体的动量增大2倍,其动能增大4倍,D错误。
例4 一小孩把一质量为0.5 kg的篮球由静止释放,释放后篮球的重心下降高度为1.25 m时与地面相撞,反弹后篮球的重心上升的最大高度为0.45 m,不计空气阻力,取重力加速度g=10 m/s2,求地面与篮球相互作用的过程中:
(1)篮球动量的变化量;
(2)篮球动能的变化量。
答案 (1)4 kg·m/s,方向竖直向上
(2)减少了4 J
解析 (1)篮球与地面相撞前瞬间的速度为v1=eq \r(2gh)=eq \r(2×10×1.25) m/s=5 m/s,方向竖直向下,篮球反弹后的初速度v2=eq \r(2gh′)=eq \r(2×10×0.45) m/s=3 m/s,方向竖直向上。
规定竖直向下为正方向,
篮球的动量变化量为Δp=(-mv2)-mv1=-0.5×3 kg·m/s-0.5×5 kg·m/s=-4 kg·m/s
即篮球的动量变化量大小为4 kg·m/s,方向竖直向上。
(2)篮球的动能变化量为ΔEk=eq \f(1,2)mv22-eq \f(1,2)mv12=eq \f(1,2)×eq \f(1,2)×32 J-eq \f(1,2)×eq \f(1,2)×52 J=-4 J
即动能减少了4 J。
拓展延伸 若篮球与地面发生碰撞时无能量损失,反弹后仍然上升到1.25 m高度处,则篮球动量的变化量是多少?动能的变化量是多少?
答案 5 kg·m/s,方向竖直向上 0
解析 发生碰撞前后速度大小不变,方向改变,由题可知,碰撞前v1=eq \r(2gh)=5 m/s,方向竖直向下,碰撞后v2=5 m/s,方向竖直向上。规定竖直向下为正方向。
Δp=(-mv2)-mv1=-5 kg·m/s,即篮球的动量变化量大小为5 kg·m/s,方向竖直向上,ΔEk=eq \f(1,2)mv22-eq \f(1,2)mv12=0,即动能的变化量为0。
m1/kg
m2/kg
v/(m·s-1)
v′/(m·s-1)
1
0.519
0.519
0.628
0.307
2
0.519
0.718
0.656
0.265
3
0.718
0.519
0.572
0.321
次数
Ek1/J
Ek2/J
m1v/(kg·m·s-1)
(m1+m2)v′/(kg·m·s-1)
1
0.102
0.049
0.326
0.319
2
0.112
0.043
________
0.328
3
0.117
0.064
0.411
________
动量
动能
定义式
p=mv
Ek=eq \f(1,2)mv2
标矢性
矢量
标量
定义式v的含义
速度
速率
换算关系
p=eq \r(2mEk),Ek=eq \f(p2,2m)
m1/kg
m2/kg
v/(m·s-1)
v′/(m·s-1)
1
0.519
0.519
0.628
0.307
2
0.519
0.718
0.656
0.265
3
0.718
0.519
0.572
0.321
次数
Ek1/J
Ek2/J
m1v/(kg·m·s-1)
(m1+m2)v′/(kg·m·s-1)
1
0.102
0.049
0.326
0.319
2
0.112
0.043
0.340
0.328
3
0.117
0.064
0.411
0.397
动量
动能
定义式
p=mv
Ek=eq \f(1,2)mv2
标矢性
矢量
标量
定义式v的含义
速度
速率
换算关系
p=eq \r(2mEk),Ek=eq \f(p2,2m)
人教版 (2019)选择性必修 第一册1 动量导学案: 这是一份人教版 (2019)选择性必修 第一册1 动量导学案,共12页。
高中物理人教版 (2019)选择性必修 第一册1 简谐运动导学案及答案: 这是一份高中物理人教版 (2019)选择性必修 第一册1 简谐运动导学案及答案,共15页。
选择性必修 第一册4 实验:验证动量守恒定律学案: 这是一份选择性必修 第一册4 实验:验证动量守恒定律学案,共16页。

