专题03 探究弹簧弹力与形变量的关系-高考物理实验题专项突破
展开专题03 探究弹簧弹力与形变量的关系
1.实验原理
如图,弹簧弹力F等于下面所挂钩码重力G,弹簧伸长量Δx用刻度尺测量。用表格或图像处理实验数据,探究弹簧弹力与弹簧伸长量的定量关系。
2.实验步骤
(1)把弹簧悬吊在铁架台上,让弹簧自然下垂,保持刻度尺竖直并靠近弹簧。在弹簧不挂钩码时测量弹簧的原长x0。
(2)将已知质量的钩码挂在弹簧的下端,在平衡时测量弹簧总长x,计算弹簧伸长量Δx,计算钩码的总重力。
改变所挂钩码的质量,重复前面的实验过程多次,将测得的数据都记入设计的表格中。
(3)以弹力F为纵坐标、以弹簧总长度x为横坐标,建立坐标系。把所测数据在坐标系内描点。
(4)按照图中各个点的分布与走向,尝试作出一条平滑的曲线(包括直线)。
(5)以Δx为横轴,将得到过坐标原点的直线,如图,直接得到相应的正比关系。
(6)整理器材。
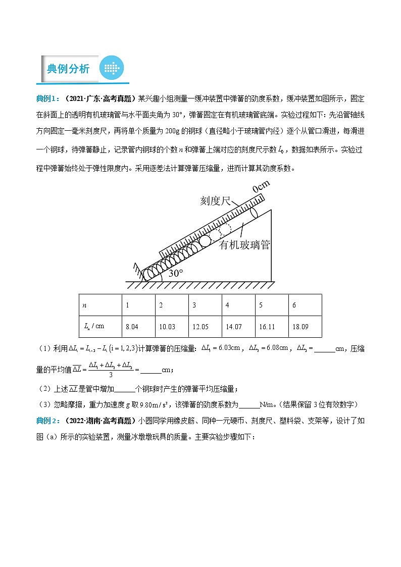
典例1:(2021·广东·高考真题)某兴趣小组测量一缓冲装置中弹簧的劲度系数,缓冲装置如图所示,固定在斜面上的透明有机玻璃管与水平面夹角为30°,弹簧固定在有机玻璃管底端。实验过程如下:先沿管轴线方向固定一毫米刻度尺,再将单个质量为200g的钢球(直径略小于玻璃管内径)逐个从管口滑进,每滑进一个钢球,待弹簧静止,记录管内钢球的个数n和弹簧上端对应的刻度尺示数,数据如表所示。实验过程中弹簧始终处于弹性限度内。采用逐差法计算弹簧压缩量,进而计算其劲度系数。
n | 1 | 2 | 3 | 4 | 5 | 6 |
8.04 | 10.03 | 12.05 | 14.07 | 16.11 | 18.09 |
(1)利用计算弹簧的压缩量:,,______cm,压缩量的平均值______cm;
(2)上述是管中增加______个钢球时产生的弹簧平均压缩量;
(3)忽略摩擦,重力加速度g取,该弹簧的劲度系数为______N/m。(结果保留3位有效数字)
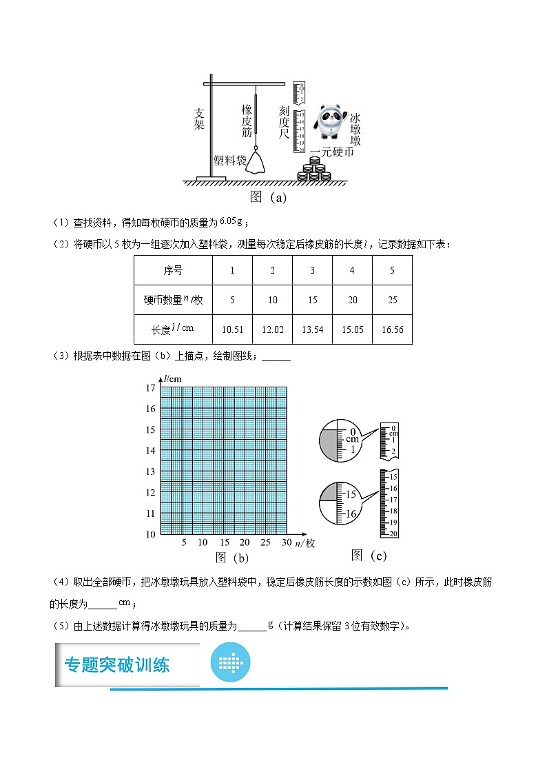
典例2:(2022·湖南·高考真题)小圆同学用橡皮筋、同种一元硬币、刻度尺、塑料袋、支架等,设计了如图(a)所示的实验装置,测量冰墩墩玩具的质量。主要实验步骤如下:
(1)查找资料,得知每枚硬币的质量为;
(2)将硬币以5枚为一组逐次加入塑料袋,测量每次稳定后橡皮筋的长度,记录数据如下表:
序号 | 1 | 2 | 3 | 4 | 5 |
硬币数量/枚 | 5 | 10 | 15 | 20 | 25 |
长度 | 10.51 | 12.02 | 13.54 | 15.05 | 16.56 |
(3)根据表中数据在图(b)上描点,绘制图线;______
(4)取出全部硬币,把冰墩墩玩具放入塑料袋中,稳定后橡皮筋长度的示数如图(c)所示,此时橡皮筋的长度为______;
(5)由上述数据计算得冰墩墩玩具的质量为______(计算结果保留3位有效数字)。
1.(2022·广东·模拟预测)用如图甲所示的装置来探究胡克定律,轻质弹簧的左端与固定在墙上的拉力传感器连接,在右端水平拉力F的作用下从原长开始沿水平方向缓慢伸长,弹簧与水平面不接触,通过刻度尺可以读出弹簧的伸长量X,通过拉力传感器可以读出F,多次测量F、X做出F-X图像如图乙所示,回答下列问题:
(1)伸长量达到某个点后图像变弯曲,原因可能是___________;
(2)弹簧的劲度系数为___________;
(3)弹簧的伸长量分别为X2和X1时,拉力传感器的示数之差为___________。
2.(2022·福建省德化第一中学模拟预测)橡皮筋也像弹簧一样,在弹性限度内伸长量x与弹力F成正比,即,k的值与橡皮筋的原长L、横截面积S有关。理论与实验都表明,其中Y是由材料决定的常数,材料力学中称之为杨氏模量。
(1)在国际单位制中,杨氏模量Y的单位应该是___________。
A.N B.m C. D.
(2)某同学通过实验测得该橡皮筋的一些数据,做出了外力F与伸长量x之间的关系图像如上图所示。由图像可求得该橡皮筋的劲度系数___________。
(3)若该橡皮筋的原长是,横截面积是,则该橡皮筋的杨氏模量Y的大小是___________(结果保留两位有效数字)。
3.(2022·新疆·模拟预测)某实验小组采用如图甲所示的装置探究在弹性限度内弹簧弹力与弹簧伸长量的关系,测得弹簧弹力F随弹簧伸长量x变化的图像如图乙所示。
(1)由图乙可得,该弹簧的劲度系数k=___________N/m;
(2)该实验小组用此实验装置对两根不同的弹簧a和b进行探究,得到弹簧弹力F随弹簧伸长量x变化的图像如图丙所示。以下表述正确的是( )
A.弹簧a的原长一定比弹簧b的大
B.弹簧a的劲度系数一定比弹簧b的大
C.弹簧a的自重一定比弹簧b的大
D.以上说法均不对
4.(2022·辽宁鞍山·二模)一个实验小组做“探究弹簧弹力与弹簧伸长关系”的实验
(1)采用如图甲所示装置,质量不计的弹簧下端挂一个小盘,在小盘中增添砝码,改变弹簧的弹力,实验中做出小盘中砝码重力随弹簧伸长量x的图像如图乙所示。(重力加速度g=10 m/s2)
①利用图乙中图像,可求得该弹簧的劲度系数为________N/m;
②利用图乙中图像,可求得小盘的质量为________kg,小盘的质量会导致弹簧劲度系数的测量结果比真实值________(选填“偏大”“偏小”或“相同”)。
(2)为了制作一个弹簧测力计,乙同学选了A、B两根规格不同的弹簧进行测试,根据测得的数据绘出如图丙所示的图像,为了制作一个精确度较高的弹簧测力计,应选弹簧________;为了制作一个量程较大的弹簧测力计,应选弹簧_______。(填“A”或“B”)
5.(2022·福建省福州第一中学模拟预测)小胡同学做“探究弹簧弹力与伸长量的关系”实验,测量弹簧原长时为了方便,他把弹簧平放在桌面上使其自然伸长,用直尺测出弹簧的原长=8cm,然后把弹簧悬挂在铁架台上,将6个完全相同的钩码逐个加挂在弹簧的下端如图甲所示,测出每次弹簧对应的伸长量x,得到弹簧的伸长量x与钩码质量m的关系图像如图乙所示。(g取10m/s2)。
(1)由图可知弹簧的劲度系数k=___________N/m(保留2位有效数字)。
(2)由于测量弹簧原长时没有考虑弹簧自重、使得到的图像不过坐标原点O,.这样通过图像测得的劲度系数k相对真实值___________(“偏大”“偏小”或者“不变”)。
6.(2022·海南·模拟预测)如图1所示,铁架台上竖直固定一弹簧,将最小刻度值为毫米的刻度尺竖直放在弹簧一侧,使刻度尺的0刻线与弹簧上端对齐,且使弹簧下端的指针恰好落在刻度尺上。在弹簧下依次挂1个钩码,2个钩码…作出弹簧弹力F随坐标x的变化,如图2所示。已知每个钩码的质量为50g,弹簧始终在弹性限度内,重力加速度g取10m/s2,回答下列问题:
①当弹簧下方挂有4个钩码时,弹簧的形变量为___________m。
②弹簧的劲度系数为___________N/m。
7.(2022·山东省实验中学模拟预测)如图甲所示,用铁架台、弹簧和多个已知质量且质量相等的钩码,探究在弹性限度内弹簧弹力与弹簧伸长量的关系。
(1)小杨同学利用图像法处理数据,请根据表格中的实验数据在图乙的坐标系中标出后3组数据对应的坐标点并画出图像_________。
钩码个数 | 1 | 2 | 3 | 4 | 5 | 6 |
拉力F(N) | 0.49 | 0.98 | 1.47 | 1.96 | 2.45 | 2.94 |
伸长量x(cm) | 1.00 | 1.98 | 3.02 | 4.00 | 5.60 | 7.95 |
(2)根据所测数据和关系曲线可以判断该弹簧在弹性限度内的劲度系数________N/m。(保留两位有效数字)
(3)为完成该实验,设计的实验步骤如下:
A.以弹簧伸长量为横坐标,以弹力为纵坐标,描出各组对应的点,并用平滑的曲线连接起来;
B.记下弹簧不挂钩码时其下端的刻度尺上的刻度;
C.将铁架台固定于桌子上,并将弹簧的一端系于横梁上,在弹簧附近竖直固定一把刻度尺;
D.依次在弹簧下端挂上1个、2个、3个、4个…钩码,并分别记下钩码静止时弹簧下端所对应的刻度,并记录在表格内,然后取下钩码;
E.以弹簧伸长量为自变量,写出弹力与伸长量的关系式。首先尝试写成一次函数,如果不行,则考虑二次函数;
F.解释函数表达式中常数的物理意义;
G.整理仪器。
将以上步骤按操作的先后顺序排列出来是:____________。
8.(2022·湖北武汉·模拟预测)某同学用如图所示的装置测量弹簧的劲度系数。将弹簧竖直悬挂在铁架台上,指针固定在弹簧上处,将刻度尺竖直固定在弹簧一侧,在弹簧下端依次悬挂2个到7个砝码,当砝码处于静止状态时,测出弹簧受到的拉力与指针所指的刻度尺示数,实验记录如下:
砝码个数 | 2 | 3 | 4 | 5 | 6 | 7 |
(N) | 0.98 | 1.47 | 1.96 | 2.45 | 2.94 | 3.43 |
(cm) | 17.65 | 19.82 | 21.98 | 24.15 | 26.32 | 28.45 |
弹簧伸长量 | 6.50 | ① | 6.47 |
| ||
回答下列问题:
(1)由表可知所用刻度尺的分度为___________;
(2)将表中数据补充完整:①=___________;
(3)根据逐差法计算出弹簧的劲度系数___________N/cm(结果保留三位有效数字);
(4)如图所示,若将固定在弹簧上处的指针改为固定在弹簧上处,重做上述实验,则测得的劲度系数___________k(选填“大于”“等于”“小于”)。
9.(2022·湖南·模拟预测)某同学想测量两根材料不同、粗细不同、长度不同的轻弹簧的劲度系数,他设计了如图(a)所示的实验装置。实验操作步骤如下:
①将一根粗细均匀的杆竖直固定在水平面上,在其表面涂上光滑材料;
②将轻弹簧A套在竖直杆上,将轻弹簧B套在弹簧A外面,弹簧A与杆之间以及弹簧B与弹簧A之间均有一定间隙;
③将刻度尺竖直固定在弹簧左侧,读出此时弹簧A、B的长度;
④将金属圆环套在竖直杆上并轻轻放在弹簧上,待圆环平衡后从刻度尺上读出弹簧A、B的长度;
⑤逐渐增加金属圆环(与此前所加的金属圆环完全相同)个数,重复步骤④;
⑥根据实验数据得出弹簧上方所加金属圆环的个数n及弹簧A对应的形变量x,通过计算机拟合出如图(b)所示的图像;
⑦用天平测量出一个金属圆环的质量为100g,实验过程中未超过弹簧的弹性限度,重力加速度g取。
回答下列问题:
(1)弹簧A、B的劲度系数分别为___________N/m,___________N/m;
(2)若把弹簧A、B串接在一起,将一端固定在天花板上,另一端悬挂一重力为G的物块,则物块静止时两弹簧的伸长量之和___________(用、、G表示)。
10.(2022·河北唐山·三模)如图所示,有两条长度不同的弹性绳。两绳上端固定在同一位置,下端系在一个轻质勾上。两绳在同一竖直面内,不缠绕。1的长度比2短,1自然伸长时,2处于松弛状态。现测量这两条弹性绳的劲度系数。进行以下操作:每个钩码质量为100g,g取。
①测量短绳的自然长度;
②下端逐个加挂钩码。测量短绳1的长度L,并记录对应钩码数量n。两条弹性绳一直处于弹性限度内;
③在坐标纸上建立坐标系。以L为纵坐标,以所挂钩码数为横坐标,描出部分数据如图所示;
④根据图像求出弹性绳的劲度系数、。
(1)加挂第___________个钩码,弹性绳2开始绷紧;
(2)弹性绳1、2的劲度系数分别为___________N/m,___________N/m。
新高考物理一轮复习实验重难点专题实验02 探究弹簧弹力与形变量的关系 (含解析): 这是一份新高考物理一轮复习实验重难点专题实验02 探究弹簧弹力与形变量的关系 (含解析),共11页。试卷主要包含了数据处理,对本实验的改进创新的方法,20kg,重力加速度g=9,54,65,82,45等内容,欢迎下载使用。
专题实验2 探究弹簧形变与弹力的关系-备战2023年高考物理实验专题突破: 这是一份专题实验2 探究弹簧形变与弹力的关系-备战2023年高考物理实验专题突破,文件包含专题实验2探究弹簧形变与弹力的关系-备战2023年高考物理实验专题突破解析版docx、专题实验2探究弹簧形变与弹力的关系-备战2023年高考物理实验专题突破原卷版docx等2份试卷配套教学资源,其中试卷共41页, 欢迎下载使用。
高考物理一轮复习【专题练习】 专题12 探究弹簧弹力与形变量的关系: 这是一份高考物理一轮复习【专题练习】 专题12 探究弹簧弹力与形变量的关系,文件包含专题12探究弹簧弹力与形变量的关系教师版docx、专题12探究弹簧弹力与形变量的关系学生版docx等2份试卷配套教学资源,其中试卷共27页, 欢迎下载使用。

