高中物理鲁科版 (2019)必修 第一册第1章 运动的描述第3节 速度学案
展开科学测量:做直线运动物体的瞬时速度
一、实验目的
1.学习使用打点计时器。
2.测量小车的瞬时速度。
3.判断沿斜面下滑的小车是否做匀变速直线运动。
4.能利用实验数据作出vt图像并会求加速度。
二、实验原理
1.运动时间和位移的记录
(1)应用打点计时器记录运动的时间和位移
①纸带记录的信息
打点计时器打出的点迹记录了物体运动的时间和位移信息。
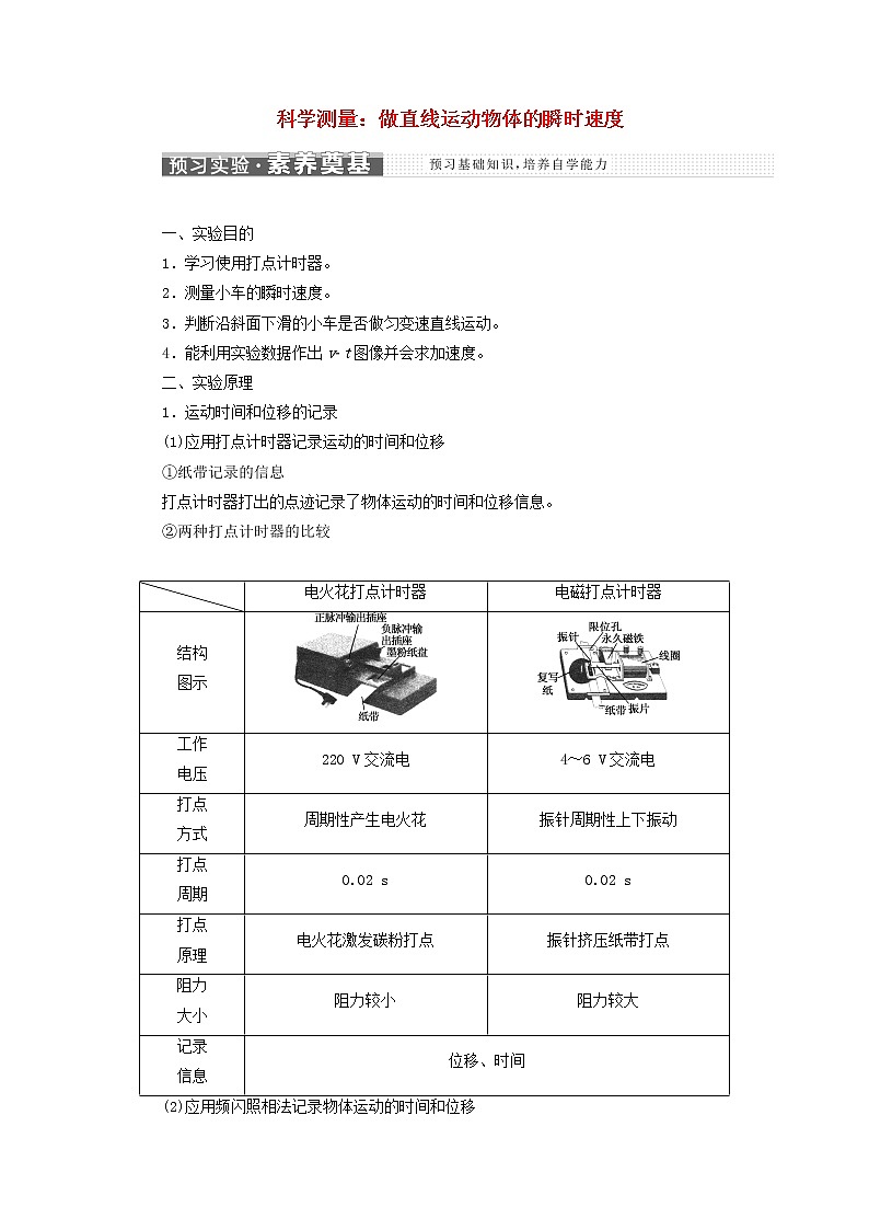
②两种打点计时器的比较
| 电火花打点计时器 | 电磁打点计时器 |
结构 图示 | ||
工作 电压 | 220 V交流电 | 4~6 V交流电 |
打点 方式 | 周期性产生电火花 | 振针周期性上下振动 |
打点 周期 | 0.02 s | 0.02 s |
打点 原理 | 电火花激发碳粉打点 | 振针挤压纸带打点 |
阻力 大小 | 阻力较小 | 阻力较大 |
记录 信息 | 位移、时间 | |
(2)应用频闪照相法记录物体运动的时间和位移
①频闪灯每隔相等的时间曝光一次,当物体运动时利用照相机可以拍下物体每隔相等的时间到达的位置。频闪照相法与打点计时器使用的效果一样,都是既记录了物体的位移又记录了运动的时间,只不过打点计时器用点表示了物体的位置,频闪照相法得到的是物体像的位置。
②频闪照相法与打点计时器法的比较
频闪照相法与打点计时器法相比,频闪灯的闪光频率相当于打点计时器交变电源的频率;频闪照片上相同的时间间隔的影像则与打点计时器在纸带上打出的点相当。频闪照片既记录了物体运动的时间信息,又记录了物体运动的位移信息。通过对照片的研究,就可以分析物体运动的速度变化规律。
2.瞬时速度的计算
小车下滑过程中打点计时器打出的纸带如图所示,在纸带上,选取便于测量的某点作为计时的起点,记为0,依次向后每5个点选取一个计数点,分别记为1,2,3,…,用刻度尺量出相邻计数点间的长度,分别记为s1,s2,s3,…。
(1)若打点计时器的工作周期为0.02 s,那么相邻计数点间隔的时间T=5×0.02 s=0.1 s。
(2)在间隔时间很短的情况下,平均速度可近似视为瞬时速度。各计数点对应的瞬时速度可近似用平均速度来代替,即v1=,v2=,…,vn=。
3.判断物体是否做匀变速直线运动的方法
(1)利用vt图像判断物体是否做匀变速直线运动。
(2)利用Δs=s2-s1=s3-s2=…=sn-sn-1=aT2判断物体是否做匀变速直线运动。
4.加速度的计算
(1)应用vt图像的斜率求加速度。
(2)逐差法求加速度。
以如图所示的纸带为例:
根据s4-s1=(s4-s3)+(s3-s2)+(s2-s1)=3a1T2。同理有s5-s2=3a2T2,s6-s3=3a3T2,求出a1=,a2=,a3=,再算出a1,a2,a3的平均值,即所求加速度a===。
三、实验器材
电磁打点计时器(或电火花打点计时器)、纸带、低压交流电源(或220 V交流电源)、小车、U形夹、长木板(或轨道)、毫米刻度尺。
四、实验步骤
1.将打点计时器固定在长木板的一端,并用垫片垫高此端,使木板倾斜。
2.将长60 cm左右的纸带一端穿过打点计时器,另一端固定于小车,尽量让小车靠近打点计时器。
3.闭合电路开关,稍后释放小车,待小车滑到斜面底端时止住小车,关闭开关,取下纸带,检查点迹。
4.选择一条点迹最清晰的纸带,舍掉开头一些过于密集的点,找一适当的点记为点0。在该点后面,依次标出间隔时间相等的计数点1,2,3,4,5,…。
5.根据打点计时器的周期,计算各计数点到0点对应的时间t,测量各计数点与下一相邻计数点间的距离s,并将数据填入设计好的表格中。
五、数据分析
1.表格法
计数点 | 0 | 1 | 2 | 3 | 4 | 5 | 6 |
时间t/s |
|
|
|
|
|
|
|
s/m |
|
|
|
|
|
|
|
v/(m·s-1) |
|
|
|
|
|
|
|
(1)利用vn=,求得计数点1,2,3,4,…的瞬时速度,填入上面的表格中。
(2)根据表格的数据,分析小车速度随时间怎样变化。
2.图像法
(1)在坐标纸上建立直角坐标系,横轴表示时间,纵轴表示速度,并根据表格中的数据在坐标系中描点。
(2)画一条直线,让这条直线通过尽可能多的点,不在线上的点均匀分布在直线的两侧,偏差比较大的点忽略,如图所示。
(3)观察所得到的直线,分析小车的速度随时间变化的规律。
六、误差分析
误差 | 产生原因 | 减小方法 |
偶然误差 | ①纸带上计数点间距离的测量不准确 ②作出的vt图像并非一条直线 | ①多次测量求平均值 ②大多数点在图线上,不在图线上的点尽可能均匀分布在图线两侧 |
系统 误差 | ①小车、纸带运动过程中有摩擦 ②电源的不稳定性 | ①使用电火花打点计时器 ②使用稳压电源 |
七、注意事项
1.实验中长木板不宜垫得过高,以免加速度过大而使纸带上的点太少;也不宜垫得过低,以免加速度太小而使各段位移差别不大。
2.开始释放小车时,应使小车靠近打点计时器。
3.先接通电源,等打点稳定后,再释放小车。
4.取下纸带前,先断开电源。
5.选取一条点迹清晰的纸带,适当舍弃点迹密集的部分,选取适当的计数点(注意计数点与计时点的区别),弄清楚所选的时间间隔T的数值。
6.在坐标纸上画vt图像时,注意坐标轴单位长度的选取,应使图像尽量占满坐标纸。
实验原理与操作 |
[例题1] (1)在做用打点计时器测速度的实验时,要用到打点计时器,打点计时器是一种计时仪器,其电源频率为50 Hz,常用的“电磁打点计时器”使用的电压是________ V的________(填“直流电”或“交流电”),它每隔________ s打一个点。
(2)接通打点计时器电源和让纸带开始运动,这两个操作之间的时间顺序关系是________。
A.先接通电源,再让纸带运动
B.先让纸带运动,再接通电源
C.让纸带运动的同时接通电源
D.先让纸带运动或先接通电源都可以
(3)用打点计时器测定物体的速度,当电源频率低于50 Hz时,如果仍按50 Hz的时间间隔打一个点计算,则测出的速度数值将比物体的真实数值________。
[解析] (1)电磁打点计时器的工作电压是6 V以下的交流电,一般是4~6 V。打点周期为交流电的频率的倒数,当电源的频率是50 Hz时,打点周期是0.02 s。
(2)使用打点计时器时,应先接通电源让打点计时器工作,再让纸带运动,使打点计时器在上面打出点迹,故A项正确。
(3)当交流电的频率低于50 Hz时,打点计时器打一次点的时间间隔T将大于0.02 s,利用公式v=计算时,T取0.02 s时Δt比真实值偏小,因此测出的速度将比真实值偏大。
[答案] (1)4~6 交流电 0.02 (2)A (3)偏大
数据处理与分析 |
[例题2] 在“探究小车速度随时间变化的规律”的实验中,如图(甲)所示为一次记录小车运动情况的纸带,图中A、B、C、D、E为相邻的计数点(A点为第一个点),相邻计数点间的时间间隔T=0.1 s。
(1)根据_____________________________________________________________________
________________________计算各点的瞬时速度,则vD=________m/s,vC=________m/s,vB=________m/s。
(2)在如图(乙)所示坐标系中画出小车的vt图线,并根据图线求出a=________。
(3)将图线延长与纵轴相交,交点的物理意义是_______________________________
________________________________________________________________________。
[解析] (1)若时间较短,那么这段时间内的平均速度可以代替中间时刻的瞬时速度。
D点的瞬时速度
vD===3.90 m/s
C点的瞬时速度
vC===2.64 m/s
B点的瞬时速度
vB===1.38 m/s。
(2)由上述数据描点,画出小车的vt图线如图所示,
由图线的斜率可求得它的加速度大小
a===12.6 m/s2。
(3)将图线延长后,与纵轴的交点表示零时刻小车经过A点的速度大小。
[答案] (1)某段较短时间内的平均速度等于中间时刻的瞬时速度 3.90 2.64 1.38
(2)图线见解析 12.6 m/s2
(3)表示小车经过A点的速度大小
实验拓展与创新 |
[例题3] 在做“测量直线运动物体的瞬时速度”的实验中,打点计时器接在50 Hz的低压交变电源上,某同学在打出的纸带上每5点取一个计数点,共取了A、B、C、D、E、F六个计数点(每相邻两个计数点间的四个点未画出),如图甲所示。从每一个计数点处将纸带剪开分成五段(分别为a、b、c、d、e段),将这五段纸带由短到长紧靠但不重叠地粘在xOy坐标系中,如图乙所示,由此可以得到一条表示vt关系的图线,从而求出加速度的大小。
(1)请你在xOy坐标系中用最简洁的方法作出能表示vt关系的图线(作答在图上),其________(填“x”或“y”)轴相当于v轴。
(2)从第一个计数点开始计时,为求出0.15 s时刻的瞬时速度,需要测出________段纸带的长度。
(3)若测得a段纸带的长度为2.0 cm,e段纸带的长度为10.0 cm,则可求出加速度的大小为________m/s2。
[解析] (1)分别取a、b、c、d、e五段的上方中点,并连线,得到的即为vt图线,如图所示,y轴相当于v轴。
(2)t=0.15 s是BC时间段的中间时刻,要求t=0.15 s时的瞬时速度,只需要测b段纸带的长度sb,然后用=即可求出t=0.15 s时的速度。
(3)a、e段各自中间时刻的速度分别为va=,ve=,根据a=,得a=2 m/s2。
[答案] (1)图见解析 y (2)b (3)2
1.用打点计时器可测纸带运动的时间和位移。下面是没有按操作顺序写的不完整的实验步骤,按照你对实验的理解,在各步骤空白处填上适当的内容,然后按实际操作的合理顺序,将各步骤的字母代号按顺序写在空白处。
A.在电磁打点计时器的两接线柱上分别接上导线,导线的另一端分别接在低压__________(填“交流”或“直流”)电源的两个接线柱上。
B.把电磁打点计时器固定在桌子上,让纸带穿过__________,并压在__________下面。
C.用刻度尺测量从计时开始点到最后一个点间的距离Δs。
D.切断电源,取下纸带,如果共有n个清晰的点,则这段纸带记录的时间Δt=__________。
E.打开电源开关,再用手水平地拉动纸带,纸带上打下一系列小点。
F.利用公式v=计算纸带运动的平均速度。
实验步骤的合理顺序是____________。
解析:A项中电磁打点计时器应使用低压交流电源;B项中应将纸带穿过电磁打点计时器的限位孔,并压在复写纸的下方;D项中纸带上记录的时间Δt=(n-1)×0.02 s。合理的实验步骤为BAEDCF。
答案:交流 限位孔 复写纸 (n-1)×0.02 s BAEDCF
2.一小球在桌面上从静止开始做加速直线运动,现用高速摄影机在同一底片上多次曝光,记录下小球每次曝光的位置,并将小球的位置编号。如图甲所示,1位置恰为小球刚开始运动的瞬间,作为零时刻。摄影机连续两次曝光的时间间隔均相同,小球从1位置到6位置的运动过程中经过各位置的速度分别为v1=0,v2=0.06 m/s,v3=________m/s,v4=0.18 m/s,v5=________m/s。在图乙所示的坐标纸上作出小球的速度—时间图像(保留描点痕迹)。
解析:如题图所示,s1+s2=0.06 m,而v2==0.06 m/s,故T=0.5 s,
则v3== m/s=0.12 m/s;
v5== m/s=0.24 m/s。
其vt图像如图所示。
答案:0.12 0.24 图见解析
3.为了测定气垫导轨上滑块的加速度大小,在滑块上安装了宽度为L=3.0 cm的遮光板,如图所示,滑块在牵引力作用下先后匀加速通过两个光电门,配套的设备记录了遮光板通过光电门1的时间Δt1=0.30 s,通过光电门2的时间Δt2=0.10 s,遮光板从开始遮住光电门1到开始遮住光电门2的时间间隔为Δt=3.0 s,则滑块的加速度为多大?(计算结果保留两位有效数字)
解析:遮光板通过光电门1的速度v1== m/s=0.10 m/s,遮光板通过光电门2的速度v2== m/s=0.30 m/s,故滑块的加速度大小a== m/s2=0.067 m/s2。
答案:0.067 m/s2
4.某小组利用打点计时器对物块沿倾斜的长木板加速下滑时的运动进行探究。物块拖动纸带下滑,打出的纸带一部分如图所示。已知打点计时器所用交流电的频率为50 Hz,纸带上标出的每两个相邻点之间还有4个打出的点未画出。在A、B、C、D、E五个点中,打点计时器最先打出的是________点。在打出C点时物块的速度大小为________m/s(保留3位有效数字);物块下滑的加速度大小为________m/s2(保留2位有效数字)。
解析:物块加速下滑,因此打点间距逐渐增大,故先打A点。C点的速度vC== m/s≈0.233 m/s,由题图知sAB=1.20 cm,sBC=sAC-sAB=1.95 cm,sCD=sAD-sAC=2.70 cm,sDE=sAE-sAD=3.45 cm得Δs=sBC-sAB=sCD-sBC=sDE-sCD=aT2,解得物块下滑的加速度a=0.75 m/s2。
答案:A 0.233 0.75
5.在做“探究小车瞬时速度”的实验中。
(1)下列仪器需要用到的有________。
(2)某同学进行了以下实验操作步骤,其中有误的步骤是________。
A.将电火花打点计时器固定在长铝板的一端,并接在220 V交流电源上
B.将纸带固定在小车尾部,并穿过打点计时器的限位孔
C.把一条细绳拴在小车上,细绳跨过定滑轮,下面吊着适当重的槽码
D.将小车移到靠近打点计时器的一端后,放开小车,再接通电源
(3)在实验中得到一条如图所示的纸带,已知电源频率为50 Hz,相邻计数点间的时间间隔为0.1 s,测量出s5=4.44 cm,s6=4.78 cm,则打下“F”点时小车的瞬时速度v=_______m/s。(结果保留两位有效数字)
(4)若实验时电源频率大于50 Hz,则打下“F”点时小车的实际速度________(选填“大于”“小于”或“等于”)测量速度。
解析:(1)在做“探究小车速度随时间变化”的实验中,依据实验原理,通过打点计时器在纸带上打点,借助刻度尺来测量长度,从而研究小车的速度与时间的关系,故选项A、B正确,选项C、D错误。
(2)将电火花打点计时器固定在长铝板的一端,并接在220 V交流电源上,A正确;将纸带固定在小车尾部,并穿过打点计时器的限位孔,B正确;把一条细绳拴在小车上,细绳跨过定滑轮,下面吊着适当重的槽码,C正确;将小车移到靠近打点计时器的一端后,应先接通电源,后放开小车,D错误。
(3)根据匀变速直线运动中某段时间内中间时刻的瞬时速度等于该过程中的平均速度,可以求出打下纸带上“F”点时小车的瞬时速度大小为v===0.46 m/s。
(4)若实验时电源频率大于50 Hz,则相邻计数点间的时间间隔T<0.1 s,由F点的瞬时速度表达式v=可知,其实际速度大于测量速度。
答案:(1)AB (2)D (3)0.46 (4)大于
高中物理实验报告集锦01科学测量:做直线运动物体的瞬时速度-高中物理实验报告集锦学案: 这是一份高中物理实验报告集锦01科学测量:做直线运动物体的瞬时速度-高中物理实验报告集锦学案,文件包含高中物理实验报告集锦01科学测量做直线运动物体的瞬时速度-高中物理实验报告集锦原卷版docx、01科学测量做直线运动物体的瞬时速度-高中物理实验报告集锦解析版docx等2份学案配套教学资源,其中学案共10页, 欢迎下载使用。
物理必修 第一册第3节 实验中的误差和有效数字导学案: 这是一份物理必修 第一册第3节 实验中的误差和有效数字导学案,共14页。学案主要包含了实验原理与方法等内容,欢迎下载使用。
鲁科版 (2019)必修 第一册第2节 位移变化规律学案: 这是一份鲁科版 (2019)必修 第一册第2节 位移变化规律学案,共10页。

