


高中地理人教版 (2019)必修 第一册第二节 地貌的观察课后作业题
展开2 实验:探究加速度与力、质量的关系 导学案
[学习目标]
1.学会用控制变量法探究物理规律.
2.会测量加速度、力和质量,能作出物体运动的a-F、a-图像.3.能通过实验数据及图像得出加速度与力、质量的关系.
3.培养学生动手操作能力.
重点
1.控制变量法的使用.
2.如何提出实验方案并使实验方案合理可行.
3.实验数据的分析与处理.
难点
1.如何提出实验方案并使实验方案合理可行.
2.实验数据的分析与处理.
新课内容
一、实验思路——控制变量法
1.探究加速度与力的关系
保持小车质量不变,通过改变槽码的个数改变小车所受的拉力,测得不同拉力下小车运动的加速度,分析加速度与拉力的定量关系.
2.探究加速度与质量的关系
保持小车所受的拉力不变,通过在小车上增加重物改变小车的质量,测得不同质量的小车对应的加速度,分析加速度与质量的定量关系.
二、设计实验方案
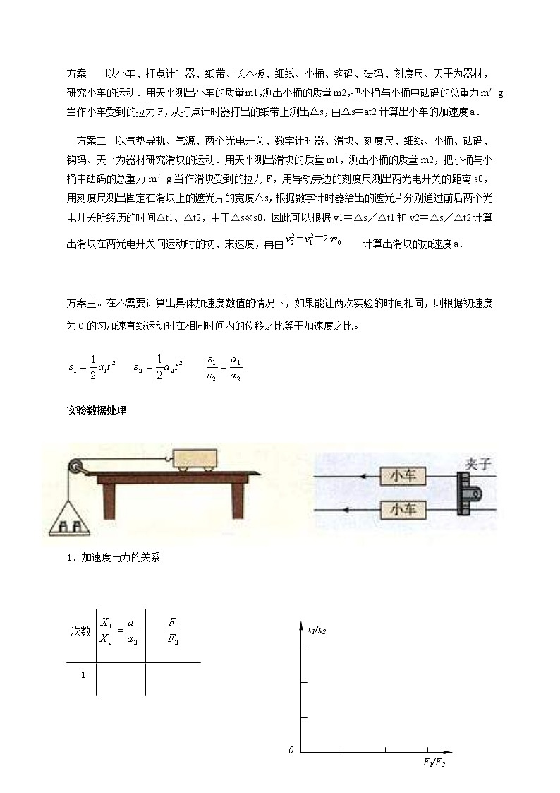
方案一 以小车、打点计时器、纸带、长木板、细线、小桶、钩码、砝码、刻度尺、天平为器材,研究小车的运动.用天平测出小车的质量m1,测出小桶的质量m2,把小桶与小桶中砝码的总重力m′g当作小车受到的拉力F,从打点计时器打出的纸带上测出△s,由△s=at2计算出小车的加速度a.
方案二 以气垫导轨、气源、两个光电开关、数字计时器、滑块、刻度尺、细线、小桶、砝码、钩码、天平为器材研究滑块的运动.用天平测出滑块的质量m1,测出小桶的质量m2,把小桶与小桶中砝码的总重力m′g当作滑块受到的拉力F,用导轨旁边的刻度尺测出两光电开关的距离s0,用刻度尺测出固定在滑块上的遮光片的宽度△s,根据数字计时器给出的遮光片分别通过前后两个光电开关所经历的时间△t1、△t2,由于△s≪s0,因此可以根据v1=△s/△t1和v2=△s/△t2计算出滑块在两光电开关间运动时的初、末速度,再由 计算出滑块的加速度a.
方案三。在不需要计算出具体加速度数值的情况下,如果能让两次实验的时间相同,则根据初速度为0的匀加速直线运动时在相同时间内的位移之比等于加速度之比。
实验数据处理
1、加速度与力的关系
次数 | ||
1 |
|
|
2 |
|
|
3 |
|
|
4 |
|
|
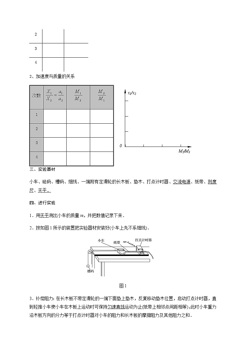
2、加速度与质量的关系
次数 | |||
1 |
|
|
|
2 |
|
|
|
3 |
|
|
|
4 |
|
|
|
三、实验器材
小车、砝码、槽码、细线、一端附有定滑轮的长木板、垫木、打点计时器、交流电源、纸带、刻度尺、天平.
四、进行实验
1.用天平测出小车的质量m,并把数值记录下来.
2.按如图1所示的装置把实验器材安装好(小车上先不系细线).
图1
3.补偿阻力:在长木板不带定滑轮的一端下面垫上垫木,反复移动垫木位置,启动打点计时器,直到轻推小车使小车在木板上运动时可保持匀速直线运动为止(纸带上相邻点间距相等),此时小车重力沿木板方向的分力等于打点计时器对小车的阻力和长木板的摩擦阻力及其他阻力之和.
4.把细线绕过定滑轮系在小车上,另一端挂上槽码.保持小车质量不变,改变槽码的个数,以改变小车所受的拉力.处理纸带,测出加速度,将结果填入表1中.
表1 小车质量一定
拉力F/N |
|
|
|
|
|
加速度a/(m·s-2) |
|
|
|
|
|
5.保持槽码个数不变,即保持小车所受的拉力不变,在小车上加放砝码,重复上面的实验,求出相应的加速度,把数据记录在表2中.
表2 小车所受的拉力一定
质量m/kg |
|
|
|
|
|
加速度a/(m·s-2) |
|
|
|
|
|
五、数据分析
1.分析加速度a与力F的定量关系
由表1中记录的数据,以加速度a为纵坐标,力F为横坐标,根据测量数据描点,然后作出a-F图像,如图2所示,若图像是一条过原点的倾斜直线,就能说明a与F成正比.
图2
2.分析加速度a与质量m的定量关系
由表2中记录的数据,以a为纵坐标,以为横坐标,根据测量数据描点,然后作出a-图像,如图3所示.若a-图像是一条过原点的倾斜直线,说明a与成正比,即a与m成反比.
图3
3.实验结论
(1)保持物体质量不变时,物体的加速度a与所受拉力F成正比.
(2)保持拉力F不变时,物体的加速度a与质量m成反比.
六、注意事项
1.打点前小车应靠近打点计时器且应先启动打点计时器后放开小车.
2.在补偿阻力时,不要(选填“要”或“不要”)悬挂槽码,但小车应连着纸带且启动打点计时器.用手轻轻地给小车一个初速度,如果在纸带上打出的点的间隔均匀,表明小车受到的阻力跟它受到的重力沿木板向下的分力平衡.
3.改变槽码的质量的过程中,要始终保证槽码的质量远小于小车的质量.
4.作图时应使所作的直线通过尽可能多的点,不在直线上的点也要尽可能地均匀分布在直线的两侧,个别偏离较远的点应舍去.
例1.在研究作用力F一定时,小车的加速度a与小车(含砝码)质量M的关系的实验中,某同学安装的实验装置和设计的实验步骤如下:
图4
A.用天平称出小车和槽码的质量
B.按图4安装好实验器材
C.把细绳系在小车上并绕过定滑轮悬挂槽码
D.将电磁打点计时器接在6 V电压的蓄电池上,接通电源,释放小车,打点计时器在纸带上打下一系列点,并在纸带上标明小车质量
E.保持槽码的质量不变,增加小车上的砝码个数,并记录每次增加后的M值,重复上述实验
F.分析每条纸带,测量并计算出加速度的值
G.作a-M关系图像,并由图像确定a与M的关系
(1)请改正实验装置图中的错误.
①电磁打点计时器位置__________________________________________________________;
②小车位置____________________________________________________________________;
③滑轮位置___________________________________________________________________.
(2)该同学漏掉的重要实验步骤是________,该步骤应排在步骤________之后.
(3)在上述步骤中,有错误的是步骤________,应把________________改为____________.
(4)在上述步骤中,处理不恰当的是步骤________,应把____________改为____________.
答案 (1)①应靠右端 ②应靠近打点计时器 ③应使细绳平行于木板 (2)补偿阻力 B (3)D 6 V电压的蓄电池 8 V的交流电源 (4)G 作a-M关系图像 作a-关系图像
解析 (1)①电磁打点计时器应固定在长木板无滑轮的一端,且应靠近右端;②释放小车时,小车应靠近打点计时器;③连接小车的细绳应平行于木板,故应调节滑轮位置使细绳平行于木板.
(2)实验时应补偿阻力,使小车所受重力沿木板方向的分力与小车所受阻力平衡,故应垫高长木板右端以补偿阻力.实验中把槽码的重力看成与小车所受拉力大小相等,没有考虑阻力,故必须补偿阻力且应排在步骤B之后.
(3)步骤D中电磁打点计时器接在6 V电压的蓄电池上将无法工作,必须接在8 V的交流电源上.
(4)步骤G中作a-M关系图像,得到的是曲线,很难进行正确的判断,必须“化曲为直”,改作a-关系图像.
地理必修 第一册第二节 地貌的观察精品测试题: 这是一份地理必修 第一册第二节 地貌的观察精品测试题,文件包含同步讲义高中地理人教版2019必修第一册--42《地貌的观察》讲义原卷版docx、同步讲义高中地理人教版2019必修第一册--42《地貌的观察》讲义解析版docx等2份试卷配套教学资源,其中试卷共31页, 欢迎下载使用。
高中地理人教版 (2019)必修 第一册第二节 地貌的观察精品课后练习题: 这是一份高中地理人教版 (2019)必修 第一册第二节 地貌的观察精品课后练习题,共3页。
地理必修 第一册第二节 地貌的观察课后复习题: 这是一份地理必修 第一册第二节 地貌的观察课后复习题,共13页。试卷主要包含了5%-3%,6℃,2°CB.8等内容,欢迎下载使用。