粤教版 (2019)选择性必修 第二册第一节 电磁振动导学案
展开[学习目标] 1.知道什么是振荡电流和振荡电路.2.知道LC振荡电路中振荡电流的产生过程,知道电磁振荡过程中的能量转化情况.3.知道LC电路的周期和频率公式,并会进行相关的计算.
一、振荡电流的产生
1.振荡电流:大小和方向都做周期性变化的电流.
2.振荡电路:能产生振荡电流的电路.
LC振荡电路:由线圈和电容器组成的电路,是最简单的振荡电路.
二、电磁振荡中能量的转化
1.LC振荡电路电容器的放电、充电过程
(1)电容器放电:由于线圈的自感作用,放电电流不能立刻达到最大值,而是由零逐渐增大.放电完毕时,电容器极板上没有电荷,放电电流达到最大值.
这个过程中能量由电场能逐渐转化为磁场能,放电完毕瞬间,电场能全部转化为磁场能.
(2)电容器充电:电容器放电完毕时,由于线圈的自感作用,电流不会立即减小为零,而是保持原来的方向继续流动,并逐渐减小,电容器反向充电,电流减小到零时,充电结束,极板上的电量达到最大值.该过程能量由磁场能逐渐转化为电场能,反向充电完毕瞬间,磁场能全部转化为电场能.
2.电磁振荡的实质
在电磁振荡过程中,回路中的电流i、电容器极板上的电荷量q、电容器里的电场强度E、线圈里的磁感应强度B,都在周期性变化,电场能和磁场能相互转化.
二、电磁振荡的周期和频率
1.电磁振荡的周期T:电磁振荡完成一次周期性变化所用的时间.
2.电磁振荡的频率f:电磁振荡在一段时间内做周期性变化的次数与所用时间之比.
3.LC振荡电路的周期和频率公式:T=2πeq \r(LC),f=eq \f(1,2π\r(LC)).
其中:周期T、频率f、自感系数L、电容C的单位分别是秒(s)、赫兹(Hz)、亨利(H)、法拉(F).
判断下列说法的正误.
(1)LC振荡电路的电容器放电完毕时,回路中磁场能最小,电场能最大.( × )
(2)LC振荡电路的电容器极板上电荷量最多时,电场能最大.( √ )
(3)LC振荡电路中电流增大时,电容器上的电荷一定减少.( √ )
(4)LC振荡电路的电流为零时,线圈中的自感电动势最大.( √ )
(5)LC振荡电路中,电容器的某一极板,从带最多的正电荷放电到这一极板带最多的负电荷为止,这一段时间为一个周期.( × )
一、振荡电流的产生及电磁振荡中能量的转化
导学探究 如图1所示,将开关S掷向1,先给电容器充电,再将开关掷向2,
图1
(1)电容器通过线圈放电过程中,线圈中的电流怎样变化?电容器的电场能转化为什么形式的能?
(2)在电容器反向充电过程中,线圈中的电流如何变化?电容器和线圈中的能量是如何转化的?
(3)线圈中自感电动势的作用是什么?
答案 (1)电容器放电过程中,线圈中的电流逐渐增大,电容器的电场能转化为磁场能.
(2)在电容器反向充电过程中,线圈中的电流逐渐减小,线圈中的磁场能转化为电容器的电场能.
(3)线圈中电流变化时,产生的自感电动势阻碍电流的变化.
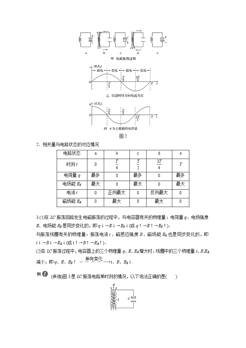
知识深化
1.各物理量随时间的变化图像:振荡过程中电流i、极板上的电荷量q、电场能EE和磁场能EB之间的对应关系.(如图2)
图2
2.相关量与电路状态的对应情况
3.(1)在LC振荡回路发生电磁振荡的过程中,与电容器有关的物理量:电荷量q、电场强度E、电场能EE是同步变化的,即q↓→E↓→EE↓(或q↑→E↑→EE↑).
与振荡线圈有关的物理量:振荡电流i、磁感应强度B、磁场能EB也是同步变化的,即i↓→B↓→EB↓(或i↑→B↑→EB↑).
(2)在LC振荡过程中,电容器上的三个物理量q、E、EE增大时,线圈中的三个物理量i、B、EB减小,即q、E、EE↑eq \(―――――→,\s\up7(异向变化))i、B、EB↓.
(多选)图3是LC振荡电路某时刻的情况,以下说法正确的是( )
图3
A.电容器正在充电
B.电感线圈中的磁场能正在增加
C.电感线圈中的电流正在增大
D.此时刻自感电动势正在阻碍电流增大
答案 BCD
解析 由题图中磁感应强度的方向和安培定则可知,此时电流向着电容器带负电的极板流动,也就是电容器处于放电过程中,这时两极板上的电荷量和电压、电场能正在减少,而电流和线圈中的磁场能正在增加,由楞次定律可知,线圈中的自感电动势正在阻碍电流的增大,故选B、C、D.
1.判断电容器是充电还是放电,一般依据电流的方向,电流由正极板流出为放电,向正极板流入为充电.
2.判断电场能和磁场能的转化要依据电流的增减或极板上电荷量的增减.
3.自感电动势的作用是阻碍电流的增大还是阻碍电流的减小,可依据“放电电流不断增大,充电电流不断减小”来判断.
在如图4甲所示的振荡电路中,电容器极板间电压随时间变化的规律如图乙所示,规定电路中振荡电流逆时针方向为正方向,则电路中振荡电流随时间变化的图像是( )
图4
答案 D
解析 电容器极板间电压U=eq \f(Q,C),随电容器极板上电荷量的增大而增大,随电荷量的减小而减小.从题图乙可以看出,在0~eq \f(T,4)这段时间内是充电过程,且UAB>0,即φA>φB,A板应带正电,只有顺时针方向的电流才能使A板被充电后带正电,同时考虑到t=0时刻电压为零,电容器极板上的电荷量为零,电流最大,即t=0时刻,电流为负向最大,D正确.
针对训练 如图5甲所示,在LC振荡电路中,其电流变化规律如图乙所示,规定顺时针方向为电流i的正方向,则( )
图5
A.0至0.5 s时间内,电容器C在放电
B.0.5 s至1 s时间内,电场能正在减小
C.1 s至1.5 s时间内,磁场能正在减小
D.1.5 s至2 s时间内,P点的电势比Q点的电势低
答案 A
解析 0至0.5 s时间内,电路中电流顺时针变大,则电容器C在放电,选项A正确;0.5 s至1 s时间内,电路中电流顺时针减小,则电容器正在充电,电场能正在增加,选项B错误;1 s至1.5 s时间内,电路中电流逆时针增加,则磁场能正在增加,选项C错误;1.5 s至2 s时间内,电路中电流逆时针减小,电容器正在充电,此时电容器上极板带正电,即P点的电势比Q点的电势高,选项D错误.
二、电磁振荡的周期和频率
导学探究 如图6所示的电路,(1)如果仅更换电感L更大的线圈,将开关S掷向1,先给电容器充电,再将开关掷向2,电容器通过线圈放电,线圈因自感现象产生的自感电动势是否更大?“阻碍”作用是否也更大?由于延缓了振荡电流的变化,振荡周期T会怎样变化?
图6
(2)如果仅更换电容C更大的电容器,将开关S掷向1,先给电容器充电,电容器的带电荷量是否增大?再将开关掷向2,电容器通过线圈放电,放电时间是否相应地变长?振荡周期T是否变长?
答案 (1)自感电动势更大,“阻碍”作用更大,周期变长.
(2)带电荷量增大,放电时间变长,周期变长.
知识深化
1.LC电路的周期和频率公式:T=2πeq \r(LC),f=eq \f(1,2π\r(LC)).
2.说明:(1)LC电路的周期、频率都由电路本身的特性(L和C的值)决定,与电容器极板上电荷量的多少、板间电压的高低、是否接入电路中等因素无关,所以称为LC电路的固有周期和固有频率.
(2)电路中的电流i、线圈中的磁感应强度B、电容器极板间的电场强度E的变化周期就是LC电路的振荡周期T=2πeq \r(LC),在一个周期内上述各量方向改变两次;电容器极板上所带的电荷量,其变化周期也是振荡周期T=2πeq \r(LC);而电场能、磁场能的变化周期是振荡周期的一半,即T′=eq \f(T,2)=πeq \r(LC).
要想增大LC振荡电路中产生的振荡电流的频率,可采用的方法是( )
A.增大电容器两极板的间距 B.升高电容器的充电电压
C.增加线圈的匝数 D.在线圈中插入铁芯
答案 A
解析 LC振荡电路中产生的振荡电流的频率f=eq \f(1,2π\r(LC)),要想增大频率,应该减小电容C或减小线圈的自感系数L,再根据C=eq \f(εrS,4πkd),增大电容器两极板的间距,电容减小,所以A正确;升高电容器的充电电压,电容不变,B错误;增加线圈的匝数、在线圈中插入铁芯,自感系数均增大,故C、D错误.
1.(电磁振荡的过程分析)如图7甲所示的LC振荡电路中,t=0时的电流方向如图中箭头所示,电容器上的电荷量随时间的变化规律如图乙所示,则( )
图7
A.0至0.5 s时间内,电容器在放电
B.0.5 s至1.0 s时间内,电容器的下极板的正电荷在减少
C.1.0 s至1.5 s时间内,Q点比P点电势高
D.1.5 s至2.0 s时间内,磁场能正在转变成电场能
答案 B
解析 0至0.5 s时间内,电容器带电荷量增加,则电容器在充电,下极板带正电,选项A错误;0.5 s至1.0 s时间内,电容器放电,则下极板的正电荷在减少,选项B正确;1.0 s至1.5 s时间内,电容器反向充电,上极板带正电,电流方向与图示方向相反,则此时Q点比P点电势低,选项C错误;1.5 s至2.0 s时间内,电容器反向放电,则电场能正在转变成磁场能,选项D错误.
2.(电磁振荡的过程分析)在LC振荡电路中,某时刻电容器C中的电场方向和线圈L中的磁场方向如图8所示,则此时( )
图8
A.电容器正在放电
B.电容器两端电压正在增大
C.电场能正在转化为磁场能
D.回路中的电流正在变大
答案 B
解析 根据右手螺旋定则可得,电路中的电流方向沿逆时针方向,电容器上板带正电,可知电容器正在充电,两端电压正在增大,磁场能正在转化为电场能,回路中的电流正在减小,故选B.
3.(电磁振荡的周期)(多选)一个LC振荡电路中,线圈的自感系数为L,电容器电容为C,从电容器上电压达到最大值Um开始计时,则有( )
A.至少经过πeq \r(LC),磁场能达到最大
B.至少经过eq \f(π,2)eq \r(LC),磁场能达到最大
C.在eq \f(π,2)eq \r(LC)时间内,电路中的平均电流是eq \f(2Um,π)eq \r(\f(C,L))
D.在eq \f(π,2)eq \r(LC)时间内,电容器放电电荷量为CUm
答案 BCD
解析 LC振荡电路周期T=2πeq \r(LC),电容器电压最大时,开始放电,经eq \f(1,2)πeq \r(LC)时间,放电结束,此时电容器电荷量为零,电路中电流最大,磁场最强,磁场能最大,故A错误,B正确.电压最大时,电容器上的电荷量为Q=CUm,所以在eq \f(π,2)eq \r(LC)时间内,电容器放电电荷量Q=CUm,由eq \x\t(I)=eq \f(Q,t)=eq \f(CUm,\f(1,2)π\r(LC))得eq \x\t(I)=eq \f(2Um,π)eq \r(\f(C,L)),故C、D正确.
4.(电磁振荡的周期)如图9所示为振荡电路在某一时刻的电容器带电情况和电感线圈中的磁感线方向情况.由图可知,电感线圈中的电流正在________(填“增大”“减小”或“不变”).如果电流的振荡周期为T=10-4 s,电容C=250 μF,则线圈的电感L=________ H.
图9
答案 减小 10-6
解析 根据磁感线方向,应用安培定则可判断出电流方向,从而可知电容器在充电,电流正在减小.
根据振荡电流的周期公式T=2πeq \r(LC),
得L=eq \f(T2,4π2C)≈10-6 H.
考点一 电磁振荡的产生及能量变化
1.(多选)在LC振荡电路中,若某个时刻电容器极板上的电荷量正在减少,则( )
A.电路中的电流正在增大
B.电路中的电场能正在增加
C.电路中的电流正在减小
D.电路中的电场能正在向磁场能转化
答案 AD
解析 电荷量减少,则电容器放电,电场能减少,磁场能增大,电流也在增大,故选A、D.
2.(多选)关于LC振荡电路中电容器两极板上的电荷量,下列说法正确的是( )
A.电荷量最大时,线圈中振荡电流最大
B.电荷量为零时,线圈中振荡电流最大
C.电荷量增大的过程中,电路中的磁场能转化为电场能
D.电荷量减少的过程中,电路中的磁场能转化为电场能
答案 BC
解析 电容器电荷量最大时,振荡电流为零,A错;电荷量为零时,放电结束,线圈中振荡电流最大,B对;电荷量增大时,磁场能转化为电场能,C对;同理可判断D错.
3.如图1所示,LC振荡电路的导线及自感线圈的电阻不计,在图示状态回路中电流方向如箭头所示,且此时电容器C的极板A带正电荷,则该状态( )
图1
A.电流i正在增大
B.电容器带电荷量正在增加
C.电容器两极板间电压正在减小
D.线圈中电流产生的磁场的磁感应强度正在增大
答案 B
解析 根据图示电路知,该LC振荡电路正在充电,电流在减小,磁场能转化为电场能,A错误.电路充电,电容器的带电荷量在增大,根据U=eq \f(Q,C)得出,电压在增大,B正确,C错误.充电的过程,磁场能转化为电场能,电流在减小,所以线圈中电流产生的磁场的磁感应强度正在减小,D错误.
4.(多选)LC回路中电容器两端的电压u随时间t变化的关系如图2所示,则( )
图2
A.在t1时刻,电路中的电流最大
B.在t2时刻,电路的磁场能最大
C.从t2至t3时刻,电路的电场能不断增大
D.从t3至t4时刻,电容器的带电荷量不断增多
答案 BC
解析 在t1时刻电路中电容器两端的电压最大,故两极板之间的电场最强,电场能最大,可知此时磁场能最小,故在t1时刻电路中的电流为0,故A错误;在t2时刻电路中电容器两端的电压为0,两极板之间的电场强度为0,故电场能为0,可知此时磁场能最大,故B正确.从t2至t3时刻电容器两端的电压逐渐增大,故两极板之间的电场逐渐增强,则电路的电场能不断增大,故C正确;从t3至t4时刻,电容器两端的电压逐渐减小,根据Q=CU可知电容器的带电荷量不断减小,故D错误.
5.(多选)如图3所示为LC回路中电流i随时间t变化的图像,可知( )
图3
A.在t1时刻,电路中的电场能最大
B.从t1到t2,电容器极板上的电荷逐渐减少
C.从t2到t3,电容器放电
D.在t2时刻,线圈中的磁场能最小
答案 CD
解析 在t1时刻,电路中的电流最大,说明放电结束,此时电路中的电场能为0,磁场能最大,故A错误;从t1到t2,电路中的电流减小,说明电容器正在充电,极板上的带电荷量不断增加,故B错误;从t2到t3,电路中的电流增大,说明电容器正在放电,故C正确;在t2时刻电路中电流为0,说明充电结束,则磁场能最小,故D正确.
考点二 电磁振荡的周期和频率
6.如图4所示的LC振荡电路中,已知某时刻电流i的方向指向A板,则( )
图4
A.若i正在减小,线圈两端电压在增大
B.若i正在增大,此时A板带正电
C.若仅增大线圈的自感系数,振荡频率增大
D.若仅增大电容器的电容,振荡频率增大
答案 A
解析 若i正在减小,说明磁场能转化为电场能,则线圈两端电压在增大,故A正确;线圈中的电流从下到上,此时电流正在增大,表明电容器正在放电,所以B板带正电,A板带负电,故B错误;LC振荡电路的周期公式为T=2πeq \r(LC),若仅增大线圈的自感系数,周期增大,振荡频率减小,若仅增大电容器的电容,周期增大,振荡频率减小,故C、D错误.
7.(多选)电子钟是利用LC振荡电路来工作计时的,现发现电子钟每天要慢30 s,造成这一现象的原因可能是( )
A.电池用久了
B.振荡电路中电容器的电容大了
C.振荡电路中线圈的电感大了
D.振荡电路中电容器的电容小了
答案 BC
解析 电子钟变慢,说明LC电路的振荡周期变大,根据公式T=2πeq \r(LC)可知,振荡电路中电容器的电容变大或线圈的电感变大都会导致振荡电路的周期变大,故选B、C.
8.(多选)要增大如图5所示振荡电路的频率,下列说法正确的是( )
图5
A.减少电容器所带电荷量
B.将开关S从“1”位置拨到“2”位置
C.在线圈中插入铁芯
D.将电容器的动片旋出些
答案 BD
解析 根据公式f=eq \f(1,2π\r(LC))可知要增大f,必须减小L和C二者之积.C跟电容器所带电荷量无关,减小两极板的正对面积、增大两极板间的距离、从两极板间抽出电介质都可减小电容C,故选项A错误,D正确;线圈匝数越少或抽出铁芯,L越小,故选项B正确,C错误.
9.在如图6所示的电路中,L是电阻不计的电感器,C是电容器,闭合开关S,待电路达到稳定状态后,再断开开关S,LC电路中将产生电磁振荡,如果规定电感器L中的电流方向从a到b为正,断开开关的时刻为t=0,那么下列选项图中能正确表示电感器中的电流i随时间t变化规律的是( )
图6
答案 C
解析 S断开前,电流从b→a,电容器不带电;S断开时,L中产生自感电动势,阻碍电流减小,给电容器C充电,此时电流负向最大;给电容器充电过程,电容器电荷量最大时,电流减为零;此后,LC回路发生电磁振荡形成交变电流.综上所述,选项C正确.
10.如图7甲所示为LC电磁振荡电路,不计回路电阻及电磁辐射,从0时刻开始,电容器极板间电压Uab与时间t的图像如图乙所示,已知线圈的自感系数L=10-5 H,取π2=10,下列说法正确的是( )
图7
A.1×10-8~2×10-8 s,电路中的电场能转化为磁场能
B.电容器的电容为4×10-12 F
C.2×10-8 s时刻穿过线圈的磁通量最大
D.3×10-8 s时穿过线圈的磁通量变化率最大
答案 B
解析 由题图乙知1×10-8~2×10-8 s,电容器两极板间的电压增大,是充电过程,电路中的磁场能转化成电场能,故A错误;由T=2πeq \r(LC)可得,电容C=eq \f(T2,4π2L)=eq \f(4×10-82,4×π2×10-5) F=4×
10-12 F,故B正确;2×10-8 s时,电容器两极板间的电压最大,是充电刚结束的时刻,此时电流为零,穿过线圈的磁通量为零,故C错误;3×10-8 s时,电容器两极板间的电压为零,是放电刚结束的时刻,此时电流最大,穿过线圈的磁通量最大,磁通量的变化率最小,故D错误.
11.如图8所示,一LC振荡电路,线圈的自感系数L=0.25 H,电容器的电容C=4 μF,以电容器开始放电的时刻为零时刻,上极板带正电,下极板带负电,π取3.14,问:
图8
(1)此LC振荡电路的周期为多少?
(2)当t=2.0×10-3s时,电容器上极板带何种电荷?电流方向如何?
(3)若电容器两极板间电压最大为10 V,则在前eq \f(T,4)内的平均电流为多大?
答案 (1)6.28×10-3 s (2)负电荷 逆时针 (3)2.5×10-2 A
解析 (1)根据T=2πeq \r(LC)可得,此LC振荡电路的周期为T=2πeq \r(0.25×4×10-6) s=6.28×
10-3 s
(2)当t=2.0×10-3 s时,即在从t=0时刻开始的第二个eq \f(1,4)周期内,电容器充电,此时上极板带负电荷,电流沿逆时针方向.
(3)若电容器两极板间电压最大为10 V,则电容器带电荷量最大值为Q=CU=4×10-5 C
则在前eq \f(T,4)内的平均电流eq \x\t(I)=eq \f(Q,\f(T,4))=eq \f(4×10-5,\f(1,4)×6.28×10-3)A≈2.5×10-2A.
12.实验室里有一水平放置的平行板电容器,知道其电容C=1 μF.在两极板上带有一定电荷时,发现一带负电的粉尘恰好静止在两极板间.还有一个自感系数L=0.1 mH的电感器,现连成如图9所示电路,分析以下问题:(重力加速度为g)
图9
(1)从S闭合时开始计时,至少经过多长时间电容器电场方向向上且达到最大值?此时粉尘的加速度大小是多少?
(2)从S闭合时开始计时,至少经过多长时间线圈中电流最大?此时粉尘的加速度大小是多少?
答案 (1)π×10-5 s 2g (2)eq \f(π,2)×10-5 s g
解析 (1)开关断开时,电容器内带负电的粉尘恰好静止,说明粉尘所受电场力方向向上,则电场方向向下,且F电=mg,闭合S后,L、C构成LC振荡电路,T=2πeq \r(LC)=2π×10-5 s,至少经过eq \f(T,2)=π×10-5 s时,电容器间的场强方向变为向上,达到最大值,此时粉尘所受电场力的大小为F电,方向竖直向下,由牛顿第二定律得,此时加速度大小a=eq \f(F电+mg,m)=2g.
(2)从S闭合时开始计时,至少经过eq \f(T,4)=eq \f(π,2)×10-5 s,线圈中电流最大,此时电容器两极板间的场强为零,由牛顿第二定律可得:a′=eq \f(mg,m)=g.电路状态
a
b
c
d
e
时刻t
0
eq \f(T,4)
eq \f(T,2)
eq \f(3T,4)
T
电荷量q
最多
0
最多
0
最多
电场能EE
最大
0
最大
0
最大
电流i
0
正向最大
0
反向最大
0
磁场能EB
0
最大
0
最大
0
粤教版 (2019)选择性必修 第二册第一节 感应电流的方向导学案: 这是一份粤教版 (2019)选择性必修 第二册第一节 感应电流的方向导学案,共13页。
2022年高中物理(新教材)新粤教版选择性必修第二册同步学案专题强化6 楞次定律的应用: 这是一份粤教版 (2019)全册综合导学案,共14页。
2022年高中物理(新教材)新粤教版选择性必修第二册同步学案模块综合试卷(二): 这是一份高中物理粤教版 (2019)选择性必修 第二册全册综合学案及答案,共12页。学案主要包含了单项选择题,多项选择题,非选择题等内容,欢迎下载使用。

