高中化学人教版 (2019)必修 第一册第二节 元素周期律学案设计
展开第四章 第二节元素周期律3 导学案
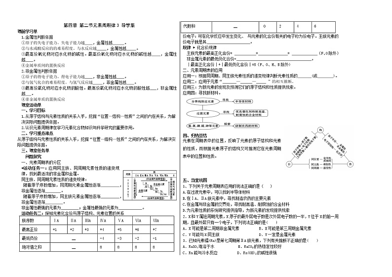
课前学习单
1.金属性判断依据
①原子的失电子能力。失电子能力越 ,金属性越 。
②与水或酸反应的的难易程度。与水反应越 ,金属性越 。
③最高价氧化物对应水化物的碱性。最高价氧化物对应水化物的碱性越 ,金属性越 。
④金属单质间的置换反应
2.非金属性判断依据
①原子的得电子能力。得电子能力越 ,非金属性越 。
②与氢气化合的难易程度。与氢气反应越 ,非金属性越 。
③最高价氧化物对应水化物的酸性。最高价氧化物对应水化物的酸性越 ,非金属性越 。
④非金属单质的置换反应
课堂活动单
一、学习目标
1.从原子结构与元素性质的关系入手,挖掘“位置—结构—性质”之间的内在关系,为解决实际问题提供依据。
2.认识元素周期律在学习元素化合物知识与科学研究的重要作用。
二、学习重点难点
从原子结构与元素性质的关系入手,挖掘“位置—结构—性质”之间的内在关系,为解决实际问题提供依据。
三、课堂任务单
问题探究
一、元素周期表的分区
◕活动任务一:应用同主族、同周期元素性质的递变规律,找到最活泼的非金属和金属。
同主族、同周期元素性质的递变规律:
随着原子序数增加,同周期元素金属性逐渐 ,非金属性逐渐 。
随着原子序数增加,同主族元素金属性逐渐 ,非金属性逐渐 。
非金属性最强的元素为 ;金属性最强的元素为 。
活动任务二:探知元素化合价与原子结构、元素位置的关系
族序数 | ⅠA | ⅡA | ⅢA | ⅣA | ⅤA | ⅥA | ⅦA |
最高正价 | +1 | +2 | +3 | +4 | +5 | +6 | +7 |
最低负价 | ▁ | -4 | -3 | -2 | -1 | ||
绝对值之和 | ▁ | 8 | 8 | 8 | 8 | ||
代数和 | ▁ | 0 | 2 | 4 | 6 | ||
价电子:可在化学反应中发生变化、 与元素的化合价有关的电子称为价电子。主族元素的价电子就是其 。
规律 ▶ 化合价规律
主族元素的最高正化合价= = = (F、O除外)
非金属元素的最低负化合价= 。
|最高正化合价|+|最低负化合价|=8(F、O、H、B除外)
二、元素周期表的应用
应用一:根据同周期、同主族元素性质的递变规律判断元素性质的 (或 )。
应用二:应用于元素“ — — ”的相互推断。
应用三:为新元素的发现及预测它们的原子结构和性质提供线索。
应用四:寻找新材料。
四、归纳总结
元素在周期表中的位置,反映了元素的原子结构和元素的性质,而根据元素原子的结构又可推测它在元素周期表中的位置和性质。
五、当堂巩固
1、下列关于元素周期表应用的说法正确的是( )
A.在过渡元素中,可以找到半导体材料
B.在ⅠA、ⅡA族元素中,寻找制造农药的主要元素
C.在金属与非金属的交界处,寻找耐高温、耐腐蚀的合金材料
D.为元素性质的系统研究提供指导,为新元素的发现提供线索
2.X和Y属短周期元素,X原子的最外层电子数是次外层电子数的一半,Y位于X的前一周期,且最外层只有一个电子,下列说法正确的是( )
A.X可能是第二周期非金属元素 B.X可能是第三周期金属元素
C.Y可能与X同主族 D.Y一定是金属元素
3.已知元素镭(Ra)是第七周期第ⅡA族元素,下列有关推断不正确的是( )
A.RaSO4难溶于水 B.RaCO3的热稳定性较好
C.Ra能与冷水反应 D.Ra(OH)2的碱性很强
4.锗(Ge)是第四周期ⅣA族元素,处于周期表中金属与非金属的交界处,下列叙述正确的是( )
A.锗是一种金属性很强的元素
B.锗的单质具有半导体的性能
C.锗化氢(GeH4)的稳定性很强
D.锗酸(H4GeO4)是不溶于水的强酸
5.运用元素周期律分析下列推断,其中错误的是( )
A.铍的氧化物的水化物可能具有两性
B.砹单质是一种有色固体,砹化氢很不稳定
C.硒化氢(H2Se)是无色、有毒,比H2S稳定的气体
D.硫酸锶难溶于水
纠错提高
1.元素的原子结构决定其性质和在周期表中的位置。下列说法正确的是( )
A.元素原子的最外层电子数等于元素的最高化合价
B.多电子原子中,在离核较近的区域内运动的电子能量较高
C.P、S、Cl得电子能力和最高价氧化物对应的水化物的酸性均依次增强
D.元素周期表中位于金属和非金属的分界线附近的元素属于过渡元素
2.同一短周期的元素W、X、Y、Z的原子序数依次增加,下列叙述正确的是( )
A.单质的化学活泼性:W<X<Y<Z B.原子最外层电子数:W<X<Y<Z
C.单质的氧化能力:W<X<Y<Z D.元素的最高化合价:W<X<Y<Z
3.短周期元素W、X、Y、Z的原子序数依次增大。W原子的最外层电子数是其内层电子数的2倍,X是大气中含量最高的元素,Y与Z同主族,可形成化合物ZY2。下列说法正确的是( )
A.原子半径大小顺序:r(Y)>r(X)>r(W) B.ZY2溶于水生成强酸
C.Z的气态氢化物的热稳定性比Y的强 D.W元素有多种同素异形体
课后任务单
1.元素周期表在指导科学研究和生产实践方面具有十分重要的意义,请将下表中A、B两栏描述的内容对应起来。
A | B |
①制半导体的元素 | (a)F、Cl、Br、N、S“三角地带” |
②制催化剂的元素 | (b)金属与非金属元素分界线附近 |
③制冷剂的元素 | (c)相对原子质量较小的元素 |
④地壳中含量较多的元素 | (d)过渡元素 |
2.A、B、C、D、E五种短周期主族元素,前三种元素在周期表中的位置如图所示:,A、B、C三种元素中有两种元素的最高价氧化物对应的水化物是强酸,D元素的原子半径在短周期元素中最大,E是最高正价为+1的非金属元素。
(1)C在周期表中的位置是___________________。
(2)A、B、C三种元素中两种元素所形成的两种强酸的分子式分别为____________________;上述五种元素形成的简单离子中,电子层结构相同的离子的半径由大到小的顺序为____________________。
(3)举例说明C的非金属性比B的非金属性强:
___________________。
(4)D的单质与E所形成的最常见化合物能发生剧烈反应,写出相应的离子方程式:__________________。
X | Y | Z |
|
| W |
3.(双选)短周期元素X、Y、Z、W在周期表中的相对位置如表所示,已知X原子的最外层电子数为4。下列说法不正确的是( )
A.Z元素的常见化合价为-1、-2
B.X元素的最高价氧化物对应水化物是强酸
C.Y、Z、W形成的简单离子中,半径最小的是Y
D.Z元素的单质能从Na2W溶液中置换出W的单质
4.有A、B、C三种元素,已知A、B原子的电子层数相同,B、C原子的最外层电子数相同。又知这三种元素原子的最外层电子数之和为17,核外电子数之和为31。下列说法正确的是( )
A.A、B、C一定是非金属元素 B.A、B、C一定是主族元素
C.A可能是周期表中原子半径最小的元素 D.A可能是周期表中非金属性最强的元素
A |
| C |
| B |
|
D |
| E |
5.A、B、C、D、E五种元素在周期表中所处的相对位置如图所示,其中A、B、C位于短周期。又知A、C两元素的原子核外电子数之和等于B元素原子的质子数,B元素原子核内质子数和中子数相等。
请回答下列问题:
(1)A、B、C三种元素的名称分别为__________、__________、__________。
(2)B元素位于元素周期表中第____________周期第__________族。
(3)与C元素位于同主族的另一种短周期元素的元素符号是__________。
(4)C元素的单质与H2反应的化学方程式为__________。
(5)E的元素符号是____________;D的原子序数为__________。
必修 第一册第二节 元素周期律学案: 这是一份必修 第一册第二节 元素周期律学案,文件包含1课时1元素性质的周期性变化规律doc、2课时2元素周期表和元素周期律的应用doc等2份学案配套教学资源,其中学案共34页, 欢迎下载使用。
化学第二节 元素周期律学案设计: 这是一份化学第二节 元素周期律学案设计,学案主要包含了学习目标,学习重点难点,归纳总结与反思,达标检测,四周期,则氢化物的稳定性等内容,欢迎下载使用。
高中化学人教版 (2019)必修 第一册第四章 物质结构 元素周期律第二节 元素周期律学案设计: 这是一份高中化学人教版 (2019)必修 第一册第四章 物质结构 元素周期律第二节 元素周期律学案设计,学案主要包含了学习目标,学习重点难点,归纳总结与反思,达标检测等内容,欢迎下载使用。

