还剩38页未读,
继续阅读
2020届二轮复习算法的含义与描述教案(全国通用)
展开
板块一.算法的含义与描述
知识内容
1.算法的概念:由基本运算及规定的运算顺序所构成的完整的解题步骤,或者看成按照一定规则解决某一类问题的明确的和有限的步骤,称为算法(algorithm).
通常可以编成计算机程序,让计算机执行并解决问题.
2.算法的特征:
⑴有穷性:算法必须在执行有限步后结束,通常还理解为实际上能够容忍的合理限度;
⑵确定性:算法的每一个步骤必须有确定的含义;
⑶可行性:组成算法的每个步骤和操作必须是相当基本的,原则上都是能精确地执行的;
⑷输入:有零个或多个输入:
⑸输出:有一个或多个输出.
3.算法的描述:
⑴用自然语言;⑵用数学语言;⑶用算法语言(程序设计语言);⑷用程序框图(流程图).
4.算法的三种基本逻辑结构:顺序结构、条件(分支)结构和循环结构.
⑴顺序结构:最简单的算法结构,语句与语句之间,框与框之间是按从上到下的顺序进行的.如下图,只有在执行完A框指定的操作后,才能接着执行B框指定的操作;
⑵条件(分支)结构:在一个算法中,用来处理需要根据条件是否成立有不同的流向的结构.
常见的条件结构的程序框图有下面两种形式:
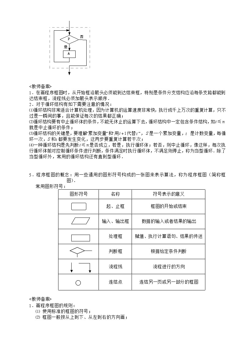
⑶循环结构:从某处开始,按照一定的条件反复执行某些步骤的情况,就是循环结构,其中反复执行的步骤称为循环体.
常见的循环结构的框图对应为:
<教师备案>
1.在画程序框图时,从开始框沿箭头必须能到达结束框,特别是条件分支结构应沿每条支路都能到达结束框,流程线必须加箭头表示顺序.
2.对于循环结构有如下需要注意的情况:
⑴循环结构非常适合计算机处理,因为计算机的运算速度非常快,执行成千上万次的重复计算,只不过是一瞬间的事,且能保证每次的结果都正确;
⑵循环结构要有中止循环体的条件,不能无休止的运算下去,循环结构中一定包含条件结构,如就是中止循环的条件;
⑶循环结构的关键是,要理解“累加变量”和“用代替”,是一个累加变量, 是计数变量,每循环一次,和都要发生变化,这两步要重复计算若干次;
⑷一种循环结构是先判断是否成立,若是,执行循环体;若否,则中止循环,像这样,每次执行循环体前对控制循环条件进行判断,条件满足时执行循环体,不满足则停止,称为当型循环.除了当型循环外,常用的循环结构还有直到型循环.
5.程序框图的概念:用一些通用的图形符号构成的一张图来表示算法,称为程序框图(简称框图).
常用图形符号:
图形符号
名称
符号表示的意义
起、止框
框图的开始或结束
输入、输出框
数据的输入或者结果的输出
处理框
赋值、执行计算语句、结果的传送
判断框
根据给定条件判断
流程线
流程进行的方向
连结点
连结另一页或另一部分的框图
<教师备案>
1.画程序框图的规则:
⑴ 使用标准的框图的符号;
⑵ 框图一般按从上到下、从左到右的方向画;
⑶ 除判断框外,大多数框图符号只有一个进入点和一个退出点.判断框是具有超过一个退出点的惟一符号;
⑷ 一种判断框是“是”与“不是”两分支的判断,而且有且仅有两个结果;另一种是多分支判断,有几种不同的结果;
⑸ 在图形符号内描述的语言要非常简练清楚.
2.画程序框图要注意的几点:
⑴起、止框是任何流程不可少的,表示程序的开始和结束;
⑵输入、输出框可以用在算法中任何需要输入、输出的位置;
⑶算法中间要处理数据或计算,可分别写在不同的处理框内;
⑷当算法要求你对两个不同的结果进行判断时,要写在判断框内;
⑸一个算法步骤到另一个算法步骤用流程线连结;
⑹如果一个框图需要分开来画,要在断开处画上连结点,并标出连结的号码.
如:用海伦公式求任意三角形的面积的程序框图,其中断开处画上连结点,并标出连结的号码.
典例分析
题型一:算法的含义
【例1】 下面对算法描述正确的一项是( )
A.算法只能用自然语言来描述 B.算法只能用图形方式来表示
C.同一问题可以有不同的算法 D.同一问题的算法不同,结果必然不同
【考点】算法的含义 【难度】1星 【题型】选择
【关键词】无
【解析】
【答案】C
【例2】 关于算法的说法中,正确的是( )
A.算法就是某个问题的解题过程 B.算法执行后可以产生不确定的结果
C.解决某类问题的算法不是唯一的 D.算法可以无限地操作下去不停止
【考点】算法的含义 【难度】1星 【题型】选择
【关键词】无
【解析】
【答案】C
【例3】 下面四种叙述能称为算法的是( )
A.在家里一般是妈妈做饭 B.做米饭要需要刷锅.添水.加热这些步骤
C.在野外做饭叫野炊 D.做饭必需要有米
【考点】算法的含义 【难度】1星 【题型】选择
【关键词】无
【解析】
【答案】B
【例4】 下面的结论正确的是( )
A.一个程序算法步骤是可逆的 B.一个算法可以无止境的运算下去
C.完成一件事的算法有且只有一种 D.设计算法要本着简单方便的原则
【考点】算法的含义 【难度】1星 【题型】选择
【关键词】无
【解析】
【答案】D
【例5】 算法的有穷性是指( )
A.算法最后包含输出 B.算法的每个操作步骤都是可执行的
C.算法的步骤必须有限 D.以上都不正确
【考点】算法的含义 【难度】1星 【题型】选择
【关键词】无
【解析】
【答案】C
【例6】 指出下列哪一个不是算法 ( )
A.解方程的过程是移项和系数化为1
B.从济南到温哥华需要先乘火车到北京,再从北京乘飞机到温哥华
C.解方程
D.利用公式,计算半径为的圆的面积为
【考点】算法的含义 【难度】1星 【题型】选择
【关键词】无
【解析】
【答案】C
【例7】 看下面的四段话,其中不是解决问题的算法的是( )
A.从济南到北京旅游,先坐火车,再坐飞机抵达
B.解一元一次方程的步骤是去分母.去括号.移项.合并同类项.系数化为1
C.方程有两个实根
D.求的值,先计算,再由于,,,最终结果为
【考点】算法的含义 【难度】1星 【题型】选择
【关键词】无
【解析】
【答案】C
【例8】 不能描述算法的是( )
A.流程图 B.伪代码 C.数据库 D.自然语言
【考点】算法的含义 【难度】1星 【题型】选择
【关键词】无
【解析】
【答案】C
【例9】 早上从起床到出门需要洗脸刷牙(5min).刷水壶(2min).烧水(8min).泡面(3min).吃饭(10min) .听广播(8min)几个步骤,下列选项中最好的一种算法为( )
A.s1洗脸刷牙s2刷水壶s3烧水s4泡面s5吃饭s6听广播
B.s1刷水壶s2烧水的同时洗脸刷牙s3泡面s4吃饭s5听广播
C.s1刷水壶s2烧水的同时洗脸刷牙s3泡面s4吃饭的同时听广播
D.s1吃饭的同时听广播s2泡面s3烧水的同时洗脸刷牙s4刷水壶
【考点】算法的含义 【难度】1星 【题型】选择
【关键词】无
【解析】
【答案】C
【例10】 已知直角三角形两直角边长为,,求斜边长的一个算法分下列三步:
①计算;②输入直角三角形两直角边长,的值;
③输出斜边长的值,其中正确的顺序是( )
A.①②③ B.②③① C.①③② D.②①③
【考点】算法分析 【难度】2星 【题型】选择
【关键词】北京师大附中,2009,高二,期中考试
【解析】
【答案】D
题型二:算法分析(自然语言与数学语言)
【例11】 算法:
S1 输入
S2 判断是否是,若,则满足条件,若,则执行S3
S3 依次从到检验能不能整除,若不能整除,满足上述条件的是( )
A.质数 B.奇数 C.偶数 D.约数
【考点】算法分析 【难度】2星 【题型】选择
【关键词】
【解析】
【答案】A
【例12】 “鸡兔同笼“是我国隋朝时期的数学著作《孙子算经》中的一个有趣而具有深远影响的题目:“今有雉兔同笼,上有三十五头,下有九十四足,问雉兔各几何.用方程组的思想不难解决这一问题,请你设计一个这类问题的通用算法.
【考点】算法分析 【难度】2星 【题型】解答
【关键词】
【解析】 鸡兔同笼,设鸡兔总头数为,总脚数为,求鸡兔各有多少只.
【答案】算法如下:第一步 输入总头数,总脚数;
第二步 计算鸡的个数;
第三步 计算兔的个数;
第四步 输出
【例13】 某人带着一只狼和一只羊及一捆青菜过河,只有一条船,船仅可载重此人和狼.羊及青菜中的一种,没有人在的时候,狼会吃羊,羊会吃青菜,设计安全过河的算法.
【考点】算法分析 【难度】2星 【题型】解答
【关键词】无
【解析】 S1:人带羊过河;
S2:人自己返回;
S3:人带狼过河;
S4:人带羊返回;
S5:人带青菜过河;
S6:人自己返回;
S7:人带羊过河.
【答案】
【例14】 人鬼过河
现在河的岸边有三个人和三个鬼,河上只有一条小船,船上最多能坐两个“人”,在河的任何一边,当鬼的个数比人多时,鬼就会吃掉人.请问如何才能使人和鬼都平安的到达对岸.
【考点】算法分析 【难度】3星 【题型】解答
【关键词】
【解析】 要想使人鬼都安全过河,需要下面11步.
Step1: Step2:
Step3: Step4:
Step5: Step6:
Step7: Step8:
Step9: Step10:
Step11:
【答案】
【例15】 现在有三个油瓶,分别能装..的油,当的瓶子装满油时,设计一个用这三个瓶子倒油的算法,怎样倒能使这些油被平分到两个瓶子里.(注:没有其它瓶子)
【考点】算法分析 【难度】3星 【题型】解答
【关键词】无
【解析】 S1:先规定的大油瓶为,和的油瓶分别为.;
S2:从瓶往瓶里倒,将装满,此时中剩下油;
S3:将中的油倒进;
S4:再从往内倒油;
S5:从往倒,即将装满;
S6:将中油全部倒入;
S7:将中油全部倒入;
S8:从中往中倒油,将装满,此时中油为;
S9:将中油全部倒入中,则中油也为.
【答案】
【例16】 设计一个算法求解方程组
【考点】算法分析 【难度】2星 【题型】解答
【关键词】无
【解析】 法一(高斯消元法)
S1:①×5-②:;
S2:解上式得;
S3:再代入①求解得.
S4:输出计算的结果.
法二(公式法)
S1:,,,,,;
S2:,,;
S3:判断;
S4:计算,.
S5:输出计算的结果.
【答案】
【例17】 用二分法设计一个求方程的近似根的算法.
【考点】算法分析 【难度】3星 【题型】解答
【关键词】无
【解析】
【答案】算法分析:回顾二分法解方程的过程,并假设所求近似根与准确解的差的绝对值不超过0.005,
则不难设计出以下步骤:
第一步:令.因为,,所以设.
第二步:令,判断是否为,若则,则为所求;若否,则继续判断大于还是小于.
第三步:若,则令;否则,令.
第四步:判断是否成立?若是,则之间的任意取值均为满足条件的近似根;若否,则返回第二步.
小结:算法具有以下特性:(1)有穷性;(2)确定性;(3)顺序性;(4)不惟一性;(5)普遍性
【例18】 分别用自然语言.数学语言写出对任意四个整数...,求出最小值的算法.
【考点】算法分析 【难度】3星 【题型】解答
【关键词】无
【解析】 自然语言:
S1:先将这四个整数的值输入;
S2:假定序列中的整数为“最小值”;
S3:将序列中的数与“最小值”比较,如果它小于此“最小值”,这时就假定“最小值”是这个整数;
S4:对序列中整数.,重复S3;
S5:在序列中一直到没有可比的数为止,这时假定的“最小值”就是这个序列中的最小值.
数学语言:
S1:输入...四个数的值;
S2:;
S3:如果,则;
S4:如果,则;
S5:如果,则;
S6:就是...中的最小值.
【答案】
【例19】 某批发商按客户订单数额的大小分别给予不同的优惠折扣.计算客户应付货款的算法步骤如下:
S1 输入订单数额(单位:件);输入单价A(单位:元);
S2 若,则折扣率;
若,则折扣率;
若,则折扣率;
若,则折扣率;
S3 计算应付货款(单位:元);
S4 输出应付货款.
已知一客户买400件时付款38000元,则应付货款为88200元时订单数额是 .
【考点】算法分析 【难度】2星 【题型】填空
【关键词】2009,宣武,一模
【解析】 由题意有.
不妨设应付货款为88200时的订单数额.
于是有.满足题意.
【答案】980
题型三:算法的三种基本逻辑结构与程序框图
【例20】 流程图中表示判断框的是 ( )
A.矩形框 B.菱形框 C.圆形框 D.椭圆形框
【考点】算法的三种基本逻辑结构与程序框图 【难度】1星 【题型】选择
【关键词】无
【解析】
【答案】A
【例21】 框图与算法相比,下列判断正确的是( )
A.程序框图将算法的基本逻辑展现得很清楚
B.算法使用自然语言描述解决问题的步骤,程序框图使得这些步骤更为直观
C.实质不变,形势变复杂了
D.程序框图更接近于计算机理解
【考点】算法的三种基本逻辑结构与程序框图 【难度】1星 【题型】选择
【关键词】无
【解析】
【答案】B
【例22】 尽管算法千差万别,程序框图按逻辑结构分类有( )类
A.2 B.3 C.4 D.5
【考点】算法的三种基本逻辑结构与程序框图 【难度】1星 【题型】选择
【关键词】无
【解析】
【答案】B
【例23】 算法的三种基本结构是( )
A.顺序结构、选择结构、循环结构 B.顺序结构、流程结构、循环结构
C.顺序结构、分支结构、流程结构. D.流程结构、循环结构、分支结构
【考点】算法的三种基本逻辑结构与程序框图 【难度】1星 【题型】选择
【关键词】无
【解析】
【答案】A
【例24】 下列关于框图的逻辑结构正确的是( )
A.用顺序结构画出电水壶烧开水的框图是唯一的 B.条件结构中不含顺序结构
C.条件结构中一定含有循环结构 D.循环结构中一定含有条件结构
【考点】算法的三种基本逻辑结构与程序框图 【难度】1星 【题型】选择
【关键词】无
【解析】
【答案】D
【例25】 下面的问题中必须用条件结构才能实现的个数是( )
(1)已知三角形三边长,求三角形的面积;
(2)求方程(为常数)的根;
(3)求三个实数中的最大者;
(4)求的值.
A.4个 B.3个 C.2个 D.1个
【考点】算法的三种基本逻辑结构与程序框图 【难度】1星 【题型】选择
【关键词】无
【解析】
【答案】C
【例26】 已知函数,以下程序框图表示的是给定值,求相应的函数值的算法,请将该程序框图补充完整.
【考点】算法的三种基本逻辑结构与程序框图 【难度】1星 【题型】填空
【关键词】
【解析】 当条件⑴满足时,有,故此时;
当此条件不成立时,即时,,
【答案】⑴,⑵;(⑴写成也可以)
【例27】 写出下边程序框图的运行结果:
【考点】算法的三种基本逻辑结构与程序框图 【难度】1星 【题型】填空
【关键词】
【解析】 变量从开始,到为止,每次增加,
故,即输出结果为.
【答案】
【例28】 如图给出的是计算的一个程序框图,其中判断框内应填入的条件是( )
A. B. C. D.
【考点】算法的三种基本逻辑结构与程序框图 【难度】1星 【题型】选择
【关键词】
【解析】
【答案】C
【例29】 写出右边框图中的运算结果,.
【考点】算法的三种基本逻辑结构与程序框图 【难度】1星 【题型】填空
【关键词】
【解析】
【答案】
【例30】 写出右面的程序框图所表示的函数.
【考点】算法的三种基本逻辑结构与程序框图 【难度】2星 【题型】解答
【关键词】
【解析】 .
【答案】
【例31】 如右图给出的是计算的值的一个程序框图,其中判断框内应填入的条件是( )
A. B. C. D.
【考点】算法的三种基本逻辑结构与程序框图 【难度】2星 【题型】选择
【关键词】
【解析】
【答案】B
【例32】 如图是一个算法的程序框图,若该程序输出的结果为,则判断框中应填入的条件是( )
A. B. C. D.
【考点】算法的三种基本逻辑结构与程序框图 【难度】2星 【题型】选择
【关键词】2018,东城,一模
【解析】 循环一次得:;两次得:;三次得:;四次得:,此时需要跳出循环,故填.
【答案】B
【例33】 按如图所示的程序框图运算,若输入,则输出的值是( )
A. B. C. D.
【考点】算法的三种基本逻辑结构与程序框图 【难度】2星 【题型】选择
【关键词】2018,东城,一模
【解析】 ,,,,,,,,,,,跳出循环,输出.
【答案】B
【例34】 已知程序框图如图所示,则该程序框图的功能是( )
A.求数列的前10项和 B.求数列的前10项和
C.求数列的前11项和 D.求数列的前11项和
【考点】算法的三种基本逻辑结构与程序框图 【难度】2星 【题型】选择
【关键词】2018,石景山,一模
【解析】 注意和的步长分别是和.
【答案】B
【例35】 阅读右面的程序框图,运行相应的程序,输出的结果为( )
A. B. C. D.
【考点】算法的三种基本逻辑结构与程序框图 【难度】2星 【题型】选择
【关键词】2018,西城,一模
【解析】 ;;,,故输出.
【答案】D
【例36】 已知某程序框图如图所示,则执行该程序后输出的结果是( )
A. B. C. D.
【考点】算法的三种基本逻辑结构与程序框图 【难度】2星 【题型】选择
【关键词】2018,海淀,一模
【解析】
∵,∴对应的.
【答案】A
【例37】 已知程序框图如图所示,则执行该程序后输出的结果是_______________.
【考点】算法的三种基本逻辑结构与程序框图 【难度】2星 【题型】填空
【关键词】2018,海淀,一模
【解析】
∵,∴对应的.
【答案】
【例38】 如图,下程序框图的程序执行后输出的结果是 .
【考点】算法的三种基本逻辑结构与程序框图 【难度】2星 【题型】填空
【关键词】2018,朝阳,一模
【解析】 将经过次运行后的值列表如下.于是.
1
2
3
4
5
...
...
10
2
3
4
5
6
11
1
3
6
10
15
55
【答案】55
【例39】 右边程序框图的程序执行后输出的结果是 .
【考点】算法的三种基本逻辑结构与程序框图 【难度】2星 【题型】填空
【关键词】2018,朝阳,一模
【解析】 将经过次运行后的值列表如下.
1
2
3
4
5
...
...
25
3
5
7
9
11
51
1
4
9
16
25
625
于是.
【答案】625
【例40】 执行如图程序框图,输出的值等于 .
【考点】算法的三种基本逻辑结构与程序框图 【难度】2星 【题型】选择
【关键词】2018,宣武,一模
【解析】 运算顺序如下
,输出,故.
【答案】20
【例41】 某程序框图如图所示,该程序运行后输出的值分别为 .
【考点】算法的三种基本逻辑结构与程序框图 【难度】2星 【题型】填空
【关键词】2018,崇文,一模
【解析】 依据程序框图画出运行次后的值.
1
2
3
2
3
4
2
5
13
3
8
21
4次运行后,于是有.
【答案】13,21
【例42】 在右边的程序框图中,若输出的值是,则输入的取值范围是 .
【考点】算法的三种基本逻辑结构与程序框图 【难度】2星 【题型】填空
【关键词】2018,丰台,一模
【解析】 ∵,,
,
∴要使得刚好进行次运算后输出的 ,则有.
【答案】
【例43】 在右面的程序框图中,若,则输出的值是( )
A.2 B.3 C.4 D.5
【考点】算法的三种基本逻辑结构与程序框图 【难度】2星 【题型】选择
【关键词】2018,丰台,一模
【解析】 ,对应的.
【答案】C
【例44】 执行如图所示的程序框图,输出的等于( )
A. B. C. D.
【考点】算法的三种基本逻辑结构与程序框图 【难度】2星 【题型】选择
【关键词】2018,东城,二模
【解析】 简单的程序框图,个循环后可得.
【答案】C
【例45】 在数列中,,,.为计算这个数列前项的和,现给出该问题算法的程序框图(如图所示),则图中判断框(1)处合适的语句是( )
A. B. C. D.
【考点】算法的三种基本逻辑结构与程序框图 【难度】2星 【题型】选择
【关键词】2018,西城,二模
【解析】 观察程序框图可得分别为该数列的项号,对应的项,以及前项和.因此判断框中的语句应该使得当时能够跳转,因此选择C.
【答案】C
【例46】 执行右图所示的程序框图,输出结果的值是_________.
【考点】算法的三种基本逻辑结构与程序框图 【难度】2星 【题型】填空
【关键词】2018,丰台,二模
【解析】 容易知道判断框的出口输出为,于是最终输出的.
【答案】1
【例47】 按照如图的程序框图执行,若输出结果为15,则M处条件为( )
A. B. C. D.
开始
S=0
M
S=S+k
结束
输出S
是
否
k=1
【考点】算法的三种基本逻辑结构与程序框图 【难度】2星 【题型】选择
【关键词】2018,海淀,二模
【解析】 循环一次得;二次得;三次得;四次得跳出循环,结合选项知选A.
【答案】A
【例48】 若某程序的框图如图,若输入的的值为,则执行该程序后,输出的值为 .
【考点】算法的三种基本逻辑结构与程序框图 【难度】2星 【题型】填空
【关键词】2018,海淀,二模
【解析】 ,故.
【答案】2
【例49】 某程序框图如图所示,该程序运行后,输出的值为31,则等于( )
A. B. C. D.2
【考点】算法的三种基本逻辑结构与程序框图 【难度】2星 【题型】选择
【关键词】2018,朝阳,二模
【解析】 由程序框图,知运行过程中值如下:
1
2
3
4
5
于是有.
【答案】C
【例50】 右面的程序框图,如果输入三个实数..,要求输出这三个数中最大的数,那么在空白的判断框中,应该填入下面四个选项中的( )
A. B. C. D.
【考点】算法的三种基本逻辑结构与程序框图 【难度】2星 【题型】选择
【关键词】2018,海南宁夏,高考
【解析】
【答案】A
【例51】 某地区为了了解岁老人的日平均睡眠时间(单位:h).随机选择了50位老人的进行调查.下表是这50位老人日睡眠时间的频率分布表.
序号
()
分组
(睡眠时间)
组中值
()
频数
(人数)
频率
()
1
[4,5
6
2
[5,6
10
3
[6,7
20
4
[7,8
10
5
[8,9]
4
在上述统计数据中,一部分计算见算法流程图,则输出的的值是 .
【考点】算法的三种基本逻辑结构与程序框图 【难度】2星 【题型】填空
【关键词】2018,江苏,高考
【解析】 由算法流程,
知.
【答案】
【例52】 执行下边的程序框图,若,则输出的 .
【考点】算法的三种基本逻辑结构与程序框图 【难度】2星 【题型】填空
【关键词】2018,山东,高考
【解析】 ,进入循环,,,进入第二次循环,,进入第三次循环,,,跳出循环,故.
【答案】
【例53】 阅读如图的程序框图,若输入,,则输出 ,
(注:框图中的赋值符号“”也可以写成“”或“”)
【考点】算法的三种基本逻辑结构与程序框图 【难度】2星 【题型】填空
【关键词】2018,广东,高考
【解析】 要结束程序的运算,就必须通过整除的条件运算,而同时
也整除,那么的最小值应为和的最小公倍数12,
即此时有.
【答案】12,3
【例54】 执行右边的程序框图,输出的 .
【考点】算法的三种基本逻辑结构与程序框图 【难度】2星 【题型】填空
【关键词】2018,山东,高考
【解析】
,
此时,跳出循环,输出.
【答案】
【例55】 阅读右面的程序框图,则输出的( )
A. B. C. D.
【考点】算法的三种基本逻辑结构与程序框图 【难度】2星 【题型】选择
【关键词】2009,天津,高考
【解析】
,
跳出循环,输出.
【答案】C
【例56】 随机抽取某产品件,测得其长度分别为.
则如图所示的程序框图输出的 ,表示的样本的数字特征是 .
(注:框图中的赋值符号“=”也可以写成“←”“”)
【考点】算法的三种基本逻辑结构与程序框图 【难度】2星 【题型】填空
【关键词】2009,广东,高考
【解析】 时,;时,;时,;
可推测出程序框图输出的,可利用数学归纳法得到严格的证明.
【答案】,平均数
【例57】 某程序框图如图所示,该程序运行后输出的的值是( )
A. B. C. D.
【考点】算法的三种基本逻辑结构与程序框图 【难度】2星 【题型】选择
【关键词】2009,浙江,高考
【解析】
,跳出循环.
【答案】A
【例58】 如果执行右边的程序框图,输入,,那么输出的各个数的和等于( )
A.3 B. C. 4 D.
【考点】算法的三种基本逻辑结构与程序框图 【难度】2星 【题型】选择
【关键词】2009,海南宁夏,高考
【解析】 ,输出
,,故,输出;
,,于是,输出;
,,输出,此时;
于是,,输出,,跳出循环.
输出各个数之和.
【答案】B
【例59】 2018年上海世博会园区每天开园,停止入园.在右边的框图中,表示上海世博会官方网站在每个整点报道的入园总人数,表示整点报道前个小时内入园人数,则空白的执行框内应填入 .
【考点】算法的三种基本逻辑结构与程序框图 【难度】2星 【题型】填空
【关键词】2018,上海,高考
【解析】
【答案】
【例60】 阅读右边的程序框图,若输出的值为,则判断框内可填写( )
A. B. C. D.
【考点】算法的三种基本逻辑结构与程序框图 【难度】2星 【题型】选择
【关键词】2018,天津,高考
【解析】
【答案】D
【例61】 某程序框图如图所示,若输出的,则判断框内为( )
A. B. C. D.
【考点】算法的三种基本逻辑结构与程序框图 【难度】2星 【题型】选择
【关键词】2018,浙江,高考
【解析】
【答案】A
【例62】 如图所示,程序框图(算法流程图)的输出__ __.
【考点】算法的三种基本逻辑结构与程序框图 【难度】2星 【题型】填空
【关键词】2018,安徽,高考
【解析】
【答案】12
【例63】 阅读右图所示的程序框图,运行相应的程序,输出的值等于( )
A. B. C. D.
【考点】算法的三种基本逻辑结构与程序框图 【难度】2星 【题型】选择
【关键词】2018,福建,高考
【解析】
【答案】C
【例64】 某城市缺水问题比较突出,为了制定节水管理办法,对全市居民某年的月均用水量进行了抽样调查,其中位居民的月均用水量分别为,…, (单位:吨).根据图2所示的程序框图,若,,分别为,,则输出的结果为 .
【考点】算法的三种基本逻辑结构与程序框图 【难度】2星 【题型】填空
【关键词】2018,广东,高考
【解析】
【答案】
【例65】 如果执行右面的程序框图,输入正整数,满足,那么输出的等于( )
A. B. C. D.
【考点】算法的三种基本逻辑结构与程序框图 【难度】2星 【题型】选择
【关键词】2018,辽宁,高考
【解析】
【答案】D
【例66】 如果执行下面的框图,输入,则输出的数等于( )
A. B. C. D.
【考点】算法的三种基本逻辑结构与程序框图 【难度】2星 【题型】选择
【关键词】2018,全国Ⅰ,高考
【解析】
【答案】D
【例67】 下面程序框图所表示的算法的功能是( )
A.计算的值 B.计算的值
C.计算的值 D.计算的值
【考点】算法的三种基本逻辑结构与程序框图 【难度】2星 【题型】选择
【关键词】2009,海淀,高二,期中测试
【解析】
【答案】C
【例68】 右图是一个程序框图,其中判断框①处缺少一个判断条件,②为一输出框.
⑴若在①处填空“”,请求出在输出框②处输出的的值;
⑵若在①处填空“”,请求出在输出框②处输出的的值.
【考点】算法的三种基本逻辑结构与程序框图 【难度】3星 【题型】解答
【关键词】2009,海淀,高二,期中测试
【解析】 写出前几次的循环,确定x,y,n的关系式。
【答案】2018;2018
【例69】 程序program-3的任务为输入100个产品的内径尺寸数据,并找出其中的最值.
该程序流程图如下,
填空并完成流程图:(1)________;(2)________.
程序program-3执行完毕,M1,M2的输出值中是最大值的是______.
【考点】算法的三种基本逻辑结构与程序框图 【难度】2星 【题型】填空
【关键词】无
【解析】
【答案】M1=a;M2=a;M2
【例70】 任意给定一个正数,设计一个算法求以这个数为半径的圆的周长,并画出程序框图.
【考点】算法的三种基本逻辑结构与程序框图 【难度】2星 【题型】解答
【关键词】
【解析】 S1:输入任意一个正实数;
S2:计算以为半径的圆的周长;
S3:输出圆的周长.
框图如右.
【答案】
【例71】 半径为的圆面积计算公式为,写出计算圆面积的算法,并画出框图.
【考点】算法的三种基本逻辑结构与程序框图 【难度】2星 【题型】解答
【关键词】
【解析】 S1:输入任意一个正实数;
S2:计算以为半径的圆的面积;
S3:输出圆的面积.
程序框图如右.
【答案】
【例72】 画出计算的程序框图.
【考点】算法的三种基本逻辑结构与程序框图 【难度】2星 【题型】解答
【关键词】
【解析】 数学语言:
S1:计算,得;
S2:计算,得;
S3:输出.
如下图
【答案】
【例73】 分别用数学语言和程序框图写出计算的算法.
【考点】算法的三种基本逻辑结构与程序框图 【难度】2星 【题型】解答
【关键词】
【解析】 数学语言:
S1:计算,得;
S2:计算,得;
S3:计算,得;
S4:计算,得;
S5:输出.
程序框图如右:
【答案】
【例74】 三角形的面积公式,用算法描述求时的三角形面积,
并画出算法的程序框图.
【考点】算法的三种基本逻辑结构与程序框图 【难度】2星 【题型】解答
【关键词】
【解析】 S1:把赋予,赋予;
S2:计算;
S3:输出.
【答案】
【例75】 设计一个算法计算的面积,并画出算法的程序框图.
【考点】算法的三种基本逻辑结构与程序框图 【难度】2星 【题型】解答
【关键词】
【解析】 法一(通过余弦定理求角,从而求面积)
S1:输入的三边长;
S2:用余弦定理计算角的余弦值;
S3:利用计算;
S4:利用面积公式求出三角形的面积;
S5:输出面积的值.
法二(通过海伦公式求面积)
S1:输入的三边长;
S2:计算半周长;
S3:利用求出三角形面积;
S4:输出面积的值.
【答案】
【例76】 画出求的程序框图.
【考点】算法的三种基本逻辑结构与程序框图 【难度】2星 【题型】解答
【关键词】
【解析】 S1:设T;
S2:设;
S3:设T=T*;
S4:设;
S5:如果执行S6,否则执行S3;
S7:输出T,结束算法.
程序框图如右.
【答案】
【例77】 画出求的程序框图.
【考点】算法的三种基本逻辑结构与程序框图 【难度】2星 【题型】解答
【关键词】
【解析】 自然语言描述:(引入累加变量sum和计数变量)
S1:设sum的值为;
S2:设的值为;
S3:如果执行S4,否则转去执行S7;
S4:计算sum的值并将结果赋给sum;
S5:计算并将结果赋给;
S6:转去执行S3;
S7:输出sum的值并结束算法.
框图如右:
【答案】
【例78】 写出计算的值的一个程序框图.
【考点】算法的三种基本逻辑结构与程序框图 【难度】2星 【题型】解答
【关键词】
【解析】 对于求和问题,一般都需要用循环结构来解决,框图如右.
【答案】
【例79】 写出求解一般的二元一次方程组的程序框图。
【考点】算法的三种基本逻辑结构与程序框图 【难度】2星 【题型】解答
【关键词】
【解析】 可用公式法求解,对应的程序框图如右:
【答案】
【例80】 画出求解方程(为常数)的程序框图.
【考点】算法的三种基本逻辑结构与程序框图 【难度】2星 【题型】解答
【关键词】
【解析】 要求解此方程,需要分情况讨论:
时,此方程有无穷多解,或者无解;时,此方程有唯一解,
需要用一个条件结构来描述.
框图如下面所示,也可以对解的情况进行进一步讨论,写成下面右边的形式.
【答案】
【例81】 已知,写出求该函数的函数值的算法,并画出相应的程序框图.
【考点】算法的三种基本逻辑结构与程序框图 【难度】2星 【题型】解答
【关键词】
【解析】 算法:
S1:输入;
S2:若,则,否则;
S3:输出函数值.
程序框图如右.
【答案】
【例82】 画出判断整数的奇偶性的程序框图.
【考点】算法的三种基本逻辑结构与程序框图 【难度】2星 【题型】解答
【关键词】
【解析】 框图如下.
【答案】
【例83】 某电信部门规定:拨打市内电话时,如果通话时间不超过分钟,则收取通话费元,如果通话时间超过分钟,则超过部分以每分钟元收取通话费(通话不足分钟时按分钟计),试设计一个计算通话费用的算法.要求写出算法,画出程序框图.
【考点】算法的三种基本逻辑结构与程序框图 【难度】2星 【题型】解答
【关键词】
【解析】 用(单位:元)表示通话费,(单位:分钟)表示通话时间,
则依题意有.
算法步骤如下:
S1:输入通话时间;
S2:如果,那么;否则;
S3:输出通话费用.
【答案】
【例84】 写出求任意三个整数的最小值算法的程序框图.
【考点】算法的三种基本逻辑结构与程序框图 【难度】2星 【题型】解答
【关键词】
【解析】
【答案】
【例85】 分别用自然语言.数学语言写出对任意三个整数..,求出最大值的算法,并画出相应的程序框图.
【考点】算法的三种基本逻辑结构与程序框图 【难度】2星 【题型】解答
【关键词】
【解析】 自然语言:
S1:先将这三个整数的值输入;
S2:假定序列中的整数为“最大值”;
S3:将序列中的整数与“最大值”比较,如果它大于此“最大值”,
这时就假定“最大值”是这个整数;
S4:对序列中整数,重复S3;
S5:在序列中一直到没有可比的数为止,这时假定的“最大值”就是
这个序列中的最大值.
数学语言:
S1:输入..四个数的值;
S2:;
S3:如果,则;
S4:如果,则;
S5:就是..中的最大值.
程序框图如右:
【答案】
【例86】 已知算法:(1)指出其功能(用算式表示),(2)将该算法用流程图来描述之.
S1 输入X;
S2 若X<0,执行S3;否则,执行S6;
S3 Y=X+1;
S4 输出Y;
S5 结束;
S6 若X=0,执行S7;否则执行S10;
S7 Y=0;
S8 输出Y;
S9 结束;
S10 Y=X;
S11 输出Y;
S12 结束.
【考点】算法的三种基本逻辑结构与程序框图 【难度】2星 【题型】解答
【关键词】
【解析】 这是一个输入x的值,求y值的函数的算法.其中其流程图如下.
【答案】
板块一.算法的含义与描述
知识内容
1.算法的概念:由基本运算及规定的运算顺序所构成的完整的解题步骤,或者看成按照一定规则解决某一类问题的明确的和有限的步骤,称为算法(algorithm).
通常可以编成计算机程序,让计算机执行并解决问题.
2.算法的特征:
⑴有穷性:算法必须在执行有限步后结束,通常还理解为实际上能够容忍的合理限度;
⑵确定性:算法的每一个步骤必须有确定的含义;
⑶可行性:组成算法的每个步骤和操作必须是相当基本的,原则上都是能精确地执行的;
⑷输入:有零个或多个输入:
⑸输出:有一个或多个输出.
3.算法的描述:
⑴用自然语言;⑵用数学语言;⑶用算法语言(程序设计语言);⑷用程序框图(流程图).
4.算法的三种基本逻辑结构:顺序结构、条件(分支)结构和循环结构.
⑴顺序结构:最简单的算法结构,语句与语句之间,框与框之间是按从上到下的顺序进行的.如下图,只有在执行完A框指定的操作后,才能接着执行B框指定的操作;
⑵条件(分支)结构:在一个算法中,用来处理需要根据条件是否成立有不同的流向的结构.
常见的条件结构的程序框图有下面两种形式:
⑶循环结构:从某处开始,按照一定的条件反复执行某些步骤的情况,就是循环结构,其中反复执行的步骤称为循环体.
常见的循环结构的框图对应为:
<教师备案>
1.在画程序框图时,从开始框沿箭头必须能到达结束框,特别是条件分支结构应沿每条支路都能到达结束框,流程线必须加箭头表示顺序.
2.对于循环结构有如下需要注意的情况:
⑴循环结构非常适合计算机处理,因为计算机的运算速度非常快,执行成千上万次的重复计算,只不过是一瞬间的事,且能保证每次的结果都正确;
⑵循环结构要有中止循环体的条件,不能无休止的运算下去,循环结构中一定包含条件结构,如就是中止循环的条件;
⑶循环结构的关键是,要理解“累加变量”和“用代替”,是一个累加变量, 是计数变量,每循环一次,和都要发生变化,这两步要重复计算若干次;
⑷一种循环结构是先判断是否成立,若是,执行循环体;若否,则中止循环,像这样,每次执行循环体前对控制循环条件进行判断,条件满足时执行循环体,不满足则停止,称为当型循环.除了当型循环外,常用的循环结构还有直到型循环.
5.程序框图的概念:用一些通用的图形符号构成的一张图来表示算法,称为程序框图(简称框图).
常用图形符号:
图形符号
名称
符号表示的意义
起、止框
框图的开始或结束
输入、输出框
数据的输入或者结果的输出
处理框
赋值、执行计算语句、结果的传送
判断框
根据给定条件判断
流程线
流程进行的方向
连结点
连结另一页或另一部分的框图
<教师备案>
1.画程序框图的规则:
⑴ 使用标准的框图的符号;
⑵ 框图一般按从上到下、从左到右的方向画;
⑶ 除判断框外,大多数框图符号只有一个进入点和一个退出点.判断框是具有超过一个退出点的惟一符号;
⑷ 一种判断框是“是”与“不是”两分支的判断,而且有且仅有两个结果;另一种是多分支判断,有几种不同的结果;
⑸ 在图形符号内描述的语言要非常简练清楚.
2.画程序框图要注意的几点:
⑴起、止框是任何流程不可少的,表示程序的开始和结束;
⑵输入、输出框可以用在算法中任何需要输入、输出的位置;
⑶算法中间要处理数据或计算,可分别写在不同的处理框内;
⑷当算法要求你对两个不同的结果进行判断时,要写在判断框内;
⑸一个算法步骤到另一个算法步骤用流程线连结;
⑹如果一个框图需要分开来画,要在断开处画上连结点,并标出连结的号码.
如:用海伦公式求任意三角形的面积的程序框图,其中断开处画上连结点,并标出连结的号码.
典例分析
题型一:算法的含义
【例1】 下面对算法描述正确的一项是( )
A.算法只能用自然语言来描述 B.算法只能用图形方式来表示
C.同一问题可以有不同的算法 D.同一问题的算法不同,结果必然不同
【考点】算法的含义 【难度】1星 【题型】选择
【关键词】无
【解析】
【答案】C
【例2】 关于算法的说法中,正确的是( )
A.算法就是某个问题的解题过程 B.算法执行后可以产生不确定的结果
C.解决某类问题的算法不是唯一的 D.算法可以无限地操作下去不停止
【考点】算法的含义 【难度】1星 【题型】选择
【关键词】无
【解析】
【答案】C
【例3】 下面四种叙述能称为算法的是( )
A.在家里一般是妈妈做饭 B.做米饭要需要刷锅.添水.加热这些步骤
C.在野外做饭叫野炊 D.做饭必需要有米
【考点】算法的含义 【难度】1星 【题型】选择
【关键词】无
【解析】
【答案】B
【例4】 下面的结论正确的是( )
A.一个程序算法步骤是可逆的 B.一个算法可以无止境的运算下去
C.完成一件事的算法有且只有一种 D.设计算法要本着简单方便的原则
【考点】算法的含义 【难度】1星 【题型】选择
【关键词】无
【解析】
【答案】D
【例5】 算法的有穷性是指( )
A.算法最后包含输出 B.算法的每个操作步骤都是可执行的
C.算法的步骤必须有限 D.以上都不正确
【考点】算法的含义 【难度】1星 【题型】选择
【关键词】无
【解析】
【答案】C
【例6】 指出下列哪一个不是算法 ( )
A.解方程的过程是移项和系数化为1
B.从济南到温哥华需要先乘火车到北京,再从北京乘飞机到温哥华
C.解方程
D.利用公式,计算半径为的圆的面积为
【考点】算法的含义 【难度】1星 【题型】选择
【关键词】无
【解析】
【答案】C
【例7】 看下面的四段话,其中不是解决问题的算法的是( )
A.从济南到北京旅游,先坐火车,再坐飞机抵达
B.解一元一次方程的步骤是去分母.去括号.移项.合并同类项.系数化为1
C.方程有两个实根
D.求的值,先计算,再由于,,,最终结果为
【考点】算法的含义 【难度】1星 【题型】选择
【关键词】无
【解析】
【答案】C
【例8】 不能描述算法的是( )
A.流程图 B.伪代码 C.数据库 D.自然语言
【考点】算法的含义 【难度】1星 【题型】选择
【关键词】无
【解析】
【答案】C
【例9】 早上从起床到出门需要洗脸刷牙(5min).刷水壶(2min).烧水(8min).泡面(3min).吃饭(10min) .听广播(8min)几个步骤,下列选项中最好的一种算法为( )
A.s1洗脸刷牙s2刷水壶s3烧水s4泡面s5吃饭s6听广播
B.s1刷水壶s2烧水的同时洗脸刷牙s3泡面s4吃饭s5听广播
C.s1刷水壶s2烧水的同时洗脸刷牙s3泡面s4吃饭的同时听广播
D.s1吃饭的同时听广播s2泡面s3烧水的同时洗脸刷牙s4刷水壶
【考点】算法的含义 【难度】1星 【题型】选择
【关键词】无
【解析】
【答案】C
【例10】 已知直角三角形两直角边长为,,求斜边长的一个算法分下列三步:
①计算;②输入直角三角形两直角边长,的值;
③输出斜边长的值,其中正确的顺序是( )
A.①②③ B.②③① C.①③② D.②①③
【考点】算法分析 【难度】2星 【题型】选择
【关键词】北京师大附中,2009,高二,期中考试
【解析】
【答案】D
题型二:算法分析(自然语言与数学语言)
【例11】 算法:
S1 输入
S2 判断是否是,若,则满足条件,若,则执行S3
S3 依次从到检验能不能整除,若不能整除,满足上述条件的是( )
A.质数 B.奇数 C.偶数 D.约数
【考点】算法分析 【难度】2星 【题型】选择
【关键词】
【解析】
【答案】A
【例12】 “鸡兔同笼“是我国隋朝时期的数学著作《孙子算经》中的一个有趣而具有深远影响的题目:“今有雉兔同笼,上有三十五头,下有九十四足,问雉兔各几何.用方程组的思想不难解决这一问题,请你设计一个这类问题的通用算法.
【考点】算法分析 【难度】2星 【题型】解答
【关键词】
【解析】 鸡兔同笼,设鸡兔总头数为,总脚数为,求鸡兔各有多少只.
【答案】算法如下:第一步 输入总头数,总脚数;
第二步 计算鸡的个数;
第三步 计算兔的个数;
第四步 输出
【例13】 某人带着一只狼和一只羊及一捆青菜过河,只有一条船,船仅可载重此人和狼.羊及青菜中的一种,没有人在的时候,狼会吃羊,羊会吃青菜,设计安全过河的算法.
【考点】算法分析 【难度】2星 【题型】解答
【关键词】无
【解析】 S1:人带羊过河;
S2:人自己返回;
S3:人带狼过河;
S4:人带羊返回;
S5:人带青菜过河;
S6:人自己返回;
S7:人带羊过河.
【答案】
【例14】 人鬼过河
现在河的岸边有三个人和三个鬼,河上只有一条小船,船上最多能坐两个“人”,在河的任何一边,当鬼的个数比人多时,鬼就会吃掉人.请问如何才能使人和鬼都平安的到达对岸.
【考点】算法分析 【难度】3星 【题型】解答
【关键词】
【解析】 要想使人鬼都安全过河,需要下面11步.
Step1: Step2:
Step3: Step4:
Step5: Step6:
Step7: Step8:
Step9: Step10:
Step11:
【答案】
【例15】 现在有三个油瓶,分别能装..的油,当的瓶子装满油时,设计一个用这三个瓶子倒油的算法,怎样倒能使这些油被平分到两个瓶子里.(注:没有其它瓶子)
【考点】算法分析 【难度】3星 【题型】解答
【关键词】无
【解析】 S1:先规定的大油瓶为,和的油瓶分别为.;
S2:从瓶往瓶里倒,将装满,此时中剩下油;
S3:将中的油倒进;
S4:再从往内倒油;
S5:从往倒,即将装满;
S6:将中油全部倒入;
S7:将中油全部倒入;
S8:从中往中倒油,将装满,此时中油为;
S9:将中油全部倒入中,则中油也为.
【答案】
【例16】 设计一个算法求解方程组
【考点】算法分析 【难度】2星 【题型】解答
【关键词】无
【解析】 法一(高斯消元法)
S1:①×5-②:;
S2:解上式得;
S3:再代入①求解得.
S4:输出计算的结果.
法二(公式法)
S1:,,,,,;
S2:,,;
S3:判断;
S4:计算,.
S5:输出计算的结果.
【答案】
【例17】 用二分法设计一个求方程的近似根的算法.
【考点】算法分析 【难度】3星 【题型】解答
【关键词】无
【解析】
【答案】算法分析:回顾二分法解方程的过程,并假设所求近似根与准确解的差的绝对值不超过0.005,
则不难设计出以下步骤:
第一步:令.因为,,所以设.
第二步:令,判断是否为,若则,则为所求;若否,则继续判断大于还是小于.
第三步:若,则令;否则,令.
第四步:判断是否成立?若是,则之间的任意取值均为满足条件的近似根;若否,则返回第二步.
小结:算法具有以下特性:(1)有穷性;(2)确定性;(3)顺序性;(4)不惟一性;(5)普遍性
【例18】 分别用自然语言.数学语言写出对任意四个整数...,求出最小值的算法.
【考点】算法分析 【难度】3星 【题型】解答
【关键词】无
【解析】 自然语言:
S1:先将这四个整数的值输入;
S2:假定序列中的整数为“最小值”;
S3:将序列中的数与“最小值”比较,如果它小于此“最小值”,这时就假定“最小值”是这个整数;
S4:对序列中整数.,重复S3;
S5:在序列中一直到没有可比的数为止,这时假定的“最小值”就是这个序列中的最小值.
数学语言:
S1:输入...四个数的值;
S2:;
S3:如果,则;
S4:如果,则;
S5:如果,则;
S6:就是...中的最小值.
【答案】
【例19】 某批发商按客户订单数额的大小分别给予不同的优惠折扣.计算客户应付货款的算法步骤如下:
S1 输入订单数额(单位:件);输入单价A(单位:元);
S2 若,则折扣率;
若,则折扣率;
若,则折扣率;
若,则折扣率;
S3 计算应付货款(单位:元);
S4 输出应付货款.
已知一客户买400件时付款38000元,则应付货款为88200元时订单数额是 .
【考点】算法分析 【难度】2星 【题型】填空
【关键词】2009,宣武,一模
【解析】 由题意有.
不妨设应付货款为88200时的订单数额.
于是有.满足题意.
【答案】980
题型三:算法的三种基本逻辑结构与程序框图
【例20】 流程图中表示判断框的是 ( )
A.矩形框 B.菱形框 C.圆形框 D.椭圆形框
【考点】算法的三种基本逻辑结构与程序框图 【难度】1星 【题型】选择
【关键词】无
【解析】
【答案】A
【例21】 框图与算法相比,下列判断正确的是( )
A.程序框图将算法的基本逻辑展现得很清楚
B.算法使用自然语言描述解决问题的步骤,程序框图使得这些步骤更为直观
C.实质不变,形势变复杂了
D.程序框图更接近于计算机理解
【考点】算法的三种基本逻辑结构与程序框图 【难度】1星 【题型】选择
【关键词】无
【解析】
【答案】B
【例22】 尽管算法千差万别,程序框图按逻辑结构分类有( )类
A.2 B.3 C.4 D.5
【考点】算法的三种基本逻辑结构与程序框图 【难度】1星 【题型】选择
【关键词】无
【解析】
【答案】B
【例23】 算法的三种基本结构是( )
A.顺序结构、选择结构、循环结构 B.顺序结构、流程结构、循环结构
C.顺序结构、分支结构、流程结构. D.流程结构、循环结构、分支结构
【考点】算法的三种基本逻辑结构与程序框图 【难度】1星 【题型】选择
【关键词】无
【解析】
【答案】A
【例24】 下列关于框图的逻辑结构正确的是( )
A.用顺序结构画出电水壶烧开水的框图是唯一的 B.条件结构中不含顺序结构
C.条件结构中一定含有循环结构 D.循环结构中一定含有条件结构
【考点】算法的三种基本逻辑结构与程序框图 【难度】1星 【题型】选择
【关键词】无
【解析】
【答案】D
【例25】 下面的问题中必须用条件结构才能实现的个数是( )
(1)已知三角形三边长,求三角形的面积;
(2)求方程(为常数)的根;
(3)求三个实数中的最大者;
(4)求的值.
A.4个 B.3个 C.2个 D.1个
【考点】算法的三种基本逻辑结构与程序框图 【难度】1星 【题型】选择
【关键词】无
【解析】
【答案】C
【例26】 已知函数,以下程序框图表示的是给定值,求相应的函数值的算法,请将该程序框图补充完整.
【考点】算法的三种基本逻辑结构与程序框图 【难度】1星 【题型】填空
【关键词】
【解析】 当条件⑴满足时,有,故此时;
当此条件不成立时,即时,,
【答案】⑴,⑵;(⑴写成也可以)
【例27】 写出下边程序框图的运行结果:
【考点】算法的三种基本逻辑结构与程序框图 【难度】1星 【题型】填空
【关键词】
【解析】 变量从开始,到为止,每次增加,
故,即输出结果为.
【答案】
【例28】 如图给出的是计算的一个程序框图,其中判断框内应填入的条件是( )
A. B. C. D.
【考点】算法的三种基本逻辑结构与程序框图 【难度】1星 【题型】选择
【关键词】
【解析】
【答案】C
【例29】 写出右边框图中的运算结果,.
【考点】算法的三种基本逻辑结构与程序框图 【难度】1星 【题型】填空
【关键词】
【解析】
【答案】
【例30】 写出右面的程序框图所表示的函数.
【考点】算法的三种基本逻辑结构与程序框图 【难度】2星 【题型】解答
【关键词】
【解析】 .
【答案】
【例31】 如右图给出的是计算的值的一个程序框图,其中判断框内应填入的条件是( )
A. B. C. D.
【考点】算法的三种基本逻辑结构与程序框图 【难度】2星 【题型】选择
【关键词】
【解析】
【答案】B
【例32】 如图是一个算法的程序框图,若该程序输出的结果为,则判断框中应填入的条件是( )
A. B. C. D.
【考点】算法的三种基本逻辑结构与程序框图 【难度】2星 【题型】选择
【关键词】2018,东城,一模
【解析】 循环一次得:;两次得:;三次得:;四次得:,此时需要跳出循环,故填.
【答案】B
【例33】 按如图所示的程序框图运算,若输入,则输出的值是( )
A. B. C. D.
【考点】算法的三种基本逻辑结构与程序框图 【难度】2星 【题型】选择
【关键词】2018,东城,一模
【解析】 ,,,,,,,,,,,跳出循环,输出.
【答案】B
【例34】 已知程序框图如图所示,则该程序框图的功能是( )
A.求数列的前10项和 B.求数列的前10项和
C.求数列的前11项和 D.求数列的前11项和
【考点】算法的三种基本逻辑结构与程序框图 【难度】2星 【题型】选择
【关键词】2018,石景山,一模
【解析】 注意和的步长分别是和.
【答案】B
【例35】 阅读右面的程序框图,运行相应的程序,输出的结果为( )
A. B. C. D.
【考点】算法的三种基本逻辑结构与程序框图 【难度】2星 【题型】选择
【关键词】2018,西城,一模
【解析】 ;;,,故输出.
【答案】D
【例36】 已知某程序框图如图所示,则执行该程序后输出的结果是( )
A. B. C. D.
【考点】算法的三种基本逻辑结构与程序框图 【难度】2星 【题型】选择
【关键词】2018,海淀,一模
【解析】
∵,∴对应的.
【答案】A
【例37】 已知程序框图如图所示,则执行该程序后输出的结果是_______________.
【考点】算法的三种基本逻辑结构与程序框图 【难度】2星 【题型】填空
【关键词】2018,海淀,一模
【解析】
∵,∴对应的.
【答案】
【例38】 如图,下程序框图的程序执行后输出的结果是 .
【考点】算法的三种基本逻辑结构与程序框图 【难度】2星 【题型】填空
【关键词】2018,朝阳,一模
【解析】 将经过次运行后的值列表如下.于是.
1
2
3
4
5
...
...
10
2
3
4
5
6
11
1
3
6
10
15
55
【答案】55
【例39】 右边程序框图的程序执行后输出的结果是 .
【考点】算法的三种基本逻辑结构与程序框图 【难度】2星 【题型】填空
【关键词】2018,朝阳,一模
【解析】 将经过次运行后的值列表如下.
1
2
3
4
5
...
...
25
3
5
7
9
11
51
1
4
9
16
25
625
于是.
【答案】625
【例40】 执行如图程序框图,输出的值等于 .
【考点】算法的三种基本逻辑结构与程序框图 【难度】2星 【题型】选择
【关键词】2018,宣武,一模
【解析】 运算顺序如下
,输出,故.
【答案】20
【例41】 某程序框图如图所示,该程序运行后输出的值分别为 .
【考点】算法的三种基本逻辑结构与程序框图 【难度】2星 【题型】填空
【关键词】2018,崇文,一模
【解析】 依据程序框图画出运行次后的值.
1
2
3
2
3
4
2
5
13
3
8
21
4次运行后,于是有.
【答案】13,21
【例42】 在右边的程序框图中,若输出的值是,则输入的取值范围是 .
【考点】算法的三种基本逻辑结构与程序框图 【难度】2星 【题型】填空
【关键词】2018,丰台,一模
【解析】 ∵,,
,
∴要使得刚好进行次运算后输出的 ,则有.
【答案】
【例43】 在右面的程序框图中,若,则输出的值是( )
A.2 B.3 C.4 D.5
【考点】算法的三种基本逻辑结构与程序框图 【难度】2星 【题型】选择
【关键词】2018,丰台,一模
【解析】 ,对应的.
【答案】C
【例44】 执行如图所示的程序框图,输出的等于( )
A. B. C. D.
【考点】算法的三种基本逻辑结构与程序框图 【难度】2星 【题型】选择
【关键词】2018,东城,二模
【解析】 简单的程序框图,个循环后可得.
【答案】C
【例45】 在数列中,,,.为计算这个数列前项的和,现给出该问题算法的程序框图(如图所示),则图中判断框(1)处合适的语句是( )
A. B. C. D.
【考点】算法的三种基本逻辑结构与程序框图 【难度】2星 【题型】选择
【关键词】2018,西城,二模
【解析】 观察程序框图可得分别为该数列的项号,对应的项,以及前项和.因此判断框中的语句应该使得当时能够跳转,因此选择C.
【答案】C
【例46】 执行右图所示的程序框图,输出结果的值是_________.
【考点】算法的三种基本逻辑结构与程序框图 【难度】2星 【题型】填空
【关键词】2018,丰台,二模
【解析】 容易知道判断框的出口输出为,于是最终输出的.
【答案】1
【例47】 按照如图的程序框图执行,若输出结果为15,则M处条件为( )
A. B. C. D.
开始
S=0
M
S=S+k
结束
输出S
是
否
k=1
【考点】算法的三种基本逻辑结构与程序框图 【难度】2星 【题型】选择
【关键词】2018,海淀,二模
【解析】 循环一次得;二次得;三次得;四次得跳出循环,结合选项知选A.
【答案】A
【例48】 若某程序的框图如图,若输入的的值为,则执行该程序后,输出的值为 .
【考点】算法的三种基本逻辑结构与程序框图 【难度】2星 【题型】填空
【关键词】2018,海淀,二模
【解析】 ,故.
【答案】2
【例49】 某程序框图如图所示,该程序运行后,输出的值为31,则等于( )
A. B. C. D.2
【考点】算法的三种基本逻辑结构与程序框图 【难度】2星 【题型】选择
【关键词】2018,朝阳,二模
【解析】 由程序框图,知运行过程中值如下:
1
2
3
4
5
于是有.
【答案】C
【例50】 右面的程序框图,如果输入三个实数..,要求输出这三个数中最大的数,那么在空白的判断框中,应该填入下面四个选项中的( )
A. B. C. D.
【考点】算法的三种基本逻辑结构与程序框图 【难度】2星 【题型】选择
【关键词】2018,海南宁夏,高考
【解析】
【答案】A
【例51】 某地区为了了解岁老人的日平均睡眠时间(单位:h).随机选择了50位老人的进行调查.下表是这50位老人日睡眠时间的频率分布表.
序号
()
分组
(睡眠时间)
组中值
()
频数
(人数)
频率
()
1
[4,5
6
2
[5,6
10
3
[6,7
20
4
[7,8
10
5
[8,9]
4
在上述统计数据中,一部分计算见算法流程图,则输出的的值是 .
【考点】算法的三种基本逻辑结构与程序框图 【难度】2星 【题型】填空
【关键词】2018,江苏,高考
【解析】 由算法流程,
知.
【答案】
【例52】 执行下边的程序框图,若,则输出的 .
【考点】算法的三种基本逻辑结构与程序框图 【难度】2星 【题型】填空
【关键词】2018,山东,高考
【解析】 ,进入循环,,,进入第二次循环,,进入第三次循环,,,跳出循环,故.
【答案】
【例53】 阅读如图的程序框图,若输入,,则输出 ,
(注:框图中的赋值符号“”也可以写成“”或“”)
【考点】算法的三种基本逻辑结构与程序框图 【难度】2星 【题型】填空
【关键词】2018,广东,高考
【解析】 要结束程序的运算,就必须通过整除的条件运算,而同时
也整除,那么的最小值应为和的最小公倍数12,
即此时有.
【答案】12,3
【例54】 执行右边的程序框图,输出的 .
【考点】算法的三种基本逻辑结构与程序框图 【难度】2星 【题型】填空
【关键词】2018,山东,高考
【解析】
,
此时,跳出循环,输出.
【答案】
【例55】 阅读右面的程序框图,则输出的( )
A. B. C. D.
【考点】算法的三种基本逻辑结构与程序框图 【难度】2星 【题型】选择
【关键词】2009,天津,高考
【解析】
,
跳出循环,输出.
【答案】C
【例56】 随机抽取某产品件,测得其长度分别为.
则如图所示的程序框图输出的 ,表示的样本的数字特征是 .
(注:框图中的赋值符号“=”也可以写成“←”“”)
【考点】算法的三种基本逻辑结构与程序框图 【难度】2星 【题型】填空
【关键词】2009,广东,高考
【解析】 时,;时,;时,;
可推测出程序框图输出的,可利用数学归纳法得到严格的证明.
【答案】,平均数
【例57】 某程序框图如图所示,该程序运行后输出的的值是( )
A. B. C. D.
【考点】算法的三种基本逻辑结构与程序框图 【难度】2星 【题型】选择
【关键词】2009,浙江,高考
【解析】
,跳出循环.
【答案】A
【例58】 如果执行右边的程序框图,输入,,那么输出的各个数的和等于( )
A.3 B. C. 4 D.
【考点】算法的三种基本逻辑结构与程序框图 【难度】2星 【题型】选择
【关键词】2009,海南宁夏,高考
【解析】 ,输出
,,故,输出;
,,于是,输出;
,,输出,此时;
于是,,输出,,跳出循环.
输出各个数之和.
【答案】B
【例59】 2018年上海世博会园区每天开园,停止入园.在右边的框图中,表示上海世博会官方网站在每个整点报道的入园总人数,表示整点报道前个小时内入园人数,则空白的执行框内应填入 .
【考点】算法的三种基本逻辑结构与程序框图 【难度】2星 【题型】填空
【关键词】2018,上海,高考
【解析】
【答案】
【例60】 阅读右边的程序框图,若输出的值为,则判断框内可填写( )
A. B. C. D.
【考点】算法的三种基本逻辑结构与程序框图 【难度】2星 【题型】选择
【关键词】2018,天津,高考
【解析】
【答案】D
【例61】 某程序框图如图所示,若输出的,则判断框内为( )
A. B. C. D.
【考点】算法的三种基本逻辑结构与程序框图 【难度】2星 【题型】选择
【关键词】2018,浙江,高考
【解析】
【答案】A
【例62】 如图所示,程序框图(算法流程图)的输出__ __.
【考点】算法的三种基本逻辑结构与程序框图 【难度】2星 【题型】填空
【关键词】2018,安徽,高考
【解析】
【答案】12
【例63】 阅读右图所示的程序框图,运行相应的程序,输出的值等于( )
A. B. C. D.
【考点】算法的三种基本逻辑结构与程序框图 【难度】2星 【题型】选择
【关键词】2018,福建,高考
【解析】
【答案】C
【例64】 某城市缺水问题比较突出,为了制定节水管理办法,对全市居民某年的月均用水量进行了抽样调查,其中位居民的月均用水量分别为,…, (单位:吨).根据图2所示的程序框图,若,,分别为,,则输出的结果为 .
【考点】算法的三种基本逻辑结构与程序框图 【难度】2星 【题型】填空
【关键词】2018,广东,高考
【解析】
【答案】
【例65】 如果执行右面的程序框图,输入正整数,满足,那么输出的等于( )
A. B. C. D.
【考点】算法的三种基本逻辑结构与程序框图 【难度】2星 【题型】选择
【关键词】2018,辽宁,高考
【解析】
【答案】D
【例66】 如果执行下面的框图,输入,则输出的数等于( )
A. B. C. D.
【考点】算法的三种基本逻辑结构与程序框图 【难度】2星 【题型】选择
【关键词】2018,全国Ⅰ,高考
【解析】
【答案】D
【例67】 下面程序框图所表示的算法的功能是( )
A.计算的值 B.计算的值
C.计算的值 D.计算的值
【考点】算法的三种基本逻辑结构与程序框图 【难度】2星 【题型】选择
【关键词】2009,海淀,高二,期中测试
【解析】
【答案】C
【例68】 右图是一个程序框图,其中判断框①处缺少一个判断条件,②为一输出框.
⑴若在①处填空“”,请求出在输出框②处输出的的值;
⑵若在①处填空“”,请求出在输出框②处输出的的值.
【考点】算法的三种基本逻辑结构与程序框图 【难度】3星 【题型】解答
【关键词】2009,海淀,高二,期中测试
【解析】 写出前几次的循环,确定x,y,n的关系式。
【答案】2018;2018
【例69】 程序program-3的任务为输入100个产品的内径尺寸数据,并找出其中的最值.
该程序流程图如下,
填空并完成流程图:(1)________;(2)________.
程序program-3执行完毕,M1,M2的输出值中是最大值的是______.
【考点】算法的三种基本逻辑结构与程序框图 【难度】2星 【题型】填空
【关键词】无
【解析】
【答案】M1=a;M2=a;M2
【例70】 任意给定一个正数,设计一个算法求以这个数为半径的圆的周长,并画出程序框图.
【考点】算法的三种基本逻辑结构与程序框图 【难度】2星 【题型】解答
【关键词】
【解析】 S1:输入任意一个正实数;
S2:计算以为半径的圆的周长;
S3:输出圆的周长.
框图如右.
【答案】
【例71】 半径为的圆面积计算公式为,写出计算圆面积的算法,并画出框图.
【考点】算法的三种基本逻辑结构与程序框图 【难度】2星 【题型】解答
【关键词】
【解析】 S1:输入任意一个正实数;
S2:计算以为半径的圆的面积;
S3:输出圆的面积.
程序框图如右.
【答案】
【例72】 画出计算的程序框图.
【考点】算法的三种基本逻辑结构与程序框图 【难度】2星 【题型】解答
【关键词】
【解析】 数学语言:
S1:计算,得;
S2:计算,得;
S3:输出.
如下图
【答案】
【例73】 分别用数学语言和程序框图写出计算的算法.
【考点】算法的三种基本逻辑结构与程序框图 【难度】2星 【题型】解答
【关键词】
【解析】 数学语言:
S1:计算,得;
S2:计算,得;
S3:计算,得;
S4:计算,得;
S5:输出.
程序框图如右:
【答案】
【例74】 三角形的面积公式,用算法描述求时的三角形面积,
并画出算法的程序框图.
【考点】算法的三种基本逻辑结构与程序框图 【难度】2星 【题型】解答
【关键词】
【解析】 S1:把赋予,赋予;
S2:计算;
S3:输出.
【答案】
【例75】 设计一个算法计算的面积,并画出算法的程序框图.
【考点】算法的三种基本逻辑结构与程序框图 【难度】2星 【题型】解答
【关键词】
【解析】 法一(通过余弦定理求角,从而求面积)
S1:输入的三边长;
S2:用余弦定理计算角的余弦值;
S3:利用计算;
S4:利用面积公式求出三角形的面积;
S5:输出面积的值.
法二(通过海伦公式求面积)
S1:输入的三边长;
S2:计算半周长;
S3:利用求出三角形面积;
S4:输出面积的值.
【答案】
【例76】 画出求的程序框图.
【考点】算法的三种基本逻辑结构与程序框图 【难度】2星 【题型】解答
【关键词】
【解析】 S1:设T;
S2:设;
S3:设T=T*;
S4:设;
S5:如果执行S6,否则执行S3;
S7:输出T,结束算法.
程序框图如右.
【答案】
【例77】 画出求的程序框图.
【考点】算法的三种基本逻辑结构与程序框图 【难度】2星 【题型】解答
【关键词】
【解析】 自然语言描述:(引入累加变量sum和计数变量)
S1:设sum的值为;
S2:设的值为;
S3:如果执行S4,否则转去执行S7;
S4:计算sum的值并将结果赋给sum;
S5:计算并将结果赋给;
S6:转去执行S3;
S7:输出sum的值并结束算法.
框图如右:
【答案】
【例78】 写出计算的值的一个程序框图.
【考点】算法的三种基本逻辑结构与程序框图 【难度】2星 【题型】解答
【关键词】
【解析】 对于求和问题,一般都需要用循环结构来解决,框图如右.
【答案】
【例79】 写出求解一般的二元一次方程组的程序框图。
【考点】算法的三种基本逻辑结构与程序框图 【难度】2星 【题型】解答
【关键词】
【解析】 可用公式法求解,对应的程序框图如右:
【答案】
【例80】 画出求解方程(为常数)的程序框图.
【考点】算法的三种基本逻辑结构与程序框图 【难度】2星 【题型】解答
【关键词】
【解析】 要求解此方程,需要分情况讨论:
时,此方程有无穷多解,或者无解;时,此方程有唯一解,
需要用一个条件结构来描述.
框图如下面所示,也可以对解的情况进行进一步讨论,写成下面右边的形式.
【答案】
【例81】 已知,写出求该函数的函数值的算法,并画出相应的程序框图.
【考点】算法的三种基本逻辑结构与程序框图 【难度】2星 【题型】解答
【关键词】
【解析】 算法:
S1:输入;
S2:若,则,否则;
S3:输出函数值.
程序框图如右.
【答案】
【例82】 画出判断整数的奇偶性的程序框图.
【考点】算法的三种基本逻辑结构与程序框图 【难度】2星 【题型】解答
【关键词】
【解析】 框图如下.
【答案】
【例83】 某电信部门规定:拨打市内电话时,如果通话时间不超过分钟,则收取通话费元,如果通话时间超过分钟,则超过部分以每分钟元收取通话费(通话不足分钟时按分钟计),试设计一个计算通话费用的算法.要求写出算法,画出程序框图.
【考点】算法的三种基本逻辑结构与程序框图 【难度】2星 【题型】解答
【关键词】
【解析】 用(单位:元)表示通话费,(单位:分钟)表示通话时间,
则依题意有.
算法步骤如下:
S1:输入通话时间;
S2:如果,那么;否则;
S3:输出通话费用.
【答案】
【例84】 写出求任意三个整数的最小值算法的程序框图.
【考点】算法的三种基本逻辑结构与程序框图 【难度】2星 【题型】解答
【关键词】
【解析】
【答案】
【例85】 分别用自然语言.数学语言写出对任意三个整数..,求出最大值的算法,并画出相应的程序框图.
【考点】算法的三种基本逻辑结构与程序框图 【难度】2星 【题型】解答
【关键词】
【解析】 自然语言:
S1:先将这三个整数的值输入;
S2:假定序列中的整数为“最大值”;
S3:将序列中的整数与“最大值”比较,如果它大于此“最大值”,
这时就假定“最大值”是这个整数;
S4:对序列中整数,重复S3;
S5:在序列中一直到没有可比的数为止,这时假定的“最大值”就是
这个序列中的最大值.
数学语言:
S1:输入..四个数的值;
S2:;
S3:如果,则;
S4:如果,则;
S5:就是..中的最大值.
程序框图如右:
【答案】
【例86】 已知算法:(1)指出其功能(用算式表示),(2)将该算法用流程图来描述之.
S1 输入X;
S2 若X<0,执行S3;否则,执行S6;
S3 Y=X+1;
S4 输出Y;
S5 结束;
S6 若X=0,执行S7;否则执行S10;
S7 Y=0;
S8 输出Y;
S9 结束;
S10 Y=X;
S11 输出Y;
S12 结束.
【考点】算法的三种基本逻辑结构与程序框图 【难度】2星 【题型】解答
【关键词】
【解析】 这是一个输入x的值,求y值的函数的算法.其中其流程图如下.
【答案】
相关资料
更多

