还剩26页未读,
继续阅读
2019届二轮复习线线、线面、面面的位置关系学案(全国通用)
展开
【考点剖析】
1.命题方向预测:
1.点、线、面的位置关系是本节的重点,也是高考的热点.以考查点、线、面的位置关系为主.
2.线面平行、面面平行的判定及性质是命题的热点.着重考查线线、线面、面面平行的转化及应用,同时考查逻辑推理能力与空间想象能力.
3.线线、线面、面面垂直的问题是命题的热点.着重考查垂直关系的转化及应用,同时考查逻辑推理能力与空间想象能力.
4.线线、线面、面面的位置关系问题,往往是平行、垂直关系综合考查,题型有选择题、填空题及解答题.难度中、低档题兼有.
2.课本结论总结:
1.平面的基本性质
公理1:如果一条直线上的两点在一个平面内,那么这条直线在此平面内.
公理2:过不在一条直线上的三点,有且只有一个平面.
公理3:如果两个不重合的平面有一个公共点,那么它们有且只有一条过该点的公共直线.
2.直线与直线的位置关系
(1)位置关系的分类
(2)异面直线所成的角
①定义:设a,b是两条异面直线,经过空间任一点O作直线a′∥a,b′∥b,把a′与b′所成的锐角(或直角)叫做异面直线a,b所成的角(或夹角).
②范围:.
3.直线与平面的位置关系有平行、相交、在平面内三种情况.
4.平面与平面的位置关系有平行、相交两种情况.
5.公理4
平行于同一条直线的两条直线互相平行.
6.定理
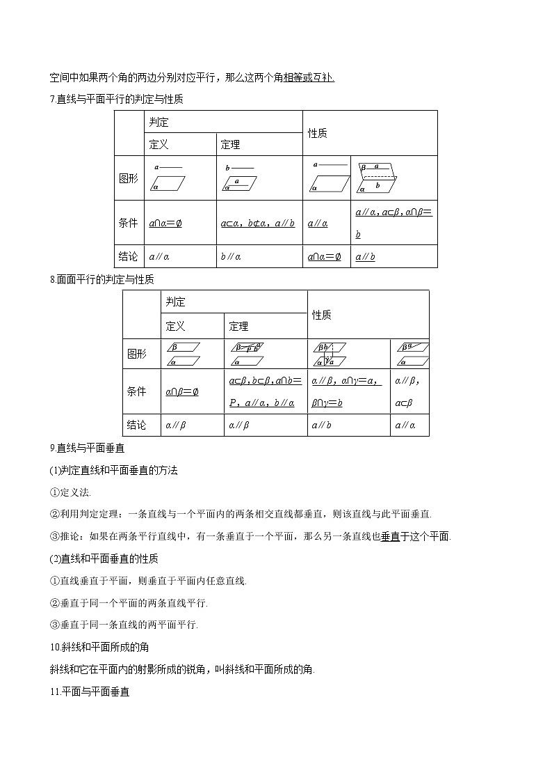
空间中如果两个角的两边分别对应平行,那么这两个角相等或互补.
7.直线与平面平行的判定与性质
判定 .
性质
定义
定理
图形
条件
a∩α=∅
a⊂α,b⊄α,a∥b
a∥α
a∥α,a⊂β,α∩β=b
结论
a∥α
b∥α
a∩α=∅
a∥b
8.面面平行的判定与性质
判定
性质
定义
定理
图形
条件
α∩β=∅
a⊂β,b⊂β,a∩b=P,a∥α,b∥α
α∥β,α∩γ=a,β∩γ=b
α∥β,a⊂β
结论
α∥β
α∥β
a∥b
a∥α
9.直线与平面垂直
(1)判定直线和平面垂直的方法
①定义法.
②利用判定定理:一条直线与一个平面内的两条相交直线都垂直,则该直线与此平面垂直.
③推论:如果在两条平行直线中,有一条垂直于一个平面,那么另一条直线也垂直于这个平面.
(2)直线和平面垂直的性质
①直线垂直于平面,则垂直于平面内任意直线.
②垂直于同一个平面的两条直线平行.
③垂直于同一条直线的两平面平行.
10.斜线和平面所成的角
斜线和它在平面内的射影所成的锐角,叫斜线和平面所成的角.
11.平面与平面垂直
(1)平面与平面垂直的判定方法
①定义法.
②利用判定定理:一个平面过另一个平面的垂线,则这两个平面垂直.
(2)平面与平面垂直的性质
两平面垂直,则一个平面内垂直于交线的直线垂直于另一个平面.
12.二面角的有关概念
(1)二面角:从一条直线出发的两个半平面所组成的图形叫做二面角.
(2)二面角的平面角:二面角棱上的一点,在两个半平面内分别作与棱垂直的射线,则两射线所成的角叫做二面角的平面角.
3.名师二级结论:
(1)异面直线的判定方法:
判定定理:平面外一点A与平面内一点B的连线和平面内不经过该点的直线是异面直线.
反证法:证明两线不可能平行、相交或证明两线不可能共面,从而可得两线异面.
(2)公理1的作用:①检验平面;②判断直线在平面内;③由直线在平面内判断直线上的点在平面内.
(3)公理2的作用:公理2及其推论给出了确定一个平面或判断“直线共面”的方法.
(4)公理3的作用:①判定两平面相交;②作两平面相交的交线;③证明多点共线.
(5)平行问题的转化关系:
(6)垂直问题的转化关系
线线垂直线面垂直面面垂直
性质
(7)证明直线相交,通常用平面的基本性质,平面图形的性质等;
(8)利用公理4或平行四边形的性质证明两条直线平行.
4.考点交汇展示:
(1)立体几何与函数交汇
【2017课标1,理16】如图,圆形纸片的圆心为O,半径为5 cm,该纸片上的等边三角形ABC的中心为O.D、E、F为圆O上的点,△DBC,△ECA,△FAB分别是以BC,CA,AB为底边的等腰三角形.沿虚线剪开后,分别以BC,CA,AB为折痕折起△DBC,△ECA,△FAB,使得D、E、F重合,得到三棱锥.当△ABC的边长变化时,所得三棱锥体积(单位:cm3)的最大值为 .
【答案】
【解析】
(2)立体几何与基本不等式交汇
如图, 在三棱锥中,.
(1)求证:平面平面;
(2)若,,当三棱锥的体积最大时,求的长.
P
A
B
C
【答案】(1)证明见解析;(2)当三棱锥的体积最大时,.
(2)方法1:由已知及(1)所证可知,平面,,
所以是三棱锥的高.……………………………7分
因为,,设,……………8分
所以.…………9分
因为
………………………………………………………………………10分
…………………………………………………………………………11分
.…………………………………………………………………………………………12分
当且仅当,即时等号成立.………………………………………………………13分
所以当三棱锥的体积最大时,.…………………………………………………14分
(3)立体几何与三角函数交汇
如图,已知,是的中点,沿直线将折成,所成二面角的平面角为,则( )
A. B. C. D.
【答案】B.
【解析】设,设,则由题意,在空间图形中,设,
在中,,
在空间图形中,过作,过作,垂足分别为,,
过作,连结,∴,
则就是二面角的平面角,∴,
在中,,,
同理,,,故,
显然面,故,
【考点分类】
考向一 线线、线面、面面平行与垂直关系的判定
1.【2017课标3,文10】在正方体中,E为棱CD的中点,则( )
A. B. C. D.
【答案】C
【解析】根据三垂线逆定理,平面内的线垂直平面的斜线,那也垂直于斜线在平面内的射影,A.若,那么,很显然不成立;B.若,那么,显然不成立;C.若,那么,成立,反过来时,也能推出,所以C成立,D.若,则,显然不成立,故选C.
2.【2018届安徽省六安市第一中学适应性考试】已知直线、,平面、,给出下列命题:
①若,,且,则
②若,,且,则
③若,,且,则
④若,,且,则
其中正确的命题是( )
A. ②③ B. ①③ C. ①④ D. ③④
【答案】C
【解析】分析:①可由面面垂直的判定定理进行判断;②可由面面平行的条件进行判断;③可由面面垂直的条件进行判断;④可由面面垂直的判定定理进行判断.
故选:C.学 .
【方法规律】
1.证明线线平行的方法:(1)平行公理;(2)线面平行的性质定理;(3)面面平行的性质定理;(4)向量平行.要注意线面、面面平行的性质定理的成立条件.
2.线面平行的证明方法:(1)线面平行的定义;(2)线面平行的判断定理;(3)面面平行的性质定理;(4)向量法:证明这条直线的方向向量和这个平面内的一个向量互相平行;证明这个直线的方向向量和这个平面的法向量相互垂直.
线面平行的证明思考途径:线线平行线面平行面面平行.
3.面面平行的证明方法:①反证法:假设两个平面不平行,则它们必相交,在导出矛盾;②面面平行的判断定理;③利用性质:垂直于同一直线的两个平面平行;平行于同一平面的两个平面平行;④向量法:证明两个平面的法向量平行.
4.证明线线垂直的方法:(1)异面直线所成的角为直角;(2)线面垂直的性质定理;(3)面面垂直的性质定理;(4)三垂线定理和逆定理;(5)勾股定理;(6)向量垂直.要注意线面、面面垂直的性质定理的成立条件.解题过程中要特别体会平行关系性质的传递性,垂直关系的多样性.
5.线面垂直的证明方法:(1)线面垂直的定义;(2)线面垂直的判断定理;(3)面面垂直的性质定理;(4)向量法:证明这个直线的方向向量和这个平面的法向量相互平行.线面垂直的证明思考途径:线线垂直线面垂直面面垂直.
6.面面垂直的证明方法:①定义法;②面面垂直的判断定理;③向量法:证明两个平面的法向量垂直.解题时要由已知相性质,由求证想判定,即分析法和综合法相结合寻找证明思路,关键在于对题目中的条件的思考和分析,掌握做此类题的一般技巧和方法,以及如何巧妙进行垂直之间的转化.
【解题技巧】
1.利用线面平行的性质,可以实现与线线平行的转化,尤其在截面图的画法中,常用来确定交线的位置,对于最值问题,常用函数思想来解决.
2.立体几何中的探索性问题主要是对平行、垂直关系的探究,对条件和结论不完备的开放性问题的探究,解决这类问题一般根据探索性问题的设问,假设其存在并探索出结论,然后在这个假设下进行推理论证,若得到合乎情理的结论就肯定假设,若得到矛盾就否定假设.
3.证明线面垂直的核心是证线线垂直,而证明线线垂直则需借助线面垂直的性质.因此,判定定理与性质定理的合理转化是证明线面垂直的基本思想.
4.线面垂直的性质,常用来证明线线垂直.
5.在已知平面垂直时,一般要用性质定理进行转化.
6.垂直关系综合题的类型及解法
(1)三种垂直的综合问题,一般通过作辅助线进行线线、线面、面面垂直间的转化.
(2)垂直与平行结合问题,求解时应注意平行、垂直的性质及判定的综合应用.
(3)垂直与体积结合问题,在求体积时,可根据线面垂直得到表示高的线段,进而求得体积.
7.线面平行、垂直关系的证明问题的指导思想是线线、线面、面面关系的相互转化,交替使用平行、垂直的判定定理和性质定理;
8.线线关系是线面关系、面面关系的基础.证题中要注意利用平面几何中的结论,如证明平行时常用的中位线、平行线分线段成比例;证明垂直时常用的等腰三角形的中线等;
【易错点睛】
1.在推证线面平行时,一定要强调直线不在平面内,否则,会出现错误.
2.在解决线面、面面平行的判定时,一般遵循从“低维”到“高维”的转化,即从“线线平行”到“线面平行”,再到“面面平行”;而在应用性质定理时,其顺序恰好相反,但也要注意,转化的方向总是由题目的具体条件而定,决不可过于“模式化”.
3.解题中注意符号语言的规范应用.
4.在解决直线与平面垂直的问题过程中,要注意直线与平面垂直的定义、判定定理和性质定理的联合交替使用,即注意线线垂直和线面垂直的互相转化.
5.面面垂直的性质定理是作辅助线的一个重要依据.我们要作一个平面的一条垂线,通常是先找这个平面的一个垂面,在这个垂面中,作交线的垂线即可.
6.证明过程一定要严谨,使用定理时要对照条件、步骤书写要规范.
例.已知和是两条不同的直线,和是两个不重合的平面,那么下面给出的条件中一定能推出的是
A.,且 B.∥,且
C.,且∥ D.,且∥
【答案】B
【解析】∵m∥n, ∴ 故选B.
【易错点】没有掌握线面垂直的条件
考向二 空间线线、线面及面面关系中的角度问题
1.【2018年理数全国卷II】在长方体中,,,则异面直线与所成角的余弦值为( )
A. B. C. D.
【答案】C
2.【2017课标3,理16】a,b为空间中两条互相垂直的直线,等腰直角三角形ABC的直角边AC所在直线与a,b都垂直,斜边AB以直线AC为旋转轴旋转,有下列结论:
①当直线AB与a成60°角时,AB与b成30°角;
②当直线AB与a成60°角时,AB与b成60°角;
③直线AB与a所成角的最小值为45°;
④直线AB与a所成角的最小值为60°.
其中正确的是 .(填写所有正确结论的编号)
【答案】②③
【解析】
【方法规律】
求异面直线所成的角常用方法是平移法,平移的方法一般有三种类型:利用图中已有的平行线平移;利用特殊点(线段的端点或中点)作平行线平移;补形平移.
判定空间两条直线是异面直线的方法
(1)判定定理:平面外一点A与平面内一点B的连线和平面内不经过该点B的直线是异面直线.
(2)反证法:证明两线不可能平行、相交或证明两线不可能共面,从而可得两线异面.
3.求两条异面直线所成角的大小,一般方法是通过平行移动直线,把异面问题转化为共面问题来解决.根据空间等角定理及推论可知,异面直线所成角的大小与顶点位置无关,往往可以选在其中一条直线上(线面的端点或中点)利用三角形求解.
【解题技巧】
求异面直线所成的角的三步曲:即“一作、二证、三求”.其中空间选点任意,但要灵活,经常选择“端点、中点、等分点”,通过作三角形的中位线,平行四边形等进行平移,作出异面直线所成的角,转化为解三角形问题,进而求解.
【易错点睛】
1.正确理解异面直线“不同在任何一个平面内”的含义,不要理解成“不在同一个平面内”.
2.不共线的三点确定一个平面,一定不能丢掉“不共线”条件.
3.两条异面直线所成角的范围是(0°,90° .
例.过正方体ABCD-A1B1C1D1的顶点A作直线l,使l与棱AB,AD,AA1所成的角都相等,这样的直线l可以作 ( )
A.1条 B.2条 C.3条 D.4条
【答案】 D
【易错点】忽视异面直线所成的角,只找两条相交直线所成角,没有充分认识正方体中的平行关系.
考向三 线线、线面、面面的位置关系的综合问题
1.【2018年江苏卷】在平行六面体中,.
求证:(1);
(2).
【答案】答案见解析
【解析】证明:(1)在平行六面体ABCD-A1B1C1D1中,AB∥A1B1.因为AB平面A1B1C,A1B1平面A1B1C,
所以AB∥平面A1B1C.
(2)在平行六面体ABCD-A1B1C1D1中,四边形ABB1A1为平行四边形.又因为AA1=AB,所以四边形ABB1A1为菱形,因此AB1⊥A1B.又因为AB1⊥B1C1,BC∥B1C1,所以AB1⊥BC.
又因为A1B∩BC=B,A1B平面A1BC,BC平面A1BC,所以AB1⊥平面A1BC.因为AB1平面ABB1A1,
所以平面ABB1A1⊥平面A1BC.
2. 【2018年浙江卷】如图,已知多面体ABCA1B1C1,A1A,B1B,C1C均垂直于平面ABC,∠ABC=120°,A1A=4,C1C=1,AB=BC=B1B=2.
(Ⅰ)证明:AB1⊥平面A1B1C1;
(Ⅱ)求直线AC1与平面ABB1所成的角的正弦值.
【答案】(Ⅰ)见解析(Ⅱ)
【解析】分析:方法一:(Ⅰ)通过计算,根据勾股定理得,再根据线面垂直的判定定理得结论,(Ⅱ)找出直线AC1与平面ABB1所成的角,再在直角三角形中求解.
方法二:(Ⅰ)根据条件建立空间直角坐标系,写出各点的坐标,根据向量之积为0得出,再根据线面垂直的判定定理得结论,(Ⅱ)根据方程组解出平面的一个法向量,然后利用与平面法向量的夹角的余弦公式及线面角与向量夹角的互余关系求解.
详解:方法一:
(Ⅱ)如图,过点作,交直线于点,连结.
方法二:
(Ⅰ)如图,以AC的中点O为原点,分别以射线OB,OC为x,y轴的正半轴,建立空间直角坐标系O-xy .
由题意知各点坐标如下:
因此由得.
由得.所以平面.
【解题技巧】
1. 利用线线、线面和面面的平行、垂直关系相互转化.
2. 求线面所成角时注意垂直关系的应用.
3. 结合向量法进行证明和求解
【易错点睛】
(1)在推证线面平行时,一定要强调直线不在平面内,否则,会出现错误.
(2)把线面平行转化为线线平行时,必须说清经过已知直线的平面与已知平面相交,则直线与交线平行.
(1) 证明过程要规范
(2) 注意角度的取值范围(线线、线面和面面)
例1.【2017山东,文18】(本小题满分12分)由四棱柱ABCD-A1B1C1D1截去三棱锥C1- B1CD1后得到的几何体如图所示,四边形ABCD为正方形,O为AC与BD 的交点,E为AD的中点,A1E平面ABCD,
(Ⅰ)证明:∥平面B1CD1;
(Ⅱ)设M是OD的中点,证明:平面A1EM平面B1CD1.
【答案】①证明见解析.②证明见解析.
【解析】
试题分析:(Ⅰ)取中点,证明,(Ⅱ)证明面.
(II)因为 ,,分别为和的中点,
所以,
因为为正方形,所以,
又 平面,平面
所以
因为
所以
又平面,.
所以平面
又平面,
所以平面平面.
【易错点】不会灵活应用线线、线面和面面平行的判定定理和性质定理进行转换,答题过程不规范。
【热点预测】
1.设,是两个不同的平面,是直线且.“”是“”的( )
A.充分而不必要条件 B.必要而不充分条件
C.充分必要条件 D.既不充分也不必要条件
【答案】B
2.【【衡水金卷压轴卷】2018年模拟(二)】已知在底面为菱形的直四棱柱中, ,若,则异面直线与所成的角为( )
A. B. C. D.
【答案】D
【解析】
连接,
四边形为菱形, ,.又为直角三角形, ,得,四边形为正方形.连接交于点 ,(或其补角)为异面直线与所成的角,由于为正方形, ,故异面直线与所成的角为.
故选:.
3.【2018届广东省深圳市高考模拟二】已知、为两条不同的直线,、为两个不同的平面,则下列命题中正确的是
A. 若,,且,则
B. 若平面内有不共线的三点到平面的距离相等,则
C. 若,则
D. 若,则
【答案】D
【解析】
4.【黑龙江省2018年仿真模拟(十一)】已知是两条不同的直线,是两个不同的平面,则下列命题正确的是( )
A. 若垂直于同一平面,则与平行
B. 若平行于同一平面,则与平行
C. 若不平行,则在内不存在与平行的直线
D. 若不平行,则与不可能垂直于同一平面
【答案】D
【解析】
垂直于同一平面的两平面相交或平行,A不正确;
平行于同一平面的两直线可相交、平行或异面,B不正确;
平面不平行即相交,在一个平面内平行两平面交线的直线与另一平面平行,C不正确;
D为直线与平面垂直性质定理的逆否命题,故D正确.
本题选择D选项.
5.【2018届上海市大同中学三模】平面外有两条直线和,如果和在平面内的摄影分别是和,给出下列四个命题:①;②;③与相交 与相交或重合;④与平行 与平行或重合;其中不正确的命题个数是( )
A. 1 B. 2 C. 3 D. 4
【答案】D
【解析】
结合题意逐一分析所给的四个说法,在如图所示的正方体中:
对于说法①:若取平面为,,分别为,分别为,
满足,但是不满足,该说法错误;
对于说法②:若取平面为,,分别为,分别为,
满足,但是不满足,该说法错误;
对于说法③:若取平面为,,分别为,分别为,
满足与相交,但是与异面,该说法错误;
对于说法④:若取平面为,,分别为,分别为,
满足与平行,但是与异面,该说法错误;
综上可得:不正确的命题个数是4.
本题选择D选项.
6.【2018届福建省莆田第九中学高考模拟】过正方体的顶点的平面与直线垂直,且平面与平面的交线为直线,平面与平面的交线为直线,则直线与直线所成角的大小为( )
A. B. C. D.
【答案】C
【解析】
故答案为:C.
7.已知二面角为,,,A为垂足,,,,则异面直线与所成角的余弦值为 ( )
A. B. C. D.
【答案】B.
【解析】如图作于,连结,过作∥,作于,连结,则设.在中,在中,在中,异面直线与所成角的余弦值为,故选B.
8.【2017课标II,理10】已知直三棱柱中,,,,则异面直线与所成角的余弦值为( )
A. B. C. D.
【答案】C
9.【2018届福建省罗源第一中学5月校考】设分别是正方体的棱上两点,且,给出下列四个命题:①三棱锥的体积为定值;②异面直线与所成的角为;③平面;④直线与平面所成的角为.其中正确的命题为( )
A. ①② B. ②③ C. ①②④ D. ①④
【答案】A
【解析】
由题意得,如图所示,
10.【江苏省南通市2018年高考模拟】在正四棱锥中,E,F分别为棱VA,VC的中点.
(1)求证:EF∥平面ABCD;
(2)求证:平面VBD⊥平面BEF.
【答案】(1)见解析(2)见解析
【解析】
(1)因为E,F分别为棱VA,VC的中点,
所以EF∥AC,
又因为,,
所以EF∥平面ABCD. 学 .
11.【2018届上海市浦东新区5月三模】在四棱锥中,底面是边长为的正方形,平面,.
(1)求四棱锥的体积;
(2)求异面直线与所成角的大小.
【答案】(1) .(2) .
【解析】
12.【2018届宁夏银川一中四模】如图,四棱锥,,,,,M,O分别为CD和AC的中点,平面ABCD.
求证:平面平面PAC;
Ⅱ是否存在线段PM上一点N,使得平面PAB,若存在,求的值,如果不存在,说明理由.
【答案】(1)见解析(2)当N为PM靠近P点的三等分点时,平面PAB.
【解析】
解:连结MO并延长交AB于E,设AC,BM的交点为F.
,O是CD,AC的中点,,,
是AB的中点,.
.
.
,,
≌,
,.
,.
,,即.
平面ABCD,平面ABCD,
,又平面PAC,平面PAC,,
平面PAC,又平面PBM,
平面.
13.如图,矩形所在的平面和平面互相垂直,等腰梯形中,∥,=2,,,,分别为,的中点,为底面的重心.
(Ⅰ)求证:∥平面;
(Ⅱ)求直线与平面所成角的正弦值.
F
A
C
D
E
O
B
M
【答案】(Ⅰ)见解析;(Ⅱ).
【解析】(Ⅰ)连结延长交于,则为的中点,又为的中点,
∴∥,又∵平面,∴∥平面 -------------------2分
连结,则∥,平面,∥平面 -----------------4分
∴平面∥平面, ----------------5分
平面, ----------------------6分
F
A
C
D
E
O
B
M
法二:以为原点建立如图所示空间直角坐标系,
-----------------7分
设平面的法向量为,
, -------------------8分
由 所以
令,则 ,所以,-----------------10分
∴ ---------------------11分
∴直线与平面所成角的正弦值为 -------------------12分
14.【2017北京,文18】如图,在三棱锥P–ABC中,PA⊥AB,PA⊥BC,AB⊥BC,PA=AB=BC=2,D为线段AC的中点,E为线段PC上一点.
(Ⅰ)求证:PA⊥BD;
(Ⅱ)求证:平面BDE⊥平面PAC;
(Ⅲ)当PA∥平面BDE时,求三棱锥E–BCD的体积.
【答案】详见解析
【解析】
(II)因为,为中点,所以,
由(I)知,,所以平面,
所以平面平面.
(III)因为平面,平面平面,
所以.
因为为的中点,所以,.
由(I)知,平面,所以平面.学 .
所以三棱锥的体积.
【考点剖析】
1.命题方向预测:
1.点、线、面的位置关系是本节的重点,也是高考的热点.以考查点、线、面的位置关系为主.
2.线面平行、面面平行的判定及性质是命题的热点.着重考查线线、线面、面面平行的转化及应用,同时考查逻辑推理能力与空间想象能力.
3.线线、线面、面面垂直的问题是命题的热点.着重考查垂直关系的转化及应用,同时考查逻辑推理能力与空间想象能力.
4.线线、线面、面面的位置关系问题,往往是平行、垂直关系综合考查,题型有选择题、填空题及解答题.难度中、低档题兼有.
2.课本结论总结:
1.平面的基本性质
公理1:如果一条直线上的两点在一个平面内,那么这条直线在此平面内.
公理2:过不在一条直线上的三点,有且只有一个平面.
公理3:如果两个不重合的平面有一个公共点,那么它们有且只有一条过该点的公共直线.
2.直线与直线的位置关系
(1)位置关系的分类
(2)异面直线所成的角
①定义:设a,b是两条异面直线,经过空间任一点O作直线a′∥a,b′∥b,把a′与b′所成的锐角(或直角)叫做异面直线a,b所成的角(或夹角).
②范围:.
3.直线与平面的位置关系有平行、相交、在平面内三种情况.
4.平面与平面的位置关系有平行、相交两种情况.
5.公理4
平行于同一条直线的两条直线互相平行.
6.定理
空间中如果两个角的两边分别对应平行,那么这两个角相等或互补.
7.直线与平面平行的判定与性质
判定 .
性质
定义
定理
图形
条件
a∩α=∅
a⊂α,b⊄α,a∥b
a∥α
a∥α,a⊂β,α∩β=b
结论
a∥α
b∥α
a∩α=∅
a∥b
8.面面平行的判定与性质
判定
性质
定义
定理
图形
条件
α∩β=∅
a⊂β,b⊂β,a∩b=P,a∥α,b∥α
α∥β,α∩γ=a,β∩γ=b
α∥β,a⊂β
结论
α∥β
α∥β
a∥b
a∥α
9.直线与平面垂直
(1)判定直线和平面垂直的方法
①定义法.
②利用判定定理:一条直线与一个平面内的两条相交直线都垂直,则该直线与此平面垂直.
③推论:如果在两条平行直线中,有一条垂直于一个平面,那么另一条直线也垂直于这个平面.
(2)直线和平面垂直的性质
①直线垂直于平面,则垂直于平面内任意直线.
②垂直于同一个平面的两条直线平行.
③垂直于同一条直线的两平面平行.
10.斜线和平面所成的角
斜线和它在平面内的射影所成的锐角,叫斜线和平面所成的角.
11.平面与平面垂直
(1)平面与平面垂直的判定方法
①定义法.
②利用判定定理:一个平面过另一个平面的垂线,则这两个平面垂直.
(2)平面与平面垂直的性质
两平面垂直,则一个平面内垂直于交线的直线垂直于另一个平面.
12.二面角的有关概念
(1)二面角:从一条直线出发的两个半平面所组成的图形叫做二面角.
(2)二面角的平面角:二面角棱上的一点,在两个半平面内分别作与棱垂直的射线,则两射线所成的角叫做二面角的平面角.
3.名师二级结论:
(1)异面直线的判定方法:
判定定理:平面外一点A与平面内一点B的连线和平面内不经过该点的直线是异面直线.
反证法:证明两线不可能平行、相交或证明两线不可能共面,从而可得两线异面.
(2)公理1的作用:①检验平面;②判断直线在平面内;③由直线在平面内判断直线上的点在平面内.
(3)公理2的作用:公理2及其推论给出了确定一个平面或判断“直线共面”的方法.
(4)公理3的作用:①判定两平面相交;②作两平面相交的交线;③证明多点共线.
(5)平行问题的转化关系:
(6)垂直问题的转化关系
线线垂直线面垂直面面垂直
性质
(7)证明直线相交,通常用平面的基本性质,平面图形的性质等;
(8)利用公理4或平行四边形的性质证明两条直线平行.
4.考点交汇展示:
(1)立体几何与函数交汇
【2017课标1,理16】如图,圆形纸片的圆心为O,半径为5 cm,该纸片上的等边三角形ABC的中心为O.D、E、F为圆O上的点,△DBC,△ECA,△FAB分别是以BC,CA,AB为底边的等腰三角形.沿虚线剪开后,分别以BC,CA,AB为折痕折起△DBC,△ECA,△FAB,使得D、E、F重合,得到三棱锥.当△ABC的边长变化时,所得三棱锥体积(单位:cm3)的最大值为 .
【答案】
【解析】
(2)立体几何与基本不等式交汇
如图, 在三棱锥中,.
(1)求证:平面平面;
(2)若,,当三棱锥的体积最大时,求的长.
P
A
B
C
【答案】(1)证明见解析;(2)当三棱锥的体积最大时,.
(2)方法1:由已知及(1)所证可知,平面,,
所以是三棱锥的高.……………………………7分
因为,,设,……………8分
所以.…………9分
因为
………………………………………………………………………10分
…………………………………………………………………………11分
.…………………………………………………………………………………………12分
当且仅当,即时等号成立.………………………………………………………13分
所以当三棱锥的体积最大时,.…………………………………………………14分
(3)立体几何与三角函数交汇
如图,已知,是的中点,沿直线将折成,所成二面角的平面角为,则( )
A. B. C. D.
【答案】B.
【解析】设,设,则由题意,在空间图形中,设,
在中,,
在空间图形中,过作,过作,垂足分别为,,
过作,连结,∴,
则就是二面角的平面角,∴,
在中,,,
同理,,,故,
显然面,故,
【考点分类】
考向一 线线、线面、面面平行与垂直关系的判定
1.【2017课标3,文10】在正方体中,E为棱CD的中点,则( )
A. B. C. D.
【答案】C
【解析】根据三垂线逆定理,平面内的线垂直平面的斜线,那也垂直于斜线在平面内的射影,A.若,那么,很显然不成立;B.若,那么,显然不成立;C.若,那么,成立,反过来时,也能推出,所以C成立,D.若,则,显然不成立,故选C.
2.【2018届安徽省六安市第一中学适应性考试】已知直线、,平面、,给出下列命题:
①若,,且,则
②若,,且,则
③若,,且,则
④若,,且,则
其中正确的命题是( )
A. ②③ B. ①③ C. ①④ D. ③④
【答案】C
【解析】分析:①可由面面垂直的判定定理进行判断;②可由面面平行的条件进行判断;③可由面面垂直的条件进行判断;④可由面面垂直的判定定理进行判断.
故选:C.学 .
【方法规律】
1.证明线线平行的方法:(1)平行公理;(2)线面平行的性质定理;(3)面面平行的性质定理;(4)向量平行.要注意线面、面面平行的性质定理的成立条件.
2.线面平行的证明方法:(1)线面平行的定义;(2)线面平行的判断定理;(3)面面平行的性质定理;(4)向量法:证明这条直线的方向向量和这个平面内的一个向量互相平行;证明这个直线的方向向量和这个平面的法向量相互垂直.
线面平行的证明思考途径:线线平行线面平行面面平行.
3.面面平行的证明方法:①反证法:假设两个平面不平行,则它们必相交,在导出矛盾;②面面平行的判断定理;③利用性质:垂直于同一直线的两个平面平行;平行于同一平面的两个平面平行;④向量法:证明两个平面的法向量平行.
4.证明线线垂直的方法:(1)异面直线所成的角为直角;(2)线面垂直的性质定理;(3)面面垂直的性质定理;(4)三垂线定理和逆定理;(5)勾股定理;(6)向量垂直.要注意线面、面面垂直的性质定理的成立条件.解题过程中要特别体会平行关系性质的传递性,垂直关系的多样性.
5.线面垂直的证明方法:(1)线面垂直的定义;(2)线面垂直的判断定理;(3)面面垂直的性质定理;(4)向量法:证明这个直线的方向向量和这个平面的法向量相互平行.线面垂直的证明思考途径:线线垂直线面垂直面面垂直.
6.面面垂直的证明方法:①定义法;②面面垂直的判断定理;③向量法:证明两个平面的法向量垂直.解题时要由已知相性质,由求证想判定,即分析法和综合法相结合寻找证明思路,关键在于对题目中的条件的思考和分析,掌握做此类题的一般技巧和方法,以及如何巧妙进行垂直之间的转化.
【解题技巧】
1.利用线面平行的性质,可以实现与线线平行的转化,尤其在截面图的画法中,常用来确定交线的位置,对于最值问题,常用函数思想来解决.
2.立体几何中的探索性问题主要是对平行、垂直关系的探究,对条件和结论不完备的开放性问题的探究,解决这类问题一般根据探索性问题的设问,假设其存在并探索出结论,然后在这个假设下进行推理论证,若得到合乎情理的结论就肯定假设,若得到矛盾就否定假设.
3.证明线面垂直的核心是证线线垂直,而证明线线垂直则需借助线面垂直的性质.因此,判定定理与性质定理的合理转化是证明线面垂直的基本思想.
4.线面垂直的性质,常用来证明线线垂直.
5.在已知平面垂直时,一般要用性质定理进行转化.
6.垂直关系综合题的类型及解法
(1)三种垂直的综合问题,一般通过作辅助线进行线线、线面、面面垂直间的转化.
(2)垂直与平行结合问题,求解时应注意平行、垂直的性质及判定的综合应用.
(3)垂直与体积结合问题,在求体积时,可根据线面垂直得到表示高的线段,进而求得体积.
7.线面平行、垂直关系的证明问题的指导思想是线线、线面、面面关系的相互转化,交替使用平行、垂直的判定定理和性质定理;
8.线线关系是线面关系、面面关系的基础.证题中要注意利用平面几何中的结论,如证明平行时常用的中位线、平行线分线段成比例;证明垂直时常用的等腰三角形的中线等;
【易错点睛】
1.在推证线面平行时,一定要强调直线不在平面内,否则,会出现错误.
2.在解决线面、面面平行的判定时,一般遵循从“低维”到“高维”的转化,即从“线线平行”到“线面平行”,再到“面面平行”;而在应用性质定理时,其顺序恰好相反,但也要注意,转化的方向总是由题目的具体条件而定,决不可过于“模式化”.
3.解题中注意符号语言的规范应用.
4.在解决直线与平面垂直的问题过程中,要注意直线与平面垂直的定义、判定定理和性质定理的联合交替使用,即注意线线垂直和线面垂直的互相转化.
5.面面垂直的性质定理是作辅助线的一个重要依据.我们要作一个平面的一条垂线,通常是先找这个平面的一个垂面,在这个垂面中,作交线的垂线即可.
6.证明过程一定要严谨,使用定理时要对照条件、步骤书写要规范.
例.已知和是两条不同的直线,和是两个不重合的平面,那么下面给出的条件中一定能推出的是
A.,且 B.∥,且
C.,且∥ D.,且∥
【答案】B
【解析】∵m∥n, ∴ 故选B.
【易错点】没有掌握线面垂直的条件
考向二 空间线线、线面及面面关系中的角度问题
1.【2018年理数全国卷II】在长方体中,,,则异面直线与所成角的余弦值为( )
A. B. C. D.
【答案】C
2.【2017课标3,理16】a,b为空间中两条互相垂直的直线,等腰直角三角形ABC的直角边AC所在直线与a,b都垂直,斜边AB以直线AC为旋转轴旋转,有下列结论:
①当直线AB与a成60°角时,AB与b成30°角;
②当直线AB与a成60°角时,AB与b成60°角;
③直线AB与a所成角的最小值为45°;
④直线AB与a所成角的最小值为60°.
其中正确的是 .(填写所有正确结论的编号)
【答案】②③
【解析】
【方法规律】
求异面直线所成的角常用方法是平移法,平移的方法一般有三种类型:利用图中已有的平行线平移;利用特殊点(线段的端点或中点)作平行线平移;补形平移.
判定空间两条直线是异面直线的方法
(1)判定定理:平面外一点A与平面内一点B的连线和平面内不经过该点B的直线是异面直线.
(2)反证法:证明两线不可能平行、相交或证明两线不可能共面,从而可得两线异面.
3.求两条异面直线所成角的大小,一般方法是通过平行移动直线,把异面问题转化为共面问题来解决.根据空间等角定理及推论可知,异面直线所成角的大小与顶点位置无关,往往可以选在其中一条直线上(线面的端点或中点)利用三角形求解.
【解题技巧】
求异面直线所成的角的三步曲:即“一作、二证、三求”.其中空间选点任意,但要灵活,经常选择“端点、中点、等分点”,通过作三角形的中位线,平行四边形等进行平移,作出异面直线所成的角,转化为解三角形问题,进而求解.
【易错点睛】
1.正确理解异面直线“不同在任何一个平面内”的含义,不要理解成“不在同一个平面内”.
2.不共线的三点确定一个平面,一定不能丢掉“不共线”条件.
3.两条异面直线所成角的范围是(0°,90° .
例.过正方体ABCD-A1B1C1D1的顶点A作直线l,使l与棱AB,AD,AA1所成的角都相等,这样的直线l可以作 ( )
A.1条 B.2条 C.3条 D.4条
【答案】 D
【易错点】忽视异面直线所成的角,只找两条相交直线所成角,没有充分认识正方体中的平行关系.
考向三 线线、线面、面面的位置关系的综合问题
1.【2018年江苏卷】在平行六面体中,.
求证:(1);
(2).
【答案】答案见解析
【解析】证明:(1)在平行六面体ABCD-A1B1C1D1中,AB∥A1B1.因为AB平面A1B1C,A1B1平面A1B1C,
所以AB∥平面A1B1C.
(2)在平行六面体ABCD-A1B1C1D1中,四边形ABB1A1为平行四边形.又因为AA1=AB,所以四边形ABB1A1为菱形,因此AB1⊥A1B.又因为AB1⊥B1C1,BC∥B1C1,所以AB1⊥BC.
又因为A1B∩BC=B,A1B平面A1BC,BC平面A1BC,所以AB1⊥平面A1BC.因为AB1平面ABB1A1,
所以平面ABB1A1⊥平面A1BC.
2. 【2018年浙江卷】如图,已知多面体ABCA1B1C1,A1A,B1B,C1C均垂直于平面ABC,∠ABC=120°,A1A=4,C1C=1,AB=BC=B1B=2.
(Ⅰ)证明:AB1⊥平面A1B1C1;
(Ⅱ)求直线AC1与平面ABB1所成的角的正弦值.
【答案】(Ⅰ)见解析(Ⅱ)
【解析】分析:方法一:(Ⅰ)通过计算,根据勾股定理得,再根据线面垂直的判定定理得结论,(Ⅱ)找出直线AC1与平面ABB1所成的角,再在直角三角形中求解.
方法二:(Ⅰ)根据条件建立空间直角坐标系,写出各点的坐标,根据向量之积为0得出,再根据线面垂直的判定定理得结论,(Ⅱ)根据方程组解出平面的一个法向量,然后利用与平面法向量的夹角的余弦公式及线面角与向量夹角的互余关系求解.
详解:方法一:
(Ⅱ)如图,过点作,交直线于点,连结.
方法二:
(Ⅰ)如图,以AC的中点O为原点,分别以射线OB,OC为x,y轴的正半轴,建立空间直角坐标系O-xy .
由题意知各点坐标如下:
因此由得.
由得.所以平面.
【解题技巧】
1. 利用线线、线面和面面的平行、垂直关系相互转化.
2. 求线面所成角时注意垂直关系的应用.
3. 结合向量法进行证明和求解
【易错点睛】
(1)在推证线面平行时,一定要强调直线不在平面内,否则,会出现错误.
(2)把线面平行转化为线线平行时,必须说清经过已知直线的平面与已知平面相交,则直线与交线平行.
(1) 证明过程要规范
(2) 注意角度的取值范围(线线、线面和面面)
例1.【2017山东,文18】(本小题满分12分)由四棱柱ABCD-A1B1C1D1截去三棱锥C1- B1CD1后得到的几何体如图所示,四边形ABCD为正方形,O为AC与BD 的交点,E为AD的中点,A1E平面ABCD,
(Ⅰ)证明:∥平面B1CD1;
(Ⅱ)设M是OD的中点,证明:平面A1EM平面B1CD1.
【答案】①证明见解析.②证明见解析.
【解析】
试题分析:(Ⅰ)取中点,证明,(Ⅱ)证明面.
(II)因为 ,,分别为和的中点,
所以,
因为为正方形,所以,
又 平面,平面
所以
因为
所以
又平面,.
所以平面
又平面,
所以平面平面.
【易错点】不会灵活应用线线、线面和面面平行的判定定理和性质定理进行转换,答题过程不规范。
【热点预测】
1.设,是两个不同的平面,是直线且.“”是“”的( )
A.充分而不必要条件 B.必要而不充分条件
C.充分必要条件 D.既不充分也不必要条件
【答案】B
2.【【衡水金卷压轴卷】2018年模拟(二)】已知在底面为菱形的直四棱柱中, ,若,则异面直线与所成的角为( )
A. B. C. D.
【答案】D
【解析】
连接,
四边形为菱形, ,.又为直角三角形, ,得,四边形为正方形.连接交于点 ,(或其补角)为异面直线与所成的角,由于为正方形, ,故异面直线与所成的角为.
故选:.
3.【2018届广东省深圳市高考模拟二】已知、为两条不同的直线,、为两个不同的平面,则下列命题中正确的是
A. 若,,且,则
B. 若平面内有不共线的三点到平面的距离相等,则
C. 若,则
D. 若,则
【答案】D
【解析】
4.【黑龙江省2018年仿真模拟(十一)】已知是两条不同的直线,是两个不同的平面,则下列命题正确的是( )
A. 若垂直于同一平面,则与平行
B. 若平行于同一平面,则与平行
C. 若不平行,则在内不存在与平行的直线
D. 若不平行,则与不可能垂直于同一平面
【答案】D
【解析】
垂直于同一平面的两平面相交或平行,A不正确;
平行于同一平面的两直线可相交、平行或异面,B不正确;
平面不平行即相交,在一个平面内平行两平面交线的直线与另一平面平行,C不正确;
D为直线与平面垂直性质定理的逆否命题,故D正确.
本题选择D选项.
5.【2018届上海市大同中学三模】平面外有两条直线和,如果和在平面内的摄影分别是和,给出下列四个命题:①;②;③与相交 与相交或重合;④与平行 与平行或重合;其中不正确的命题个数是( )
A. 1 B. 2 C. 3 D. 4
【答案】D
【解析】
结合题意逐一分析所给的四个说法,在如图所示的正方体中:
对于说法①:若取平面为,,分别为,分别为,
满足,但是不满足,该说法错误;
对于说法②:若取平面为,,分别为,分别为,
满足,但是不满足,该说法错误;
对于说法③:若取平面为,,分别为,分别为,
满足与相交,但是与异面,该说法错误;
对于说法④:若取平面为,,分别为,分别为,
满足与平行,但是与异面,该说法错误;
综上可得:不正确的命题个数是4.
本题选择D选项.
6.【2018届福建省莆田第九中学高考模拟】过正方体的顶点的平面与直线垂直,且平面与平面的交线为直线,平面与平面的交线为直线,则直线与直线所成角的大小为( )
A. B. C. D.
【答案】C
【解析】
故答案为:C.
7.已知二面角为,,,A为垂足,,,,则异面直线与所成角的余弦值为 ( )
A. B. C. D.
【答案】B.
【解析】如图作于,连结,过作∥,作于,连结,则设.在中,在中,在中,异面直线与所成角的余弦值为,故选B.
8.【2017课标II,理10】已知直三棱柱中,,,,则异面直线与所成角的余弦值为( )
A. B. C. D.
【答案】C
9.【2018届福建省罗源第一中学5月校考】设分别是正方体的棱上两点,且,给出下列四个命题:①三棱锥的体积为定值;②异面直线与所成的角为;③平面;④直线与平面所成的角为.其中正确的命题为( )
A. ①② B. ②③ C. ①②④ D. ①④
【答案】A
【解析】
由题意得,如图所示,
10.【江苏省南通市2018年高考模拟】在正四棱锥中,E,F分别为棱VA,VC的中点.
(1)求证:EF∥平面ABCD;
(2)求证:平面VBD⊥平面BEF.
【答案】(1)见解析(2)见解析
【解析】
(1)因为E,F分别为棱VA,VC的中点,
所以EF∥AC,
又因为,,
所以EF∥平面ABCD. 学 .
11.【2018届上海市浦东新区5月三模】在四棱锥中,底面是边长为的正方形,平面,.
(1)求四棱锥的体积;
(2)求异面直线与所成角的大小.
【答案】(1) .(2) .
【解析】
12.【2018届宁夏银川一中四模】如图,四棱锥,,,,,M,O分别为CD和AC的中点,平面ABCD.
求证:平面平面PAC;
Ⅱ是否存在线段PM上一点N,使得平面PAB,若存在,求的值,如果不存在,说明理由.
【答案】(1)见解析(2)当N为PM靠近P点的三等分点时,平面PAB.
【解析】
解:连结MO并延长交AB于E,设AC,BM的交点为F.
,O是CD,AC的中点,,,
是AB的中点,.
.
.
,,
≌,
,.
,.
,,即.
平面ABCD,平面ABCD,
,又平面PAC,平面PAC,,
平面PAC,又平面PBM,
平面.
13.如图,矩形所在的平面和平面互相垂直,等腰梯形中,∥,=2,,,,分别为,的中点,为底面的重心.
(Ⅰ)求证:∥平面;
(Ⅱ)求直线与平面所成角的正弦值.
F
A
C
D
E
O
B
M
【答案】(Ⅰ)见解析;(Ⅱ).
【解析】(Ⅰ)连结延长交于,则为的中点,又为的中点,
∴∥,又∵平面,∴∥平面 -------------------2分
连结,则∥,平面,∥平面 -----------------4分
∴平面∥平面, ----------------5分
平面, ----------------------6分
F
A
C
D
E
O
B
M
法二:以为原点建立如图所示空间直角坐标系,
-----------------7分
设平面的法向量为,
, -------------------8分
由 所以
令,则 ,所以,-----------------10分
∴ ---------------------11分
∴直线与平面所成角的正弦值为 -------------------12分
14.【2017北京,文18】如图,在三棱锥P–ABC中,PA⊥AB,PA⊥BC,AB⊥BC,PA=AB=BC=2,D为线段AC的中点,E为线段PC上一点.
(Ⅰ)求证:PA⊥BD;
(Ⅱ)求证:平面BDE⊥平面PAC;
(Ⅲ)当PA∥平面BDE时,求三棱锥E–BCD的体积.
【答案】详见解析
【解析】
(II)因为,为中点,所以,
由(I)知,,所以平面,
所以平面平面.
(III)因为平面,平面平面,
所以.
因为为的中点,所以,.
由(I)知,平面,所以平面.学 .
所以三棱锥的体积.
相关资料
更多

