初中物理第3节 电磁铁 电磁继电器课堂检测
展开1.在扬声器、电磁起重机、电话三种电器设备中,其具有相同的特性是均用到磁性,关于磁性的获得正确的是
A.利用天然的大磁体B.利用地磁场强大的磁力
C.利用电磁感应的原理D.利用电磁铁产生的磁性
2.弹簧测力计挂住一条形磁铁置于螺线管的正上方,如图所示.闭合开关S,弹簧测力计示数将( )
A.变小B.先变小后变大C.变大D.不变
3.如图所示,闭合开关S,下列说法正确的是( )
A.电磁铁的左端是S极
B.电磁铁的左端是N极
C.将电池正负极对调,电磁铁左端的极性不变
D.滑动变阻器的滑片P向左移动时,电磁铁的磁性减弱
4.如图所示,对图片中所描述的物理现象或过程,下列分析正确的是
A.图甲:当电流过大时,保险丝先熔断,所以家庭电路中可以用铜丝代替保险丝
B.图乙:使用试电笔时,用指尖抵住上端的金属帽会发生触电事故
C.图丙:司南静止时,它的长柄指向南方,说明长柄是N极
D.图丁:匝数一定时,增大电流,电磁铁吸引曲别针的数目会增加
5.如图所示的是一款磁悬浮蓝牙音箱,底座通电后,上面的磁体音箱就会在底座产生的磁场作用下悬浮起来。下列说法正确的是( )
A.音箱受到的磁力方向竖直向下
B.音箱悬浮利用了异名磁极相互排斥
C.音箱悬浮时受到的磁力小于音箱受到的重力
D.底座通电后产生磁场的原理与电磁铁的工作原理相同
6.下列部分物理知识总结正确的是( )
A.铜、纯水是导体;塑料、玻璃、橡胶、水银是绝缘体
B.电磁铁的线圈如果用超导材料绕制而成,可以得到很强的磁场
C.单车配有宽大的车座是通过增大受力面积来减小压力的
D.摩托车的消声器,是在传播过程中减弱噪声
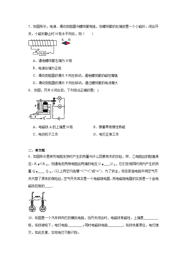
7.如图所示,电源、滑动变阻器与螺线管相连,在螺线管的右端放置一个小磁针。闭合开关,小磁针静止时N极水平向右,则( )
A.通电螺线管左端为N极
B.电源右端为正极
C.滑动变阻器的滑片P向左移动,通电螺线管的磁性增强
D.滑动变阻器的滑片P向右移动,通过螺线管的电流增大
8..如图,开关S闭合后,下列说法正确的是( )
A.电磁铁A的上端是N极B.弹簧具有弹性势能
C.电动机不工作D.电灯正常工作
二、填空题
9.如图所示是研究电阻发热时产生的热量与什么因素有关的实验,甲、乙电阻丝的阻值满足:R甲<R乙,则通电后两根电阻丝两端的电压U甲 U乙,它们在相同时间内产生的热量Q甲 Q乙,(以上两空均选填“<”“<”或“=”).为了安全,现在家庭电路中用空气开关代替了原来的保险丝,空气开关其实是一个电磁继电器,而电磁继电器的实质是一个由电磁铁控制的 .
10.如图是一个汽车转向灯的模拟电路,当开关闭合时,电磁铁有磁性,上端是 极,衔铁被吸下,电灯电路 ;同时电磁铁电路 ,衔铁恢复原位,电灯熄灭,如此反复,实现电灯不断闪烁。
11.图(a)所示是磁悬浮列车的结构示意图,图(b)所示是电磁铁A、B的简易原理图。根据学过的知识判断电磁铁A下端为 极,电磁铁B的上端为 极。当磁悬浮列车加速驶出车站时,列车的动能 (选填“增大”“不变”或“减小”)。
12.如图是一种温度自动报警器的原理图。在水银温度计里封入一段金属丝,当温度达到金属丝下端所指示的温度时,就可以发出报警信号。现将该装置设定为高温报警器,若报警灯为红色,正常状态指示灯为绿色,则灯L2 应为 色。(选填“红”或“绿”)
三、作图题
13.如图,是简单的火警自动报警装置所需的电路元件.其中,温控开关在温度升高到某值时自动闭合,常温时自动断开.要求:当发生火灾时红灯亮、电铃响,发出报警信号;正常情况下绿灯亮.请按上述要求,将图中元件连成一个火警报警器电路(a、b、c为三个接线柱).
四、实验题
14.为了探究“电磁铁的磁性强弱与哪些因素”有关,小金做了以下几次实验,实验现象如图所示.根据图示现象回答下列问题:
(1)观察图甲中A与B两个电磁铁,当通过线圈的电流相同、有无铁芯相同时,电磁铁线圈的匝数越多,它的磁性就越 .
(2)观察图甲中B与C两个电磁铁,当通过线圈的电流相同、线圈的匝数相同时, (填“有”或“无”)铁芯的线圈,磁性更强.
(3)观察图乙与图丙,当线圈的匝数相同时,电磁铁的电流越 ,它的磁性就越强.
15.在探究通电螺线管外部磁场分布的实验中。
(1)在嵌入螺线管的有机玻璃板上均匀撒些细铁屑,通电后 有机玻璃板(填写操作方法),细铁屑的排列如图甲所示。
(2)由此可以判断,通电螺线管外部的磁场分布与 周围的磁场分布是相似的。
(3)将小磁针放在通电螺线管外部,小磁针静止时 (选填N或S)极的指向就是该点处磁场的方向。
(4)小明利用上述通电螺线管制成了简易的电磁铁甲、乙,并设计了如图乙所示的电路。根据图示的情景可知, (选填甲或乙)的磁性强,说明电流一定时,线匝数越 (选填多或少),电磁铁磁性越引
(5)被电磁铁吸引的大头针下端分散的原因是
人教版第3节 电磁铁 电磁继电器课时训练: 这是一份人教版<a href="/wl/tb_c83799_t7/?tag_id=28" target="_blank">第3节 电磁铁 电磁继电器课时训练</a>,共6页。试卷主要包含了选择题,填空题,作图题,实验题等内容,欢迎下载使用。
人教版九年级全册第3节 电磁铁 电磁继电器课时练习: 这是一份人教版九年级全册<a href="/wl/tb_c83799_t7/?tag_id=28" target="_blank">第3节 电磁铁 电磁继电器课时练习</a>,共7页。试卷主要包含了电磁铁,电磁继电器,2A时,继电器衔铁被吸下来等内容,欢迎下载使用。
物理九年级全册第3节 电磁铁 电磁继电器当堂达标检测题: 这是一份物理九年级全册<a href="/wl/tb_c83799_t7/?tag_id=28" target="_blank">第3节 电磁铁 电磁继电器当堂达标检测题</a>,共6页。试卷主要包含了 电磁铁, 电磁铁的原理,电磁铁的优点等内容,欢迎下载使用。

