初中物理人教版九年级全册第1节 电压精品当堂达标检测题
展开课时16.5 第十六章 电压和电阻复习总结(帮课堂)(原卷版)
【学习目标】
1.知道:电压的单位及其换算关系;电阻是导体本身的一种性质;能画出电阻在电路图中的符号;电阻大小的单位及其单位换算;正确使用滑动变阻器的方法;
2.了解:电压的作用和电源是提供电压的装置;生活中常见电源电压值;变阻器的结构、电路符号;
3.能:通过实验探究串联电路中的电压规律;提高连接电路的能力,分析实验,掌握规律,并能运用规律解决问题;通过实验探究并联电路中的电压规律;提高连接电路的能力,分析实验,掌握规律,并能运用规律解决问题;
4.掌握:电压表的用途与符号,会使用电压表测量电压;
5.会:用控制变量法探究影响电阻大小的因素;连接使用变阻器;
6.理解:电压的概念;电阻的概念;电阻的大小与导体的材料、长度、横截面积及温度有关;变阻器的工作原理。
【知识导图】
【专题复习】
1.判断电路中电表的类型
※专题概述
判断电路中电表的类型是中学物理考试中常考的题型。解答此类问题,一般有四种方法:
方法 | 解读 |
直接观察法 | 根据电流表、电压表接入电路的方式来判断。电流表串联在电路中,电压表并联在电路中。 |
电流路径法 | 根据题中要求,画出电路中电流的路径,在路径中的电表是电流表,不在电流路径中的电表是电压表 |
去表分析法 | 如果把电路中电表去掉,影响了某些用电器的工作,则去掉的是电流表;反之,去掉的是电压表 |
假设判断法 | 先假设电路中的电表是电流表或电压表,再分析电路对否出现故障,或是否符合要求。如无故障或符合要求,则假设正确;若出现短路、断路等电路故障或不符合要求,则假设错误 |
典例一如图所示,要使L1与L2串联,在“〇”处接入电流表或电压表,测量电路中的电流、L1两端的电压。以下做法正确的是( )。
A.a为电流表,b为电流表 B.a为电压表,b为电流表
C.a为电流表,b为电压表 D.a为电压表,b为电压表
典例二 请将电源、电流表,电压表三个元件的符号填入下图电路的虚线框内,并将电路补充完整。要求:开关S闭合后,电流方向如图所示,移动滑动变阻器的滑片P,小灯泡L变亮时,电压表的示数变小。
典例三 在如图中,要使L1与L2串联,在“〇”处接入电流表或电压表,测量电路中的电流、L1两端的电压。以下做法正确的是( )。
A.a为电流表,b为电流表 B.a为电压表,b为电流表
C.a为电流表,b为电压表 D.a为电压表,b为电压表
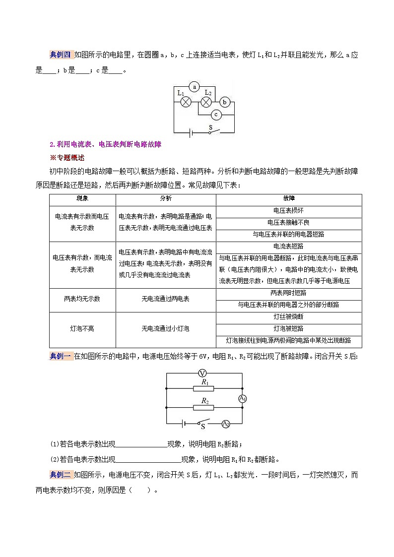
典例四 如图所示的电路里,在圆圈a,b,c上连接适当电表,使灯L1和L2并联且能发光,那么a应是 ;b是 ;c是 。
2.利用电流表、电压表判断电路故障
※专题概述
初中阶段的电路故障一般可以概括为断路、短路两种。分析和判断电路故障的一般思路是先判断故障原因是断路还是短路,然后再判断判断故障位置。常见故障见下表:
现象 | 分析 | 故障 |
电流表有示数而电压表无示数 | 电流表有示数,表明电路是通路;电压表无示数,表明无电流通过电压表 | 电压表损坏 |
电压表接触不良 | ||
与电压表并联的用电器短路 | ||
电压表有示数,而电流表无示数 | 电压表有示数,表明电路中有电流流过电压表;电流表无示数,表明没有或几乎没有电流流过电流表 | 电流表短路 |
与电压表并联的用电器断路,此时电流表与电压表串联(电压表内阻很大),电路中的电流太小,致使电流表无明显示数,但电压表示数几乎等于电源电压 | ||
两表均无示数 | 无电流通过两电表 | 两表同时短路 |
与电压表并联的用电器之外的部分断路 | ||
灯泡不亮 | 无电流通过小灯泡 | 灯丝被烧断 |
灯泡被短路 | ||
灯泡接线柱到电源两极间的电路中某处出现断路 |
典例一 在如图所示的电路中,电源电压始终等于6V,电阻R1、R2可能出现了断路故障。闭合开关S后:
(1)若各电表示数出现 现象,说明电阻R2断路;
(2)若各电表示数出现 现象,说明电阻R1和R2都断路。
典例二 如图所示,电源电压不变,闭合开关S后,灯L1、L2都发光.一段时间后,一灯突然熄灭,而两电表示数均不变,则原因是( )。
A.灯L1断路 B.灯L2断路 C.灯L1短路 D.灯L2短路
典例三 如图所示的电路中,当闭合开关S后,发现两灯都不亮,电流表指针几乎指在零刻度线不动,电压表指针则有明显的偏转,该电路中的故障可能是( )。
A.电流表被烧坏了 B.灯泡L1的灯丝断了
C.两个灯泡都断路 D.灯泡L2的灯丝断了
典例四 在如图所示的电路中,电源电压保持不变,开关S闭合后,有一个电表的指针没有发生偏转。移动滑动变阻器的滑片,此时观察到只有一个电表指针的位置在改变,则故障是( )。
A.变阻器R1短路 B.电阻R2短路
C.变阻器R1断路 D.电阻R2断路[
3.串、并联电路电压规律的探究与应用
※专题概述
串并联电路中电压规律的探究
(1)串联电路中电压规律的探究
取两个小灯泡L1、L2串联在电路中,用电压表分别测量L1、L2和电源两端电压。换用不同规格的小灯泡重复实验,找出电压之间的规律,得出U1+U2=U。
(2)并联电路中电压规律的探究
取两个小灯泡L1、L2并联在电路中,用电压表分别测量L1、L2和电源两端电压。换用不同规格的小灯泡重复实验,找出电压之间的规律,得出U1=U2=U。
(3)应注意的问题
连接电路时开关应断开;电压表应与被测部分并联;电流应从电压表正极流入,从负极流出;正确选择电压表量程;应选用不同规格的小灯泡进行多次测量,使实验结论更具有普遍性。
典例一 按照课本要求探究串联电路中电压的规律,小明设计的电路如图所示。根据电路图把电压表分别接入到电路中的AB、BC、AC之间,测出它们的电压。
实验次数 | AB之间电压 | BC间电压 | AC间电压 |
1 | 2.5 V | 3.5V |
|
(1)闭合开关时,发现电压表示数为0,则故障可能是______或______;
(2)AC之间电压如图乙所示,将读出的结果填入表中______;
(3)在表格中记录数据后,下一步首先应该做的是______;
A.整理器材,结束实验
B.换用不同规格的小灯泡,再测出几组电压值
C.分析数据,得出结论
D.换用电压表的另一量程,再测出一组电压值
(4)通过对上面数据的分析,可以得出的结论是:______;
(5)指出表格的设计有哪个地方不合理?______。
典例二 小洛和小阳同学在“探究串联电路电压的规律”实验时,设计了如图甲所示的电路。
(1)连接电路前,小阳发现电压表指针如图乙所示,接下来他要进行的操作是 _____。
(2)小洛根据图甲连接好电路,闭合开关,发现L1、L2均不发光,电压表有示数且接近电源电压,则电路中出现的故障可能是L1发生了 _____(选填“短路”或“断路”)。
(3)排除故障后,测量L1两端电压时,电压表的示数如图丙所示,此时L1两端的电压是 _____V,接下来在测量L2两端电压时,小洛直接把电压表接A的一端拆下来改接到C,小阳提醒他这种做法是错误的,请说明错误原因 _____。
(4)改正错误后,小洛继续进行实验,得到如表所示的实验数据,小阳指出,为了使实验结论具有普遍性,还应该 _____。
UAB/V | UBC/V | UAC/V |
1.2 | 1.2 | 2.4 |
(5)正确进行实验后,小洛总结得出串联电路的电压规律是 _____。
典例三 如图所示,开关S闭合后,电压表的示数为2V,电压表的示数为3V,则等于( )。
A.2:3 B.3:2 C.2:1 D.1:2
典例四 在如图甲所示电路中,当闭合开关后,两个电压表指针偏转均如图乙所示,则电阻R1和R2两端的电压分别为( )。
A.2.3V、9.2V B.11.5V、2.3V C.2.3V、11.5V D.9.2V、2.3V
4.影响电阻大小的因素
※专题概述
典例一 现有同种材料制成的三根电阻丝,已知它们的长度关系为:L1>L2=L3, 横截面积的关系为:S1=S2<S3, 现将它们串联接入电路,关于它们的电阻和通过它们的电流,正确的是( )。
A.R1<R2=R3 , I1=I2=I3
B.R1=R2>R3, I1=I2>I3
C.R1>R2>R3, I1>I2>I3
D.R1>R2>R3, I1=I2=I3
典例二 如图所示,AB、CD是长度相同的两条镍铬合金线,AB的横截面积大于CD的。将它们分别接入电路进行实验,则接AB时电流表的示数 ______(选填“大于”、“小于”或“等于”)接CD时电流表的示数。该实验是为了探究导体的电阻大小与 ______的关系。如果再提供一条外形和CD完全相同的锰铜合金线,还可以研究导体的电阻大小与导体的 ______关系。
典例三 关于导体的电阻,下列说法正确的是( )。
A.当导体两端电压和通过导体的电流为零时,导体的电阻为零;
B.当导体被均匀拉长至原来的二倍时,导体的电阻将减小;
C.白炽灯泡常温下电阻小于正常工作时的电阻;
D.导体的电阻与电流大小成反比
典例四在探究“影响导体电阻大小因素”的实验中,保持电源电压不变,如图所示,在M、N两点之间分别接入不同的电阻丝,其规格如下表所示:
编号 | 材料 | 长度/m | 横截面积/ |
A | 镍铬合金 | 0.5 | 0.5 |
B | 镍铬合金 | 1.0 | 0.5 |
C | 镍铬合金 | 0.5 | 1.0 |
D | 锰铜合金 | 0.5 | 0.5 |
(1)实验中应通过观察_______来比较电阻的大小,这种实验方法叫______;
(2)选用编号为A、B的两根电阻丝进行实验,可以探究导体电阻大小与______的关系;
(3)选用编号为A、C的两根电阻丝进行实验,可以探究导体电阻大小与______的关系;
(4)为了探究导体电阻大小与导体材料的关系,应选用编号为______的两根电阻丝进行实验。
5.滑动变阻器
※专题概述
(1)滑动变阻器接线原则:“一上一下”,一端接上接线柱,一端接下接线柱;
(2)滑动变阻器阻值变化原则:“远大近小”,滑片与下接线柱的距离越远阻值越大,越近阻值越小;
(3)滑动变阻器在电路中的作用:保护电路—连接好电路,开关闭合前,应调节变阻器在阻值最大处;通过改变接入电路中阻值的变化,来改变电路中电流大小,从而改变与之串联的导体两端电压。
典例一 如图所示,将一根铅笔芯通过两个夹子接入电路中,当只把右端夹子向左移时,铅笔芯接入电路的电阻变小,小灯泡变亮,导致铅笔芯接入电路的电阻变小的主要因素是( )。
A.材料 B.长度 C.温度 D.横截面积
典例二 为了减少碳排放,国家大力推行电动汽车。电动汽车的速度由流经电动机的电流大小控制,当驾驶员向下踩油门踏板时,改变接入电路的变阻器阻值,车速变大。下列是该电动汽车的模拟电路,其中符合要求的是( )。
A. B.C. D.
典例三 如图所示是一种称为电位器的变阻器,A、B、C是它的三个接线柱,A、C分别与弧形电阻丝的两端相连,B与金属滑片相连。现将该电位器与灯泡串联接入电路中,为了使滑片沿顺时针转动时灯泡变亮,下列有关电位器接线柱的接法中正确的是( )。
A.连接A,C B.连接B,C C.连接A,B D.只连接B
典例四 滑动变阻器的使用:
(1)滑动变阻器接入电路时,两个接线柱要“一上一下”。与需要调节的用电器 联。(选填“串”或“并”)
(2)闭合开关前,滑片要滑到阻值 (选“最大”“最小”)的位置。
(3)用滑动变阻器控制灯泡亮度:请在右面的方框中画出对应的电路图。
【真题演练】
一、选择题
1.(2020•宿迁)取一个橙子,把铜片、铁片插入其中,就制成了一个水果电池。用电压表测量电压如图所示,下列说法正确的是( )。
A.铁片是水果电池的正极;
B.两个相同水果电池串联后可提供更高电压;
C.该水果电池的电压是 3V;
D.水果电池将内能转化为电能
2.(2020•呼和浩特)科学方法在物理问题的研究中,起到了重要的作用。比如,两个定值电阻,一个5Ω,一个10Ω,粗细均匀。以下描述正确的是( )。
A.如果这两个电阻的材料相同,则5Ω的长度一定大于10Ω的长度;
B.如果这两个电阻的材料不同,则5Ω的长度一定小于10Ω的长度;
C.如果这两个电阻的材料、横截面积相同,则5Ω的长度一定小于10Ω的长度;
D.如果这两个电阻的材料、长度相同,则5Ω的横截面积一定小于10Ω的横截面积
3.(2020•长沙)如图所示的钨丝是将一个白炽灯去除玻璃罩制成的,闭合开关S,小灯泡L发光,钨丝不发光,向钨丝吹气时,小灯泡L变亮,用酒精灯给钨丝加热,小灯泡L逐渐变暗直至熄灭,由实验可知( )。
A.钨丝的电阻随温度升高而减小;
B.向钨丝吹气时,钨丝电阻变小;
C.给钨丝加热时,电路中的电流变大;
D.小灯泡L发光而钨丝不发光是因为通过钨丝的电流小于小灯泡L的电流
4.(2021·山东潍坊市)如图所示电路中,开关S断开时,电压表,电流表均无示数;S闭合时,电流表有示数,电压表无示数,电路中仅有一处故障,下列判断正确的是( )。
A.电阻断路 B.电阳断路 C.电阻短路 D.电阻断路
5.(2019·菏泽)当滑动变阻器的滑片向b端滑动时,下列四种接法中,变阻器阻值变大的是( )。
A. B. C. D.
6.(2021·吉林中考真题)某兴趣小组设计了酒精浓度检测仪的模拟电路,如图所示的电路图中,电源电压保持不变,是定值电阻,是气敏电阻,它的阻值随酒精气体浓度的增大而减小,能实现酒精气体浓度越大,电压表示数越大的电路图是( )。
A. B.
C. D.
二、填空题
7.(2021·广西贺州市)如图所示,电路中一根导线已经与滑动变阻器的B接线柱连接,当滑动变阻器的滑片P向左移动时,要使滑动变阻器的电阻变小,另一根导线应与滑动变阻器的_________(选填“A”、“C”或“D”)接线柱连接,滑动变阻器是通过改变电阻丝的_________来改变电阻的大小。
8.(2021·广西贺州市)如图甲所示的电路中,两端的电压为,两端的电压如图乙所示,则两端的电压________V,电源电压_________V。
9.(2021·黑龙江绥化市)导体的电阻除了与导体的长度、横截面积和温度有关外,还与______有关。科学家发现,某些物质在很低的温度时电阻就变成了0,这就是超导现象,超导现象最直接的应用之一是制造______。(选填“电热丝”或“输电线”)。
10.(2021·云南昆明市)小宇对物理现象很好奇,学习了电压表后,他很想知道为什么同一个表盘只要连接不同的接线柱,就可以实现量程的转换。于是,他将电学盒里的电压表如图甲的后盖打开,看到了如图乙所示的电路连接情况。小宇发现电压表其实是由一个小量程的电流表改装而成,“3V挡”和“15V挡”都是由同一个电流表分别与不同的电阻______联而成,电阻越大,量程越大,这里的电阻起到了______作用。
11.(2021·上海中考真题)在图所示的电路中,闭合开关S后,至少有一个电表发生变化,已知电路中只有一处故障,且发生在电阻 R1或R2上。请写出两电表的变化情况及其对应的故障。______、______ 。
三、实验题
12.(2021·甘肃兰州市)在探究“影响导体电阻大小因素”的实验中,保持电源电压不变,如图所示,在M、N两点之间分别接入不同的电阻丝,其规格如下表所示:
编号 | 材料 | 长度/m | 横截面积/ |
A | 镍铬合金 | 0.5 | 0.5 |
B | 镍铬合金 | 1.0 | 0.5 |
C | 镍铬合金 | 0.5 | 1.0 |
D | 锰铜合金 | 0.5 | 0.5 |
(1)实验中应通过观察_______来比较电阻的大小,这种实验方法叫______;
(2)选用编号为A、B的两根电阻丝进行实验,可以探究导体电阻大小与______的关系;
(3)选用编号为A、C的两根电阻丝进行实验,可以探究导体电阻大小与______的关系;
(4)为了探究导体电阻大小与导体材料的关系,应选用编号为______的两根电阻丝进行实验。
13.(2020•六盘水)我们已经学习了串联电路电压的规律,那么串联的各部分电路如何分配电源电压呢?小明利用以下实验器材进行实验:阻值不同的定值电阻若干、电压表、电压为3V的电源、开关及导线。请回答下列问题:
实验次数 | AB间电阻/Ω | CD间电阻/Ω |
1 | 10 | 5 |
2 | 20 | 10 |
3 | 30 | 15 |
(1)连接电路时,应将开关处于 状态(选填:“断开”或“闭合”);
(2)如图甲所示,小明将阻值为10Ω和5Ω的电阻分别接入电路中AB和CD两位置,闭合开关,电压表的示数如图乙所示,则AB间电压为 V。比较两电阻阻值和所分电压值可得初步结论:串联电路中,电阻值越大,其所分电压 ;
(3)为了进一步探究电压的分配规律,小明更换电阻完成了上表中2、3两次实验,观察到每次实验电压表示数几乎不变。分析实验数据发现AB间和CD间的电压之比与其对应电阻阻值之比相等,于是得出:“串联电路中各部分电路按其阻值之比分配电源电压”的结论。根据这一实验过程得出的结论是否可信? (选填:“可信”或“不可信”),你的理由是: 。
14.(2020•扬州)在“探究串联电路电压的特点”实验中:
某实验小组分别测量了串联电路两端的总电压U和灯泡L1、L2两端的电压U1、U2数据如表:
U/V | U1/V | U2/V |
2.6 | 1.3 | 1.3 |
(1)该小组由此得出串联电路的总电压与各部分电压的关系是 (用题中物理量符号表示)。
(2)实验过程中,若L1灯丝断了,观察到电压表V1示数为 ,电压表V2示数为 。
(3)该实验还有待改进,请写出其中一点: 。
【过关检测】
一、选择题
1.手机是人们现在生活的常用物品。如图所示,将手机充电器插入家庭电路插座中,即可为手机充电。充电器为手机充电时的输出电压约为( )。
A.1.5V B.2V
C.5V D.220V
2.如图所示各电路图中,电流表和电压表使用均正确的是图( )。
A. B.C.D.
3.如图所示电路,闭合开关S后,发现灯泡L1、L2均不亮,电流表示数为零,电压表示数等于电源电压,则该电路中的故障是( )。
A.L1断路 B.L1短路 C.L2断路 D.L2短路
4.分析复杂电路中各用电器的连接关系时,可对电路中的电流表和电压表进行简化处理。以下处理方法中正确的是( )。
A.电流表看成是断路的 B.把电压表看成是断路的
C.把电流表看成一个大电阻 D.把电压表看成一根导线
5.如图所示,闭合开关后两灯均能发光,则( )。
A.甲为电流表,乙为电压表;
B.甲为电压表,乙为电流表;
C.甲、乙均为电流表;
D.甲、乙均为电压表
6.如图甲所示的电路中,当闭合开关后,两个电压表指针偏转均如图乙所示,则电灯L1和L2两端的电压分别为( )。
A.4.8V,1.2V B.6V,1.2V C.1.2V,6V D.1.2V,4.8V
7.如图甲所示电路,电源电压为6V,当S闭合时,电压表的读数如图乙所示,则L1、L2两端的电压为( )。
A.0.5V 5.5V B.5.5V 0.5V
C.4.5V 1.5V D.1.5V 4.5V
8.为了减少碳排放,国家大力推行电动汽车。电动汽车的速度由流经电动机的电流大小控制,当驾驶员向下踩油门踏板时,改变接入电路的变阻器阻值,车速变大。下列是该电动汽车的模拟电路,其中符合要求的是( )。
A.B.C.D.
9.关于电流、电压和电阻,下列叙述中有几句话是正确的( )
①电流是自由电子定向移动形成的 | ②导体中通过的电流越大,它的电阻越小 |
③有电流通过的小灯泡,其两端不一定有电压 | ④滑动变阻器要与被控制电路串联 |
⑤相同材料、粗细不同的导体,粗导体的电阻比细导体的电阻小 | ⑥导体的电阻越大,它对电流的阻碍作用越大 |
A.1 B.2 C.3 D.4
10.如图所示,是小红在“练习使用滑动变阻器”的实验中连接的部分电路,当她将滑动变阻器连入电路后发现,灯泡的亮度很暗,移动滑动变阻器的滑片灯泡的亮度不变。她接入滑动变阻器的方法应该是下列选项中的( )。
A.M接A,N接D B.M接A,N接B C.M接B,N接C D.M接C,N接D
11.如图是一种自动测定油箱内油面高度的装置,是定值电阻,是滑动变阻器,油量表是由电表改装而成。以下说法不正确的是( )。
A.和在电路中是串联的;
B.油量表是由电流表改装而成;
C.当油量上升时,油量表示数变小,电压表示数变大;
D.在电路中起到了保护电路的作用,不可省掉
二、填空题
12.图甲中电流表示数为______A;图乙中电压表示数为______V。
13.(1)如图甲所示,温度计的示数为______℃ ;
(2)如图乙所示,插入式电阻箱A、B两个接线柱之间的电阻值是_______Ω;
(3)如图丙所示的电路中,电源电压为3V,则L2两端的电压为______V。
三、实验题
14.学校物理小组的同学分组进行“探究串联电路电压规律”的实验活动:
(一)第一组进行了以下实验
(1)如图1所示,连接电路时,开关应该处断开状态,为了让实验结论可靠,实验中应选择规格________(选填“相同”或“不同”)的小灯泡;
(2)排除故障后第一组的小田分别测出AB、BC、AC间的电压并记录在表格中,发现:串联电路总电压等于各部分电路两端电压之和。
由下表中实验数据可知:小田同学主要通过________方式来多次实验;
| UAB/V | UAB/V | UAB/V |
1 | 1.0 | 2.0 | 3.0 |
2 | 1.5 | 3.0 | 4.5 |
3 | 2.0 | 4.0 | 6.0 |
A.更换不同规格的小灯泡
B.更换不同的电源
C.同时更换了电源和小灯泡
同组的小名同学在电路中串联了________也实现了多次实验的目的;
(二)第二小组也完成了“探究串联电路电压规律”的实验,但是他们得到“电源两端电压大于各用电器两端电压之和”的结论,物理老师引导第二组的同学们用如图2甲所示的电路继续进行了深人探究,他们的步骤如下:
(3)测量电源及灯泡两端电压。电压表接在CD两点,是为了测量灯泡________的电压:闭合开关,电压表的示数(如图2乙所示)是________V;
(4)用精密的电压表测量电路中导线的电压。测出导线BC间的电压大约为0.05V,由此得知导线分压可能是造成结论与猜想不符的原因。完成以上步骤后,他们觉得有必要侧量开关两端的电压,他们这么认为的理由是________。
15.亲爱的同学:你会使用下面的实验仪器吗?
(1)如图1所示,这是_____表的表盘,此时示数为_________.
(2)如图2所示,该电阻箱此时的示数为_________Ω.
(3)实验室中有一铭牌上标有“20Ω2A”字样的滑动变阻器,如图3所示.“20Ω”指的是_________;如果把A、C两接线柱与电路连接,当滑片向左移动时,变阻器接入电路部分的电阻值变________.
(4)如果你还想知道电路中电流值的改变情况,需在电路中再___联一个电流表,并增加___根导线.
16.在“探究影响导体电阻大小的因素”实验中,小明设计了如图所示的电路。请你回答下列问题:
①在连接电路时发现,还缺少一个元件,他应该在电路中再接入的元件是______.
②为粗略判断、两点间导体电阻的大小,可观察______.
③另有甲、乙两位同学分别对小明的电路作了如下的改进:甲把灯泡更换为电流表;乙在原电路中再串联接入电流表.你认为______同学的改进更好一些,理由是这样做可以防止电路处于______状态.
九年级全册第1节 电压优秀测试题: 这是一份九年级全册第1节 电压优秀测试题,文件包含同步讲义人教版物理九年级全一册-课时171电流与电压和电阻的关系原卷版docx、同步讲义人教版物理九年级全一册-课时171电流与电压和电阻的关系解析版docx等2份试卷配套教学资源,其中试卷共35页, 欢迎下载使用。
初中物理人教版九年级全册第2节 内能优秀课堂检测: 这是一份初中物理人教版九年级全册第2节 内能优秀课堂检测,文件包含同步讲义人教版物理九年级全一册-课时132内能原卷版docx、同步讲义人教版物理九年级全一册-课时132内能解析版docx等2份试卷配套教学资源,其中试卷共26页, 欢迎下载使用。
初中物理人教版九年级全册第2节 内能精品测试题: 这是一份初中物理人教版九年级全册第2节 内能精品测试题,文件包含同步讲义人教版物理九年级全一册-第十四章内能的利用复习总结原卷版docx、同步讲义人教版物理九年级全一册-第十四章内能的利用复习总结解析版docx等2份试卷配套教学资源,其中试卷共29页, 欢迎下载使用。

