北京市东城区2020-2022三年高一化学下学期期末试题汇编3-非选择题
展开北京市东城区2020-2022三年高一化学下学期期末试题汇编3-非选择题
57.(2022春·北京东城·高一统考期末)化学与人们的“衣、食、住、行”密不可分,请回答下列问题。
(1)衣:市场上的衣物琳琅满目,其主要成分有天然的棉、毛、丝及合成纤维,羊毛的主要成分是_______(选填“糖类”“油脂”或“蛋白质”),区分羊毛线和棉纱线的方法是_______。
(2)食:淀粉属于_______(选填“单糖”“二糖”或“多糖”),粮食可以酿成含不同浓度乙醇的酒,乙醇分子中所含的官能团名称是_______。
(3)住:居民小区楼房的铝合金门窗主要原料为金属铝,写出铝与稀硫酸反应的离子方程式:_______。
(4)行:重油通过催化裂化得到的汽油,可进一步裂解得到乙烯、乙烷等重要的化工原料。
如:C16H34C8H18+C8H16,C8H18C4H10+C4H8。
①由丁烷催化裂解的化学方程式是_______。
②由乙烯可制得有机高分子材料、药物等成千上万种有用的物质。
已知:原子利用率是指期望产物的总质量与生成物的总质量之比。
i.常用的食品包装袋由聚乙烯制成。由乙烯制备聚乙烯的化学方程式是_______。
ii.反应Ⅰ的反应类型是_______。
iii.反应Ⅱ的化学方程式是_______。
iv.比较反应Ⅱ、Ⅲ的原子利用率大小:_______。
58.(2022春·北京东城·高一统考期末)甲、乙两位同学探究外界条件对化学反应速率的影响。
【实验原理】反应:Na2S2O3+H2SO4=Na2SO4+SO2↑+S↓+H2O,反应过程中溶液出现乳白色浑浊和有刺激性气味的气体。
【实验用品】0.1mol/LNa2S2O3溶液、0.1mol/LH2SO4溶液、蒸馏水。
试管、烧杯、量筒、胶头滴管等。
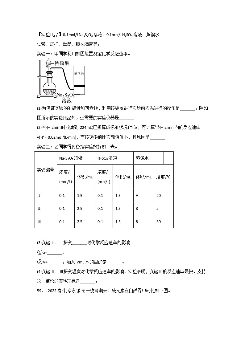
实验一:甲同学利用如图装置测定化学反应速率。
(1)为保证实验的准确性和可靠性,利用该装置进行实验前应先进行的操作是_______。除如图所示的实验用品外,还需要的实验仪器是_______。
(2)若在2min时收集到224mL(已折算成标准状况)气体,可计算出在2min内的反应速率v(H+)=0.02mol/(L·min),而该速率值比实际值偏小,其原因是_______。
实验二:乙同学得到各组实验数据如下表。
实验编号
Na2S2O3溶液
H2SO4溶液
蒸馏水
浓度/
(mol/L)
体积/mL
浓度/
(mol/L)
体积/mL
体积/mL
温度/℃
Ⅰ
0.1
1.5
0.1
1.5
V
20
Ⅱ
0.1
2.5
0.1
1.5
8
a
Ⅲ
0.1
2.5
0.1
1.5
8
30
(3)实验Ⅰ、Ⅱ探究_______对化学反应速率的影响。
①a=_______。
②V=_______,加入VmL水的目的是_______。
(4)实验Ⅱ、Ⅲ探究温度对化学反应速率的影响。实验表明,实验Ⅲ的反应速率最快,支持这一结论的实验现象是_______。
59.(2022春·北京东城·高一统考期末)硫元素在自然界中转化如下图。
(1)下列说法正确的是_______(填字母序号)。
a.火山口常有硫单质可能的原因是2H2S+SO2=3S+2H2O
b.转化过程中硫元素既发生氧化反应又发生还原反应
c.含硫矿物中硫元素均为-2价
(2)写出SO2形成酸雨的化学方程式:_______。
(3)工业生产也会产生大量二氧化硫进入大气,污染环境,有多种方法可用于SO2的脱除。
①氨法脱硫。该方法是一种高效低耗能的湿法脱硫方式,利用氨水吸收废气中的SO2,并在富氧条件下转化为硫酸铵,该过程中被氧化的元素是_______,得到的硫酸铵可用作_______。
②用NaClO溶液作为吸收剂,调pH至5.5时吸收SO2,反应离子方程式是_______。
③酸性条件下,用MnO2进行脱硫处理的原理如下图所示。
i.上述过程中可以循环使用的是_______。
ii.脱硫最终产物的化学式是_______。
60.(2021春·北京东城·高一统考期末)氮是自然界各种生物体生命活动不可缺少的重要元素。
(1)下列说法中,正确的是_______(填字母序号)。
a.氮原子的最外层有5个电子
b.氮元素位于元素周期表的第二周期,第ⅤA族
c.氮元素的最低化合价为价,最高化合价为价
d.根据元素周期律推测,氮化硅的化学式为
(2)氮气的化学性质很稳定,可用作灯泡填充气。从分子结构角度解释其原因是_______。
(3)大自然通过闪电可将空气中的氮气转化为含氮化合物,从而实现自然固氮。该过程中生成的含氮化合物是_______。
(4)我国科研团队借助一种固体催化剂,在常温常压和可见光作用下实现了人工固氮。其过程如图所示。写出该过程中反应的化学方程式:_______。
61.(2021春·北京东城·高一统考期末)硫和硒在元素周期表中位于同一主族,均是生产生活中重要的非金属元素。
(1)含价硫元素的化合物有,和等。
①能使品红溶液褪色,说明具有的化学性质是_______。
②已知属于钠盐。写出转化为的化学方程式:_______。
③从下列试剂中任选一种试剂:浓硫酸、酸性高锰酸钾溶液、氯水、硫化钠溶液,设计实验证明中硫元素的化合价在化学反应中可以发生变化,填写表格(写出一种方案即可)。
选择的试剂
转化后的含硫微粒
预期现象
____
____
____
(2)以工业硒为原料制备高纯硒时的主要物质转化如图。
工业硒(Se)SeO2H2SeO3Se高纯硒
①下列说法正确的是_______(填字母序号)。
a.硒原子的最外层有6个电子
b.硒元素的非金属性强于硫元素的非金属性
c.属于酸性氧化物
d.过程ⅰ中硒被氧化
②过程ⅲ中使用的还原剂为,对应产物是。理论上,过程ⅰ消耗的与过程ⅲ消耗的的物质的量之比为_______(工业硒中杂质与的反应可忽略)。
62.(2020春·北京东城·高一统考期末)氨的催化氧化是工业制硝酸的基础。
(1)将氨的催化氧化反应的化学方程式补充完整:4NH3+5O2________。
(2)氨的催化氧化反应说明氨具有________性(填“氧化”或“还原”)。
(3)除(2)中性质外,氨还具有________的化学性质,并列举一个氨表现该性质的反应;________(写出反应的化学方程式)。
63.(2020春·北京东城·高一统考期末)4种有机化合物之间存在下列转化关系。
(1)在上述4种有机化合物中,属于烃的是________(填名称),其分子中的官能团是________。
(2)反应②的实验中用到Cu丝,其作用是作________剂。
(3)反应③的反应类型属于________反应,该反应的化学方程式是________。
64.(2020春·北京东城·高一统考期末)镁及其合金是用途很广的金属材料,目前世界上60%的镁是从海水中提取的。如图是工业上提镁的流程。
(1)电解熔融MgCl2制金属镁的化学方程式是________。
(2)“反应池’→……→‘中和’”过程的主要作用:①除去海水中的其他杂质;②________。
(3)“中和”时,Mg(OH)2与盐酸发生反应的离子方程式是________。
(4)在上述流程中,可循环使用的物质是________。
65.(2022春·北京东城·高一统考期末)某同学在探究铜丝与1.35mol/L HNO3反应的反应速率变化的原因。反应体系温度(T)-时间(t)变化曲线如下图1,生成的NO体积(V)-时间(t)变化曲线如下图2.实验过程中观察到溶液由反应最初的蓝色变为绿色,最终变为深蓝色。
资料:i.已知HNO2是弱酸,不稳定,能使酸性高锰酸钾溶液褪色。
ii.Cu2+在水溶液中以[Cu(H2O)4]2+存在时溶液显蓝色,以[Cu(NO2)x]2-x存在时显绿色。
iii.Ag++AgNO2↓(淡黄色)。
(1)根据图1可知,Cu与稀HNO3的反应是_______(选“吸热”或“放热”)反应,该反应的离子方程式是_______。
(2)为探究溶液颜色变化原因的进行如下实验。取上述实验初期(A)、中期(B)、后期(C)三个不同时间段的溶液各1mL,分别加入相同浓度的KMnO4(H+)溶液和相同浓度的AgNO3溶液。
实验内容
A溶液(浅蓝色)
B溶液(绿色)
C溶液(深蓝色)
滴加KMnO4(H+)溶液
滴入5滴后不再褪色
滴入20滴后仍褪色
滴入10滴后不褪色
滴加AgNO3溶液
无明显现象
淡黄色沉淀
淡黄色沉淀
①依据上述实验现象,能证明A、B、C溶液中一定含有的粒子是_______(填化学用语);若将A、B、C三种溶液加热一段时间,冷却后,再滴加KMnO4(H+)溶液,溶液均不褪色,原因是_______。
②请从粒子种类和浓度变化的角度解释铜与稀硝酸反应过程中,溶液由反应最初的蓝色变为绿色,最终变为深蓝色的原因是_______。
(3)依据图2,在200分钟时,反应速率突然加快,推测其原因可能是由引起的,请设计实验方案加以证明:_______。
66.(2021春·北京东城·高一统考期末)探究化学反应中的能量转化,实验装置(装置中的试剂及用量完全相同)及实验数据如图(注:注射器用于收集气体并读取气体体积)。
①
②
气体体积
溶液温度/℃
气体体积
溶液温度/℃
0
0
0
30
50
50
-
-
(1)用离子方程式表示装置①中发生的化学反应:_______。
(2)装置①中的反应是放热反应,实验证据是_______;该反应的能量变化可用图中的_______(填“a”或“b”)表示。
(3)下列说法正确的是_______(填字母序号)。
a.两装置中产生的气体均为
b.两装置中的表面均有气泡产生
c.两装置中的均失去电子发生氧化反应
(4)得出结论:装置①中反应的平均速率比装置②中的小,依据的实验数据是_______。
(5)从化学反应和能量转化的角度分析该实验,可得出的结论是:
ⅰ.两装置中发生的反应为放热反应;
ⅱ.装置①中反应的平均速率比装置②中的小;
ⅲ._______(写出两条即可)。
67.(2020春·北京东城·高一统考期末)某同学在实验室中进行如图所示实验。
(1)铜丝与浓硝酸发生反应的离子方程式是________。
(2)烧杯中NaOH溶液的作用是________。
(3)铜丝下端弯成螺旋状的原因是________。
(4)根据反应产生的现象,从不同角度推断该反应所属反应类型:
①根据________现象,可推断该反应为氧化还原反应。
②根据反应后试管壁发热的现象,可推断该反应属于________反应。
68.(2020春·北京东城·高一统考期末)某课外实验小组利用压强传感器、数据采集器和计算机等数字化实验设备,探究用0.01g镁条分别与2mL不同浓度稀盐酸的反应速率。实验结果如图所示。
(1)Mg与盐酸反应的离子方程式是________。
(2)从微粒角度分析,该实验是为了探究________(因素)对该反应的化学反应速率的影响。
(3)a________0.5(填“>”或“<”)。
(4)如果用0.5mol/L硫酸代替上述实验中的0.5mol/L盐酸,二者的反应速率是否相同____,请说明原因:________。
69.(2020春·北京东城·高一统考期末)“84消毒液”是生活中常用的消毒剂,可与硫酸反应制取氯气,反应原理为NaClO+NaCl+H2SO4Na2SO4+Cl2↑+H2O,为探究氯气的性质,某同学利用此原理制氯气并设计了如图所示的实验装置。
(1)上述制备氯气的反应中,每生成1molCl2,转移的电子的物质的量是________mol。
(2)依据上述反应原理,从下列装置中选择合适的制氯气装置(A处)________(填序号)。
(3)装置B、C中依次盛放的是干燥的红色布条和湿润的红色布条,其目的是________。实验过程中该同学发现装置B中的布条也褪色,说明该装置存在明显的缺陷,改进的方法是________。
(4)E中NaOH溶液吸收氯气时发生反应的化学方程式是________。
(5)D中氯气可将氧化,若通过实验验证该反应发生的是氧化还原反应,可采取的方法是________(写出操作、试剂和现象)。
70.(2022春·北京东城·高一统考期末)我国地大物博,资源非常丰富,从海水资源获取某些物质的流程示意图如下。
(1)氯化钠是海水中含量较多的物质,在生产生活中有着广泛的用途。
①生活中用氯化钠腌渍食物,食盐的作用是_______(填字母序号)。
a.着色剂 b.防腐剂 c.膨松剂 d.营养强化剂
②粗盐中还含有泥沙、CaCl2、MgCl2以及可溶性硫酸盐等杂质,可以依次通过溶解、过滤、_______(选填字母序号;所加试剂均过量)、结晶等一系列流程得到精盐。
a.加入Na2CO3溶液→加入NaOH溶液→加入BaCl2溶液→过滤→加入稀盐酸
b.加入NaOH溶液→加入BaCl2溶液→加入Na2CO3溶液→加入稀盐酸→过滤
c.加入BaCl2溶液→加入Na2CO3溶液→加入NaOH溶液→过滤→加入稀盐酸
③检验精盐中硫酸根是否除尽的方法是_______(简述操作、现象及结论)。
④得到的精盐可用于冶炼金属钠,该反应的化学方程式是_______。
(2)工业上常用的一种海水提溴技术称为“吹出法“。
①图中虚线框内流程的主要目的是_______。
②图中虚线框内流程也可用 替代,请写出Br2与Na2CO3反应的化学方程式_______。
(3)已知苦卤的主要成分如下:
离子
Na+
Mg2+
Cl-
SO
浓度/(g·L-1)
63.7
28.8
144.6
46.4
理论上,1L苦卤最多可得到Mg(OH)2的质量为_______g。
71.(2021春·北京东城·高一统考期末)硫酸是重要的化工原料。以黄铁矿(主要成分为)为原料制备硫酸的原理示意图如图。
(1)为了提高黄铁矿的燃烧效率,可采取的措施是_______。
(2)图中所示的含硫物质中,硫元素化合价最高的物质是_______(填化学式)。
(3)某兴趣小组研究在一定条件下,一定体积的密闭容器中,获得图中数据。
①内,的浓度变化为_______。
②能说明的反应在该条件下存在限度的实验证据是_______。
(4)硫酸厂产生的尾气中含有少量。图为双碱法脱硫的原理示意图。
①可以循环使用的物质是_______。
②理论上,过程Ⅲ中消耗氧气时,过程Ⅰ中吸收的物质的量是_______。
72.(2021春·北京东城·高一统考期末)(1)碳原子的成键特点是有机物种类繁多的根本原因。常用球和棍表示有机物中碳原子相互结合的方式,例如中碳原子的结合方式可用表示。图中显示的是几种烃分子中碳原子相互结合的方式。
①写出烃a的分子式:_______;写出经b的结构简式:_______。
②属于环状烷烃的是_______(填字母序号)。
③与互为同系物的是_______(填字母序号)。
④写出a的同分异构体的结构简式:_______。
(2)模型可以将微观的分子中原子的结合方式和空间位置关系呈现出来。表中的分子模型均代表由碳、氢、氧三种元素中的两种或三种组成的有机物。
A
B
C
球棍模型
球棍模型
空间充填模型
①写出B中官能团的名称:_______。
②A在一定条件下能转化为B.写出化学方程式:_______。
③在一定条件下,B与C反应能生成具有水果香味的物质。该反应的化学方程式为_______。
73.(2020春·北京东城·高一统考期末)下表所示为元素周期表的短周期,其中除标出的元素外,表中的每个编号表示种元素。
(1)④表示的元素是________(填元素符号)。
(2)②、③两种元素相比较,原子半径较大的是________(填元素符号)。
(3)①与⑥两种元素所形成化合物的电子式是________。
(4)元素的非金属性强弱比较:⑤________⑥(填“>”或“<”)。
参考答案:
57.(1) 蛋白质 分别点燃羊毛线和棉纱线,有烧焦羽毛的特殊气味的是羊毛线,反之是棉纱线
(2) 多糖 羟基
(3)2Al+6H+=2Al3++3H2↑
(4) C4H10C2H4+C2H6 nCH2=CH2 加成反应 CH3COOH+CH3CH2OHCH3COOCH2CH3+H2O III>II
【解析】(1)羊毛的主要成分是蛋白质;蛋白质灼烧时有烧焦羽毛的气味,棉纱线灼烧没有烧焦羽毛的气味,所以可以用灼烧的方法鉴别羊毛线和棉纱线,答案为:蛋白质;分别点燃羊毛线和棉纱线,有烧焦羽毛的特殊气味的是羊毛线,反之是棉纱线;
(2)淀粉属于多糖,乙醇的结构简式为CH3CH2OH,乙醇中官能团名称是羟基,故答案为:多糖;羟基;
(3)铝与稀硫酸反应生成硫酸铝和氢气,化学反应方程式为2Al+3H2SO4=Al2(SO4)3+3H2↑,离子方程式为:2Al+6H+=2Al3++3H2↑,故答案为2Al+6H+=2Al3++3H2↑;
(4)①由J烷催化裂解生成乙烯和乙烷,反应方程式为C4H10C2H4+C2H6,故答案为C4H10C2H4+C2H6;②i.乙烯发生加聚反应生成聚乙烯,由乙烯制聚乙烯的化学方程式是nCH2=CH2,故答案为nCH2=CH2;ii.反应I的反应类型是加成反应,故答案为:加成反应;iii.反应1I的化学方程式是CH3COOH+CH3CH2OHCH3COOCH2CH3+H2O,故答案为:CH3COOH+CH3CH2OHCH3COOCH2CH3+H2O;iv.反应II、III分别是取代反应、加成反应,反应II的原子利用率小于100%、反应III的原子利用率为100%,比较反应II、III的原子利用率大小:II<III,故答案为:II<III。
58.(1) 检查装置的气密性 计时器
(2)生成的二氧化硫溶解在反应后的溶液中,测得的体积小于实际生成的体积,故速率偏小
(3) Na2S2O3溶液浓度 20 9 控制硫酸的起始浓度相同
(4)实验III观察到出现浑浊的时间更短
【详解】(1)气体制备或性质探究实验,本实验是探究化学反应速率的影响因素,需保证气密性良好,否则会影响实验结果,反应速率的计算公v=,测反应速率是在一定时间段内,故还需要秒表,故答案为:检查装置的气密性;秒表(或计时器)。
(2)该反应是在水溶液中进行,SO2易溶于水,生成的SO2部分溶在水中,故答案为:生成的二氧化硫溶解在反应后的溶液中,测得的体积小于实际生成的体积,故速率偏小;
(3)该实验室是探究外界条件对Na2S2O3溶液和H2SO4溶液的反应速率的影响,从表格中可以看出Na2S2O3溶液用量增加,应该是改变Na2S2O3溶液的浓度,实验I、II硫酸用量不变,所以控制总体积不变,是保证硫酸浓度不变,另外还需要控制温度不变;故答案为:Na2S2O3溶液的浓度;20;9;控制硫酸的起始浓度相同;
(4)探究实验II、III改变的是温度条件,其他条件不变时,升高反应温度,化学反应速率增大,因为反应中有S沉淀生成,故可以测定溶液变浑浊的快慢,故答案为:实验III比实验II变浑浊所需时间更短。
59.(1)ab
(2)SO2+H2OH2SO3;2H2SO3+O2=2H2SO4
(3) +4价硫元素 氮肥 ClO-+H2O+SO2=Cl-+SO+2H+ Fe3+(或Fe2+) MnSO4
【解析】(1)
a.火山口常有硫单质可能是因为二氧化硫与和硫化氢气体相遇后会发生化学反应生成硫单质,在火山口附近沉积下来,反应的方程式为2H2S+SO2=3S+2H2O,故a正确;
b.转化过程中硫元素的化合价既有升高又有降,因此转化过程中硫元素既发生氧化反应又发生还原反应,故b正确;
c.FeS2中的硫元素为-1价,故c错误;
故答案为ab;
(2)
SO2形成酸雨的化学方程式SO2+H2OH2SO3;2H2SO3+O2=2H2SO4,故答案为:SO2+H2OH2SO3;2H2SO3+O2=2H2SO4;
(3)
①利用氨水吸收废气中的SO2,并在富氧条件下转化为硫酸铵,该过程中硫元素的化合价升高,因此被氧化的元素是S,得到的硫酸铵可用作氮肥,故答案为:+4价硫元素;氮肥;
②用NaClO溶液作为吸收剂来吸收SO2,NaClO具有强氧化性,能将SO2氧化为SO,反应离子方程式是ClO-+H2O+SO2=Cl-+SO+2H+,故答案为ClO-+H2O+SO2=Cl-+SO+2H+;
③由流程图可知Fe2+被反应后又生成了Fe3+,因此该过程中可以循环使用的是Fe3+(或Fe2+);脱硫最终产物的化学式为MnSO4,故答案为:Fe3+(或Fe2+);MnSO4。
60. abc N原子的最外层上有5个电子,氮气分子中存在氮氮三键 NO 2N2和6H2O4NH3+3O2
【详解】(1) a.氮为7号元素,故氮原子的最外层有5个电子,a正确;
b.氮为7号元素,故氮原子核外由两个电子层,最外层上只有5个电子,故氮元素位于元素周期表的第二周期,第ⅤA族,b正确;
c.氮原子的最外层上有5个电子,故氮元素的最低化合价为价,最高化合价为价,c正确;
d.根据元素周期律推测,Si为+4价,N为-3价,故氮化硅的化学式为,d错误;
故答案为:abc;
(2)由于N原子的最外层上有5个电子,故氮气分子中存在氮氮三键,故氮气的化学性质很稳定,可用作灯泡填充气,故答案为:N原子的最外层上有5个电子,氮气分子中存在氮氮三键;
(3)大自然通过闪电可将空气中的氮气转化为含氮化合物,从而实现自然固氮,N2在高温或者放电的情况下与氧气反应生成NO,故该过程中生成的含氮化合物是NO,故答案为:NO;
(4)根据流程示意图可知,该反应的最初反应为N2和H2O,最终生成物为NH3和O2,故反应方程式为:2N2和6H2O4NH3+3O2,故答案为:2N2和6H2O4NH3+3O2。
61. 漂白性 Na2SO3+H2SO4=Na2SO4+H2O+SO2↑ 酸性高锰酸钾溶液或者氯水或者硫化钠溶液 或或S 酸性高锰酸钾溶液褪色或氯水褪色或溶液变浑浊 acd 1:1
【详解】(1) ①能使品红溶液褪色,体现的化学性质是漂白性,故答案为:漂白性;
②已知属于钠盐,实验室用亚硫酸钠和硫酸来制备SO2,故转化为的化学方程式:Na2SO3+H2SO4=Na2SO4+H2O+SO2↑,故答案为:Na2SO3+H2SO4=Na2SO4+H2O+SO2↑;
③SO2可以使酸性高锰酸钾溶液褪色,转化为,SO2能与氯气和水发生反应SO2+2H2O+Cl2=H2SO4+2HCl,而使氯水褪色,SO2通入水中反应生成H2SO3,H2SO3能与Na2S反应生成H2S,H2S能与SO2反应生成S单质,使Na2S溶液变浑浊,故答案为:酸性高锰酸钾溶液;;酸性高锰酸钾溶液褪色;或者氯水;;氯水褪色;或者硫化钠溶液,S;溶液变浑浊;
(2) ①a.硫和硒在元素周期表中位于同一主族,故硒原子的最外层有6个电子,a正确;
b.硫和硒在元素周期表中位于同一主族,且硒位于硫的下一周期,故硒元素的非金属性弱于硫元素的非金属性,b错误;
c.SO2属于酸性氧化物,故属于酸性氧化物,c正确;
d.过程ⅰ即Se变为SeO2,故硒被氧化,d正确;
故答案为:acd;
②过程ⅲ中使用的还原剂为,对应产物是,反应中1mol失去4mol电子,而过程ⅰ中1mol则得到4mol电子,根据电子守恒可知,理论上,过程ⅰ消耗的与过程ⅲ消耗的的物质的量之比为1:1,故答案为:1:1。
62. 4NO+6H2 还原 碱性 NH3+HCl=NH4Cl
【分析】根据氧化还原反应的特征和氨气的性质回答本题。
【详解】(1)氨的催化氧化反应生成NO和H2O,根据原子守恒该反应的化学方程式:4NH3+5O24NO+6H2O,故答案:4NO+6H2;
(2)在4NH3+5O24NO+6H2O反应中,NH3中N元素的化合价升高,生成NO,表现为还原性,所以氨的催化氧化反应说明氨具有还原性,故答案:还原;
(3)NH3除具还原性质外,氨还具有碱性,如NH3可以和HCl反应生成NH4Cl,该反应的化学方程式为:NH3+HCl=NH4Cl,故答案:NH3+HCl=NH4Cl。
63. 乙烯 碳碳双键 催化剂 酯化反应或取代反应
【分析】乙烯在催化剂加热条件下,与水发生加成反应生成乙醇,乙醇在铜作催化剂条件下,被氧气氧化生成乙醛,乙醇与乙酸在浓硫酸加热条件下,发生酯化反应生成乙酸乙酯,据此解答。
【详解】(1)只含C、H两种元素的有机物属于烃,上述4种有机化合物中,属于烃的是乙烯;其分子中的官能团是碳碳双键,故答案为:乙烯;碳碳双键;
(2)反应②是乙醇在铜作催化剂条件下,被氧气氧化生成乙醛的反应,实验中用到Cu丝的作用是催化剂,故答案为:催化剂;
(3)反应③是乙醇与乙酸在浓硫酸加热条件下发生酯化反应生成乙酸乙酯和水,该反应类型属于酯化反应或取代反应,该反应的化学方程式为:,故答案为:酯化反应或取代反应;。
64. ↑ 提高镁的含量 氯气
【详解】(1)电解熔融氯化镁制金属镁的化学方程式是:↑,故答案为:↑;
(2) “反应池’→……→‘中和’”过程的主要作用:①除去海水:①除去海水中的其他杂质;②提高镁的含量,故答案为:提高镁的含量;
(3)“中和”时,与盐酸发生反应的离子方程式是:,故答案为:;
(4)氯气能污染环境,氯气能与氢气反应制盐酸,盐酸能与氢氧化镁反应制得氯化镁,在提取镁的工业流程中使用了氯气循环的过程,故答案为:氯气。
65.(1) 放热 3Cu+8H++2=3Cu2++2NO↑+4H2O
(2) HNO2(或) HNO2不稳定受热分解 反应开始时,生成的HNO2(或)较少,Cu2+与H2O形成[Cu(H2O)4]2+而呈蓝色;随着反应的进行,c()不断增大,Cu2+与形成[Cu(NO2)x]2-x而呈绿色;反应到最后阶段,由于HNO2不稳定而分解,Cu2+又与H2O形成[Cu(H2O)4]2+,且由于生成的Cu2+越来越多,c{[Cu(H2O)4]2+}增大,蓝色加深
(3)将铜丝插入1.35mol/LHNO3溶液中,无明显现象,加入少量NaNO2,体系反应速率明显加快,说明加快了该反应的速率
【解析】(1)根据图1可知,随反应进行,体系温度升高,可知Cu与稀HNO3的反应是放热反应,铜和硝酸反应生成硝酸铜、一氧化氮、水,该反应的离子方程式是3Cu+8H++2=3Cu2++2NO↑+4H2O。
(2)①HNO2是弱酸,不稳定,能使酸性高锰酸钾溶液褪色。A、B、C溶液都能使高锰酸钾溶液褪色,能证明A、B、C溶液中一定含有的粒子是HNO2;HNO2不稳定受热分解,所以将A、B、C三种溶液加热一段时间,冷却后,再滴加KMnO4(H+)溶液,溶液均不褪色。②反应开始时,生成的HNO2(或)较少,Cu2+与H2O形成[Cu(H2O)4]2+而呈蓝色;随着反应的进行,c()不断增大,Cu2+与形成[Cu(NO2)x]2-x而呈绿色;反应到最后阶段,由于HNO2不稳定而分解,Cu2+又与H2O形成[Cu(H2O)4]2+,且由于生成的Cu2+越来越多,c{[Cu(H2O)4]2+}增大,蓝色加深。
(3)将铜丝插入1.35mol/LHNO3溶液中,无明显现象,加入少量NaNO2,体系反应速率明显加快,说明加快了该反应的速率,可知200分钟时反应速率突然加快,是由引起的。
66. Zn-2e-=Zn2+ 溶液温度升高 a ac 8.5min内装置②生成氢气的体积大于装置①生成氢气的体积 生成相同体积的氢气,装置①中放出的热量比装置②大;装置②中部分化学能转化为电能
【详解】(1)装置①中锌和稀硫酸反应生成硫酸锌和氢气,发生反应的离子方程式是Zn-2e-=Zn2+;
(2)装置①中溶液温度升高,可知反应是放热反应;放热反应生成物的总能量低于反应物的总能量,该反应的能量变化可用图中的a表示。
(3) a.两装置的总反应都是Zn-2e-=Zn2+,所以产生的气体均为,故a正确;
b. 装置①没有构成原电池,铜和硫酸不反应,铜表面没有气泡;装置②构成原电池,铜是正极,氢离子在铜表面得电子生成氢气, 表面有气泡产生,故b错误;
c.两装置中的均失去电子化合价升高,发生氧化反应,故c正确;
(4) 8.5min内装置②生成氢气的体积大于装置①生成氢气的体积,所以装置①中反应的平均速率比装置②中的小;
(5)从化学反应和能量转化的角度分析该实验,可得出的结论是:
ⅰ.两装置中发生的反应为放热反应;
ⅱ.装置①中反应的平均速率比装置②中的小;
ⅲ.生成相同体积的氢气时,装置①中放出的热量比装置②大;装置②中部分化学能转化为电能;
67. ↑ 吸收尾气,防止污染 增大与浓硝酸的接触面积,加快反应速率 有气体生成 放热
【分析】铜与浓硝酸反应生成硝酸铜、二氧化氮和水,烧杯中氢氧化钠具有尾气处理的作用。
【详解】(1)铜丝与浓硝酸发生反应的离子方程式是:↑,故答案为:↑;
(2)二氧化氮会污染环境,烧杯中NaOH溶液具有尾气处理的作用,故答案为:吸收尾气,防止污染,故答案为:吸收尾气,防止污染;
(3)铜丝下端弯成螺旋状的原因是增大与浓硝酸的接触面积,加快反应速率,故答案为:增大与浓硝酸的接触面积,加快反应速率;
(4) ①根据有气体生成的现象,可知浓硝酸中+5价的N元素的化合价降低,推断该反应为氧化还原反应,故答案为:有气体生成;
②根据反应后试管壁发热的现象,可推断该反应属于放热反应,故答案为:放热。
68. Mg+2H+=Mg2++H2↑ 浓度 > 不同 用相同浓度硫酸代替实验中盐酸,导致氢离子浓度增大,化学反应速率加快。
【分析】根据金属与酸反应原理书写反应方程式;根据影响化学反应速率的因素进行分析解答。
【详解】(1 )镁与盐酸反应生成氯化镁和氢气,此反应的离子方程式为:Mg+2H+=Mg2++H2↑,故答案:Mg+2H+=Mg2++H2↑;
(2)实验中其他条件都相同,只有盐酸浓度不同,即氢离子浓度不同,故从微粒角度分析,该实验是为了探究反应物浓度对该反应的化学反应速率的影响,故答案:浓度;
(3 )从图象分析,用a mol/L的盐酸反应速率曲线斜率比0.5mol/L盐酸大,说明用a mol/L的盐酸反应速率更快,反应物浓度大,速率加快,说明a大于0.5,故答案:>;
( 4)如果用0.5mol/L的硫酸,则由于1mol硫酸完全电离生成2mol氢离子,氢离子的浓度增大,反应速率加快,因此反应速率不同,故答案:不同;用相同浓度硫酸代替实验中盐酸,导致氢离子浓度增大,化学反应速率加快。
69. 1 ② 验证干燥的氯气不具有漂白性 在装置A、B之间增加盛有浓硫酸的洗气瓶 Cl2+2NaOH=NaCl+NaClO+H2O 取少量反应后溶液于试管中,先加入足量的稀盐酸至无明显现象,然后再加入少量BaCl2溶液,有白色沉淀生成
【分析】(1) 根据NaClO+NaCl+H2SO4 Na2SO4+Cl2↑+H2O反应中元素化合价的变化和氧化还原反应的规律计算;
(2)根据反应物的状态和反应条件选择合适的气体发生装置;
(3) 根据氯气没有漂白性,次氯酸具有漂白性分析解答;
(4)氯气和氢氧化钠反应生成氯化钠和次氯酸钠和水,据此书写反应的化学方程式;
(5) 氯气把 SO氧化为SO,可以通过检验反应后的溶液中是否存在硫酸根离子来验证该反应发生的是否为氧化还原反应。
【详解】(1) NaClO+NaCl+H2SO4 Na2SO4+Cl2↑+H2O反应中只有Cl元素的化合价发生变化,由+1价和-1价变成0价,转移1个电子,则生成1molCl2,转移电子1mol,故答案为:1;
(2)由NaClO+NaCl+H2SO4 Na2SO4+Cl2↑+H2O可知,反应有液体参与,需要加热,所以选择装置②作为气体发生装置,故答案为:②;
(3) 氯气没有漂白性,次氯酸具有漂白性,装置B、C中依次盛放的是干燥的红色布条和湿润的红色布条,目的是验证干燥的氯气不具有漂白性;装置B中干燥的有色布条褪色,说明氯气中可能混有少量的水蒸气,氯气与水反应生成次氯酸而漂白,因此应在A和B之间增加盛有浓硫酸的洗气瓶,除去氯气中的水蒸气,故答案为:验证干燥的氯气不具有漂白性;在装置A、B之间增加盛有浓硫酸的洗气瓶;
(4)尾气中的氯气和氢氧化钠反应生成氯化钠和次氯酸钠和水,反应的化学方程式为Cl2+2NaOH=NaCl+NaClO+H2O,故答案为:Cl2+2NaOH=NaCl+NaClO+H2O;
(5)氯气把 SO氧化为SO,自身被还原为Cl-,反应离子方程式为SO+Cl2+H2O=SO+2Cl-+2H+;通过检验反应后的溶液中存在硫酸根离子即可验证该反应发生的是氧化还原反应,检验反应后溶液中含有SO的方法为:取少量反应后溶液于试管中,先加入足量的稀盐酸至无明显现象,然后再加入少量BaCl2溶液,有白色沉淀生成,说明含有SO,说明该反应发生的是氧化还原反应,故答案为:取少量反应后溶液于试管中,先加入足量的稀盐酸至无明显现象,然后再加入少量BaCl2溶液,有白色沉淀生成。
【点睛】本题的易错点和难点为(5),要注意氧化还原反应中一定存在化合价的变化,氯气把 SO氧化为SO,通过检验反应后的溶液中存在硫酸根离子可以验证该反应发生的是氧化还原反应。
70.(1) b c 取上层清液于试管中,先滴入稀盐酸,后滴入氯化钡溶液,若无白色沉淀生成,则说明硫酸根已除尽,若有白色沉淀,则说明硫酸根离子没有除尽 2NaCl(熔融)2Na+Cl2↑
(2) 富集溴元素 3Br2+3Na2CO3=NaBrO3+5NaBr+3CO2↑
(3)69.6
【分析】食盐有防腐的作用;Na2CO3溶液的加入必须在BaCl2溶液之后,加HCl溶液之前必须先过滤;硫酸根离子与钡离子反应生成不溶于酸的白色沉淀;工业上通过电解熔融的NaCl来冶炼金属钠,以此解题。
(1)
①生活中用氯化钠腌渍食物,是因为食盐有防腐的作用,故答案为:b;
②碳酸钠不仅可以除去钙离子,还可以除去过量的钡离子,故Na2CO3溶液的加入必须在BaCl2溶液之后,形成的沉淀中含有碳酸钙和碳酸钡,故加HCl溶液之前必须先过滤,故正确的顺序是c,故答案为:c;
③硫酸根离子与钡离子反应生成不溶于酸的白色沉淀,检验精盐中硫酸根是否除尽的方法是:取上层清液于试管中,先滴入稀盐酸,后滴入氯化钡溶液,若无白色沉淀生成,则说明硫酸根已除尽,故答案为:取上层清液于试管中,先滴入稀盐酸,后滴入氯化钡溶液,若无白色沉淀生成,则说明硫酸根已除尽,若有白色沉淀,则说明硫酸根离子没有除尽;
④电解熔融的氯化钠可以得到氯气和单质钠,电解方程式为:2NaCl(熔融)2Na+Cl2↑;
(2)
①因溴易挥发,溶液中通入热空气可以使溴挥发出来,起初有溴最终也有溴,所以这一步为溴的富集,
故答案为:富集溴元素;
②Br2与Na2CO3反应生成Na2BrO3、NaBr和CO2,Br元素部分由0价升高到+5价,另一部分从0价降低到-1价,则生成的Na2BrO3与NaBr的物质的量之比为1:5,所以配平方程式为:3Br2+3Na2CO3=NaBrO3+5NaBr+3CO2↑;
(3)
理论上,1L苦卤中含镁离子的质量,物质的量,根据镁元素守恒计算,最多可得到Mg(OH)2的质量。
71. 粉碎黄铁矿,增大与空气接触面积 SO3和H2SO4 0.7 50min之后SO2、SO3和O2的浓度均保持不变,且不为0 NaOH 2mol
【分析】煅烧黄铁矿,将硫元素转化为SO2,再将SO2氧化生成SO3,用浓硫酸吸收制备硫酸,据此分析答题。
【详解】(1)将黄铁矿粉碎,增大与空气接触面积,可以提高黄铁矿的燃烧效率,答案为:粉碎黄铁矿,增大与空气接触面积;
(2)图中所示的含硫物质为:、SO2、SO3、H2SO4,SO3和H2SO4中硫元素的化合价为+6价,所以硫元素化合价最高的物质是:SO3和H2SO4,答案为:SO3和H2SO4;
(3)①分析图象中数据可知,内,的浓度变化为1-0.3=0.7,答案为:0.7;
②分析图象可知,再50min之后SO2、SO3和O2的浓度均保持不变,且不为0,可以说明的反应在该条件下存在限度,所以能说明的反应在该条件下存在限度的实验证据是:50min之后SO2、SO3和O2的浓度均保持不变,且不为0,答案为:50min之后SO2、SO3和O2的浓度均保持不变,且不为0;
(4) ①分析双碱法脱硫的原理示意图可知,过程Ⅰ消耗氢氧化钠,过程Ⅱ生成氢氧化钠,可以循环使用的物质是NaOH,答案为:NaOH;
②分析双碱法脱硫的原理示意图可知参与反应的物质对应关系为:,过程Ⅲ中消耗氧气时,过程Ⅰ中吸收的物质的量是2mol,答案为:2mol。
72. C4H10 CH3CH2CH=CH2 c a CH3CH2CH2CH3 羟基 CH2=CH2+H2O CH3CH2OH CH3CH2OH+CH3COOHCH3COOCH2CH3+H2O
【分析】(1)根据图中显示的是几种烃分子中碳原子相互结合的方式可推知,a为CH3CH(CH3)2,b为CH3CH2CH=CH2,c为,(2)根据表中的分子模型均代表由碳、氢、氧三种元素中的两种或三种组成的有机物可推知:A为CH2=CH2,B为CH3CH2OH,C为CH3COOH,据此分析解题。
【详解】(1)①由分析可知,a为CH3CH(CH3)2,故烃a的分子式:C4H10,烃 b的结构简式:CH3CH2CH=CH2,故答案为:C4H10;CH3CH2CH=CH2;
②由分析可知,c为环丁烷,故属于环状烷烃的是c,故答案为:c;
③同系物是指结构相似,组成上相差一个或若干个CH2原子团的物质,故与互为同系物的是a为CH3CH(CH3)2,故答案为:a;
④由分析可知,烃a是异丁烷(2-甲基丙烷),故a的同分异构体为正丁烷,其结构简式为:CH3CH2CH2CH3,故答案为:CH3CH2CH2CH3;
(2)①由分析可知,B为CH3CH2OH ,故B中官能团的名称为:羟基,故答案为:羟基;
②由分析可知,A在一定条件下能转化为B即乙烯催化与H2O发生加成反应生成乙醇的反应,该反应的化学方程式为:CH2=CH2+H2O CH3CH2OH,故答案为: CH2=CH2+H2O CH3CH2OH;
③由分析可知,在一定条件下,B与C反应能生成具有水果香味的物质,即乙醇和乙酸发生酯化反应,故该反应的化学方程式为:CH3CH2OH+CH3COOHCH3COOCH2CH3+H2O,故答案为:CH3CH2OH+CH3COOHCH3COOCH2CH3+H2O。
73. Na N <
【分析】由元素在周期表中的位置可知,①、②、③、④、⑤、⑥分别为H、N、O、Na、S、Cl,结合元素周期律分析解答。
【详解】(1)由元素在周期表中的位置可知,④为Na元素,故答案为:Na;
(2) ②为N元素、③为O元素,N、O位于同一周期,原子序数越大,原子半径越小,则原子半径:N>O,即原子半径较大的为N,故答案为:N;
(3)①为H元素、⑥为Cl元素,二者形成的化合物为HCl,为共价化合物,其电子式为:,故答案为: ;
(4) ⑤为S元素、⑥为Cl元素,S、Cl位于同一周期,原子序数越大,非金属性越强,则非金属性 S<Cl,故答案为:<。
【点睛】掌握元素周期表的结构和元素的位置是解题的关键。本题的易错点为(3),要注意HCl为共价化合物,不存在离子键。
北京市东城区2020-2022三年高二化学下学期期末试题汇编3-非选择题: 这是一份北京市东城区2020-2022三年高二化学下学期期末试题汇编3-非选择题,共30页。试卷主要包含了K2时,a作___极,K3时,被还原的物质是___等内容,欢迎下载使用。
云南昆明市2020-2022三年高一化学下学期期末试题汇编3-非选择题: 这是一份云南昆明市2020-2022三年高一化学下学期期末试题汇编3-非选择题,共21页。试卷主要包含了90,00ml/L-0等内容,欢迎下载使用。
辽宁省锦州市2020-2022三年高一化学下学期期末试题汇编3-非选择题: 这是一份辽宁省锦州市2020-2022三年高一化学下学期期末试题汇编3-非选择题,共24页。试卷主要包含了H2O2溶液等内容,欢迎下载使用。

