所属成套资源:2022届高考化学一轮复习单元基础+提升测试卷(学生版)
第15单元 实验设计与评价(B卷 滚动提升检测)(学生版)
展开
这是一份第15单元 实验设计与评价(B卷 滚动提升检测)(学生版),共9页。试卷主要包含了选择题,非选择题等内容,欢迎下载使用。
一、选择题:本题共18个小题,每小题3分,共54分。在每小题给出的四个选项中,只有一项是符合题目要求的。
1.下列实验装置正确的是
A.制取并检验二氧化硫 B.制取氧气
C.制取氨气D.实验室制氯气
2.下列实验中,对应的现象以及结论都正确且两者具有因果关系的是
A.AB.BC.CD.D
3.为除去Fe2O3中的Al2O3,可选用的溶液是
A.HClB.CH3COOHC.NaOHD.NH3·H2O
4.下列金属中,表面自然形成的氧化层能保护内层金属不被空气氧化的是( )
A.Cu B.Na C.Fe D.Al
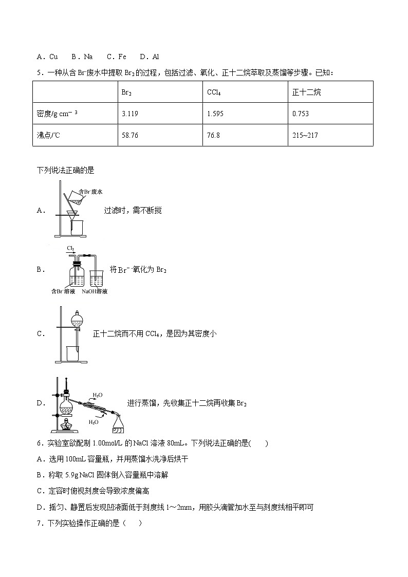
5.一种从含Br-废水中提取Br2的过程,包括过滤、氧化、正十二烷萃取及蒸馏等步骤。已知:
下列说法正确的是
A.过滤时,需不断搅
B.将-氧化为Br2
C.正十二烷而不用CCl4,是因为其密度小
D.进行蒸馏,先收集正十二烷再收集Br2
6.实验室欲配制1.00ml/L的NaCl溶液80mL。下列说法正确的是( )
A.选用100mL容量瓶,并用蒸馏水洗净后烘干
B.称取5.9g NaCl固体倒入容量瓶中溶解
C.定容时俯视刻度会导致浓度偏高
D.摇匀、静置后发现凹液面低于刻度线1~2mm,用胶头滴管加水至与刻度线相平即可
7.下列实验操作正确的是( )
A.用稀硫酸和锌粒制取H2时,加几滴CuSO4溶液以加快反应速率
B.将Cl2与HCl混合气体通过饱和食盐水可得到纯净的Cl2
C.向2支盛有5 mL不同浓度NaHSO3溶液的试管中同时加入2 mL 5% H2O2溶液,观察实验现象, 探究浓度对反应速率的影响
D.除去Cu粉中混有的CuO,加入稀硝酸溶液,过滤、洗涤、干燥
8.某工业废水中含有大量的FeSO4、较多的Cu2+和少量的Na+。为减少污染并变废为宝,工厂计划从该废水中回收FeSO4和金属Cu。根据流程图,下列说法不正确的是
A.①②操作均为过滤,但D、E溶液成分不完全相同
B.C可以为稀硫酸,也可以是稀盐酸
C.操作③采用冷却结晶,说明硫酸亚铁晶体的溶解度随温度变化有一定变化
D.A为足量铁粉,其反应的离子方程式为:Fe+Cu2+=Fe2++Cu
9.关于下列实验的描述中正确的是( )
A.实验室可以选择电石和蒸馏水制备乙炔
B.可用溴水除去乙烷中混有的乙烯
C.用溴水和苯在催化剂作用下制备溴苯
D.实验室可用右图装置制备乙炔
10.某学习小组探究SO2气体的性质,装置如图所示,下列说法不合理的是( )
A.a装置中FeCl3溶液逐渐变为浅绿色,说明SO2有还原性
B.c装置Na2S溶液中出现浅黄色浑浊,说明SO2具有氧化性
C.b装置中蓝色退去,说明还原性:SO2> I-
D.b、c装置中发生反应转移的电子数一定相等
11.下列关于实验操作的说法正确的是( )
A.用苯萃取溴水中的溴时,将溴的苯溶液从分液漏斗下口放出
B.中和滴定实验中,锥形瓶用蒸馏水洗净须经烘箱烘干后才可使用
C.配制0.5ml·L-1480mL的NaOH溶液需称量9.6 g NaOH固体
D.某溶液中滴入2滴K3[Fe(CN)6]溶液生成具有特征蓝色的沉淀,说明原溶液中含有Fe2+
12.下列离子方程式错误的是( )
A.向Mg(HCO3)2溶液中加入过量的NaOH溶液: Mg2++2HCO3-+4OH-=Mg(OH)2↓+2CO32-+2H2O
B.向亚硫酸钡固体中加入稀硝酸:3BaSO3+2H++2NO3- =3BaSO4+2NO↑+H2O
C.在银氨溶液中滴加过量稀硝酸:[Ag(NH3)2]OH+3H+ =Ag++2NH4++H2O
D.向NH4HSO4 稀溶液中逐滴加入 Ba(OH)2 稀溶液至 SO42- 刚好沉淀完全: Ba2++2OH-+NH4++H++SO42-=BaSO4↓+NH3·H2O+H2O
13.过氧化钠可作呼吸面具中的供氧剂,实验室可用如图装置制取少量过氧化钠。下列说法错误的是( )
A.装置X还可以制取H2、CO2等气体
B.②中所盛试剂为浓硫酸
C.③的作用是除去空气中的水蒸气和二氧化碳
D.实验室需先点燃装置Z中的酒精灯
14.某学习小组拟探究CO2和锌粒反应是否生成CO,已知CO能与银氨溶液反应产生黑色固体。实验装置如图所示,下列说法正确的是 ( )
A.实验开始时,先点燃酒精灯,后打开活塞K
B.b、c、f中试剂依次为氢氧化钠溶液、浓硫酸、银氨溶液
C.a中所发生反应的离子方程式是CaCO3+2H+=CO2↑+Ca2++H2O
D.装置e的作用是收集一氧化碳气体
15.下列关于应用套管实验装置(部分装置未画出)进行的实验,下列叙述错误的是( )
A.利用甲装置可以制取少量HF
B.利用乙装置可以验证Na2O2与水反应既生成氧气,又放出热量
C.利用丙装置验证KHCO3和K2CO3的热稳定性,X中应放的物质是KHCO3
D.利用丁装置制取SO2,并检验其还原性,小试管中的试剂可为酸性KMnO4溶液
16.实验室中某些气体的制取、收集、尾气处理(或性质实验)装置如图所示,用此装置和下表中提供的物质完成相关实验,合理的选项是( )
A.AB.BC.CD.D
17.根据下列实验操作和现象所得到的实验结论正确的是
A.AB.BC.CD.D
18.用如图装置进行实验,将液体A逐滴加入到固体B中,下列叙述正确的是( )
A.若A为浓盐酸,B为KMnO4晶体,C中盛有紫色石蕊溶液,则C中溶液最终呈红色
B.若A为浓氨水,B为生石灰,C中盛有AlCl3溶液,则C中溶液先产生白色沉淀,然后沉淀又溶解
C.实验仪器D可以起到防止溶液倒吸的作用
D.若A为浓H2SO4,B为Cu,C中盛有澄清石灰水,则C中溶液变浑浊
二、非选择题:本大题共4小题,共46分。
19.(1)实验室少量的金属钠保存在___________中,取用时用到的仪器和用品有小刀、玻璃片、滤纸和____________, 剩余的钠应_______________;将一小块钠投入到硫酸铜溶液中,反应的离子方程式为______________________________________,观察到的现象为_____________(填写标号)。
a.钠浮在液面上四处游动 b.钠融成了一个闪亮的小球
c.溶液中有蓝色沉淀生成 d.溶液中有红色固体析出
(2)实验室制氯气的化学反应方程式为_________________________________;氯气为有毒气体,需用氢氧化钠溶液进行尾气处理,请完成该离子方程式____________, 该原理还可用于工业制______________。
(3)下列物质既能与盐酸反应,又能与烧碱溶液反应的是________________________________
a. Al b. Mg c. CH3COONH4 d. NaHCO3 e. Al2O3
20.我国长征系列运载火箭用液态腓(N2H4)作燃料。N2H4与NH3有相似的化学性质,属于二元弱破,有极强的还原性。回答下列问题:
(1)肼与盐酸反应生成的正盐是__________(写化学式)。
(2)在加热条件下,液态肼可还原新制的Cu(OH)2制备纳米级Cu2O,并产生无污染气体,试写出该反应的化学反应方程式__________。
(3)资料表明,氨和次氯酸钠溶液反应能生成肼,装置如下:
①实验时,先点燃A处的酒精灯,一段时间后再向B的三颈烧瓶中滴加NaClO溶液。滴加NaClO溶液时不能过快、过多的原因_____________。
②从实验安全性角度指出该实验装置中存在的缺陷___________。
(4)向装有少量AgBr的试管中加入肼,观察到的现象__________。
(5)肼可用于处理高压锅炉水中的氧,防止锅炉被腐蚀,理论上1 kg的肼可除去水中溶解的O2__________kg。
21.某实验小组用下列装置进行乙醇催化氧化的实验(已知乙醛易溶于水)。
回答下列问题:
(1)甲和乙两个水浴的作用不相同,甲的作用是_______(填“加热”或“冷却”,下同),乙的作用是_______。
(2)实验过程中铜网出现黑色和红色交替的现象,反应的化学方程式为______________、___________________________________。
(3)反应进行一段时间后,试管a中收集到的主要有机物是_______(填名称,下同),集气瓶中收集到的主要气体是_______。
(4)若试管a中收集到的液体取少许用紫色石蕊溶液检验,溶液显_______色,说明液体中还含有乙酸。要除去乙酸可先在混合液中加入稍过量的碳酸氢钠溶液,然后通过_______的方法除去。
22.锶与氮气在加热条件下可生成氮化锶(Sr3N2),氮化锶遇水剧烈反应。已知:醋酸二氨合亚铜溶液能定量吸收CO,但易被O2氧化,失去吸收CO能力;连苯三酚碱性溶液能定量吸收O2。实验室设计如下装置制备氮化锶(各装置盛装足量试剂),所使用的氮气样品可能含有少量CO、CO2、O2等气体杂质。回答下列问题:
Ⅰ.氮化锶的制取
(1)装置A中装有水的仪器的名称是_______。
(2)装置C中盛装的试剂是_______(填标号,下同),装置D中盛装的试剂是_______。
a.连苯三酚碱性溶液 b.醋酸二氨合亚铜溶液
(3)装置G的作用是_________________________________________________。
Ⅱ.产品纯度的测定
称取7.7g Ⅰ中所得产品,加入干燥的三颈烧瓶中,然后由恒压漏斗加入蒸馏水,通入水蒸气,将产生的氨全部蒸出,用200mL 1.00ml·L-1盐酸标准溶液完全吸收(吸收液体积变化忽略不计)。从烧杯中量取20.00mL吸收液,用1.00ml·L-1 NaOH标准溶液滴定过剩的HCl,到终点时消耗NaOH标准溶液15.00mL。
(4)三颈烧瓶中发生反应产生气体的化学方程式为_____________________。
(5)产品纯度为_______%(保留整数)。
选项
实验
现象
结论
A
用硫酸酸化的H2O2溶液滴入到Fe(NO3)2溶液中,
溶液变成黄色
氧化性: H2O2强于Fe3+
B
蘸有浓氨水的玻璃棒靠近某溶液
有白烟产生
该溶液可能是浓盐酸
C
用铂丝蘸取少量某溶液进行焰色反应
火焰呈黄色
该溶液含钠元素不含钾元素
D
分别向含有酚酞的烧碱溶液中通入氯气、二氧化硫
溶液颜色都变浅
说明氯气和二氧化硫都有漂白性
Br2
CCl4
正十二烷
密度/g·cm- 3
3.119
1.595
0.753
沸点/℃
58.76
76.8
215~217
选项
Ⅰ中的物质
Ⅱ中收集的气体
Ⅲ中的物质
A
Cu和浓硝酸
NO2
水
B
浓盐酸和
NaOH溶液
C
亚硫酸钠和浓硫酸
品红溶液
D
浓氨水和CaO
酚酞溶液
选项
实验操作和现象
实验结论
A
向KI溶液中滴加少量溴水,再滴加CCl4,振荡,静置。分层,上层无色,下层紫红色
溴的非金属性强于碘
B
向Na2SO3溶液中先加入Ba(NO3)2溶液,生成白色沉淀,然后再加入稀盐酸,沉淀不溶解
Na2SO3溶液已经变质
C
向AgNO3溶液中先滴加少量NaCl溶液,生成白色沉淀,然后再滴加Na2S溶液,生成黑色沉淀
溶解度:AgCI>Ag2S
D
向滴有酚酞的Na2CO3溶液中,逐滴加入BaCl2溶液,溶液红色逐渐褪去
BaCl2溶液是酸性溶液
相关试卷
这是一份第4单元 氧化还原反应(B卷 滚动提升检测)(学生版),共6页。试卷主要包含了选择题,非选择题等内容,欢迎下载使用。
这是一份第3单元 离子反应(B卷 滚动提升检测)(学生版),共7页。试卷主要包含了选择题,非选择题等内容,欢迎下载使用。
这是一份第16单元 物质的结构与性质(选考)(B卷 滚动提升检测)(学生版),共6页。试卷主要包含了选择题,非选择题等内容,欢迎下载使用。

