人教版九年级上册课题2 二氧化碳制取的研究学案设计
展开学习目标
1.通过分析CO2的实验室制法知道实验室制取气体的一般思路和方法,学会确定发生装置和收集装置。
2.通过探究比较,找出实验室制取CO2的理想原料,熟练记住实验室制取CO2的反应原理。
3.学会实验室制取CO2的装置、操作步骤、收集方法、检验和验满方法。
自主研学
1.实验室是如何制取O2的?请写出反应的化学方程式。
2.用高锰酸钾或氯酸钾与过氧化氢溶液制O2时发生装置有何不同?为什么能用排水法和向上排空气法收集氧气?
3.你所知道的能产生CO2的反应有哪些?
合作探究
一、实验室制取CO2的原料
【实验】观察并能准确记录实验现象。
【结论】最适合在实验室里制取CO2的药品是 ,原因是 ,写出二者反应的化学方程式 。
【讨论】大理石(碳酸钙)块状改为粉末状适宜吗,为什么?为什么块状石灰石与稀硫酸反应一会儿就停止了呢?
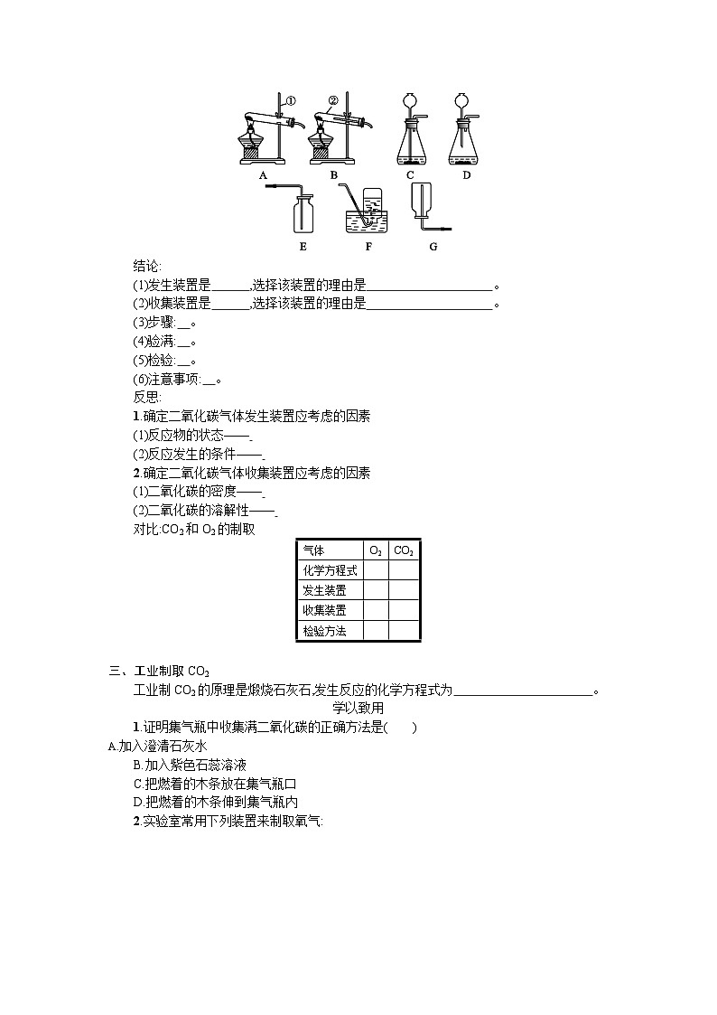
二、实验室制取CO2
思考:通过分析O2和CO2的实验室制法,找出实验室制取气体时选择发生装置和收集装置应考虑的因素,并说明原因。
资料:①空气的平均相对分子质量为29,CO2的相对分子质量为44,由此推出CO2的密度比空气的大。
②CO2能溶于水,在标准状况下,1体积的水可溶解0.88体积的CO2;且与水反应,CO2溶于水生成了碳酸,碳酸很不稳定,很容易分解成CO2和水。
结论:
(1)发生装置是 ,选择该装置的理由是 。
(2)收集装置是 ,选择该装置的理由是 。
(3)步骤: 。
(4)验满: 。
(5)检验: 。
(6)注意事项: 。
反思:
1.确定二氧化碳气体发生装置应考虑的因素
(1)反应物的状态——
(2)反应发生的条件——
2.确定二氧化碳气体收集装置应考虑的因素
(1)二氧化碳的密度——
(2)二氧化碳的溶解性——
对比:CO2和O2的制取
三、工业制取CO2
工业制CO2的原理是煅烧石灰石,发生反应的化学方程式为 。
学以致用
1.证明集气瓶中收集满二氧化碳的正确方法是( )
A.加入澄清石灰水
B.加入紫色石蕊溶液
C.把燃着的木条放在集气瓶口
D.把燃着的木条伸到集气瓶内
2.实验室常用下列装置来制取氧气:
(1)写出图中有标号仪器的名称:a. 、b. 。
(2)用双氧水和二氧化锰来制取氧气时,可选用的发生装置是 (填序号),其中二氧化锰起 作用。
(3)用高锰酸钾制取氧气时,发生反应的化学方程式为 。
(4)用E装置收集氧气的依据是 ,检验氧气是否集满的方法是 。
3.某化学课外活动小组进行了一系列的实验,请按要求作答:
(1)按要求从以下A~E装置中选择(填装置的序号)。甲同学要用石灰石和盐酸反应制取并收集CO2应选择 ;乙同学要收集一瓶O2,应选择 。
图(Ⅰ)
(2)小松同学使用图(Ⅱ)装置制取CO2,现有①Na2CO3固体;②块状大理石;③稀盐酸;④稀硫酸四种试剂,应选用的试剂是 (填序号);该反应的化学方程式是 ;反应进行过程中,关闭该装置中的止水夹a后,可以观察到的现象是 。
4.用以下装置进行气体的实验室制取和性质验证实验。
(1)选择装置A用氯酸钾和二氧化锰制氧气的化学方程式为 ,用排水法收集氧气的依据是 。
(2)用装置B制二氧化碳的化学方程式为 ,检验二氧化碳已收集满的方法是 ,长颈漏斗末端位于液面下的原因是 。
(3)将二氧化碳通入装置C中,紫色石蕊溶液变红的原因用化学方程式表示为 。
参考答案
自主研学
1.2H2O22H2O+O2↑
2.用高锰酸钾或氯酸钾制O2是固体加热型,过氧化氢溶液制O2用固液常温型。氧气不易溶于水能用排水法,氧气密度大于空气能用向上排空气法收集。
3.碳燃烧生成二氧化碳、动植物的呼吸作用等。
合作探究
一、产生大量气泡 快速剧烈 刚开始有气泡后来又没有气泡了 后来反应停止 产生大量气泡 速率适中 大理石和稀盐酸 反应速率适中,便于观察与收集
CaCO3+2HClCaCl2+H2O+CO2↑
二、(1)C 长颈漏斗下端应浸到液面以下 (2)E 二氧化碳密度大于空气且能溶于水 (3)检—装—收—验 (4)将燃着的木条放在瓶口,木条熄灭,证明已满 (5)将澄清石灰水倒入瓶中,石灰水变浑浊,证明是二氧化碳 (6)长颈漏斗下端应浸到液面以下
反思:1.(1)固体、液体 (2)常温
2.(1)大于空气 (2)能溶于水
对比:2H2O22H2O+O2↑ CaCO3+2HClCaCl2+H2O+CO2↑ C C
F或E E 带火星的木条放在瓶口,若复燃证明已满 将燃着的木条放在瓶口,木条熄灭,证明已满
三、CaCO3CaO+CO2↑
学以致用
1.C
2.(1)酒精灯 铁架台 (2)B 催化
(3)2KMnO4K2MnO4+MnO2+O2↑
(4)氧气密度大于空气 将带火星的木条放在瓶口
3.(1)BD C或D (2)②③ CaCO3+2HClCaCl2+H2O+CO2↑ 固液分离,长颈漏斗中液面上升
4.(1)2KClO32KCl+3O2↑ 氧气不易溶于水
(2)CaCO3+2HClCaCl2+H2O+CO2↑ 将燃着的木条放在瓶口,若熄灭证明已满 形成液封防止气体逸出 (3)CO2+H2OH2CO3
反应原料
实验现象
反应剧烈程度
碳酸钠(粉状)+稀硫酸
大理石(块状)+稀硫酸
大理石(块状)+稀盐酸
气体
O2
CO2
化学方程式
发生装置
收集装置
检验方法
初中化学人教版九年级上册课题2 二氧化碳制取的研究学案设计: 这是一份初中化学人教版九年级上册<a href="/hx/tb_c11579_t4/?tag_id=42" target="_blank">课题2 二氧化碳制取的研究学案设计</a>,共4页。学案主要包含了学习目标,自主探究等内容,欢迎下载使用。
人教版九年级上册课题2 原子的结构导学案: 这是一份人教版九年级上册<a href="/hx/tb_c76878_t4/?tag_id=42" target="_blank">课题2 原子的结构导学案</a>,共3页。学案主要包含了离子的形成,相对原子质量等内容,欢迎下载使用。
初中化学人教版九年级上册课题2 原子的结构导学案及答案: 这是一份初中化学人教版九年级上册<a href="/hx/tb_c76878_t4/?tag_id=42" target="_blank">课题2 原子的结构导学案及答案</a>,共4页。学案主要包含了原子的构成,核外电子分层排布等内容,欢迎下载使用。

