福建省福州格致中学2023-2024学年七年级下学期期中数学试题(原卷版+解析版)
展开这是一份福建省福州格致中学2023-2024学年七年级下学期期中数学试题(原卷版+解析版),文件包含福建省福州格致中学2023-2024学年七年级下学期期中数学试题原卷版docx、福建省福州格致中学2023-2024学年七年级下学期期中数学试题解析版docx等2份试卷配套教学资源,其中试卷共25页, 欢迎下载使用。
满分:150分;考试时间:120分钟
一、选择题(本题共10小题,每小题4分,共40分.在每小题给出的四个选项中,只有一项是符合题目要求的)
1. 下列个数,是无理数的是( )
A. B. C. D.
【答案】D
【解析】
【分析】本题考查了无理数的判断,无理数指无限不循环小数,熟记无理数的定义是解题关键.
【详解】解:A. ,是有理数;
B. ,是有理数;
C. 是有理数;
D. 是无理数;
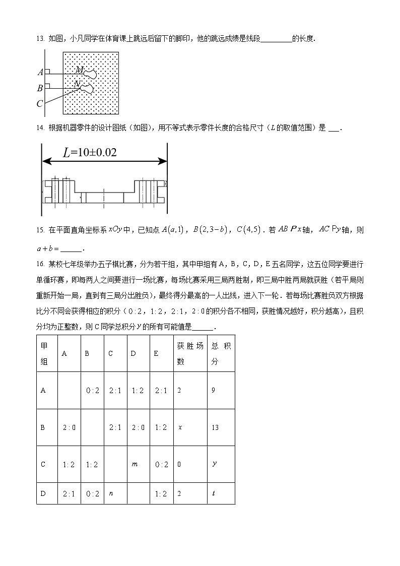
故选D.
2. 在平面直角坐标系中,点所在的象限是( )
A. 第一象限B. 第二象限
C. 第三象限D. 第四象限
【答案】D
【解析】
【分析】本题考查了平面直角坐标系每一个象限点的坐标特征,第四象限的点横坐标为正,纵坐标为负,据此即可求解.
【详解】解:在平面直角坐标系中,点在第四象限.
故选:D
3. 如果,那么下列不等式成立是( )
A. B.
C. D.
【答案】B
【解析】
【分析】本题考查了不等式的性质.解题的关键在于对不等式性质的熟练掌握与灵活运用.
【详解】解:A、如果,那么,故此选项不正确,不符合题意;
B、如果,那么,故此选项正确,符合题意;
C、如果,那么,故此选项错误,不符合题意;
D、如果,那么不能确定,故此选项错误,不符合题意,
故选:B.
4. 将代入,去括号后,可得( )
A. B.
C. D.
【答案】A
【解析】
【分析】本题考查代入求值和去括号,把整体代入后去括号即可解答.
【详解】解:将代入得,
去括号得,
故选A.
5. 大多数计算器都有“”键,用它可以求出一个正有理数的算术平方根(或其近似值).用计算器依此按键“”,“1”,“4”,“4”,“”,最终显示的结果是( )
A. 12B. 122C. D.
【答案】A
【解析】
【分析】本题考查算术平方根,算术平方根的定义是解题的关键,根据算术平方根的定义求解即可.
【详解】解:由题可得,
故选:A.
6. 已知直线,,的位置如图所示,且,,下列关于的证明过程正确的是( )
A. ,B. ,
C. , D. ,
【答案】D
【解析】
【分析】本题主要考查了平行线的判定,同位角相等,两直线平行,内错角相等,两直线平行,同旁内角互补,两直线平行,据此逐一判断即可得到答案.
【详解】解:∵,,
∴,
∵,
;
∵,
;
∵,
;
∴四个选项中只有D选项正确,符合题意;
故选:D.
7. 利用加减消元法解方程,下列做法正确的是( )
A. 要消去,可以将
B. 要消去,可以将
C. 要消去,可以将
D. 要消去,可以将
【答案】A
【解析】
【分析】此题考查了解二元一次方程组,利用了消元的思想,消元的方法有:代入消元法与加减消元法.观察方程组中与的系数特点,利用加减消元法判断即可.
【详解】解:利用加减消元法解方程,要消去,可以将,
要消去,可以将,
故选A.
8. 下列关于读法正确的是( )
A. 负的三次方根负3B. 负的负3的立方根
C. 负3的立方根的相反数D. 负的3的相反数的立方根
【答案】C
【解析】
【分析】本题考查了立方根,掌握立方根的表示方法是解题的关键.
【详解】解:读作负3的立方根的相反数,
故选:C.
9. 如图,10块形状,大小相同的小长方形墙砖拼成一个大长方形,设小长方形墙砖的长和宽分别为厘米和厘米,则下列方程中,不符合题意的是( )
A. B.
C. D.
【答案】D
【解析】
【分析】本题主要考查了由实际问题抽象出二元一次方程组,看懂图示,分别表示出长方形的长和宽是解本题的关键.
【详解】解:设小长方形墙砖的长和宽分别为厘米和厘米,列方程组为:
,或,或,
故不符合题意的为,
故选D.
10. 在平面直角坐标系中,线段两端点的坐标分别为,.将线段平移后,,的对应点分别是,,则,的坐标可以是( )
A. ,B. ,
C. ,D. ,
【答案】B
【解析】
【分析】此题考查坐标与图形变化—平移,解题关键在于掌握平移的性质.
【详解】根据题意可得:将线段平移后,A,B的对应点的坐标与原A,B点的坐标差必须相等.
A. A点、C点横坐标差为,纵坐标差为,B点、D点横坐标差为,纵坐标差为,对应点的坐标差不相等,故不合题意;
B. A点、C点横坐标差为,纵坐标差为,B点、D点横坐标差为,纵坐标差为,对应点的坐标差相等,故合题意;
C. A点、C点横坐标差为,纵坐标差为,B点、D点的横坐标差为,纵坐标差为,对应点的坐标差不相等,故不合题意;
D. A点、C点横坐标差为,纵坐标差为,B点、D点横坐标差为,纵坐标差为,对应点的坐标差不相等,故不合题意;
故选B.
二、填空题(本题共6小题,每小题4分,共24分)
11. 已知是方程的一组解,则的值是______.
【答案】
【解析】
【分析】此题主要考查了二元一次方程的解,方程的解即为能使方程左右两边相等的未知数的值.把代入方程得:,然后解关于m的方程即可.
详解】把代入方程得,
解得,
故答案为:.
12. 若,则整数的值可以是______(写出一个满足题意的即可).
【答案】5(答案不唯一)
【解析】
【分析】本题考查无理数的估算,根据估算确定a的取值范围即可解题.
【详解】解:∵,
∴,
∴a可以为5,
故答案为:5.
13. 如图,小凡同学在体育课上跳远后留下的脚印,他的跳远成绩是线段_________的长度.
【答案】BN##NB
【解析】
【分析】由点到直线的距离的定义及跳远比赛的规则做出分析和判断.
【详解】根据题意以及生活常识可知,跳远的成绩为离起跳线较近的那只脚的后脚跟到起条线的距离.有图可知N点为离起跳线较近的那只脚的后脚跟的位置,
因为点到直线的最短距离为垂线段.
所以跳远成绩为起跳线的垂线段BN.
故答案为:BN
【点睛】解答此题的关键是熟练掌握由点到直线的距离的定义及跳远比赛的规则.
14. 根据机器零件的设计图纸(如图),用不等式表示零件长度的合格尺寸(L的取值范围)是 ___.
【答案】
【解析】
【分析】根据有理数的加减法可得,最小合格尺寸是(10-0.02),最大合格尺寸是(10+0.02),用不等式可表示为:,计算即可得出结果.
【详解】解:由得:,
.
故答案为:.
【点睛】本题考查有理数的加减与不等式的解集,注意最小合格尺寸和最大合格尺寸需包含在取值范围里,利用有理数的加减法是解题的关键.
15. 在平面直角坐标系中,已知点,,.若轴,轴,则______.
【答案】
【解析】
【分析】本题主要考查了平面直角坐标系中平行于坐标轴的直线上点的特征和代数式求值,准确计算是解题的关键.
根据平行于x轴的直线上所有点的纵坐标相等,平行于y轴的直线上所有点的横坐标相等计算即可.
【详解】解:∵轴,轴,
∴,,
解得:,,
∴,
故答案为:.
16. 某校七年级举办五子棋比赛,分为若干组,其中甲组有A,B,C,D,E五名同学,这五位同学要进行单循环赛,即每两人之间要进行一场比赛,每场比赛采用三局两胜制,即三局中胜两局就获胜(若平局则重新开始一局,直到有三局分出胜负),最终得分最高的一人出线,进入下一轮.若每场比赛胜负双方根据比分不同会获得相应的积分(,,,的积分各不相同,获胜情况越好,积分越高),且积分均为正整数,则C同学总积分的所有可能值是______.
【答案】或
【解析】
【分析】本题考查了统计表在比赛积分问题中的应用,读懂表格中的数据,理清题中的数量关系是解题的关键.设四种得分为四种得分为a,b,c,d,且,,根据A和B的总分可得关于a,b,c,d的等式,化简即可得出a,b,c,d的值,然后分和两种情况解题即可.
【详解】解:由题可知:每场比赛的结果有四种:,,,,根据题意可知每种结果都会得到一个正整数积分,设以上四种得分为a,b,c,d,且,
根据A的总分可得:,
∴,,,
根据B的总分可得:,
∴,
∵队胜场,
∴分两种情况:当C、D的结果为时,;
当C、D的结果为时,;
∴C队总积分的所有可能值为或.
故答案为:或.
三、解答题(本题共9小题,共86分.解答应写出文字说明、证明过程或演算步骤)
17. 计算:
(1);
(2).
【答案】(1)
(2)
【解析】
【分析】本题主要考查了实数运算:
(1)先去括号,然后计算加减法即可;
(2)先计算立方根,再根据实数的运算法则求解即可.
【小问1详解】
解:
;
【小问2详解】
解:
.
18. 解下列方程:
(1)
(2)
【答案】(1)
(2)
【解析】
【分析】此题考查了解二元一次方程组,利用了消元的思想,消元的方法有:代入消元法与加减消元法.
(1)方程组利用加减消元法求出解即可;
(2)方程组利用代入消元法求出解即可.
【小问1详解】
解:①②得:,
解得:,
把代入②得,
解得:,
∴方程组的解为:;
【小问2详解】
解:把②代入①得,
解得:,
把代入①得,
∴方程组的解为:.
19. 解不等式,并在数轴上表示解集.
【答案】,数轴表示见解析
【解析】
【分析】本题考查了一元一次不等式的解法,熟练掌握解一元一次不等式的步骤是解答本题的关键.按照去分母、去括号、移项、合并同类项、系数化为的步骤求出不等式的解集,然后画出数轴,并在数轴上表示出不等式的解集.
【详解】解:
去分母,得,
去括号得,
移项得,
合并同类项得
解这个不等式,得,
.将不等式解集表示在数轴上如图:
20. 五子连珠棋和象棋,围棋一样,深受广大棋友的喜爱,其规则是:在正方形棋盘中,由黑方先行,轮流弈子,在任一方向(横向,竖向或者是斜着的方向)上连成五子者为胜.如图是两个五子棋爱好者甲和乙的对弈图,甲执黑子先行,乙执白子后走.若白①的位置是,白②的位置是.
(1)请根据题意,画出平面直角坐标系;
(2)若甲的下一步落子可以在某个方向上连成四子,请写出符合题意得的其中两个落子处的坐标.
【答案】(1)见解析 (2)或或或
【解析】
分析】本题主要考查了实际问题中用坐标表示位置:
(1)根据白①和白②的位置确定原点以及x轴,y轴的位置,进而画出坐标系即可;
(2)根据(1)所画坐标系,结合题意求解即可.
【小问1详解】
解:如下图坐标系即为所求;
【小问2详解】
解:由题意得结合图形可知,甲的落子位置为或或或.
21. 据说,我国著名数学家华罗庚在一次出国访问途中,看到飞机上邻座的乘客阅读的杂志上有一道智力题:一个数是59319,希望求它的立方根.华罗庚脱口说出:39.邻座的乘客十分惊奇,忙问计算的奥妙.
(1)以下步骤是华罗庚迅速准确地计算出结果的过程,请补充完整:
第一步:由,,可以确定是①位数;
第二步:由59319的个位上的数是9,可以确定的个位上的数是②;
第三步:如果划去59319后面的三位319得到数59,而③,④,由于,可以确定的十位上的数是3;
第四步:由此求得.
(2)已知287496也是一个整数的立方,请利用上面的方法求出它的立方根.
答:它的立方根是⑤位数;它的立方根的个位数是⑥;它的立方根的十位数是⑦;故970799的立方根是⑧.
【答案】(1)两;9;;
(2)两;6;6;66
【解析】
【分析】本题主要考查了求一个数的立方根:
(1)根据,可知59319的立方根大于10且小于100,即是两位数,再由只有个数是9的时候,该数的立方的个数数字才是9,得到的个位是9,再根据题意确定十位数字即可得到答案;
(2)仿照(1)求解即可.
【小问1详解】
解:∵,,,
∴59319的立方根大于10且小于100,即是两位数,
∵59319的个位上的数是9,
∴的个位上的数是9,
如果划去59319后面的三位319得到数59,而,,
∵,
∴可以确定的十位上的数是3;
∴;
故答案为:两;9;;;
【小问2详解】
解:∵,,,
∴287496的立方根大于10且小于100,即是两位数,
∵287496的个位上的数是6,
∴的个位上的数是6,
如果划去287496后面的三位496得到数287,而,,
∵,
∴可以确定的十位上的数是6;
∴;
故答案为:两;6;6;66.
22. 如图,在方格纸中平移三角形至三角形,使点移动到点,点的对应点是点.
(1)画出平移后的三角形;
(2)写出与的位置关系;
(3)连接,,求证:.
【答案】(1)见解析 (2)
(3)证明见解析
【解析】
【分析】本题主要考查了平移作图,平移的性质,平行线的性质与判定等等:
(1)根据点A和点D的位置可知平移方式为向右平移4个单位长度,向下平移3个单位长度,据此确定B、C对应点E、F的位置,然后作图即可;
(2)根据平移的性质求解即可;
(3)由平移的性质得到,,根据两直线平行,同旁内角互补即可证明结论.
【小问1详解】
解:如图所示,三角形即为所求;
【小问2详解】
解:由平移的性质可得;
【小问3详解】
证明:由平移的性质可得,,
∴,
∴.
23. 魏晋时期的数学家张丘建在古算书《张丘建算经》中提出著名的百鸡问题,即“今有鸡翁一,值钱伍;鸡母一,值钱三;鸡雏三,值钱一.凡百钱买鸡百只,问鸡翁,母,雏各几何?”其大意是:公鸡5文钱1只,母鸡3文钱1只,小鸡3只1文钱,用100文钱买100只鸡,其中公鸡,母鸡和小鸡都必须要有,问公鸡,母鸡和小鸡各多少只?设公鸡,母鸡和小鸡各有,,只,请完成下列问题.
(1)请列出满足题意的方程组,并求出与(用含的代数式表示);
(2)由于,,均为小于100的正整数,请写出所有满足条件的的值.
【答案】(1),
(2)或或
【解析】
【分析】本题主要考查了三元一次方程组的实际应用:
(1)根据钱数为100文可得方程,根据鸡有100只可得方程,据此建立方程组,并把x看做已知求出y、z即可;
(2)根据(2)所求得到,则x一定是4的倍数,据此讨论x的值,求出此时y、z的值看是否符合题意即可得到答案.
【小问1详解】
解:由题意得,,
解得
【小问2详解】
解:由(1)得,
∵x、y、z都是正整数,
∴都是正整数,
∴x一定是4的倍数,
当时,,符合题意;
当时,,符合题意;
当时,,符合题意;
当时,,不符合题意;
同理此时的x都不满足题意;
综上所述,或或.
24. 如图,三角形中,过点作直线
(1)求证:(在下面的括号内,填上推理的依据);
证明:____________(已知),
①,(两直线平行,内错角相等).
,,组成平角,
②(平角定义),
(③).
在此问中,,,是三角形的三个内角,通过(1)的证明,我们可以得到结论:④.
(2)若和的平分线交于点,求的度数;
(3)在(2)的条件下,过点作,垂足为点,连接,若,求证:,,三点共线.
【答案】(1)见解析 (2)90° (3)见解析
【解析】
【分析】本题考查平行线的性质,三角形的内角和定理,掌握三角形的内角和定理是解题的关键.
(1)根据平行线的性质得到,,然后利用平角的定义得到结论即可解题;
(2)根据平行线的性质得到,然后根据角平分线的定义得到,,然后利用三角形的内角和定理解题即可;
(3)根据垂直定义得到,然后利用三角形的内角和定理得到,进而得到得以证明结论.
【小问1详解】
证明:(已知),
,(两直线平行,内错角相等).
,,组成平角,
(平角定义),
(等量代换).
在此问中,,,是三角形的三个内角,通过(1)的证明,我们可以得到结论:三角形内角和是.
故答案为:;;;;等量代换;三角形内角和是;
【小问2详解】
解:∵,
∴,
又∵,平分和,
∴,,
∴,
∴;
【小问3详解】
证明:∵,
∴,
∴,
又∵,,
∴,
∴,
又∵,
∴,
∴,,三点共线.
25. 在平面直角坐标系中,点,分别在轴负半轴和轴正半轴上,且实数,满足.
(1)直接写出,的值以及线段的长;
(2)若为线段上一点(不含端点),过点作轴垂线交直线于点.
①求点的坐标(用含的代数式表示);
②记点到的距离为,若,判断与的大小关系,并证明.
【答案】(1),,
(2)① ②,证明见解析
【解析】
【分析】本题考查平方根有意义的条件,图形与点的坐标,两点间的距离公式,掌握两点间距离公式是解题的关键.
(1)先根据平方根有意义的条件求出,的值,然后根据两点间的距离公式计算解题即可;
(2)①根据题意得到,然后得到,写出点的坐标即可;
②先求出长,再根据面积得到d的值,然后确定m的取值范围即可判断.
【小问1详解】
解:∵,
∴
解得:,,
∴,,
∴,
【小问2详解】
①解:如图,,
∴,
又∵,轴
∴,
∴点的坐标为;
②;
∵点到的距离为,
∴,即
即,
又∵,
∴,
解得:,
∴.甲组
A
B
C
D
E
获胜场数
总积分
A
2
9
B
13
C
0
D
2
E
3
12
相关试卷
这是一份福建省福州市仓山区福州外国语学校2023-2024学年七年级下学期期中数学试题(原卷版+解析版),文件包含福建省福州市仓山区福州外国语学校2023-2024学年七年级下学期期中数学试题原卷版docx、福建省福州市仓山区福州外国语学校2023-2024学年七年级下学期期中数学试题解析版docx等2份试卷配套教学资源,其中试卷共27页, 欢迎下载使用。
这是一份福建省福州杨桥中学2023-2024学年七年级下学期期中数学试题(原卷版+解析版),文件包含福建省福州杨桥中学2023-2024学年七年级下学期期中数学试题原卷版docx、福建省福州杨桥中学2023-2024学年七年级下学期期中数学试题解析版docx等2份试卷配套教学资源,其中试卷共27页, 欢迎下载使用。
这是一份福建省福州屏东中学2023-2024学年八年级下学期期中数学试题(原卷版+解析版),文件包含福建省福州屏东中学2023-2024学年八年级下学期期中数学试题原卷版docx、福建省福州屏东中学2023-2024学年八年级下学期期中数学试题解析版docx等2份试卷配套教学资源,其中试卷共28页, 欢迎下载使用。

