所属成套资源:全套人教版高中物理必修二课时学案
高中物理人教版 (2019)必修 第二册2 向心力第2课时学案
展开
这是一份高中物理人教版 (2019)必修 第二册2 向心力第2课时学案,共11页。
2.学会用控制变量法探究物理规律。
类型一 实验原理与操作
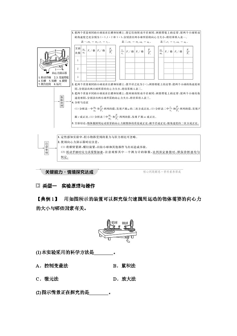
【典例1】 用如图所示的装置可以探究做匀速圆周运动的物体需要的向心力的大小与哪些因素有关。
(1)本实验采用的科学方法是________。
A.控制变量法 B.累积法
C.微元法 D.放大法
(2)图示情景正在探究的是________。
A.向心力的大小与半径的关系
B.向心力的大小与线速度大小的关系
C.向心力的大小与角速度大小的关系
D.向心力的大小与物体质量的关系
(3)通过本实验可以得到的结论是______。
A.在质量和半径一定的情况下,向心力的大小与角速度成正比
B.在质量和半径一定的情况下,向心力的大小与线速度的大小成正比
C.在半径和角速度一定的情况下,向心力的大小与质量成正比
D.在质量和角速度一定的情况下,向心力的大小与半径成反比
[解析] (1)探究向心力大小与半径、角速度、质量的关系,要采用控制变量法探究。故正确选项为A。
(2)实验中,两小球的种类不同,故是保持两小球的转动半径、转动的角速度相同,探究向心力的大小跟物体质量的定量关系。故正确选项为D。
(3)两小球的转动半径、转动的角速度相同,探究向心力的大小跟物体质量成正比。故正确选项为C。
[答案] (1)A (2)D (3)C
类型二 数据处理和误差分析
【典例2】 如图所示,图甲为“利用向心力演示器验证向心力公式”的实验示意图,图乙为其俯视图。图中A、B槽分别与a、b轮同轴固定,且a、b轮半径相同。当a、b两轮在皮带的带动下匀速转动时,
(1)两槽转动的角速度ωA________ωB(选填“>”“=”或“<”)。
(2)现有两个质量相同的钢球,球1放在A槽的横臂挡板处,球2放在B槽的横臂挡板处,它们到各自转轴的距离之比为2∶1,则钢球1、2的线速度之比为________;当钢球1、2各自对应的标尺露出的格数之比为______时,向心力公式F=mω2r得到验证。
[解析] (1)因a、b两轮通过皮带相连,且a、b两轮半径相同,故两轮角速度相同;而A、B槽分别与a、b轮同轴固定,故两槽的角速度分别与两轮的角速度相等,综上可知两槽转动的角速度相等,即ωA=ωB。
(2)钢球1、2的角速度相同,做匀速圆周运动的半径之比为2∶1,根据v=ωr可知,钢球1、2的线速度之比为2∶1;根据向心力公式F=mω2r可知,钢球1、2受到的向心力之比为2∶1,则当它们各自对应的标尺露出的格数之比为2∶1时,向心力公式F=mω2r得到验证。
[答案] (1)= (2)2∶1 2∶1
类型三 创新实验设计
【典例3】 某兴趣小组用如图甲所示的装置与传感器结合,探究向心力大小的影响因素。实验时用手拨动旋臂使它做圆周运动,力传感器和光电门固定在实验器材上,测量角速度和向心力。
(1)电脑通过光电门测量挡光杆通过光电门的时间,并由挡光杆的宽度d、挡光杆通过光电门的时间Δt、挡光杆做圆周运动的半径r,自动计算出砝码做圆周运动的角速度,则计算其角速度的表达式为________。
(2)图乙中取①②两条曲线为相同半径、不同质量下向心力与角速度的关系图线,由图可知,曲线①对应的砝码质量________(选填“大于”或“小于”)曲线②对应的砝码质量。
[解析] (1)挡光杆转动的线速度
v=dΔt
由ω=vr计算得出挡光杆的角速度
ω=drΔt
因砝码与挡光杆的角速度相同,故计算砝码角速度的表达式为ω=drΔt。
(2)若保持角速度和半径都不变,由向心力公式F=mω2r可知,质量大的物体需要的向心力大,所以曲线①对应的砝码质量小于曲线②对应的砝码质量。
[答案] (1)drΔt (2)小于
1.航天器绕地球做匀速圆周运动时处于完全失重状态,物体对支持面没有压力,所以在这种环境中已经无法用天平称量物体的质量。假设某同学在这种环境中设计了如图所示的装置(图中O为光滑小孔)来间接测量物体的质量:给待测物体一个初速度,使它在桌面上做匀速圆周运动。设航天器中具有基本测量工具。
(1)实验时需要测量的物理量是__________________________________________
_____________________________________________________________________。
(2)待测物体质量的表达式为m=________。
[解析] 需测量物体做圆周运动的周期T、半径R以及弹簧测力计的示数F,则有F=m4π2T2R,所以待测物体质量的表达式为m=FT24π2R。
[答案] (1)弹簧测力计示数F、圆周运动的半径R、圆周运动的周期T (2)FT24π2R
2.如图所示是探究向心力F的大小与质量m、角速度ω和半径r之间的关系的实验装置图,转动手柄1,可使变速塔轮2和3以及长槽4和短槽5随之匀速转动。皮带分别套在塔轮2和3上的不同圆盘上,可使两个槽内的小球6、7分别以不同的角速度做匀速圆周运动。小球做圆周运动的向心力由横臂8的挡板对小球的压力提供,小球对挡板的反作用力通过横臂8的杠杆作用使弹簧测力套筒9下降,从而露出标尺10,标尺10上露出的红白相间的等分格显示出两个小球所受向心力的比值。那么:
(1)现将两小球分别放在两边的槽内,为了探究小球受到的向心力大小和角速度的关系,下列说法正确的是________。
A.在小球运动半径相等的情况下,用质量相同的小球做实验
B.在小球运动半径相等的情况下,用质量不同的小球做实验
C.在小球运动半径不相等的情况下,用质量不同的小球做实验
D.在小球运动半径不相等的情况下,用质量相同的小球做实验
(2)在该实验中应用了________(选填“理想实验法”“控制变量法”或“等效替代法”)来探究向心力的大小与质量m、角速度ω和半径r之间的关系。
(3)当用两个质量相等的小球做实验,且左边小球的轨道半径为右边小球的轨道半径的2倍时,转动时发现右边标尺上露出的红白相间的等分格数为左边的2倍,那么,左边塔轮与右边塔轮之间的角速度之比为________。
[解析] (1)根据F=mrω2知,要研究小球受到的向心力大小与角速度的关系,需控制小球的质量和运动半径不变,所以A正确,B、C、D错误。
(2)由前面分析可以知道该实验采用的是控制变量法。
(3)由题可知左、右小球做圆周运动的半径之比为2∶1,做圆周运动的向心力之比为1∶2,且两小球质量相等,根据F=mrω2可得左边塔轮与右边塔轮之间的角速度之比为1∶2。
[答案] (1)A (2)控制变量法 (3)1∶2
3.利用如图实验装置可验证做匀速圆周运动的物体所受合力与所需向心力的“供”“需”关系,启动小电动机带动小球做圆锥摆运动,不计一切阻力,移动水平圆盘,当圆盘与球恰好相切时关闭电动机,让小球停止运动,悬线处于伸直状态。利用弹簧测力计水平径向向外拉小球,使小球恰好离开圆盘且处于静止状态时,测出水平弹力F的大小。
(1)(多选)为算出小球做匀速圆周运动时所需的向心力,下列物理量还应该测出的有________;
A.用停表测出小球做匀速圆周运动的周期T
B.用刻度尺测出小球做匀速圆周运动的半径r
C.用刻度尺测出小球到线的悬点的竖直高度h
D.用天平测出小球质量m
(2)小球做匀速圆周运动时,所受重力与悬线拉力的合力大小________弹簧测力计测出的F大小(选填“大于”“等于”或“小于”);
(3)当所测物理量满足________关系式时,则做匀速圆周运动的物体所受合力与所需向心力的“供”“需”平衡。
[解析] (1)根据向心力公式Fn=m4π2T2r分析知,为算出小球做匀速圆周运动时所需向心力,需要测出小球做匀速圆周运动的周期T、半径r和小球质量m,故A、B、D正确,C错误。
(2)据题意,小球静止时,F等于悬线拉力的水平分力,即有F=mg tan θ,θ是悬线与竖直方向的夹角,小球做匀速圆周运动时,由重力与悬线拉力的合力提供向心力,重力与悬线拉力的合力大小F合=mg tan θ,则F合=F。
(3)当F合=Fn,即F=m4π2T2r时,做匀速圆周运动的物体所受合力与所需向心力的“供”“需”平衡。
[答案] (1)ABD (2)等于 (3)F=m4π2T2r
4.如图甲所示是某同学探究做圆周运动的物体质量、向心力、轨道半径及线速度关系的实验装置,做匀速圆周运动的圆柱体放置在水平光滑圆盘上。力传感器测量向心力F,速度传感器测量圆柱体的线速度v,该同学通过保持圆柱体质量和运动半径不变,来探究向心力F与线速度v的关系:
(1)该同学采用的实验方法为________。
A.等效替代法 B.控制变量法
C.理想化模型法 D.比值法
(2)改变线速度v,多次测量,该同学测出了五组F、v数据,如表所示:
该同学对数据分析后,在图乙坐标纸上作出了F-v2图线。
①图中已描出上述5个点,请作出F-v2图线;
②若圆柱体运动半径r=0.2 m,由作出的F-v2图线可得圆柱体的质量m=________kg(保留两位有效数字)。
[解析] (1)实验中研究向心力和线速度的关系,保持圆柱体质量和运动半径不变,采用的实验方法是控制变量法,故B项正确。
(2)①作出F-v2图线,如图所示。
②根据F=mv2r知,图线的斜率k=mr,
则有mr≈89,代入数据解得m≈0.18 kg。
[答案] (1)B (2)①见解析 ②0.18
5.在“用圆锥摆验证向心力的表达式”实验中,如图甲所示,悬点刚好与一个竖直的刻度尺零刻度线对齐。将画着几个同心圆的白纸置于水平桌面上,使小钢球静止时刚好位于圆心。用手带动小钢球,设法使它刚好沿纸上某个半径为r的圆做圆周运动,小钢球的质量为m,重力加速度为g。
(1)用停表记录小钢球运动n圈的总时间为t,那么小钢球做圆周运动中需要的向心力表达式为Fn=________。
(2)通过刻度尺测得小钢球轨道平面距悬点的高度为h,那么小钢球做圆周运动中外力提供的向心力表达式为Fn=________。
(3)改变小钢球做圆周运动的半径,多次实验,得到如图乙所示t2n2-h的关系图像,可以达到粗略验证向心力表达式的目的,该图线的斜率表达式为k=________。
[解析] (1)根据向心力公式Fn=mv2r,而v=2πrT,T=tn
解得Fn=m 4π2n2t2r。
(2)如图所示,对小钢球进行受力分析
由几何关系可得:
Fn=mg tan θ=mgrh。
(3)由(1)(2)分析得:
Mg rh=m4π2n2t2r,整理得:t2n2=4π2g·h
故斜率表达式为:k=4π2g。
[答案] (1)m 4π2n2t2r (2)mg rh (3)4π2g
F/N
0.88
2.00
3.50
5.50
7.90
v/(m·s-1)
1.0
1.5
2.0
2.5
3.0
v2/(m2·s-2)
1.00
2.25
4.00
6.25
9.00
相关学案
这是一份高中人教版 (2019)第六章 圆周运动2 向心力精品第1课时学案,共11页。
这是一份人教版 (2019)第六章 圆周运动2 向心力第1课时学案设计,共12页。
这是一份人教版 (2019)必修 第二册2 向心力第一课时学案设计,共5页。

