福建省福州第一中学2022-2023学年高二上学期期末考试化学试题(含答案解析)
展开可能用到的相对原子质量:H-1 C-12 O-16 Na-23 Cl-35.5 K-39 Fe-56 Cu-64
一、选择题(本题共16小题,每小题3分,共48分。在每小题给出的四个选项中,只有一项是符合题目要求的)
1. 下列反应属于吸热反应的是
A. 氢气在氯气中燃烧B. 石灰石在高温下分解
C. 稀硫酸与NaOH溶液反应D. 铝和氧化铁在高温下反应
【答案】B
【解析】
【详解】A.氢气在氯气中燃烧属于放热反应,故A错误;
B.石灰石在高温下分解属于吸热反应,故B正确;
C.稀硫酸与NaOH溶液反应为酸碱中和反应,属于放热反应,故C错误;
D.铝和氧化铁在高温下反应属于放热反应,故D错误;
故选B。
2. 我国科研团队研制出以合金为负极的可充电电池,放电反应为,下列说法不正确的是
A. 合金作负极,电极反应为:
B. 充电时,阳极电极反应式为:
C. 放电时,每消耗156gK,可吸收67.2L(标准状况)
D. 该电池的电解质为水溶液
【答案】D
【解析】
【详解】A.KSn合金作负极,电极反应为K-e-=K+,A正确;
B.充电时阳极上C失电子,与反应生成CO2,电极反应式为,B正确;
C.放电时,每消耗156gK即消耗4mlK,则同时消耗3mlCO2,即吸收67.2LCO2(标准状况),C正确;
D.由于K能与溶液中的反应,故电池的电解质不能用溶液,D错误;
故答案选D。
3. 常温下,下列各组离子一定能在指定溶液中大量共存的是
A. 使酚酞变红色的溶液中:、、、
B. 与Al反应能放出的溶液中:、、、
C. 的溶液中:、、、
D. 水电离的的溶液中:、、、
【答案】C
【解析】
【详解】A.使酚酞变红色的溶液呈碱性,而在碱性溶液中,Mg2+、不能大量存在,A不合题意;
B.与Al反应能放出H2的溶液,可能呈碱性,也可能呈酸性,在碱性溶液中,Cu2+不能大量存在,酸性溶液中,硝酸根离子不能大量存在,B不合题意;
C.,溶液呈酸性,该组离子都能大量共存,C符合题意;
D.水电离的c(H+)=1×10-13ml/L,则水的电离受到抑制,溶液可能含有酸或碱,在酸性溶液中, 不能大量存在,碱性溶液中,Al3+不能大量共存,D不合题意;
故选C。
4. 下列事实不能用勒夏特列原理解释的是
A. 工业上SO2和O2在常压下生成SO3
B. 加热蒸干AlCl3溶液不能得到无水AlCl3
C. 用浓氨水和氢氧化钠制取氨气
D. 水中的c(H+)比0.1ml·L-1 NaOH溶液中的大
【答案】A
【解析】
【详解】A.工业上SO2和O2在常压下生成SO3,正反应是气体体积缩小的反应,所以常压不利于三氧化硫的转化,不能用勒夏特列原理解释,故A符合;
B.AlCl3溶液在加热时水解生成Al(OH)3,生成的HCl易挥发,最终生成Al(OH)3,在加强热时,Al(OH)3不稳定,分解生成Al2O3,能用平衡移动的原理解释,故B不符合;
C.浓氨水中加入氢氧化钠固体,会放出大量的热,促使氨水的电离平衡正向移动,能用勒夏特列原理解释,故C不符合;
D.氢氧化钠对水的电离起抑制作用,所以水中的c(H+)比0.1ml/LNaOH溶液中c(H+)大,能用勒夏特列原理解释,故D不符合;
故选A。
5. 已知25℃时,Ka(HClO)=4.0×10-8。下列说法不正确的是
A. 0.01ml•L-1NaClO溶液中,c(Na+)=c(HClO)+c(ClO-)
B. NaClO溶液长期露置在空气中,释放O2,漂白能力减弱
C. 等浓度的HClO与NaClO溶液等体积混合后溶液显碱性
D. 25℃,pH=6.0的NaClO和HClO的混合溶液中,c(HClO)>c(Na+)>c(ClO-)
【答案】D
【解析】
【详解】A.0.01ml•L-1NaClO溶液中存在物料守恒:c(Na+)= c(HClO)+c(ClO-),故A正确;
B.NaClO溶液长期露置在空气中,溶液中的HClO会发生分解产生HCl和O2,漂白能力减弱,故B正确;
C.Ka(HClO)=4.0×10-8,ClO-的水解常数Kh=> Ka,HClO的电离程度小于ClO-的水解程度,所以等浓度的HClO与NaClO溶液等体积混合后溶液显碱性,故C正确;
D.25℃,pH=6.0的NaClO和HClO的混合溶液呈酸性,说明c(H+)>c(OH-),由电荷守恒c(H+)+c(Na+)=c(OH-)+c(ClO-)可知c(Na+)
6. 化学与人类生活、生产息息相关。下列说法不正确的是
A. 碳酸钠去除油污时,适当加热效果更好
B. 施肥时,草木灰(有效成分为K2CO3)不能与铵态氨肥混合使用
C. 漂白粉和明矾可用于净水,二者的作用原理不同
D. 用氯气处理水中的Cu2+、Hg2+等重金属离子
【答案】D
【解析】
【详解】A.加热促进了碳酸钠溶液中碳酸根的水解,增强了纯碱溶液的碱性,使油污在碱性溶液中水解更加彻底,因此去污效果更好,故A正确;
B.草木灰的主要成分是K2CO3,和铵态氮肥(如硝酸铵)混用时,由于CO和NH的水解相互促进,使NH变为NH3,降低了氮肥的肥效,故B正确;
C.漂白粉是利用ClO生成HClO,HClO具有强氧化性而杀菌消毒,明矾净水是利用A13+水解产生的Al(OH)3胶体的吸附作用而净化水,二者的作用原理不同,故C正确;
D.氯气与Cu2+、Hg+等重金属离子不反应,不能处理废水,应选硫化物沉淀重金属离子,故D错误;
故选D。
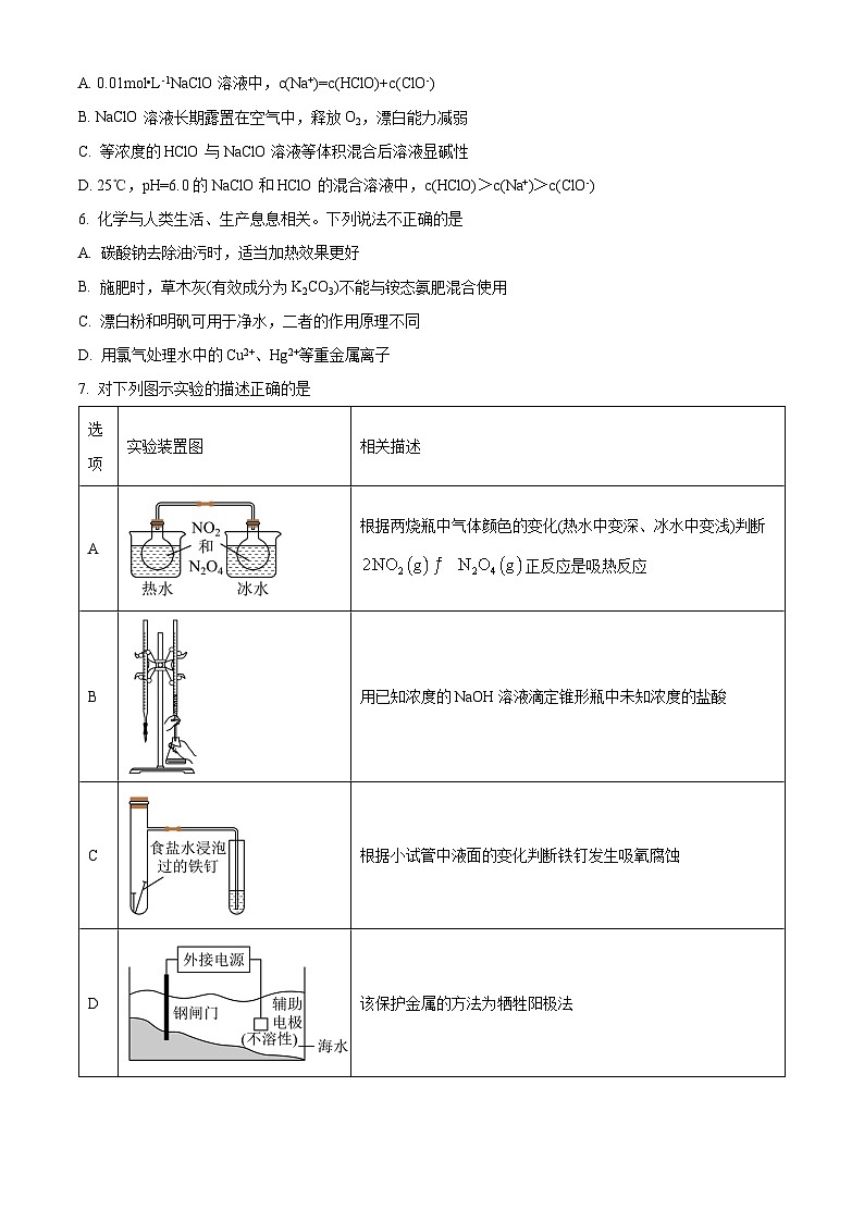
7. 对下列图示实验的描述正确的是
A AB. BC. CD. D
【答案】C
【解析】
【详解】A.热水中颜色深,可知升高温度反应逆向移动,则正反应为放热反应,故A错误;
B.从图示滴定管可看出,是用盐酸滴定NaOH溶液,故B错误;
C.食盐水为中性电解质溶液,铁在中性电解质溶液中发生吸氢腐蚀,故C正确;
D.钢闸门连在外接电源的负极上,作阴极,被保护,为外加电流法,故D错误;
故选C。
8. 医院常用硫酸钡(俗称钡餐)作为内服造影剂。可溶性钡盐有毒,抢救钡离子中毒患者时除催吐外,还需向中毒者胃中灌入硫酸钠溶液。已知:常温下,;。下列推断不正确的是
A. BaSO4的溶度积常数表达式为
B. 可以用0.36 ml/L的Na2SO4溶液给钡离子中毒患者洗胃
C. 抢救钡离子中毒患者时,若没有硫酸钠,可以用碳酸钠溶液代替
D. 常温下,的平衡常数K=23.6
【答案】C
【解析】
【详解】A.溶解度常数是难溶性物质在水中达到沉淀溶解平衡时,溶解电离产生的离子浓度的乘积,则BaSO4的溶度积常数表达式为,A正确;
B.若Ba2+离子中毒时,服用0.36 ml/L的Na2SO4溶液时,Ba2+与服用的Na2SO4溶液电离产生的结合形成BaSO4沉淀,导致c(Ba2+)浓度降低,因而可降低Ba2+对人体健康造成的伤害,B正确;
C.若服用碳酸钠溶液,与Ba2+形成的BaCO3能够与胃酸即HCl发生反应变为Ba2+及CO2、H2O,因此Ba2+对人体健康的危害仍然不能排除,且碳酸钠溶液呈强碱性,也会对人造成一定刺激,C错误;
D.在常温下,的平衡常数K=。
9. 现有常温下的四份溶液,下列说法不正确的是
A. ②④溶液中水电离的氢离子均为
B. ②③混合,若pH=7,则消耗溶液的体积②<③
C ①④等体积混合后,所得溶液中
D. 向③④中分别加入适量的氯化铵晶体后,两溶液的pH均减小
【答案】B
【解析】
【详解】A.0.01ml/L 溶液中水电离出的氢氧根离子的浓度,水电出氢离子浓度等于氢氧根离子浓度,pH=12 水电离的氢离子为 ,A正确;
B.②③混合,若pH=7,则消耗溶液的体积②大于③,B错误;
C.①④等体积混合后,得到乙酸钠溶液显碱性,所得溶液中,C正确;
D.向③④中分别加入适量的氯化铵晶体后,前者会抑制其电离,碱性减弱,后者铵根离子会结合氢氧根离子也使其碱性减弱,故两溶液的pH均减小,D正确;
故选B。
10. 下列离子方程式书写正确的是
A. 水解:
B. 溶液中通入气体:
C. 溶于:
D. 饱和溶液处理水垢中的:
【答案】D
【解析】
【详解】A.给出的是的电离方程式,水解方程式为,A错误;
B.是弱电解质,不能拆写成离子,B错误;
C.溶于,水解方程式为,C错误;
D.饱和溶液处理水垢中的,沉淀转化为沉淀,,D正确;
故选D。
11. 下列实验的有关说法正确的是
A. 用pH试纸测得氯水的p=2
B. 用碱式滴定管量取18.20mL溶液
C. 中和反应反应热的测定时,若用铜丝代替玻璃搅拌器,测得偏大
D. 中和滴定时,盛装待测液的锥形瓶如果用待测液润洗,不影响测定结果
【答案】C
【解析】
【详解】A.氯水中有次氯酸,有漂白作用,会使pH试纸褪色,A错误;
B.碱式滴定管的下端有一段橡皮管,溶液具有强腐蚀性,量取高锰酸钾溶液要用酸式滴定管,B错误;
C.用铜质搅拌器代替环形玻璃搅拌棒,金属传热较快,使得热量散失更多,测得偏大,C正确;
D.中和滴定时,盛装待测液的锥形瓶如果用待测液润洗,滴定过程中消耗标准溶液体积偏大,导致测量结果偏高,D错误;
故答案为:C。
12. 已知反应过程能量变化如图所示,
则下列说法正确的是
A. HNC比HCN更稳定
B. 该反应的活化能为127.2kJ
C. 该反应的热效应
D. 加入催化剂,不能改变反应的热效应
【答案】D
【解析】
【详解】A.能量越低物质越稳定,根据能量变化图可以看出,HCN的能量比HNC低,因此HCN比HNC更稳定,A错误;
B.从能量变化图可以看出该反应的活化能为186.5,B错误;
C.该反应热效应,C错误;
D.加入催化剂,可以降低活化能,加快反应速率,但是不能改变反应的热效应,D正确;
故答案为:D。
13. 反应物(S)转化为产物(P或P·Z)的能量与反应进程的关系如图所示:
下列有关四种不同反应进程的说法不正确的是
A. 进程I是放热反应B. 催化剂X的催化效果比Y好
C. 平衡时P的产率:II>ID. 进程I的焓变比进程IV的大
【答案】C
【解析】
【详解】A.由图中信息可知:进程I中S的总能量大于产物P的总能量,因此进程I是放热反应,A正确;
B.比较过程Ⅱ和过程Ⅲ,可以看出加入催化剂X后,反应的活化能更低,所以催化剂X的催化效果比Y好,B正确;
C.进程I中使用了催化剂X,但是催化剂不能改变平衡产率,因此在两个进程中平衡时P的产率相同,C错误;
D.焓变=,比较过程Ⅰ和过程Ⅳ,两个过程反应物S的能量相等,过程Ⅰ生成物P的能量高于过程Ⅳ,进程I的焓变比进程IV的大,D正确;
故答案为:C。
14. 已知25℃时,,。下列说法正确的是
A. 25℃时,饱和溶液与饱和溶液相比,前者的大
B. 25℃时,在的悬浊液中加入少量的固体,减小
C. 25℃时,在悬浊液中加入NaF溶液后,不可能转化为
D. 25℃时,固体在20mL0.01ml/L氨水中的和在20mL0.01ml/L溶液中的一样大
【答案】D
【解析】
【详解】A.Mg(OH)2溶度积小,由Ksp计算则其镁离子浓度小,故A项错误;
B.NH可以结合Mg(OH)2电离出的OH-离子,从而促使Mg(OH)2的电离平衡正向移动,c(Mg2+)增大,故B项错误;
C.两者Ksp接近,使用浓氟化钠溶液,可以使氢氧化镁转化,故C项错误;
D.Ksp不随浓度变化,仅与温度有关,故D项正确;
答案选D。
15. 下列四组物质的溶液加热蒸干、灼烧、所得固体的成分不相同的是
①FeCl2、FeCl3 ②NaHCO3、Na2CO3 ③NaAlO2、AlCl3 ④CuCl2、CuSO4
A. ①②B. ②③C. ③④D. ①④
【答案】C
【解析】
【详解】①FeCl2、FeCl3都是挥发性酸盐酸形成的盐,所以能水解到底,生成氢氧化物Fe (OH)2和Fe(OH)3,但是Fe (OH)2又很容易被氧化成Fe(OH)3,并受热分解,所以最后的产物都是Fe2O3,A不符合题意;
②NaHCO3、Na2CO3中NaHCO3能受热分解,Na2CO3受热不分解,所以最后得到的固体都是Na2CO3,B不符合题意;
③NaAlO2、AlCl3中,NaAlO2也可以水解,但是NaOH没有挥发性,因此水解不能到底,只能得到NaAlO2;AlCl3水解生成HCl挥发,促进了水解的进行到底,得到Al(OH)3受热分解最后得到Al2O3,两种物质溶液加热蒸干、灼烧、所得固体的成分不相同,C符合题意;
④CuCl2溶液受热水解产生Cu(OH)2、HCl,HCl挥发,产生的Cu(OH)2受热分解产生CuO,则最后得到的固体是CuO; CuSO4水解产生Cu(OH)2、H2SO4,H2SO4是难挥发性性的酸,二者反应又产生CuSO4,最后得到的固体是CuSO4,可见两种物质溶液加热蒸干、灼烧、所得固体的成分不相同,D符合题意;
综上所述可知:符合题意的叙述是③④,故合理选项是C。
16. 在溶液中加入NaOH溶液,不断调整溶液pH,测绘、和物质的量分数与pH关系图如图所示,[已知]。下列说法不正确的是
A. D点,pH=2.7
B. 将等物质的量的、溶于水中,所得溶液pH恰好为4.2
C. 向草酸溶液中滴加氢氧化钠溶液至pH为4.2时:
D. 0.1 (aq)中:
【答案】B
【解析】
【详解】A.D点c(C2O)=c(H2C2O4),即=1,==1,A点处c(H2C2O4)=c(HC2O),可得Ka1=c(H+)=10-1.2,同理根据B点可得Ka2=c(H+)=10-4.2,所以c(C2O)=c(H2C2O4)时,c(H+)==ml/L=10-2.7ml/L,所以pH=2.7,A正确;
B.图中是平衡后所测数据,得出pH=4.2时,δ(C2O)=δ(HC2O),但当将等物质的量的、溶于水中,存在电离平衡和水解平衡,最终所得溶液pH不等于4.2,B错误;
C.向草酸溶液中滴加氢氧化钠溶液,溶液中存在电荷守恒:c(Na+)+c(H+)=2c(C2O)+c(OH-)+c(HC2O),而据图可知pH=4.2时,c(C2O)=c(HC2O),所以c(Na+)+c(H+)=3c(C2O)+c(OH-),C正确;
D.0.1ml·L-1NaHC2O4(aq)中δ(HC2O)的含量最大,据图可知,当δ(HC2O)最大时,溶液显酸性,HC2O的电离程度大于水解程度,所以c(HC2O)>c(C2O)>(H2C2O4),D正确;
综上所述答案为B。
二、非选择题(本题共5小题,每空2分,共52分)
17. 回答下列问题:
(1)①若在一个容积为2L的密闭容器中加入0.2mlN2和0.6mlH2,在一定条件下发生反应:N2+3H22NH3 △H<0,若在5分钟时反应达到平衡,此时测得NH3的物质的量为0.2ml。则平衡时H2的转化率为______。
②平衡后,若要提高H2的转化率,可以采取的措施有______(填字母)。
A.加了催化剂 B.增大容器体积 C.降低反应体系的温度 D.加入一定量N2
③下列各项能作为判断该反应达到化学平衡状态的依据是______(填字母)。
A.容器内N2、H2、NH3的物质的量浓度之比为1:3:2 B.v(N2)正=3v(H2)逆
C.容器内压强保持不变 D.混合气体的密度保持不变
(2)化学反应的焓变通常用实验进行测定:实验测得,标准状况下11.2L甲烷在氧气中充分燃烧生成液态水和二氧化碳气体时释放出akJ的热量,试写出表示甲烷燃烧的热化学方程式:______。
(3)已知:As(s)+H2(g)+O2(g)=H3AsO4(s) △H1
H2(g)+O2(g)=H2O(l) △H2
2As(s)+O2(g)=As2O5(s) △H3
则反应的As2O5(s)+3H2O(l)=2H3AsO4(s)△H=______。
【答案】(1) ①. 50% ②. CD ③. C
(2)CH4(g)+2O2(g)=CO2(g)+2H2O(l ) △H=-2akJ/ml
(3)2ΔH1-3ΔH2-ΔH3
【解析】
【小问1详解】
①若在一个容积为2L的密闭容器中加入0.2mlN2和0.6mlH2,在一定条件下发生反应:N2+3H22NH3△H<0,若在5分钟时反应达到平衡,此时测得NH3的物质的量为0.2ml,则消耗H2的物质的量为n(NH3)=×0.2ml=0.3ml,则平衡时H2的转化率为=50%;
②A.催化剂不改变平衡状态,加催化剂不能提高H2的转化率,故A不选;
B.N2+3H22NH3△H<0是气体体积减小的放热反应,增大容器体积,压强减小,平衡逆向移动,H2的转化率减小,故B不选;
C.N2+3H22NH3△H<0是气体体积减小的放热反应,降低反应体系的温度,平衡正向移动,H2的转化率增大,故C选;
D.加入一定量N2,平衡正向移动,H2的转化率增大,故D选;
故答案为:CD;
③A.容器内N2、H2、NH3的物质的量浓度之比为1:3:2时,不能说明正逆反应速率相等,不能说明反应达到平衡,故A不选;
B.v(N2)正=3v(H2)逆时,不能说明正逆反应速率相等,不能说明反应达到平衡,故B不选;
C.N2+3H22NH3△H<0是气体体积减小的放热反应,反应过程中压强减小,当容器内压强保持不变时,说明反应达到平衡,故C选;
D.反应过程中气体总质量和总体积都不变,则气体密度一直不变,当混合气体的密度保持不变时,不能说明反应达到平衡,故D不选;
故选C。
【小问2详解】
11.2L甲烷的物质的量为= 0.5ml,则1 mlCH4燃烧放出的热量为2akJ ,甲烷燃烧热的热化学方程式为CH4(g)+2O2(g)=CO2(g)+2H2O(l ) △H=-2akJ/ml。
【小问3详解】
已知:①As(s)+H2(g)+O2(g)=H3AsO4(s) △H1;②H2(g)+O2(g)=H2O(l) △H2;③2As(s)+O2(g)=As2O5(s) △H3;由盖斯定律可知,2×①-3×②-③可得As2O5(s)+3H2O(l)=2H3AsO4(s) △H=2ΔH1-3ΔH2-ΔH3
18. 人体内尿酸(HUr)含量偏高,关节滑液中产生尿酸钠晶体(NaUr)会引发痛风和关节炎,有关平衡有:①HUr(尿酸,aq)Ur-(尿酸根,aq)+H+(aq)、②NaUr(s)Ur-(aq)+Na+(aq)。某课题组配制“模拟关节滑液”进行研究,回答下列问题:
已知:①37℃时,Ka(HUr)=4×10-6,Kw=2.4×10-14,Ksp(NaUr)=6.4×10-5。
②37℃时,模拟关节滑液pH=7.4,c(Ur-)=4.6×10-4ml•L-1。
(1)37℃时,0.01ml•L-1HUr溶液的pH约为______(已知lg2=0.3)。
(2)下列事实可以证明尿酸是弱电解质的是______(填字母)。
A. NaUr溶液显碱性
B. HUr溶液可使石蕊溶液变红
C. 常温下,等浓度的尿酸溶液导电性比盐酸弱
D. 10mL0.01ml•L-1HUr溶液与10mL0.01ml•L-1NaOH溶液完全反应
(3)37℃时,向HUr溶液中加入NaOH溶液配制“模拟关节滑液”,溶液中c(Na+)______c(Ur-)(填“>”“<”或“=”)。
(4)关节炎发作大都在脚趾和手指的关节处,反应②是______(填“放热”或“吸热”)反应。
(5)对于尿酸偏高的人群,下列建议正确的是______(填字母)。
A. 多喝水,食用新鲜蔬果B. 饮食宜多盐、多脂
C. 适度运动,注意关节保暖D. 减少摄入易代谢出尿酸的食物
【答案】(1)3.7 (2)AC
(3)> (4)吸热 (5)ACD
【解析】
【小问1详解】
HUr是一元弱酸,0.01ml•L-1HUr溶液中存在电离平衡HUr(尿酸,aq)Ur-(尿酸根,aq)+H+(aq),Ka(HUr)=,溶液中c(H+)≈、≈0.01ml•L-1,则c(H+)≈,pH=-lg c(H+)=-lg(2×10-4)=4-lg2=4-0.3=3.7。
【小问2详解】
A.NaUr溶液显碱性,说明NaUr是强碱弱酸盐,则HUr为弱酸,属于弱电解质,故A选;
B.HUr溶液可使石蕊溶液变红,说明HUr具有酸性,不能说明其为弱电解质,故B不选;
C.溶液的导电性与离子的浓度有关,常温下,等浓度的尿酸溶液导电性比盐酸弱,说明HUr的电离程度弱于HCl,说明HUr是弱电解质,故C选;
D.210mL0.01ml•L-1HUr溶液与10mL0.01ml•L-1NaOH溶液完全反应,为酸碱中和反应,体现其酸性,但不能说明是弱酸,不能说明HUr是弱电解质,故D不选;
故选AC。
【小问3详解】
37℃时,模拟关节滑液pH=7.4,根据电荷守恒c(Na+)+c(H+)= c(OH-)+c(Ur-),因为c(H+)
【小问4详解】
关节炎的成因是在关节滑液中形成尿酸钠晶体,关节炎发作大都在脚趾和手指的关节处,可推知降低温度,使NaUr(s)Ur-(aq)+Na+(aq)平衡逆向移动,根据勒夏特列原理,该反应为吸热反应。
【小问5详解】
关节炎的形成与NaUr(s)Ur-(aq)+Na+(aq)有关,该反应为吸热反应,
A.多喝水,食用新鲜蔬果,会降低体内c(Na+)使平衡正向移动,有利于减轻痛风,故A选;
B.饮食宜多盐、多脂,饮食多盐,增大c(Na+)使平衡左移,加重痛风,故B不选;
C.加强锻炼,注意关节保暖,都是使平衡正向移动,有利于减轻痛风,故C选;
D.减少摄入易代谢出尿酸的食物,使平衡右移,减轻痛风,故D选;
故答案为:ACD。
19. 一种3D打印机的柔性电池以碳纳米管作电极材料,以吸收ZnSO4溶液的有机高聚物为固态电解质,工作原理示意图如图1,电池总反应为6MnO2+3Zn+(6+x)H2O+ZnSO46MnOOH(不溶于水)+ZnSO4·3Zn(OH)2·xH2O。请回答下列问题。
(1)放电时负极为______(填“锌膜”或“MnO2膜”),正极质量______(填“增大”、“减小”或“不变”)。
(2)充电时,SO向______(填“锌膜”或“MnO2膜”)移动。
(3)以该电池为电源,石墨为电极,电解如图2所示的饱和食盐水。
①若MnO2膜连接N极,锌膜连接M极,工作一段时间,图2中N极的电极反应为______。
②若MnO2膜连接M极,锌膜连接N极,工作一段时间,图2中当电路中通过0.2ml电子时,两极共收集到标准状况下______L气体。
【答案】(1) ①. 锌膜 ②. 变大
(2)MnO2膜 (3) ①. 2Cl--2e-=Cl2↑ ②. 4.48
【解析】
【小问1详解】
由电池总反应为6MnO2+3Zn+(6+x)H2O+ZnSO46MnOOH(不溶于水)+ZnSO4·3Zn(OH)2·xH2O可知,电池放电时,Zn失电子发生氧化反应,则含有锌膜的碳纳米管纤维作电池负极,二氧化锰做正极,负极失电子发生氧化反应,Zn-2e-=Zn2+,正极为MnO2+e-+H2O=MnOOH+OH-,正极质量变大。
【小问2详解】
电池放电时,锌膜作电池负极,二氧化锰做正极,则充电时锌膜作阴极,二氧化锰作阳极,电解池中阴离子向阳极移动,则SO向二氧化锰膜移动。
【小问3详解】
①放电时,二氧化锰做正极,若MnO2膜连接N极,则N极为阳极,电解饱和食盐水时阳极电极方程式为:2Cl--2e-=Cl2↑;
②N极为阴极,电极方程式为:2H++2e-=H2↑,当电路中通过0.2ml电子时,阳极得到0.1ml Cl2,阴极得到0.1ml H2,两极共收集到0.2ml气体,标准状况下体积为4.48L。
20. C元素是组成化合物种类最多的元素,含C元素的酸有也多种,其中氢氰酸(HCN)和草酸(H2C2O4)是两种比较特殊的酸。
(1)氢氰酸有剧毒,25℃时,该酸的电离常数为Ka=6.2×10-10。
①25℃时KCN溶液中CN-的水解常数Kh==______(保留一位小数)。
②0.2ml•L-1的KOH溶液与0.4ml•L-1的HCN溶液等体积混合后,恢复到25℃,混合溶液中c(K+)和c(HCN)浓度大小关系是c(K+)______c(HCN)(填“>”、“<”或“=”)。
(2)为测定某草酸晶体产品中H2C2O4·2H2O的质量分数,称取14.00g产品溶于水,配制成500mL溶液,用浓度为0.1000ml•L-1的酸性高锰酸钾溶液滴定,每次所取待测液体积均为25.00mL,实验结果记录如表。已知2MnO+5H2C2O4+6H+=2Mn2++10CO2↑+8H2O,杂质不与高锰酸钾反应,H2C2O4·2H2O相对分子质量为126。
①滴定终点的现象是:当最后半滴KMnO4溶液滴入时,______。
②通过实验数据,计算该产品中H2C2O4·2H2O的质量分数为______。
③下列操作会导致测定结果偏低的是_____。
A.锥形瓶用待测液润洗
B.装酸性高锰酸钾溶液的滴定管没有润洗
C.滴定前滴定管尖嘴处有气泡,滴定结束后气泡消失
D.滴定前平视,滴定结束时俯视
【答案】(1) ①. 1.6×10-5 ②. >
(2) ①. 当最后一滴高锰酸钾溶液滴入时,溶液变为浅红色,且半分钟内不退去 ②. 90% ③. D
【解析】
【小问1详解】
①HCN是弱酸,25℃时,该酸的电离常数为Ka=6.2×10-10,KCN溶液中CN-的水解常数等于水的离子积除以其电离常数,即K h=1.6×10-5;
②0.2ml•L-1的KOH溶液与0.4ml•L-1的HCN溶液等体积混合后,得到等浓度的KCN与HCN混合溶液,又因为Kh>Ka,则溶液中CN-的水解程度大于HCN的电离程度,则混合溶液中c(K+)和c(HCN)浓度大小关系是c(K+)>c(HCN)。
【小问2详解】
①将酸性高锰酸钾滴入草酸溶液中,会发生氧化还原反应,当酸性高锰酸钾溶波稍过量时,溶液会变为浅红色,故滴定终点的现象是:当最后一滴高锰酸钾溶液滴入时,溶液变为浅红色,且半分钟内不退去;
②因第三次与第一次、第二次测得体积相差较大,要舍去,则平均消耗体积V(KMnO4) 20mL, 故消耗n(KMnO4)=0.lml/L×20×10-3L=2× 10-3ml;由2MnO~5H2C2O4,得n(H2C2O4)=×2×10-3ml =5×10-3ml,则则草酸晶体的质量分数= =90%;
③A.锥形瓶用待测液润洗,使待测液的量增加,则消耗标准液体积增大,最终导致测定结果偏高,A不符合题意;
B.没有用高锰酸钾标准液润洗酸式滴定管,使标准液浓度偏小,消耗标准液体积偏大,则导致测定结果偏高,B不符合题意;
C.滴定前滴定管尖嘴处有气泡,滴定结束后气泡消失,测得标准液体积比实际体积大,则导致测定结果偏高,C不符合题意;
D.滴定前平视,滴定结束时俯视,则俯视读取标准液体积比实际体积小,则导致测定结果偏低,D符合题意;
故选D。
21. 已知25℃时,几种常见弱酸的Ka如表所示:
(1)25℃时,0.1ml•L-1的①NaCN②CH3COONa③Na2CO3溶液的pH由大到小的顺序是______(填序号)。
(2)25℃时,用0.10ml•L-1KOH溶液滴定•L-1H2C2O4溶液所得滴定曲线如图(混合溶液的体积可看成混合前溶液的体积之和)。请回答下列问题:
①当V<10mL时,反应的离子方程式为______。
②当V=10mL时,所得溶液中c(H2C2O4)、c(HC2O)和c(C2O)由大到小排列的顺序依次为______。
③当V=20mL时,所得溶液中c(K+)=_____。(填物料守恒式)
④如图5点所示溶液中,水的电离程度最大的是_____(填序号)。
(3)已知:Ksp(AgI)=8.5×10-17;Ksp(AgCl)=1.8×10-10。向浓度均为0.1ml•L-1的NaCl和NaI的混合液中逐渐加入AgNO3粉末,当溶液中I-浓度下降到_____ml•L-1时(保留一位小数),AgCl开始沉淀。
【答案】(1)③>①>②
(2) ①. OH-+ H2C2O4=H2O+HC2O ②. c(HC2O)>c(C2O)>c(H2C2O4) ③. 2c(HC2O)+2c(H2C2O4)+2c(C2O) ④. ⑤
(3)4.7×10-8
【解析】
【小问1详解】
电离平衡常数由大到小的顺序为:CH3COOH>H2CO3>HCN>HCO,电离常数越大,酸的酸性越强,其盐溶液的水解程度越小,盐溶液的pH越小,则浓度均为0.1ml•L-1的①NaCN②CH3COONa③Na2CO3的pH由大到小的顺序是:③>①>②。
【小问2详解】
①25℃时,用0.10ml•L-1KOH溶液滴定•L-1H2C2O4溶液,H2C2O4是二元弱酸,当V<10mL时,反应的离子方程式为:OH-+ H2C2O4=H2O+HC2O;
②25℃时,用0.10ml•L-1KOH溶液滴定•L-1H2C2O4溶液,H2C2O4是二元弱酸,当V=10mL时,得到KHC2O4溶液,该溶液pH<7,说明HC2O的电离程度大于水解程度,则溶液中c(H2C2O4)、c(HC2O)和c(C2O)由大到小排列的顺序依次为c(HC2O)>c(C2O)>c(H2C2O4);
③25℃时,用0.10ml•L-1KOH溶液滴定•L-1H2C2O4溶液,H2C2O4是二元弱酸,当V=20mL时,得到K2C2O4溶液,该溶液中存在物料守恒:c(K+)=2c(HC2O)+2c(H2C2O4)+2c(C2O);
④H2C2O4的存在会抑制水的电离,而K2C2O4的存在会促进水的电离,所以水的电离程度最大的是K2C2O4浓度最大的⑤。
【小问3详解】
已知:Ksp(AgI)<Ksp(AgCl),所以先生成AgI,再生成AgCl,当出现AgCl沉淀时,c(Ag+)==1.8×10-9ml/L,得此时c(I-)==4.7×10-8ml/L。选项
实验装置图
相关描述
A
根据两烧瓶中气体颜色的变化(热水中变深、冰水中变浅)判断正反应是吸热反应
B
用已知浓度的NaOH溶液滴定锥形瓶中未知浓度的盐酸
C
根据小试管中液面的变化判断铁钉发生吸氧腐蚀
D
该保护金属的方法为牺牲阳极法
序号
①
②
③
④
溶液
0.01ml/L HCl
pH=12 氨水
pH=12 NaOH
实验次数
第一次
第二次
第三次
消耗KMnO4溶液体积/mL
20.05
19.95
24.36
电解质
H2C2O4
CH3COOH
HCN
H2CO3
HClO
电离常数
Ka1=5.9×10-2
Ka2=6.4×10-5
Ka=1.7×10-5
Ka=6.2×10-10
Ka1=4.5×10-7
Ka2=4.8×10-11
Ka=2.9×10-8
福建省福州超德中学2023-2024学年高二上学期期末考试化学试题: 这是一份福建省福州超德中学2023-2024学年高二上学期期末考试化学试题,共7页。
福建省福州第一中学2021-2022学年高二上学期期末考试化学试题(含答案解析): 这是一份福建省福州第一中学2021-2022学年高二上学期期末考试化学试题(含答案解析),文件包含精品解析福建省福州第一中学2021-2022学年高二上学期期末考试化学试题原卷版docx、精品解析福建省福州第一中学2021-2022学年高二上学期期末考试化学试题解析版docx等2份试卷配套教学资源,其中试卷共30页, 欢迎下载使用。
福建省福州第一中学2022-2023学年高一上学期期末考试化学试题(含答案解析): 这是一份福建省福州第一中学2022-2023学年高一上学期期末考试化学试题(含答案解析),文件包含精品解析福建省福州第一中学2022-2023学年高一上学期期末考试化学试题原卷版docx、精品解析福建省福州第一中学2022-2023学年高一上学期期末考试化学试题解析版docx等2份试卷配套教学资源,其中试卷共26页, 欢迎下载使用。

