鲁科版 (2019)必修 第一册第2节 电解质的电离 离子反应学案
展开学业要求
1.通过实验,以变化的思想领会电离的定义,从而掌握电解质定义的内涵和外延,逐步提升宏观辨识与微观探析的化学核心素养。
2.通过对电解质和电离定义的理解,能从宏观和微观相结合的视角重新认识酸、碱、盐的定义。
3.通过归纳总结,学会用电离方程式表示某些酸、碱、盐的电离,培养证据推理与模型认知的化学核心素养。
知识网络,
学业基础——自学·思记·尝试
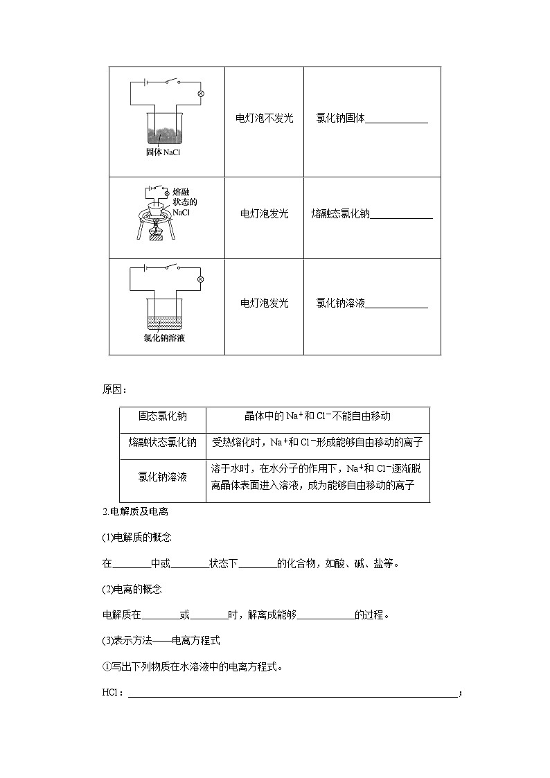
一、电解质的电离
1.研究氯化钠的导电性
原因:
2.电解质及电离
(1)电解质的概念
在 中或 状态下 的化合物,如酸、碱、盐等。
(2)电离的概念
电解质在 或 时,解离成能够 的过程。
(3)表示方法——电离方程式
①写出下列物质在水溶液中的电离方程式。
HCl:____________________________________________________________________;
H2SO4:__________________________________________________________________;
NaCl:___________________________________________________________________;
NaOH:__________________________________________________________________。
②NaHSO4的电离方程式因条件不同而不同。
水溶液中:NaHSO4===_______________________________________________________;
熔融状态:NaHSO4===_______________________________________________________。
归纳总结
电离方程式书写注意事项
(1)符合客观事实,不能随意书写离子符号,要注意正确标注离子所带的电荷及其数目。
(2)质量守恒,即电离方程式左右两侧元素的种类、原子或原子团的个数相等。
(3)电荷守恒,即电离方程式左右两侧的正负电荷数相等,溶液呈电中性。
3.从电离的角度认识酸、碱、盐
[即学即练]
1.判断下列说法是否正确,正确的打“√”,错误的打“×”。
(1)电解质必须在通电条件下才能解离成自由移动的离子( )
(2)电解质必须是化合物,电解质溶液为混合物( )
(3)氯化钠晶体不能导电,是由于其中不含有离子( )
(4)溶于水电离出H+的电解质一定为酸( )
(5)在盐中一定存在金属阳离子( )
(6)因为铜可以导电,所以铜属于电解质( )
(7)在水溶液里和熔融状态下都能导电的化合物才能称为电解质( )
2.下列有关电解质的叙述正确的是( )
A.液态HCl不导电,所以HCl是非电解质
B.NH3的水溶液能够导电,所以NH3是电解质
C.液态Cl2不导电,所以Cl2是非电解质
D.熔融NaCl可以导电,所以NaCl是电解质
3.下列物质在水溶液中的电离方程式书写错误的是( )
A.NaHSO4===Na++H++SO eq \\al(\s\up1(2-),\s\d1(4))
B.Al2(SO4)3===2Al3++3SO eq \\al(\s\up1(2-),\s\d1(4))
C.Ba(OH)2===Ba2++2OH-
D.NaHCO3===Na++H++CO eq \\al(\s\up1(2-),\s\d1(3))
4.对下列物质进行的分类正确的是( )
A.纯碱、烧碱均属于碱
B.CuSO4·5H2O属于纯净物
C.凡能电离出H+的化合物均属于酸
D.盐类物质一定含有金属阳离子
5.现有下列物质:
①氢氧化钠固体 ②铜丝 ③氯化氢气体 ④稀硫酸 ⑤二氧化碳气体 ⑥氨水 ⑦碳酸钠粉末 ⑧蔗糖晶体 ⑨熔融氯化钠 ⑩胆矾晶体
请用序号填空:
(1)上述物质在相应状态下可导电的是 。
(2)属于电解质的是 。
(3)属于非电解质的是 。
(4)上述状态下的电解质不能导电的是 。
归纳总结
电解质和非电解质
二、电解质的分类及电离的应用
1.电解质的分类(从电离程度)
eq \a\vs4\al(\a\vs4\al\c1(电,解,质)) eq \b\lc\{(\a\vs4\al\c1(\a\vs4\al\c1(强,电,解,质)\b\lc\{(\a\vs4\al\c1(定义:在水溶液中能 的电解质,\a\vs4\al(类,别)\b\lc\{(\a\vs4\al\c1(强酸: 、 、 等,强碱: 、 、 等,大部分盐:NaCl、CaCO3等)),\a\vs4\al(电离,方程式)\b\lc\{(\a\vs4\al\c1(HNO3: ,CaCO3: ,Ba(OH)2: )))),\a\vs4\al(弱电,解质)\b\lc\{(\a\vs4\al\c1(定义:在水溶液中 的电解质,类别\b\lc\{(\a\vs4\al\c1( 酸:H2CO3、CH3COOH、HClO等, 碱:NH3·H2O等,水))))))
2.电解质溶液中离子浓度测定
电解质在溶液中电离出阴、阳离子,因而溶液会表现出一定的性质,故可用一些方法测得溶液中某些离子的浓度:
(1)有些离子在水溶液中有颜色,可以用 测定该离子的浓度。
(2)利用酸碱指示剂或利用 测量溶液中H+和OH-的浓度。
3.电解质溶液的导电能力
离子浓度:浓度越大,导电能力越 。
离子所带电荷数:所带电荷数越大,导电能力越 。
[即学即练]
1.判断下列说法是否正确,正确的打“√”,错误的打“×”。
(1)依据电解质在水溶液中电离程度不同,电解质可分为强电解质和弱电解质( )
(2)BaSO4溶液的导电性很弱,是因为BaSO4为弱电解质( )
(3)强电解质在液态时,有的导电,有的可能不导电( )
(4)NaOH、KOH性质相似,是因为它们在水溶液中都电离出OH-( )
(5)根据溶液的电导率,可以测定溶液中某些离子浓度的大小( )
归纳总结
(1)电解质导电的强弱与电解质强弱无关。
(2)电解质的强弱与其溶解性无关。如BaSO4等虽难溶于水,但它是强电解质。CH3COOH虽能溶于水,但它是弱电解质。
2.下列溶液导电能力最强的是( )
A.100 mL 0.1 ml·L-1醋酸溶液
B.10 mL 0.1 ml·L-1氯化钠溶液
C.50 mL 0.1 ml·L-1硫酸溶液
D.1 L 0.1 ml·L-1盐酸
3.小明在做“电解质溶液导电性”实验时发现,相同浓度的盐酸和醋酸,盐酸的导电性强,醋酸的导电性弱,试回答下列问题。
(1)从电离的角度分析为什么两种酸溶液的导电性不同?
________________________________________________________________________
________________________________________________________________________
(2)小明从实验中得出结论“强电解质导电能力强,弱电解质导电能力弱”,这个结论对吗?为什么?
________________________________________________________________________
________________________________________________________________________
核心素养——合作·探究·分享
一、四个概念的辨析
[例1] 下列说法正确的是( )
A.BaSO4的水溶液几乎不导电,所以BaSO4是非电解质
B.NH3的水溶液能够导电,所以NH3是电解质
C.液态HNO3不导电,所以HNO3是非电解质
D.固态NaCl不导电,但NaCl是电解质
状元随笔 “三步曲”判断电解质、非电解质
(1)首先看是不是化合物。电解质与非电解质都属于化合物。单质(如石墨)、混合物(如盐酸)既不是电解质,也不是非电解质。
(2)其次看在水溶液里或者在熔融状态下能否导电。电解质在一定条件下能导电,电解质导电的条件是电解质溶于水或熔融状态,二者具备其一即可。有些电解质溶于水导电,但熔融状态下不导电,如HCl气体;有些电解质在溶于水和熔融状态下都能导电,如Na2SO4。
(3)最后还要看是不是自身发生电离而导电。溶于水能导电的化合物不一定是电解质,如CO2水溶液能导电,不是CO2分子本身直接电离产生离子,而是CO2与水反应生成的H2CO3电离出自由移动的离子而导电,H2CO3是电解质,但CO2不是电解质。
[提升1] 下列各组关于强电解质、弱电解质、非电解质的归类,完全正确的是( )
状元随笔
eq \a\vs4\al(纯净物) eq \b\lc\{(\a\vs4\al\c1(化合物\b\lc\{(\a\vs4\al\c1(电解质\b\lc\{(\a\vs4\al\c1(强电解质→\a\vs4\al(自身完全电离),弱电解质→\a\vs4\al(自身部分电离))),非电解质→自身不电离)),单质))
关键能力
1.电解质与非电解质的比较
2.强电解质和弱电解质
状元随笔 电解质与非电解质、强电解质与弱电解质易混点:
(1)电解质和非电解质都是化合物,单质和混合物既不是电解质也不是非电解质。
(2)电解质不一定能导电,如固态NaCl、液态HCl等。能导电的物质不一定是电解质,如铁、铝等金属单质。
(3)化合物溶于水或熔融状态下,能否直接电离是判断化合物是不是电解质的依据。
(4)强电解质不一定易溶,如AgCl、BaSO4、CaCO3等。强电解质与弱电解质的根本区别是能否完全电离,与溶解度的大小无关,与溶液的导电能力无关。
(5)溶液的导电能力只与溶液中的离子浓度大小及离子所带电荷数有关,与是强电解质还是弱电解质无关。
二、电离方程式
[例2] 下列电离方程式书写错误的是( )
A.Ba(OH)2===Ba2++2OH-
B.NaHSO4(熔融)===Na++H++SO42-
C.MgCl2===Mg2++2Cl-
D.H2SO4===2H++SO42-
[提升2] (1)写出下列物质在水溶液中的电离方程式。
①KOH:________________________________________________________________;
②KHSO4:______________________________________________________________;
③Fe2(SO4)3:____________________________________________________________;
④Na2CO3:______________________________________________________________;
⑤HNO3:________________________________________________________________。
(2)按酸、碱、盐分类,上述物质属于酸的是 (填化学式,下同);属于碱的是 ;属于盐的是 。
状元随笔 (1)理解酸和碱的概念时需要注意“全部”两个字,即酸电离产生的阳离子只有H+,如NaHSO4虽然能电离出H+,但电离产生的阳离子不全是H+,故不是酸,而是酸式盐;碱电离出的阴离子只有OH-,如Cu2(OH)2CO3电离出的阴离子不全是OH-,故不属于碱,而是碱式盐。
(2)盐中不一定含有金属元素,如NH4Cl。
(3)H2O部分电离后,阳离子全部是H+,阴离子全部是OH-,但H2O既不属于酸也不属于碱。
关键能力
电离方程式的书写
(1)电离方程式的书写。
①强电解质:完全电离,用“===”表示。如NaCl===Na++Cl-,H2SO4===2H++SO42-。
②弱电解质:部分电离,用“⇌”表示,如CH3COOH⇌CH3COO-+H+,NH3·H2O⇌NH4++OH-。
③酸式盐的电离方程式。
a.强酸的酸式盐:NaHSO4是由Na+和HSO4-组成的盐,是强电解质,完全电离。HSO4-是二元强酸硫酸的酸式酸根离子,也能完全电离。故NaHSO4溶于水的电离方程式应为NaHSO4===Na++H++SO42-,但其熔融时的电离方程式为NaHSO4===Na++HSO4-。
b.弱酸的酸式盐:NaHCO3是由Na+和HCO3-组成的盐,是强电解质,完全电离。但HCO3-是二元弱酸碳酸的酸式酸根离子,不能完全电离。故NaHCO3溶于水的电离方程式应为
NaHCO3===Na++HCO3-、
HCO3-⇌H++CO32-。
④活泼金属的氧化物在熔融状态下也可电离,如:Na2O===2Na++O2-。
(2)注意事项。
①符合客观事实。不能随意书写离子符号,离子的个数用“2”“3”等标在离子符号之前。注意在溶液中HCO3-不能拆成H+和CO32-,而HSO4-必须拆成H+和SO42-。
②符合质量守恒:“===”两边原子种类、数目、质量相同。
③符合电荷守恒:正电荷总数=负电荷总数。
学考评价——夯实·测控·演练
1.下列各组物质,前者属于电解质,后者属于非电解质的是( )
A.NaCl晶体、碱石灰B.铜、二氧化硫
C.液态的HCl、酒精D.KNO3溶液、CO2
2.下列说法正确的是( )
A.石墨有较好的导电性,所以石墨属于电解质
B.NH3的水溶液具有一定的导电性,所以NH3是电解质
C.液态HCl、固态NaCl均不能导电,所以HCl、NaCl均不是电解质
D.蔗糖在水溶液中和熔融状态下均不能导电,所以蔗糖是非电解质
3.下列电解质的电离方程式书写不正确的是( )
A.H2CO3===2H++CO32-
B.Ca(OH)2===Ca2++2OH-
C.KNO3===K++NO3-
D.(NH4)2SO4===2NH4++SO42-
4.下列说法正确的是( )
A.将AgBr放入水中不能导电,故AgBr不是电解质
B.CO2溶于水得到的溶液能导电,CO2是电解质
C.熔融的金属能导电,所以金属是电解质
D.固态的NaCl不导电,但NaCl是电解质
5.下列关于酸、碱、盐的各种说法正确的是( )
A.电离出OH-的化合物叫碱
B.氯化钾在溶液中电离:KCl通电=====K++Cl-
C.化合物电离时,生成金属阳离子和酸根离子的是盐
D.KHSO4可以电离出H+,因此KHSO4属于酸
6.有下列物质:①碳棒 ②盐酸 ③H2SO4 ④氨水 ⑤熔融KOH ⑥NH3 ⑦CCl4 ⑧CO2 ⑨冰醋酸 ⑩NaHSO4固体。
(1)上述物质中,可导电的是 。
(2)上述物质中,属于非电解质的是 。
(3)上述物质中,属于电解质但不导电的是 。
(4)上述物质中,属于弱电解质的是 。
(5)写出⑨、⑩两种物质在水溶液中的电离方程式。
⑨:________________________________________________________________________。
⑩:________________________________________________________________________。
第2节 电解质的电离 离子反应
第1课时 电解质的电离
学 业 基 础
一、
1.不导电 导电 导电
2.(1)水溶液 熔融 能够导电 (2)溶于水 受热熔化 自由移动的离子 (3)①HCl===H++Cl- H2SO4===2H++SO42- NaCl===Na++Cl- NaOH===Na++OH- ②Na++H++SO42- Na++HSO4-
3.H+ OH- 酸根离子
[即学即练]
1.答案:(1)× (2)√ (3)× (4)× (5)× (6)× (7)×
2.解析:液态HCl不导电,但是HCl溶于水能导电,所以HCl是电解质,故A错误;NH3的水溶液能够导电是因为氨气和水反应生成了一水合氨,一水合氨是电解质,NH3是非电解质,故B错误;Cl2是单质,既不属于电解质,也不属于非电解质,故C错误;熔融NaCl可以导电,所以NaCl是电解质,故D正确。
答案:D
3.解析:硫酸氢钠为强电解质,电离方程式为NaHSO4===Na++H++SO42-,故A正确;Al2(SO4)3为强电解质,电离方程式为Al2(SO4)3===2Al3++3SO42-,故B正确;Ba(OH)2的电离方程式为Ba(OH)2===Ba2++2OH-,故C正确;HCO3-在书写电离方程式时不能拆,NaHCO3的电离方程式为NaHCO3===Na++HCO3-,故D错误。
答案:D
4.解析:纯碱属于盐类,故A错误;结晶水合物有固定的组成和性质,属于纯净物,故B正确;电离时产生的阳离子全部是氢离子的化合物才是酸,故C错误;盐类物质还可能由铵根离子和酸根离子组成,故D错误。
答案:B
5.答案:(1)②④⑥⑨ (2)①③⑦⑨⑩ (3)⑤⑧ (4)①③⑦⑩
二、
1.完全电离 H2SO4 HNO3 HCl NaOH KOH Ba(OH)2
HNO3===H++NO3- CaCO3===Ca2++CO32-
Ba(OH)2===Ba2++2OH- 部分电离 弱 弱
2.比色计 pH计
3.强 强
[即学即练]
1.答案:(1)√ (2)× (3)√ (4)√ (5)√
2.答案:C
3.答案:(1)HCl在溶液中完全电离,而CH3COOH在溶液中只有部分电离,故盐酸中离子浓度大,导电性强。
(2)不对,因为导电性和离子浓度有关,有些强电解质如CaCO3,溶解度小,在溶液中虽完全电离,但离子浓度小,导电性弱,而有些弱电解质如CH3COOH,易溶于水,离子浓度大,导电性也可以很强。
核 心 素 养
[例1] 解析:BaSO4属于盐,是电解质,但其在水中的溶解度很小,导电性很弱,A项错误。NH3溶于水生成NH3·H2O,NH3·H2O能电离出NH4+、OH-,NH3·H2O是电解质,NH3不是电解质,B项错误。HNO3在水溶液中能电离出H+、NO3-,HNO3是电解质,C项错误。固态NaCl不能电离出自由移动的离子,但溶于水或熔融状态下可以电离出自由移动的离子,是电解质,D项正确。
答案:D
[提升1] 解析:Fe是单质,既不是电解质也不是非电解质,故A错误;NH3不能电离,属于非电解质,BaSO4溶于水的部分完全电离,属于强电解质,故B错误;CaCO3溶于水的部分完全电离,属于强电解质,H2CO3为弱电解质,酒精为非电解质,故C正确;水为弱电解质,故D错误。
答案:C
[例2] 解析:Ba(OH)2是强碱,电离方程式为Ba(OH)2===Ba2++2OH-,A正确;NaHSO4在熔融状态下电离出Na+和HSO4-,电离方程式为NaHSO4(熔融)===Na++HSO4-,B错误;MgCl2在水溶液中完全电离,电离方程式为MgCl2===Mg2++2Cl-,C正确;H2SO4是强酸,电离方程式为H2SO4===2H++SO42-,D正确。
答案:B
[提升2] 解析:(1)②KHSO4在水溶液中电离时, HSO4-可以完全电离成H+和SO42-;(2)根据酸、碱、盐电离的实质进行判断,能电离出金属阳离子(或NH4+)和酸根离子的化合物为盐,所以KHSO4是盐而不是酸。
答案:(1)①KOH===K++OH-
②KHSO4===K++H++SO42-
③Fe2(SO4)3===2Fe3++3SO42-
④Na2CO3===2Na++CO32-
⑤HNO3===H++NO3-
(2)HNO3 KOH KHSO4、Fe2(SO4)3、Na2CO3
学考评价
1.解析:NaCl晶体是电解质,碱石灰是氢氧化钠和氧化钙的混合物,既不是电解质,也不是非电解质,A项错误;Cu属于金属单质,既不是电解质也不是非电解质,二氧化硫是非电解质,B项错误;HCl溶于水能导电,HCl属于电解质,酒精属于非电解质,C项正确;硝酸钾溶液为混合物,既不是电解质也不是非电解质,CO2是非电解质,D项错误。
答案:C
2.解析:石墨是单质,不是化合物,不属于电解质,A项不正确;NH3的水溶液导电,是因为NH3与H2O反应生成NH3·H2O,NH3·H2O电离产生离子而导电,B项不正确;虽然液态HCl、固态NaCl不导电,但它们的水溶液均能导电,故两者均属于电解质,C项不正确。
答案:D
3.解析:碳酸为弱电解质,电离方程式分步书写,主要以第一步为主,正确的电离方程式为H2CO3⇌H++HCO3-、HCO3-⇌H++CO32-,选项A错误;氢氧化钙在溶液中完全电离出钙离子和氢氧根离子,其电离方程式为Ca(OH)2===Ca2++2OH-,选项B正确;硝酸钾为强电解质,完全电离出钾离子和硝酸根离子,电离方程式为KNO3===K++NO3-,选项C正确;硫酸铵属于强电解质,完全电离出硫酸根离子和铵根离子,电离方程式为(NH4)2SO4===2NH4++SO42-,选项D正确。
答案:A
4.解析:溴化银在熔融状态下能够导电,属于电解质,故A错误;二氧化碳溶于水生成电解质碳酸,碳酸电离产生自由移动的离子而导电,但是二氧化碳本身不能电离,属于非电解质,故B错误;金属属于单质,不是化合物,金属不是电解质,故C错误;氯化钠在熔融状态下或者溶于水都能导电,属于电解质,故D正确。
答案:D
5.答案:C
6.解析:(1)①碳棒能导电;②盐酸中含有自由移动的氢离子和氯离子,能导电;④氨水中有自由移动的离子,能导电;⑤熔融KOH中有自由移动的离子,能导电;③H2SO4、⑥NH3、⑦CCl4、⑧CO2、⑨冰醋酸、⑩NaHSO4固体中均没有自由移动的离子或电子,所以不能导电。
(2)非电解质包括一些非金属氧化物、氨气、大多数有机物(如蔗糖、酒精等),所以⑥NH3、⑦CCl4、⑧CO2是非电解质。
(3)③H2SO4、⑤熔融KOH、⑨冰醋酸、⑩NaHSO4固体都是电解质,其中只有熔融态的KOH能导电,其他的均不导电,因此属于电解质但不导电的是③⑨⑩。
(4)在水溶液中部分电离的电解质属于弱电解质,故属于弱电解质的是⑨冰醋酸。
(5)冰醋酸在水溶液中不完全电离产生氢离子和醋酸根离子,电离方程式为CH3COOH⇌CH3COO-+H+。NaHSO4固体在水中完全电离产生钠离子、氢离子和硫酸根离子,电离方程式为NaHSO4===Na++H++SO42-。
答案:(1)①②④⑤ (2)⑥⑦⑧ (3)③⑨⑩ (4)⑨ (5)CH3COOH⇌CH3COO-+H+ NaHSO4===Na++H++SO42-实验装置
现象
结论
电灯泡不发光
氯化钠固体_____________
电灯泡发光
熔融态氯化钠_____________
电灯泡发光
氯化钠溶液_____________
固态氯化钠
晶体中的Na+和Cl-不能自由移动
熔融状态氯化钠
受热熔化时,Na+和Cl-形成能够自由移动的离子
氯化钠溶液
溶于水时,在水分子的作用下,Na+和Cl-逐渐脱离晶体表面进入溶液,成为能够自由移动的离子
酸
碱
盐
定义
在水溶液中电离时产生的阳离子全部是________的化合物
在水溶液中电离时产生的阴离子全部是________的化合物
在水溶液中电离时能产生金属阳离子(或NH4+)和________的化合物
实例
HCl、H2SO4、H2CO3等
NaOH、KOH、
NH3·H2O等
Na2SO4、KCl、BaCO3、NaHCO3等
电解质
非电解质
概念
在水溶液中或熔融状态下能导电的化合物
在水溶液中和熔融状态下均不能导电的化合物
关键词
“或、化合物”
“和、化合物”
满足条件
导电
不导电
实质
自身电离出离子
自身不能电离出离子
注意
用“自身”能否电离可确定是否为电解质
物质类别
酸、碱、盐、水、金属氧化物
非金属氧化物、氨气、绝大多数有机物
选项
A
B
C
D
强电解质
Fe
NaCl
CaCO3
HNO3
弱电解质
CH3COOH
NH3
H2CO3
Fe(OH)3
非电解质
蔗糖
BaSO4
酒精
H2O
电解质
非电解质
相同点
均为化合物
不同点
在水溶液中或熔融状态下能导电
在水溶液中和熔融状态下都不能导电
本质区别
在水溶液中或熔融状态下自身能发生电离
在水溶液中和熔融状态下自身都不能发生电离
物质类型
①酸:H2SO4、HCl、HNO3、H3PO4、H2CO3等;
②碱:NaOH、Ca(OH)2、NH3·H2O、Fe(OH)3等;
③盐:NaCl、KNO3、NaHSO4、CaCO3等;
④活泼金属氧化物:Na2O、CaO、MgO等;
⑤少部分有机物:CH3COOH等;
⑥H2O
①大部分非金属氧化物:SO2、SO3、CO2、CO、P2O5等;
②非酸性气态氢化物:NH3;
③大部分有机物:蔗糖、酒精、CH4等
强电解质
弱电解质
定义
在水溶液中能完全电离的电解质
在水溶液中只部分电离的电解质
电离程度
完全电离
部分电离
水溶液中存在的粒子
离子、水分子
离子、水分子、电解质分子
化合物种类
强酸、强碱、绝大多数盐等
弱酸、弱碱、水等
物质类别及实例
HCl、NaOH、NaCl
CH3COOH、H2O、NH3·H2O
电离方程式及实例
用“===”号,如NaCl===Na++Cl-
用“⇌”号,如H2O⇌H++OH-
人教版 (2019)必修 第一册第二节 氯及其化合物导学案: 这是一份人教版 (2019)必修 第一册第二节 氯及其化合物导学案,共11页。
化学第一章 物质及其变化第二节 离子反应学案设计: 这是一份化学第一章 物质及其变化第二节 离子反应学案设计,共11页。
高中化学鲁科版 (2019)必修 第一册第2节 电解质的电离 离子反应导学案: 这是一份高中化学鲁科版 (2019)必修 第一册第2节 电解质的电离 离子反应导学案,共15页。学案主要包含了电解质和非电解质,电解质的电离,强电解质等内容,欢迎下载使用。

