- 广西专版2023_2024学年新教材高中物理第2章匀变速直线运动的研究过关检测新人教版必修第一册 试卷 0 次下载
- 广西专版2023_2024学年新教材高中物理第3章相互作用__力1重力与弹力课时1重力与弹力课后训练新人教版必修第一册 试卷 0 次下载
- 广西专版2023_2024学年新教材高中物理第3章相互作用__力2摩擦力课后训练新人教版必修第一册 试卷 0 次下载
- 广西专版2023_2024学年新教材高中物理第3章相互作用__力3牛顿第三定律课后训练新人教版必修第一册 试卷 0 次下载
- 广西专版2023_2024学年新教材高中物理第3章相互作用__力4力的合成和分解课时1力的合成和分解课后训练新人教版必修第一册 试卷 0 次下载
物理必修 第一册1 重力与弹力课时作业
展开1.关于探究弹簧弹力和伸长量的关系的实验,下列说法正确的是( )
A.实验中k的具体数值必须计算出来
B.如果没有测出弹簧原长,用弹簧长度l代替x,F-l图线也是过原点的一条直线
C.利用F-x图线可求出k值
D.作图时要把所有点连到线上,才能探究得到真实规律
答案C
解析探究弹簧弹力和伸长量的关系的实验中利用F-x图线可求出k值,但不一定要求解出k值,选项A错误,C正确;实验中用弹簧长度l代替x,F-l图线不是过原点的一条直线,选项B错误;作图时直线要过绝大多数点,偏离较大的点应舍去,选项D错误。
2.某同学做探究弹簧弹力与伸长量的关系的实验,他先把弹簧平放在桌面上使其自然伸长,用刻度尺测出弹簧的原长l0,再把弹簧竖直悬挂起来,挂上钩码后测出弹簧伸长后的长度l,把l-l0作为弹簧的伸长量x。这样操作,由于弹簧自身重力的影响,最后画出的图线可能是( )
答案C
解析由于弹簧自身重力的影响,当不挂钩码时,弹簧的伸长量x>0,选项C正确。
3.利用如图甲所示的装置探究弹簧弹力与形变量的关系。
(1)对于该实验,下列操作规范的是 (填字母代号)。
A.固定刻度尺时,保持刻度尺的零刻度线与弹簧上端对齐且竖直并靠近弹簧
B.实验中任意增加钩码的个数
C.实验中仅把弹簧竖直悬挂,待稳定时测量弹簧的原长
D.实验数据处理时,把所有的描点用折线连起来
(2)实验时先测出不挂钩码时弹簧的自然长度,再将5个钩码逐个挂在弹簧的下端,每次测出相应的弹簧总长度l,测量后把6组数据描点在坐标图中,作出的F-l图线如图乙所示。由此图线可得出该弹簧的原长l0= cm,劲度系数k= N/m。
答案(1)AC (2)5 16
解析(1)固定刻度尺时,保持刻度尺的零刻度线与弹簧上端对齐且竖直并靠近弹簧,选项A正确;实验过程应使弹簧始终在弹性限度内,因此实验中不能任意增加钩码的个数,选项B错误;为防止弹簧自重对实验的影响,实验中仅把弹簧竖直悬挂待稳定时测量弹簧的原长,选项C正确;实验数据处理时,应根据实验数据在坐标系内描出对应点,然后作出图像,图像应是直线而不是折线,选项D错误。
(2)由题图所示图像可知,F=0时l=0.05m=5cm,则弹簧的原长为5cm。
弹簧的劲度系数k=N/m=16N/m。
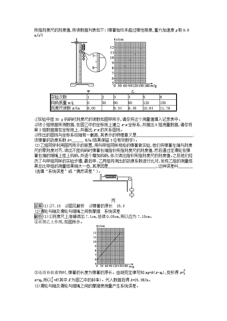
4.甲、乙两个物理实验小组分别探究弹簧弹力和伸长量的关系。
(1)甲组同学利用图甲所示的装置,将弹簧的上端与刻度尺的零刻度对齐,读出不挂钩码时弹簧下端指针所指刻度尺的刻度值,然后在弹簧下端挂上钩码,并逐个增加钩码,依次读出指针所指刻度尺的刻度值,所读数据列表如下:(弹簧始终未超过弹性限度,重力加速度g取9.8 m/s2)
①实验中挂30 g钩码时刻度尺的读数如图甲所示,请你将这个测量值填入记录表中。
②该小组根据所测数据,在图乙中的坐标纸上建立x-m坐标系,并描出5组测量数据,请你将第2组数据描在坐标纸上,并画出x-m的关系图线。
③作出的图线与坐标系纵轴有一截距,其表示的物理意义是 ;该弹簧的劲度系数k= N/m(结果保留3位有效数字)。
(2)乙组同学利用图丙所示的装置,用与甲组同样规格的弹簧做实验,他们将弹簧左端与刻度尺的零刻度对齐,读出不挂钩码时弹簧右端指针所指刻度尺的刻度值,然后通过定滑轮在弹簧右端的细绳上挂上钩码,并逐个增加钩码,依次读出指针所指刻度尺的刻度值。之后他们经历了与甲组同样的实验步骤,最后甲、乙两组将测出的劲度系数进行比对,发现乙组的测量结果总比甲组的测量结果稍大一些,其原因是 ,这种误差叫 (选填“系统误差”或“偶然误差”)。
丙
答案(1)①7.15 ②图见解析 ③弹簧的原长 25.3
(2)滑轮与轴及滑轮与细绳之间有摩擦 系统误差
解析(1)①刻度尺上准确读出7.1cm,估读0.05cm,所以应为7.15cm。
②在图乙上作图,如图所示。
③还没有挂重物时,弹簧的长度为弹簧的原长。由胡克定律可知mg=k(x-x0),变形得x=m+x0,所以=K(其中K为图乙中的斜率)。代入数据后得k=25.3N/m。
(2)滑轮与轴及滑轮与细绳之间的摩擦使测量产生系统误差。
5.某同学做探究弹簧弹力和伸长量的关系的实验。
(1)图甲是不挂钩码时弹簧下端指针所指的刻度尺刻度,其示数为7.73 cm;图乙是在弹簧下端悬挂钩码后指针所指的刻度尺刻度,此时弹簧的伸长量Δl为 cm。
(2)本实验通过在弹簧下端悬挂钩码的方法来改变弹簧的弹力,关于此操作,下列选项中规范的做法是 (填选项前的字母)。
A.逐一增挂钩码,记下每增加一只钩码后指针所指的刻度尺刻度和对应的钩码总重
B.随意增减钩码,记下增减钩码后指针所指的刻度尺刻度和对应的钩码总重
(3)图丙是该同学描绘的弹簧的伸长量Δl与弹力F的关系图线,图线的AB段明显偏离直线OA,造成这种现象的主要原因是 。
答案(1)6.93 (2)A (3)钩码重力超出弹簧的弹性限度
解析(1)由题图乙刻度尺刻度可知示数l2=14.66cm,Δl=l2-l1=6.93cm。(2)为防止弹簧超出弹性限度,应逐渐增加钩码,选项A正确。(3)由题图知,AB段对应的伸长量与弹力不成线性关系,主要原因是钩码重力超出弹簧的弹性限度。
6.橡皮筋也像弹簧一样,在弹性限度内,弹力F与伸长量x成正比,即F=kx,k的值与橡皮筋未受到拉力时的长度l、横截面积S有关。理论与实践都表明k=Y,其中Y是一个由材料决定的常数,材料力学上称之为杨氏模量。在国际单位制中,杨氏模量Y的单位是Pa。
(1)有一段横截面是圆形的橡皮筋,应用如图所示的实验装置可以测量出它的杨氏模量Y的值。首先利用测量工具a测得橡皮筋的长度l=20.00 cm,利用测量工具b测得橡皮筋未受到拉力时的直径D=4.000 mm,那么测量工具a应该是 ,测量工具b应该是 。
(2)下面的表格是橡皮筋受到的拉力F与伸长量x的实验记录。
请作出F-x图像,由图像可求得该橡皮筋的劲度系数k= N/m。
(3)这种橡皮筋的Y值等于 。
答案(1)毫米刻度尺 螺旋测微器
(2)见解析图 312.5
(3)5.0×106 Pa
解析(1)根据精度可知a为毫米刻度尺,b为螺旋测微器。
(2)根据表格数据,描点、连线,可得F-x图像如图所示。根据斜率的物量意义表示劲度系数k,可知k==312.5N/m。
(3)根据Y=求得,Y=5.0×106Pa。
7.(2023·广东广雅中学高一期中)某物理课外小组利用图甲所示的装置探究弹力与弹簧伸长量的关系。图中,置于实验台上的长木板左端固定一挂钩,右端固定一定滑轮:弹簧一端固定在木板左端的挂钩上,另一端固定有指针并与跨过滑轮的轻绳相连,弹簧下面固定有刻度尺。
甲
(1)调节滑轮的高度,使弹簧伸长时弹簧轴线与刻度尺 。
(2)让弹簧处于自然长度,读出指针对应的刻度并记为L0,在轻绳下端挂上砝码盘,指针对应的刻度记为Lx;在砝码盘中每次增加10 g砝码,指针对应的刻度依次记为L1至L6,数据如下表:
(3)图乙是该同学根据表中数据作的图像,横轴是砝码的质量,纵轴是L1至L6与 (选填“L0”或“Lx”)的差值。
乙
(4)由图可知弹簧的劲度系数为 N/m;通过图和表可知砝码盘的质量为 g。(结果保留2位有效数字,重力加速度取9.8 m/s2)
答案(1)平行 (3)Lx (4)4.9 10
解析(1)为便于准确读出弹簧的长度,调节滑轮的高度,使弹簧伸长时弹簧轴线与刻度尺平行。
(3)根据图中各数据点的坐标值可知,纵轴是L1至L6与Lx的差值。
(4)根据胡可定律,结合图像特点有nmg=k(Ln-Lx),结合图线特点可得弹簧劲度系数k=g=×9.8N/m=4.9N/m。通过图和表可知挂上砝码盘时m0g=k(Lx-L0),代入数据可得砝码盘的质量为m0=kg=0.01kg=10g。
实验次数
1
2
3
4
5
6
钩码质量m/g
0
30
60
90
120
150
刻度尺读数x/cm
6.00
8.34
9.48
10.64
11.79
拉力F/N
5
10
15
20
25
伸长量x/cm
1.6
3.2
4.7
6.4
8.0
代表符号
L0
Lx
L1
L2
L3
L4
L5
L6
数值/cm
15.35
17.35
19.35
21.30
23.40
25.35
27.40
29.35
高中物理人教版 (2019)必修 第一册第四章 运动和力的关系2 实验:探究加速度与力、质量的关系练习题: 这是一份高中物理人教版 (2019)必修 第一册第四章 运动和力的关系2 实验:探究加速度与力、质量的关系练习题,共11页。
必修 第一册5 共点力的平衡同步测试题: 这是一份必修 第一册5 共点力的平衡同步测试题,共9页。试卷主要包含了选择题,计算题等内容,欢迎下载使用。
高中物理人教版 (2019)必修 第一册3 牛顿第三定律课后练习题: 这是一份高中物理人教版 (2019)必修 第一册3 牛顿第三定律课后练习题,共5页。试卷主要包含了选择题,实验题等内容,欢迎下载使用。

