人教版 (2019)1 重力与弹力第2课时同步测试题
展开第三章分层作业15 实验:探究弹簧弹力与形变量的关系
A级 必备知识基础练
1.(2023江苏苏州高一月考)如图甲所示,用铁架台、弹簧和多个已知质量且质量相等的钩码,做探究在弹性限度内弹簧弹力与弹簧伸长量的关系的实验时,下列说法不正确的是( )
A.实验中还需要刻度尺作为测量工具
B.如图乙所示,图像不通过原点的原因是弹簧有自重
C.如图丙所示,实验中用两根不同的弹簧a和b,作出弹簧弹力F与弹簧长度l的F-l图像,可知a的劲度系数比b的大
D.如图丙所示,实验中用两根不同的弹簧a和b,作出弹簧弹力F与弹簧长度l的F-l图像,可知弹力与弹簧长度成正比
2.(2023广东肇庆高一期中)探究弹力和弹簧伸长的关系时,作出弹力F与弹簧总长度l的关系图线如图所示,则( )
A.该弹簧的原长为10 cm
B.该弹簧的劲度系数为0.25 N/m
C.该弹簧的劲度系数与弹力成正比
D.在该弹簧下端悬挂2.0 N的重物时,弹簧的长度为8 cm
3.(2023上海宝山高一期中)如图甲所示,用一个竖直向下的力将弹簧压缩后保持静止,桌面对弹簧的弹力是因为 发生了形变。改变手施加的力F的大小,记录F和弹簧压缩后的长度l,得到的F-l图像是图乙中的 。
4.(2023北京顺义高一期末)某实验小组做探究弹力和弹簧伸长量的关系的实验时,某同学先把弹簧平放在桌面上,用刻度尺测出弹簧的原长l0=4.6 cm,再把弹簧竖直悬挂起来,在下端悬挂重力均为0.5 N的钩码,每增加一只钩码都记下对应的弹簧的长度l,实验数据记录如下表所示。
钩码个数 | 1 | 2 | 3 | 4 | 5 | 6 |
弹力F/N | 0.5 | 1.0 | 1.5 | 2.0 | 2.5 | 3.0 |
弹簧的长度l/cm | 7.0 | 9.0 | 11.0 | 13.0 | 15.0 | 17.0 |
(1)根据表中数据在图中作出F-l图线。
(2)由此图线可得,该弹簧的劲度系数k= N/m。
(3)图线与横轴的交点坐标大于l0的原因可能是 。
B级 关键能力提升练
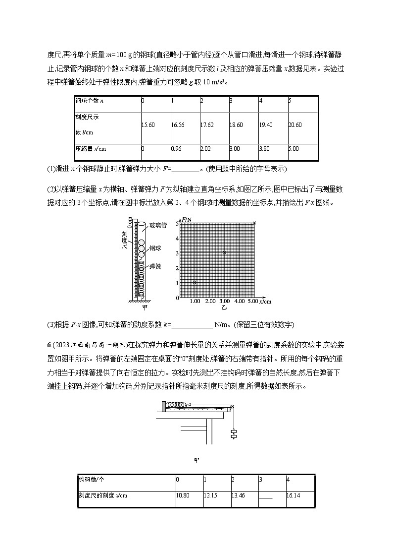
5.(2023广东深圳高一期末)某兴趣小组测量一缓冲装置中弹簧的劲度系数,缓冲装置如图甲所示,一透明有机玻璃管竖直固定,弹簧一端固定在管内底端。实验过程如下:先在管旁边竖直固定一毫米刻度尺,再将单个质量m=100 g的钢球(直径略小于管内径)逐个从管口滑进,每滑进一个钢球,待弹簧静止,记录管内钢球的个数n和弹簧上端对应的刻度尺示数l及相应的弹簧压缩量x,数据见表。实验过程中弹簧始终处于弹性限度内,弹簧重力可忽略,g取10 m/s2。
钢球个数n | 0 | 1 | 2 | 3 | 4 | 5 |
刻度尺示 数l/cm | 15.60 | 16.56 | 17.62 | 18.60 | 19.40 | 20.60 |
压缩量x/cm | 0 | 0.96 | 2.02 | 3.00 | 3.80 | 5.00 |
(1)滑进n个钢球静止时,弹簧弹力大小F= 。(使用题中所给的字母表示)
(2)以弹簧压缩量x为横轴、弹簧弹力F为纵轴建立直角坐标系,如图乙所示,图中已标出了与测量数据对应的3个坐标点,请在图中标出放入第2、4个钢球时测量数据的坐标点,并描绘出F-x图线。
(3)根据F-x图像,可知:弹簧的劲度系数k= N/m。(保留三位有效数字)
6.(2023江西南昌高一期末)在探究弹力和弹簧伸长量的关系并测量弹簧的劲度系数的实验中,实验装置如图甲所示。将弹簧的左端固定在桌面的“0”刻度处,弹簧的右端带有指针。所用的每个钩码的重力相当于对弹簧提供了向右恒定的拉力。实验时先测出不挂钩码时弹簧的自然长度,然后在弹簧下端挂上钩码,并逐个增加钩码,分别记录指针所指毫米刻度尺的刻度,所得数据如表所示。
甲
钩码数/个 | 0 | 1 | 2 | 3 | 4 |
刻度尺的刻度x/cm | 10.80 | 12.15 | 13.46 |
| 16.14 |
乙
(1)当在弹簧下端挂上3个钩码时,指针所示位置如图乙所示,请将表格补充完整 。
(2)已知实验所用单个钩码质量为100 g,当地重力加速度为9.8 m/s2,则该弹簧的劲度系数为 N/m。(结果保留三位有效数字)
(3)该同学实验时,把弹簧水平放置与弹簧竖直悬挂放置相比较。优点在于: 。
7.实验小组做探究拉力与弹簧形变量关系的实验时,所用的器材有:待测弹簧(能承受的最大拉力5 N)、钩码(每个50 g,共5只)、铁架台(含铁夹)、刻度尺。
(1)弹簧上端与刻度尺零刻度对齐,弹簧的下端位置如图甲中放大图所示,刻度尺的分度值是1 mm,则弹簧的原长是 cm。
(2)测得实验数据如表:
钩码个数 | 1 | 2 | 3 | 4 | 5 |
弹力F/N | 0.49 | 0.98 | 1.47 | 1.96 | 2.45 |
弹簧下端 位置x/cm | 6.70 | 10.50 | 14.30 | 18.10 | 22.00 |
请根据表中数据在图乙坐标纸中作出F-x图像。
(3)F-x图线明显不过坐标原点,图线不过原点的原因是 。
A.偶然误差
B.系统误差
C.弹簧有一定的自重
D.横坐标不是弹簧的形变量
(4)由F-x图可求得弹簧的劲度系数是 N/m。(计算结果保留两位有效数字)
(5)该测量值与弹簧劲度系数的真实值相比 (选填“偏大”“相等”或“偏小”)。
参考答案
分层作业15 实验:探究弹簧弹力与形变量的关系
1.D 实验中还需要刻度尺作为测量工具,测量弹簧受到拉力后弹簧的长度,故A正确;由图乙可知,图像不通过原点的原因是弹簧自身有重力,在未挂上钩码时,弹簧由于自身重力使得弹簧有一定的伸长量,故B正确;设弹簧的原长为l0,弹簧的劲度系数为k,根据胡克定律可得F=kx=k(l-l0),可知F-l图像的斜率等于弹簧的劲度系数,由图丙可知弹簧a的劲度系数大于弹簧b的劲度系数,弹力与弹簧长度并不成正比,故C正确,D错误。
2.A 由弹力F与弹簧总长度l的关系图线可知,当F=0时,弹簧为原长,故弹簧原长为l0=10×10-2 m=10 cm,故A正确;由弹力F与弹簧总长度l的关系图线可知,图像斜率k= N/m=25 N/m,故B错误;弹簧的劲度系数只与弹簧本身有关,与弹力无关,故C错误;在该弹簧下端悬挂2.0 N的重物时,有Δl= m=0.08 m=8 cm,弹簧长度为l2=l0+Δl=10 cm+8 cm=18 cm,故D错误。
3.解析 如图甲所示,用一个竖直向下的力将弹簧压缩后保持静止,桌面对弹簧的弹力是因为桌面发生了形变。改变手施加的力F的大小,记录F和弹簧压缩后的长度l,根据F=k(l0-l),可知得到的F-l图像是图乙中的③。
答案 桌面 ③
4.解析 (1)描点作图,如图所示。
(2)图像的斜率表示劲度系数,故有
k= N/m=25 N/m。
(3)图线与l轴的交点坐标表示弹簧不挂钩码时的长度,其数值大于弹簧原长,因为弹簧自身重力的影响。
答案 (1)图见解析 (2)25 (3)弹簧自身重力的影响
5.解析 (1)滑进n个钢球静止时,根据平衡条件,弹簧弹力大小F=nmg。
(2)描绘出F-x图线如图所示。
(3)F-x图线斜率代表劲度系数,则k= N/m=100 N/m。
答案 (1)nmg (2)图像见解析 (3)100
6.解析 (1)由图可知,刻度尺的分度值为1 mm,需要估读到0.1 mm,因此弹簧的长度为14.80 cm。
(2)根据胡克定律F=kΔx=3mg,解得k=73.4 N/m。
(3)优点:避免弹簧自身所受重力对实验的影响。
答案 (1)14.80 (2)73.4 (3)避免弹簧自身所受重力对实验的影响
7.解析 (1)刻度尺的分度值是1 mm,需要估读到下一位,则弹簧的原长是5.00 cm。
(2)作出F-x图像,如图所示。
(3)F-x图线明显不过坐标原点,关于图线不过原点的主要原因是横坐标是弹簧的长度,而不是弹簧的形变量,次要原因是弹簧有一定的自重。故选CD。
(4)根据图像的斜率可知,弹簧的劲度系数为k= N/m=13 N/m。
(5)因为(3)中的原因分析都不会影响图像的斜率,则测量值等于弹簧劲度系数的真实值。
答案 (1)5.00 (2)图像见解析 (3)CD (4)13 (5)相等
物理必修 第一册1 重力与弹力课时作业: 这是一份物理必修 第一册1 重力与弹力课时作业,共5页。试卷主要包含了8 m/s2),3N/m,34等内容,欢迎下载使用。
物理必修 第一册1 重力与弹力第1课时随堂练习题: 这是一份物理必修 第一册1 重力与弹力第1课时随堂练习题,共8页。试卷主要包含了规范完成下列问题等内容,欢迎下载使用。
高中物理人教版 (2019)必修 第一册2 摩擦力测试题: 这是一份高中物理人教版 (2019)必修 第一册2 摩擦力测试题,共6页。

