还剩7页未读,
继续阅读
所属成套资源:沪教版物理初三上学期试卷全套
成套系列资料,整套一键下载
沪教版九上第七章 电路 欧姆定律 A卷(有解析)
展开
这是一份沪教版九上第七章 电路 欧姆定律 A卷(有解析),共9页。
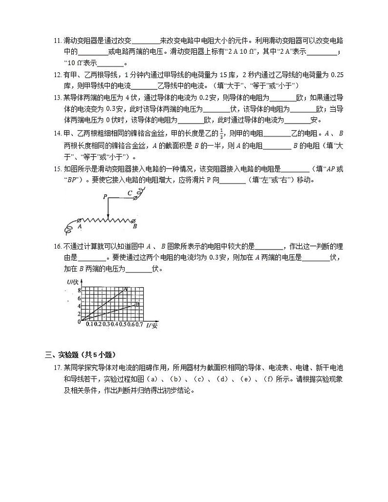
沪教版九上第七章 电路 欧姆定律 A卷 一、单项选择题(共8小题)1. 在如图所示的四位科学家中,以其名字命名电阻单位的是 A. 安培 B. 欧姆 C. 焦耳 D. 法拉第 2. 我国家庭电路的电压为 A. 1.5 伏 B. 24 伏 C. 220 伏 D. 380 伏 3. 如图所示,在“用电压表测电压”的实验中,正确测量串联电池组电压的是 A. B. C. 4. 下列说法正确的是 A. 只要电路中有电源,就一定有电流 B. 只要导体中有自由电荷,就一定有电流 C. 只要导体中两端有电压,导体中就会形成电流 D. 只要电路中有电源,用电器两端就一定有电压 5. 关于导体的电阻,下列说法中正确的是 A. 铁导线的电阻比铜导线的电阻大 B. 粗的铁导线比细的铜导线电阻小 C. 相同长度的导线,铁的比铜的电阻大 D. 以上说法均不正确 6. 对于 R=UI,下列说法中正确的是 A. 导体的电阻与它两端的电压成正比 B. 导体的电阻与通过导体的电流成反比 C. 当导体两端的电压为零时,它的电阻为零 D. 同一导体两端的电压与通过导体的电流的比值不变 7. 如图所示,要使滑片 P 向左滑动时,小灯泡的亮度变亮,则变阻器的连接方式应为 A. M 与 A 连接,N 与 B 连接 B. M 与 B 连接,N 与 A 连接 C. M 与 A 连接,N 与 C 连接 D. M 与 C 连接,N 与 B 连接 8. 如图所示的电路图。如果小吴同学在操作中两电表的量程选择正确,但不慎将两电表的位置对调了一下,则开关闭合后 A. 电流表、电压表均损坏 B. 电流表损坏 C. 电压表损坏 D. 电流表、电压表都不损坏 二、填空题(共8小题)9. 计算器中的电流很小,大约 100 微安,也就是 安;雷电是一种常见的自然现象,发生雷电时的电流高达 2×105 安,相当于 毫安。 10. 欧姆定律的内容是: 。欧姆定律的数学表达式 。 11. 滑动变阻器是通过改变 来改变电路中电阻大小的元件。利用滑动变阻器可以改变电路中的 或电路两端的电压。滑动变阻器上标有“2 A 10 Ω”,其中“2 A”表示 ;“10 Ω”表示 。 12. 有甲、乙两根导线,1 分钟内通过甲导线的电荷量为 15 库,2 秒内通过乙导线的电荷量为 0.25 库,则甲导线中的电流 乙导线中的电流。(填“大于”、“等于”或“小于”) 13. 某导体两端的电压为 4 伏,通过导体的电流为 0.2 安,则导体的电阻为 欧;如果通过导体的电流变为 0.3 安,此时该导体两端的电压为 伏,该导体的电阻为 欧;当导体两端电压为 0 伏时,该导体的电阻为 欧,此时通过导体的电流为 安。 14. 甲、乙两根粗细相同的镍铬合金丝,甲的长度是乙的 13,则甲的电阻 乙的电阻。A 、 B 两根长度相同的镍铬合金丝,A 的截面积是 B 的一半,则 A 的电阻 B 的电阻(填“大于”、“等于”或“小于”)。 15. 如图所示是滑动变阻器接入电路的一种情况,该变阻器接入电路的电阻是 (填“AP 或“BP”)。要使它接入电路的电阻增大,应将滑片 P 向 (填“左”或“右”)移动。 16. 不通过计算就可以知道图中 A 、 B 图象所表示的电阻中较大的是 ,作出这一判断的理由是 。要使通过这两个电阻的电流均为 0.3 安,则加在 A 两端的电压是 伏,加在 B 两端的电压为 伏。 三、实验题(共5小题)17. 某同学探究导体对电流的阻碍作用,所用器材为截面积相同的导体、电流表、电键、新干电池和导线若干,实验过程如图(a)、(b)、(c)、(d)、(e)、(f)所示。请根据实验现象及相关条件,作出判断并归纳得出初步结论。 (1)由图 或 ,可得:导体的长度和横截面积相同的不同材料的导体对电流的阻碍作用不同。(2)由图(c)与(e)或(d)与(f),可得: 。 18. 在“用电流表测电流”的实验中,请用笔线代替导线,将下图中的实物连成简单电路,在方框中画出电路图,并在图中标出电流表的“+”、“−”接线柱。若电流表的表盘如图所示,此时通过灯泡的电流为 安。 19. 在“用电压表测电压”的实验中,请用笔线代替导线,将下图中的实物连成简单电路,在方框中画出电路图,并在图中标出电流表的“+”、“−”接线柱。若电压表的表盘如图所示,此时通过灯泡的电压为 伏。 20. 在探究“导体中的电流与电压的关系”实验中,小华设计的实验报告如下,请填写空格的内容。(1)实验目的:探究通过金属导体的电流与它两端电压之间的关系,形成电阻概念,从而得到电流与电压、电阻之间的关系。 实验器材: 、 、金属导体、电流表、电压表和若干 。(2)问题:① 怎样用上述器材研究通过金属导体的电流与它两端电压之间的关系? 。② 用什么方法改变导体两端的电压? 。 实验步骤:⋯⋯ 21. 为了探究导体中的电流和电压关系,小华、小海和小强同学用 A 、 B 两个导体进行实验,实验中他们利用改变干电池的节数来改变导体两端的电压大小。(1)小华按正确的电路进行实验,将测量的数据分别记录在表 1 、表 2 中。 表 1 导体 A 序号电压/伏电流/安11.20.0822.40.1633.60.24 表 2 导体 B 序号电压/伏电流/安42.40.4053.60.6064.80.80① 分析比较实验序号 1 、 2 、 3 或 4 、 5 、 6 中电流随电压变化的倍数关系,可以得出的初步结论是: 。② 分析比较实验序号 ,可以得出的初步结论是:导体两端电压相同时,通过不同导体的电流是不同的。(2)小海按图所示的电路进行实验,根据所接入干电池的节数填入电压值,利用电流表正确测出相应的电流值,并将实验数据记录在表 3 中。分析小海的实验过程和方法,你认为他的实验数据是 (填“可信”或“不可信”)的,理由是 。 表 3 导体 A 序号电压/伏电流/安71.50.1283.00.1894.50.28(3)小强通过加热方式使 A 、 B 两导体都升高一定的温度,按正确的方法进行实验,将测量的数据分别记录在表 4 、表 5 中。 表 4 序号电压/伏电流/安11.40.0622.80.1234.20.18 表 5 序号电压/伏电流/安42.80.4054.20.6065.60.80 进一步综合分析比较表 1 与表 4(或表 2 与表 5)的数据及相关条件,可得出的初步结论是: 。 四、作图题(共3小题)22. 填入合适的电表,使之成为正确的电路。 23. 在如图所示的电路上补上一根导线,要求当滑片 P 向左移动时,电流表的示数变小。 24. 作图题。(1)在如图所示的电路中,有两根导线尚未连接,请用笔线代替导线补上。补上后要求:两灯都能发光;电流表测通过灯 L1 的电流;电键控制灯 L1 和 L2。 五、计算题(共2小题)25. 阻值为 12 欧的用电器接在由两节新干电池组成的电源两端。求:(1)该用电器两端的电压;(2)通过该用电器的电流;(3)5 分钟内通过该用电器的电荷量。 26. 某电阻接在 4 伏电源两端,流过电流为 0.1 安,当接至另一电源时,电流增大到原来的 2 倍。能否用实验室常用的电压表测量该电源两端电压?答案1. B【解析】电流的单位是以安培的名字命名的,A不合题意;电阻的单位是以欧姆的名字命名的,B符合题意;功和能的单位是以焦耳的名字命名的,C不合题意;法拉第发现了电磁感应现象,现在还没有以他的名字命名的物理单位,D不合题意。2. C3. C4. C5. D6. D7. C8. D9. 1×10−4;2×10810. 对于某导体来说,通过它的电流与它两端的电压成正比;I=UR11. 连入电路中电阻丝的长度;电流;允许通过的最大电流为 2 A;滑动变阻器的阻值变化范围为 0∼10 Ω12. 大于13. 20;6;20;20;014. 小于;大于15. AP;右16. A;电压相等时通过 A 导体的电流比通过 B 导体的电流小;4.8;217. (1) (a)、(f);(b)、(e) (2) 导体的材料和横截面积相等时,导体的长度越长,导体对电流的阻碍作用越大18. ;0.34【解析】电流表与灯泡串联,注意电流从正接线柱流入负接线柱流出,然后与电源、开关串联组成电路,电路图和实物图如答图所示;由图可知,电流表所用量程为 0∼0.6 A,通过灯泡的电流为 0.34 A。19. ;5.5【解析】电流表与灯泡串联,注意电流从正接线柱流入负接线柱流出,然后与电源、开关串联组成电路,电路图和实物图如答图所示;由图可知,电流表所用量程为 0∼0.6 A,通过灯泡的电流为 5.5 A。20. (1) 电键;电池组;导线 (2) ① 在同一导体两端加上电压,同时测量其两端电压值和通过导体的电流 ② 通过改变串联的电池节数来改变导体两端的电压21. (1) ① 同一导体,通过导体的电流与该导体两端的电压成正比 ② 2 与 4 或 3 与 5 (2) 不可信;导体两端的电压没有经过实际测量,而是根据经验判断得出的 (3) 同一导体,温度越高,电压与电流的比值越大22. 【解析】最上面的电表并联在干路中,所以是电压表;最下面与 L2 串联的是电流表;中间串联在干路中,是电流表,故电路图如答图。23. 24. 25. (1) U=3 V (2) 0.25 A【解析】I=UR=3 V12 Ω=0.25 A。 (3) 75 C【解析】Q=It=0.25 A×5×60 s=75 C。26. 可以用【解析】R=UI=4 V0.1 A=40 Ω;Uʹ=IʹRʹ=0.2 A×40 Ω=8 V<15 V,所以可以用。
沪教版九上第七章 电路 欧姆定律 A卷 一、单项选择题(共8小题)1. 在如图所示的四位科学家中,以其名字命名电阻单位的是 A. 安培 B. 欧姆 C. 焦耳 D. 法拉第 2. 我国家庭电路的电压为 A. 1.5 伏 B. 24 伏 C. 220 伏 D. 380 伏 3. 如图所示,在“用电压表测电压”的实验中,正确测量串联电池组电压的是 A. B. C. 4. 下列说法正确的是 A. 只要电路中有电源,就一定有电流 B. 只要导体中有自由电荷,就一定有电流 C. 只要导体中两端有电压,导体中就会形成电流 D. 只要电路中有电源,用电器两端就一定有电压 5. 关于导体的电阻,下列说法中正确的是 A. 铁导线的电阻比铜导线的电阻大 B. 粗的铁导线比细的铜导线电阻小 C. 相同长度的导线,铁的比铜的电阻大 D. 以上说法均不正确 6. 对于 R=UI,下列说法中正确的是 A. 导体的电阻与它两端的电压成正比 B. 导体的电阻与通过导体的电流成反比 C. 当导体两端的电压为零时,它的电阻为零 D. 同一导体两端的电压与通过导体的电流的比值不变 7. 如图所示,要使滑片 P 向左滑动时,小灯泡的亮度变亮,则变阻器的连接方式应为 A. M 与 A 连接,N 与 B 连接 B. M 与 B 连接,N 与 A 连接 C. M 与 A 连接,N 与 C 连接 D. M 与 C 连接,N 与 B 连接 8. 如图所示的电路图。如果小吴同学在操作中两电表的量程选择正确,但不慎将两电表的位置对调了一下,则开关闭合后 A. 电流表、电压表均损坏 B. 电流表损坏 C. 电压表损坏 D. 电流表、电压表都不损坏 二、填空题(共8小题)9. 计算器中的电流很小,大约 100 微安,也就是 安;雷电是一种常见的自然现象,发生雷电时的电流高达 2×105 安,相当于 毫安。 10. 欧姆定律的内容是: 。欧姆定律的数学表达式 。 11. 滑动变阻器是通过改变 来改变电路中电阻大小的元件。利用滑动变阻器可以改变电路中的 或电路两端的电压。滑动变阻器上标有“2 A 10 Ω”,其中“2 A”表示 ;“10 Ω”表示 。 12. 有甲、乙两根导线,1 分钟内通过甲导线的电荷量为 15 库,2 秒内通过乙导线的电荷量为 0.25 库,则甲导线中的电流 乙导线中的电流。(填“大于”、“等于”或“小于”) 13. 某导体两端的电压为 4 伏,通过导体的电流为 0.2 安,则导体的电阻为 欧;如果通过导体的电流变为 0.3 安,此时该导体两端的电压为 伏,该导体的电阻为 欧;当导体两端电压为 0 伏时,该导体的电阻为 欧,此时通过导体的电流为 安。 14. 甲、乙两根粗细相同的镍铬合金丝,甲的长度是乙的 13,则甲的电阻 乙的电阻。A 、 B 两根长度相同的镍铬合金丝,A 的截面积是 B 的一半,则 A 的电阻 B 的电阻(填“大于”、“等于”或“小于”)。 15. 如图所示是滑动变阻器接入电路的一种情况,该变阻器接入电路的电阻是 (填“AP 或“BP”)。要使它接入电路的电阻增大,应将滑片 P 向 (填“左”或“右”)移动。 16. 不通过计算就可以知道图中 A 、 B 图象所表示的电阻中较大的是 ,作出这一判断的理由是 。要使通过这两个电阻的电流均为 0.3 安,则加在 A 两端的电压是 伏,加在 B 两端的电压为 伏。 三、实验题(共5小题)17. 某同学探究导体对电流的阻碍作用,所用器材为截面积相同的导体、电流表、电键、新干电池和导线若干,实验过程如图(a)、(b)、(c)、(d)、(e)、(f)所示。请根据实验现象及相关条件,作出判断并归纳得出初步结论。 (1)由图 或 ,可得:导体的长度和横截面积相同的不同材料的导体对电流的阻碍作用不同。(2)由图(c)与(e)或(d)与(f),可得: 。 18. 在“用电流表测电流”的实验中,请用笔线代替导线,将下图中的实物连成简单电路,在方框中画出电路图,并在图中标出电流表的“+”、“−”接线柱。若电流表的表盘如图所示,此时通过灯泡的电流为 安。 19. 在“用电压表测电压”的实验中,请用笔线代替导线,将下图中的实物连成简单电路,在方框中画出电路图,并在图中标出电流表的“+”、“−”接线柱。若电压表的表盘如图所示,此时通过灯泡的电压为 伏。 20. 在探究“导体中的电流与电压的关系”实验中,小华设计的实验报告如下,请填写空格的内容。(1)实验目的:探究通过金属导体的电流与它两端电压之间的关系,形成电阻概念,从而得到电流与电压、电阻之间的关系。 实验器材: 、 、金属导体、电流表、电压表和若干 。(2)问题:① 怎样用上述器材研究通过金属导体的电流与它两端电压之间的关系? 。② 用什么方法改变导体两端的电压? 。 实验步骤:⋯⋯ 21. 为了探究导体中的电流和电压关系,小华、小海和小强同学用 A 、 B 两个导体进行实验,实验中他们利用改变干电池的节数来改变导体两端的电压大小。(1)小华按正确的电路进行实验,将测量的数据分别记录在表 1 、表 2 中。 表 1 导体 A 序号电压/伏电流/安11.20.0822.40.1633.60.24 表 2 导体 B 序号电压/伏电流/安42.40.4053.60.6064.80.80① 分析比较实验序号 1 、 2 、 3 或 4 、 5 、 6 中电流随电压变化的倍数关系,可以得出的初步结论是: 。② 分析比较实验序号 ,可以得出的初步结论是:导体两端电压相同时,通过不同导体的电流是不同的。(2)小海按图所示的电路进行实验,根据所接入干电池的节数填入电压值,利用电流表正确测出相应的电流值,并将实验数据记录在表 3 中。分析小海的实验过程和方法,你认为他的实验数据是 (填“可信”或“不可信”)的,理由是 。 表 3 导体 A 序号电压/伏电流/安71.50.1283.00.1894.50.28(3)小强通过加热方式使 A 、 B 两导体都升高一定的温度,按正确的方法进行实验,将测量的数据分别记录在表 4 、表 5 中。 表 4 序号电压/伏电流/安11.40.0622.80.1234.20.18 表 5 序号电压/伏电流/安42.80.4054.20.6065.60.80 进一步综合分析比较表 1 与表 4(或表 2 与表 5)的数据及相关条件,可得出的初步结论是: 。 四、作图题(共3小题)22. 填入合适的电表,使之成为正确的电路。 23. 在如图所示的电路上补上一根导线,要求当滑片 P 向左移动时,电流表的示数变小。 24. 作图题。(1)在如图所示的电路中,有两根导线尚未连接,请用笔线代替导线补上。补上后要求:两灯都能发光;电流表测通过灯 L1 的电流;电键控制灯 L1 和 L2。 五、计算题(共2小题)25. 阻值为 12 欧的用电器接在由两节新干电池组成的电源两端。求:(1)该用电器两端的电压;(2)通过该用电器的电流;(3)5 分钟内通过该用电器的电荷量。 26. 某电阻接在 4 伏电源两端,流过电流为 0.1 安,当接至另一电源时,电流增大到原来的 2 倍。能否用实验室常用的电压表测量该电源两端电压?答案1. B【解析】电流的单位是以安培的名字命名的,A不合题意;电阻的单位是以欧姆的名字命名的,B符合题意;功和能的单位是以焦耳的名字命名的,C不合题意;法拉第发现了电磁感应现象,现在还没有以他的名字命名的物理单位,D不合题意。2. C3. C4. C5. D6. D7. C8. D9. 1×10−4;2×10810. 对于某导体来说,通过它的电流与它两端的电压成正比;I=UR11. 连入电路中电阻丝的长度;电流;允许通过的最大电流为 2 A;滑动变阻器的阻值变化范围为 0∼10 Ω12. 大于13. 20;6;20;20;014. 小于;大于15. AP;右16. A;电压相等时通过 A 导体的电流比通过 B 导体的电流小;4.8;217. (1) (a)、(f);(b)、(e) (2) 导体的材料和横截面积相等时,导体的长度越长,导体对电流的阻碍作用越大18. ;0.34【解析】电流表与灯泡串联,注意电流从正接线柱流入负接线柱流出,然后与电源、开关串联组成电路,电路图和实物图如答图所示;由图可知,电流表所用量程为 0∼0.6 A,通过灯泡的电流为 0.34 A。19. ;5.5【解析】电流表与灯泡串联,注意电流从正接线柱流入负接线柱流出,然后与电源、开关串联组成电路,电路图和实物图如答图所示;由图可知,电流表所用量程为 0∼0.6 A,通过灯泡的电流为 5.5 A。20. (1) 电键;电池组;导线 (2) ① 在同一导体两端加上电压,同时测量其两端电压值和通过导体的电流 ② 通过改变串联的电池节数来改变导体两端的电压21. (1) ① 同一导体,通过导体的电流与该导体两端的电压成正比 ② 2 与 4 或 3 与 5 (2) 不可信;导体两端的电压没有经过实际测量,而是根据经验判断得出的 (3) 同一导体,温度越高,电压与电流的比值越大22. 【解析】最上面的电表并联在干路中,所以是电压表;最下面与 L2 串联的是电流表;中间串联在干路中,是电流表,故电路图如答图。23. 24. 25. (1) U=3 V (2) 0.25 A【解析】I=UR=3 V12 Ω=0.25 A。 (3) 75 C【解析】Q=It=0.25 A×5×60 s=75 C。26. 可以用【解析】R=UI=4 V0.1 A=40 Ω;Uʹ=IʹRʹ=0.2 A×40 Ω=8 V<15 V,所以可以用。
相关资料
更多

