广西各地市2022年中考物理真题分项汇编-12电磁学(电功和电功率-填空、计算题)
展开广西各地市2022年中考物理真题分项汇编-12电磁学(电功和电功率-填空、计算题)
一、填空题
1.(2022·广西柳州·统考中考真题)如图电路,电阻R1、R2、R3的阻值分别为R、2R、3R,为二极管(二极管具有单向导电性,只允许电流从其正极向负极通过,不允许电流反方向通过,如同自动开关)。闭合开关S,接入电路的总电阻为 ___________。现将电源正负极对调再接回原位置,则前后两种情况消耗的功率之比为 ___________。
2.(2022·广西贵港·统考中考真题)黄大年教授是著名地球物理学家,小学和高中就读于贵县(今贵港市市区),黄大年曾任国家“深部探测关键仪器装备研制与实验项目”的负责人,在黄大年团队的努力下,中国的超高精密机械和电子技术、纳米和激电机技术。高温和低温超导原理技术等多项关键技术进步显著。上述中的纳米是 ___________的单位,超导材料可以适用于制作 ___________(只选填标号:A.“电能输送导线”或B.“电饭锅发热部件”)。
3.(2022·广西贵港·统考中考真题)如图所示的电路,电源电压保持不变,闭合开关S、S1,断开开关S2,在滑动变阻器的滑片P从a端移动到b端的过程中,电压表示数变化范围是4~12V,电流表示数变化范围是0.4~1.2A,则电源电压是 ___________V;闭合开关S、S2,断开开关S1,当滑动变阻器的滑片从a端移动到中点时,小灯泡L恰好正常发光,此过程中电路最大功率和最小功率之比为4:3,则小灯泡L的额定功率是 ___________W。(不计温度对灯丝电阻的影响)
4.(2022·广西河池·统考中考真题)某品牌电热水壶有“加热”和“保温”两个挡位,其内部简化电路如图所示,,,当闭合,断开时,电热水壶处于________挡;加热挡的电功率为________W。
5.(2022·广西贺州·统考中考真题)教室的灯管之间是______联的,灯管正常发光时两端电压为______V;多开一盏灯,干路上的电流大小会______(选填“变大”“变小”或“不变”)。
6.(2022·广西·统考中考真题)用电器消耗的电能可用电能表计量。如图所示的电能表应接在______V的电路中使用,示数是______kW·h。
7.(2022·广西贺州·统考中考真题)在家庭电路中,用______来测量所消耗的电能;正确使用试电笔来辨别火线和零线,若试电笔的氖管发光,表明笔尖接触的是______线。
二、计算题
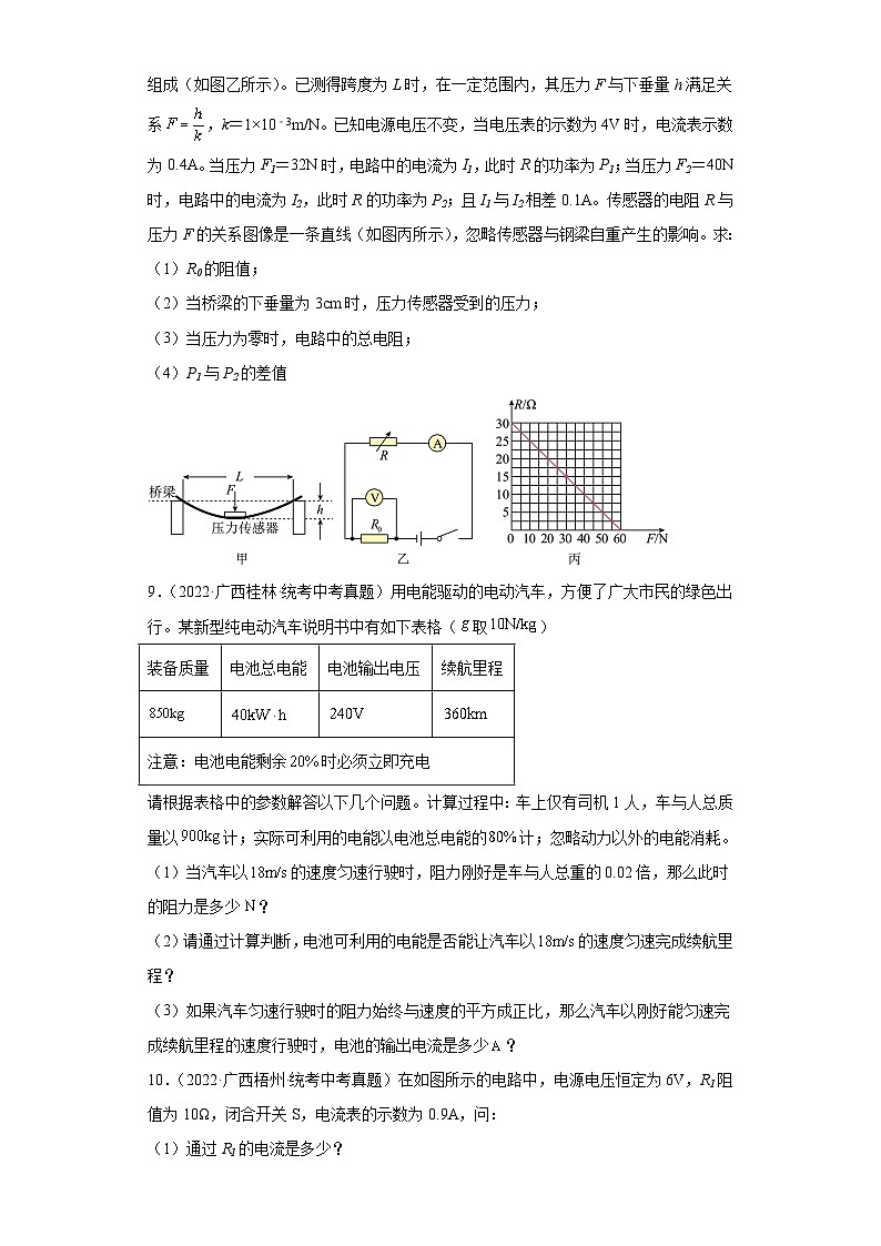
8.(2022·广西玉林·统考中考真题)技术研究小组在实验室模仿工程师做“钢梁承重后的下垂量h”的测试,他们用厚钢尺制成了一座跨度为L的桥梁(如图甲所示),并设计了一个方便读取“厚钢尺桥梁受压后下垂量”的测试仪,测试仪由压力传感器R与外部电路组成(如图乙所示)。已测得跨度为L时,在一定范围内,其压力F与下垂量h满足关系,k=1×10﹣3m/N。已知电源电压不变,当电压表的示数为4V时,电流表示数为0.4A。当压力F1=32N时,电路中的电流为I1,此时R的功率为P1;当压力F2=40N时,电路中的电流为I2,此时R的功率为P2;且I1与I2相差0.1A。传感器的电阻R与压力F的关系图像是一条直线(如图丙所示),忽略传感器与钢梁自重产生的影响。求:
(1)R0的阻值;
(2)当桥梁的下垂量为3cm时,压力传感器受到的压力;
(3)当压力为零时,电路中的总电阻;
(4)P1与P2的差值
9.(2022·广西桂林·统考中考真题)用电能驱动的电动汽车,方便了广大市民的绿色出行。某新型纯电动汽车说明书中有如下表格(取)
装备质量 | 电池总电能 | 电池输出电压 | 续航里程 |
注意:电池电能剩余时必须立即充电 | |||
请根据表格中的参数解答以下几个问题。计算过程中:车上仅有司机1人,车与人总质量以计;实际可利用的电能以电池总电能的计;忽略动力以外的电能消耗。
(1)当汽车以的速度匀速行驶时,阻力刚好是车与人总重的0.02倍,那么此时的阻力是多少?
(2)请通过计算判断,电池可利用的电能是否能让汽车以的速度匀速完成续航里程?
(3)如果汽车匀速行驶时的阻力始终与速度的平方成正比,那么汽车以刚好能匀速完成续航里程的速度行驶时,电池的输出电流是多少?
10.(2022·广西梧州·统考中考真题)在如图所示的电路中,电源电压恒定为6V,R1阻值为10Ω,闭合开关S,电流表的示数为0.9A,问:
(1)通过R1的电流是多少?
(2)R2的阻值是多少?
(3)现用一个规格为“50Ω 2A”的滑动变阻器替换R1或R2,要求:替换后,电源的最大电功率不小于15W,则电源的最小电功率是多少?
11.(2022·广西贵港·统考中考真题)如图甲所示电路中,电源电压保持不变,电压表量程可选,电流表量程为,滑动变阻器R2标有“1A”字样,最大阻值未知。闭合开关S1、S3,断开开关S2,将滑动变阻器R2的滑片P从b端移动到a端,得R1的“U﹣I”关系图像如图乙所示。
(1)求电阻R1的阻值和R2的最大阻值;
(2)若闭合开关S2、S3,断开开关S1,使R2的滑片P位于a端,此时电流表示数为0.42A,求R3通电50s产生的电热;
(3)若闭合开关S1、S3,断开开关S2,且电压表的量程为 ,在保证电路元件都安全的情况下,求电路总功率的变化范围。
12.(2022·广西河池·统考中考真题)如图所示为某智能烘干机的简化电路原理图,其工作电路由电压为220V的电源、阻值为55Ω的电热丝R、红灯L和蜂鸣器组成;控制电路由电源U、电磁铁(线圈电阻忽略不计)、开关S、热敏电阻R1和滑动变阻器R2组成;R1的阻值随温度变化的关系如下表所示。当控制电路电流I≥0.05A时,衔铁被吸合,电热丝R停止工作,同时红灯亮蜂鸣器响发出报警信号,表明烘干机内温度过高。
温度 | 90 | 80 | 66 | 60 | 50 | 46 | 40 | 36 | 35 |
10 | 20 | 40 | 50 | 70 | 80 | 100 | 120 | 130 |
(1)电热丝R工作时的电流为多少?
(2)电热丝R通电10s产生的热量为多少?
(3)已知控制电路的电源电压U=6V,当调节滑动变阻器R2=70Ω时,烘干机内温度至少多高会发出报警信号?
13.(2022·广西·统考中考真题)善于观察的小明发现,家中的即热式水龙头使用时冬季水温偏低,夏季水温偏高,还发现水龙头标有“220V;2200W”。于是他增加两个相同的发热电阻R、两个指示灯(电阻不计)设计了如图所示的电路进行改进,其中为改进前水龙头发热电阻。开关可以只与c相连或同时与a、b相连,使其具有两挡工作状态,且冬季与夏季水龙头工作的总电流之比为4∶1。求:
(1)电阻的阻值;
(2)改进前,若水龙头的热效率为90%,正常加热100s提供的热量;
(3)改进后,冬季使用时水龙头工作的总电功率。
14.(2022·广西百色·统考中考真题)如图甲所示电路,电源电压不变,灯泡L上标有“5V 2.5W”字样,电压表量程为0~3V,电流表量程为0~0.6A。闭合开关S,将滑动变阻器的滑片P由b端滑到中点的过程中,灯泡L的电功率与电流的P-I关系图像如图乙所示,忽略温度对灯丝电阻的影响。求:
(1)灯泡L正常发光时的电阻;
(2)滑片P在b端时,lmin内灯泡L消耗的电能;
(3)电源电压;
(4)在确保电路元件安全的情况下,滑动变阻器允许连入电路的最小阻值。
15.(2022·广西贺州·统考中考真题)如图所示,电源电压为9V,电阻R1=10Ω,闭合开关S时电阻R2两端电压为6V。求:
(1)通过电阻R1的电流;
(2)电阻R2的电功率;
(3)电阻R2通电1min产生的热量。
参考答案:
1.
【详解】[1]如图,结合二极管的单向导电性可知,闭合开关S时,电阻R2、R3串联,由串联电路的电阻特点可知,接入电路的总电阻
[2]如图,结合二极管的单向导电性可知,将电源正负极对调再接回原位置时,电阻R1、R2串联,由串联电路的电阻特点可知,接入电路的总电阻
两种情况下电源相同,电源电压相同,前后两种情况消耗的功率之比
2. 长度 A
【详解】[1]纳米是长度的单位,。
[2]A.根据焦耳定律可知,导线的电阻越小导线产生的热量越少,电损越小,超导材料没有电阻,可以适用于制作电能输送导线,故A符合题意;
B.电饭锅主要利用电流的热效应工作的,电流通过导体的电阻产生热量,不能用超导体制作, 故B不符合题意。
故选A。
3. 12 3.2
【详解】[1]闭合开关S、S1,断开开关S2,滑动变阻器的滑片P在b端时,电路中只接入R1,电压表测电源电压,此时电压表的示数为12V,即电源电压为12V。此时电流表的示数为1.2A,则R1的阻值为
[2]闭合开关S、S1,断开开关S2,滑动变阻器的滑片P在a端时,R1和R2串联,电压表测R1两端的电压,此时电压表的示数为4V,电流表的示数为0.4A,则R2两端的电压为
R2的最大阻值为
闭合开关S、S2,断开开关S1时,小灯泡L和R2串联,滑片从a端移动到中点时,电源电压不变,电路最大功率和最小功率之比为4:3,由公式可得
可求得RL=20Ω。
滑片移动到中点时,电路总电阻为
此时小灯泡L恰好正常发光,电路中的电流为
则小灯泡L的额定功率为
4. 保温 1512.5
【详解】[1]由电路图可以知道,当开关S2断开、S1闭合时,电路中只有R1,根据可知,此时电功率较小,因此电热水壶处于保温档。
[2]当开关S1、S2同时闭合时,电路中R1与R2并联,此时总电阻较第一种情况是比较小的,根据可知,此时电功率大,因此电热水壶处于加热档,所以此时电路的总电阻为
那么加热挡的电功率为
5. 并 220 变大
【详解】[1]由于家庭电路的各用电器可以单独工作,互不影响,所以教室里的日光灯之间是并联连接。
[2]家庭线和零线之间的电压为220V,所以日光灯正常工作时两端电压为220V。
[3]多开一盏灯,相当于增大了电路中导体的横截面积,电路中的总电阻变小,家庭电路的电压不变,根据 可知,干路上的电流会变大。
6. 220 2022.6
【详解】[1]由图可知,电能表上的“220V”表示该电能表应该接在220V的电路中使用。
[2]由图可知,根据电能表的读数规则,最后一位是小数,单位是kW·h,所以该电能表的示数是2022.6 kW·h。
7. 电能表 火
【详解】[1]在家庭电路中,用电能表来测量所消耗的电能,电能的单位为,。
[2]正确使用试电笔来辨别火线和零线,若试电笔的氖管发光,表明笔尖接触的是火线,此时火线、测电笔、大地构成通路,氖管发光;若氖管不发光,则接触的是零线。
8.(1)10Ω;(2)30N;(3)40Ω;(4)0.1W
【详解】解:(1)由图乙可知,R和R0串联,电压表测R0的电压,电压表的示数为4V,即R0的电压为4V,电流表的示数为0.4A,即R0的电流为0.4A,根据欧姆定律得
(2)压力F与下垂量h满足关系
已知
k=1×10-3m/N,h=3cm=0.03m
代入数据
(3)由图丙可知,压力为零时,R=30Ω,结合(1)得R0为10Ω,根据串联电阻的规律,电路中的总电阻
R总=R+R0=30Ω+10Ω=40Ω
(4)传感器的电阻R与压力F的关系图像是一条直线,设关系式为
R=aF+b①
将(0,30Ω)、(60N,0)两组数据代入上式可得到
30Ω=a×0+b,0Ω=60N×a+b
解之
a =-0.5Ω/ N,b=30Ω
故传感器的电阻R与压力F的关系式为
R=-0.5Ω/ N×F+30Ω ②
当压力F1=32N时,代入②得
R1=-0.5Ω/ N×32N+30Ω=14Ω
当压力F2=40N时,代入②得
R2=0.5Ω/ N×40N+30Ω=10Ω
所以电阻为R1时电路总电阻更大,电流更小,I1与I2相差0.1A,因此
I2=I1+0.1A ③
电源电压不变,由串联电阻的规律及欧姆定律有
I1(R0+R1)=I2(R0+R2)
代入数据有
I1(10Ω+14Ω)=(I1+0.1A)×(10Ω+10Ω)
解得
I1=0.5A
由③可知
I2=0.6A
P1=I12×R1=(0.5A)2×14Ω=3.5W
P2=I22×R2=(0.6A)2×10Ω=3.6W
故P1与P2的差值为
ΔP=P2-P1=3.6W-3.5W=0.1W
9.(1)180N;(2)可以完成续航里程;(3)32A
【详解】解:
(1)当汽车以18m/s的速度匀速行驶时受到的阻力为
(2)电池充满电后能获得的机械能为
因汽车匀速运动时处于平衡状态,受到的牵引力和阻力是一对平衡力, 所以,汽车的牵引力
由可得,电动运输车匀速行驶的路程
所以,电池可利用的电能可以让汽车以18m/s的速度匀速完成续航里程。
(3)汽车刚好能匀速完成续航里程时的牵引力
则汽车受到的阻力为
因汽车匀速行驶时的阻力始终与速度的平方成正比,且时,
所以,由得
即
解得,
此时汽车得机械功率为
忽略动力以外的电能消耗,此时电动机的电功率
由可得,电池的输出电流
(1)当汽车以的速度匀速行驶时,此时的阻力是;
(2)请通过计算判断,电池可利用的电能可以让汽车以的速度匀速完成续航里程;
(3)如果汽车匀速行驶时的阻力始终与速度的平方成正比,那么汽车以刚好能匀速完成续航里程的速度行驶时,电池的输出电流是。
10.(1);(2);(3)
【详解】解:如图,两个电阻并联,电源电压恒定为6V,电流表测干路电流,通过R1的电流
(2)R2的阻值是
(3)现用一个规格为“50Ω 2A”的滑动变阻器替换R1或R2.,滑动变阻器的最大功率为
替换后,电源的最大电功率不小于15W,则要求剩余的电阻的功率大于3W,电源电压不变,两电阻在电路中的功率不变,R1的功率
R2的功率
因电阻R2的功率小于3W,因此只能被替换,电路中剩余R1与“50Ω 2A”的滑动变阻器并联,当滑动变阻器接入电路的电阻最大时,变阻器的电功率最小,最小值
电源的最小电功率是
答:(1)通过R1的电流为;
(2)R2的阻值是;
(3)电源的最小电功率是。
11.(1) ,;(2);(3)
【详解】解:(1)闭合开关S1、S3,断开开关S2,滑动变阻器R2与R1串联,将滑动变阻器R2的滑片P从b端移动到a端时,电路中只有R1,由乙图可知,此时R1两端的电压为6V,电流为0.6A,电阻R1的阻值
滑动变阻器R2的滑片P在b端时,滑动变阻器R2与R1串联,变阻器连入电路的电阻最大,此时R1两端的电压为1V,电流为0.1A,R2的最大阻值
(2)电源电压保持不变,若闭合开关S2、S3,断开开关S1,电阻R2与R3并联,电流表测干路电流;使R2的滑片P位于a端,滑动变阻器接入电路的电阻最大为50Ω,通过滑动变阻器的电流
通过R3的电流
R3通电50s产生的电热
(3)若闭合开关S1、S3,断开开关S2,滑动变阻器R2的滑片P在b端时,滑动变阻器R2与R1串联,变阻器连入电路的电阻最大,此时R1两端的电压为1V,电流为0.1A,电路中的电流最小,电路的功率最小,最小功率为
电压表的示数最大时,电路中的电流最大,电流的最大值
电路的最大功率
电路总功率的变化范围为:。
答:(1)电阻R1的阻值为,R2的最大阻值为;
(2)R3通电50s产生的电热为;
(3)电路总功率的变化范围为。
12.(1)4A;(2)8800J;(3)60℃
【详解】解:(1)由电路图可知,电热丝R工作时,衔铁与工作电路中上触点接触,电热丝R单独连接在工作电路中,其两端电压U工作=220V,由题意可知,电热丝的阻值R=55Ω,根据欧姆定律可以得出,电热丝R工作时的电流为
(2)电热丝通电时间为t=10s,由焦耳定律得,电热丝通电10s产生的热量为
(3)由控制电路图可知,控制电路的电源电压U=6V,电磁铁、热敏电阻R1和滑动变阻器R2串联在控制电路中,则流过三者的电流相等,不计电磁铁的电阻,电磁铁相当于一条导线,则电路中总电阻为
当控制电路电流I≥0.05A时,衔铁被吸合,电热丝R停止工作,同时红灯亮蜂鸣器响发出报警信号,由欧姆定律可知,此时电路中总电阻为
此时,滑动变阻器阻值R2=70Ω,则热敏电阻R1的阻值为
由欧姆定律可知电路中总电阻越小电流越大,则根据题意只要热敏电阻R1≤50Ω,电路就会发出报警,由题中表格可知,温度越高,热敏电阻R1越小,查询表格数据可知,对应热敏电阻R1=50Ω的温度为60℃,则当调节滑动变阻器R2=70Ω时,烘干机内温度至少为60℃会发出报警信号。
答:(1)电热丝R工作时的电流为4A。
(2)电热丝R通电10s产生的热量为8800J。
(3)当调节滑动变阻器R2=70Ω时,烘干机内温度至少60℃会发出报警信号。
13.(1)22Ω;(2)1.98×105J;(3)4400W
【详解】解:(1)R0的电阻为
(2)改进前,正常加热100s消耗的电能
W=P额t=2200W×100s=2.2×105J
正常加热100s提供的热量
Q=Wη=2.2×105J×90%=1.98×105J
(3)由电路图可知,将开关S1与a、b相连时工作的电路元件,R0和R并联,电路的总电阻最小,由可知,电路的总功率最大,水龙头处于高温状态;将开关S1与c相连时,R与R0串联,总电阻较大,由可知,总功率较小,水龙头处于低温状态;因为冬季与夏季水龙头工作的总电流之比为4∶1,所以两季电流之比
解方程可得
R=22Ω
改进后,冬季使用时水龙头工作的总电流
改进后,冬季使用时水龙头工作的总电功率
P总=UI冬=220V×20A=4400W
答:(1)电阻的阻值是22Ω;
(2)改进前,若水龙头的热效率为90%,正常加热100s提供的热量是1.98×105J;
(3)改进后,冬季使用时水龙头工作的总电功率是4400W。
14.(1)10Ω;(2)54J;(3)6V;(4)2Ω
【详解】解:(1)灯泡的型号规格为“5V,2.5W”,即灯泡的额定功率
P额=2.5W
U额=5V
根据公式P=UI变形得
(2)当滑动变阻器完全接入电路时,即滑片P位于b端,此时电路中接入的电阻最大,电路中的电流最小,灯泡两端的电压最小,消耗的电功率最小,由乙图可知,P位于b端时,此时灯泡消耗的电功率为
P灯=0.9W
根据电能公式W=Pt得,滑片P在b端时,lmin内灯泡L消耗的电能
W灯= P灯t=0.9W×1×60s=54J
电源电压为
①
(3)当滑动变阻器的滑片P滑到中点时,电路中的电流为0.4A,此时电源电压为
③
由①③式得
代入①式得
(4)灯泡电流最大为
最大电流小于电流表的量程,所以电路中最大电流只能为0.5A,且滑动变阻器必须接入,根据串联电路中电压的规律可知,当电路中的电流最大为0.5A时,滑动变阻器接入电路的阻值最小,此时灯泡两端电压为5V,滑动变阻器两端电压为1V,且不超过电压表量程的最大值,所以此时接入电路的阻值为最小值
答:(1)灯泡L正常发光时的电阻为10Ω;
(2)滑片P在b端时,lmin内灯泡L消耗的电能为54J;
(3)电源电压为6V;
(4)在确保电路元件安全的情况下,滑动变阻器允许连入电路的最小阻值为2Ω。
15.(1)0.3A;(2)1.8W;(3)108J
【详解】解:(1)电路中R1和R2串联,R1两端电压为
通过R1电流
(2)电路中电流为
R2的电功率为
(3)R2通电1min产生的热量
答:(1)通过电阻R1的电流为0.3A;
(2)电阻R2的电功率为1.8W;
(3)电阻R2通电1min产生的热量是108J。
黑龙江省各地市2022年中考物理真题分项汇编-12电磁学(电功和电功率-填空、解答题): 这是一份黑龙江省各地市2022年中考物理真题分项汇编-12电磁学(电功和电功率-填空、解答题),共8页。试卷主要包含了填空题,简答题等内容,欢迎下载使用。
广西各地市2022年中考物理真题分项汇编-11电磁学(电功和电功率-选择、作图、实验题): 这是一份广西各地市2022年中考物理真题分项汇编-11电磁学(电功和电功率-选择、作图、实验题),共16页。试卷主要包含了单选题,作图题,实验题等内容,欢迎下载使用。
湖北省各地市2022年中考物理真题分项汇编-13电磁学(电功和电功率-选择题、填空题): 这是一份湖北省各地市2022年中考物理真题分项汇编-13电磁学(电功和电功率-选择题、填空题),共20页。试卷主要包含了单选题,多选题,填空题等内容,欢迎下载使用。

