【中考物理】2022-2023学年云南省曲靖市专项提升模拟试卷
展开【中考物理】2022-2023学年云南省曲靖市专项提升模拟试卷
一、基础知识过关
1.电流:电荷的_____形成电流;电流方向:____定向移动的方向为电流的方向(负电荷定向移动方向和电流方向相反);在电源外部,电流的方向从电源的_____极流向______极;
2.电源的作用是给电路两端提供______;电压是使电路中形成________的原因。电路中有持续电流的条件:一要有_______;二是电路是________。
3.电路基本构成:_______、_______、_______、_______等元件组成。
4.导体和绝缘体:______的物体叫导体(如金属、人体、大地、酸碱盐溶液),不善于导电的物体叫绝缘体(如橡胶、玻璃、塑料等);导体和绝缘体在一定条件下可以相_____;导体和绝缘体区别 ________。
5.探究串联电路电流规律和并联电路电流规律时,为了使实验结论具有普遍性,应选用_______的灯泡进行实验。多次实验中,选择的两个小灯泡的规格应该是_______的。
6.电流表的使用:
(1)选表:估计被测电路的电流大小,选择________的电流表,若不能估计被测电流的大小,应采用________的电流表;
(2)调零:如指针已经指向零刻度则不用调;
(3)电流表与被测用电器______联,并保证电流由___接线柱流入,___接线柱流出;
(4)试触:连接好并检查无误后,可以闭合开关进行试触,即闭合开关后,立即断开。操作时,眼睛看电流表指针;
(5)闭合开关,根据相应的量程读出正确读数,记下数值并写下相应单位。
7.电流表使用时应注意:
(1)电流表电阻很小,相当于________,不允许________连接电源两极。
(2)电流表大量程是小量程的____倍,当大量程或小量程的刻度看不清楚时,可根据倍数关系确定读数
8.试触中遇到的问题分析
①指针摆动幅度很大
原因:_______________,处理方法:_________
②指针微微摆动,几乎不动,或摆动幅度很小
原因:_______________,处理方法:_________
③指针左向偏转
原因:_______________,处理方法:_________
9.连接实物图时应注意:开关必须____;导线不可____;连好实物图后应与电路图________,方可闭合开关。
10.画电路图时的要求:导线用笔画线表示,尽量_______;交叉连接的导线,要在连接处画一个“_______点” 表示相交且相连;各元件的摆放顺序要与实际元件位置_______;元件不能画在_______处。
二、选择题(10个小题,每个小题只有一个正确答案,每小题3分,共30分)
1.(错题重做)将纸巾摩擦过的轻质吸管放在绝缘支架上,用毛皮摩擦过的橡胶棒去靠近吸管的一端,发现吸管这端远离橡胶棒。下列判断正确的是( )
A.摩擦过的吸管一定不带电 B.摩擦过的吸管一定带负电
C.摩擦过的吸管失去电子 D.摩擦过的纸巾得到电子
2.(错题重做)关于导体和绝缘体,下列说法不正确的是( )
A.人体、大地、石墨、纯水、油都是导体
B.绝缘体不容易导电,是因为绝缘体内部几乎没有自由电荷
C.导体之所以容易导电,是因为导体内部有大量的自由电荷
D.绝缘体和导体在一定条件下可能发生转化
3.下列说法正确的是( )
A.汽油机的压缩冲程,汽缸内的混合物内能增加,温度升高
B.燃料燃烧放出的热量越多,它的热值就越大
C.烧瓶内的压缩气体将瓶塞弹出瓶口时,机械能转化为内能
D.热量总是从内能大的物体向内能小的物体传递
4.(错题重做)图为金属导体中的“特定”电荷定向移动形成电流的示意图,其中定向移动的是( )
A.自由电子 B.带正电的质子 C.正离子 D.负离子
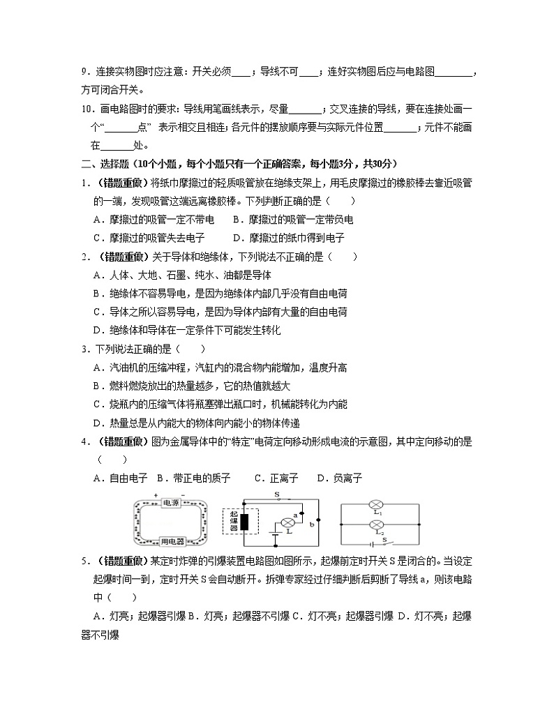
5.(错题重做)某定时炸弹的引爆装置电路图如图所示,起爆前定时开关S是闭合的。当设定起爆时间一到,定时开关S会自动断开。拆弹专家经过仔细判断后剪断了导线a,则该电路中( )
A.灯亮;起爆器引爆B.灯亮;起爆器不引爆C.灯不亮;起爆器引爆 D.灯不亮;起爆器不引爆
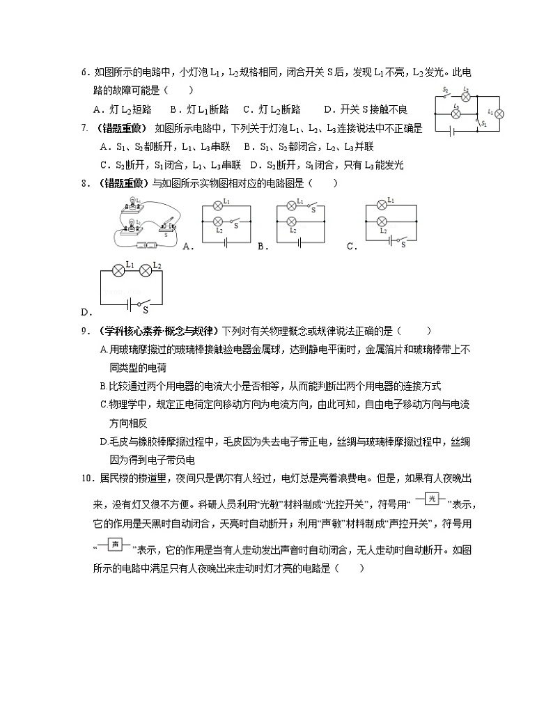
6.如图所示的电路中,小灯泡L1,L2规格相同,闭合开关S后,发现L1不亮,L2发光。此电路的故障可能是( )
A.灯L2短路 B.灯L1断路 C.灯L2断路 D.开关S接触不良
7. (错题重做) 如图所示电路中,下列关于灯泡L1、L2、L3连接说法中不正确是
A.S1、S2都断开,L1、L3串联 B.S1、S2都闭合,L2、L3并联
C.S2断开,S1闭合,L1、L3串联 D.S2断开,S1闭合,只有L3能发光
8.(错题重做)与如图所示实物图相对应的电路图是( )
A. B. C. D.
9.(学科核心素养·概念与规律)下列对有关物理概念或规律说法正确的是( )
A.用玻璃摩擦过的玻璃棒接触验电器金属球,达到静电平衡时,金属箔片和玻璃棒带上不同类型的电荷
B.比较通过两个用电器的电流大小是否相等,从而能判断出两个用电器的连接方式
C.物理学中,规定正电荷定向移动方向为电流方向,由此可知,自由电子移动方向与电流方向相反
D.毛皮与橡胶棒摩擦过程中,毛皮因为失去电子带正电,丝绸与玻璃棒摩擦过程中,丝绸因为得到电子带负电
10.居民楼的楼道里,夜间只是偶尔有人经过,电灯总是亮着浪费电。但是,如果有人夜晚出来,没有灯又很不方便。科研人员利用“光敏”材料制成“光控开关”,符号用“ ”表示,它的作用是天黑时自动闭合,天亮时自动断开;利用“声敏”材料制成“声控开关”,符号用“”表示,它的作用是当有人走动发出声音时自动闭合,无人走动时自动断开。如图所示的电路中满足只有人夜晚出来走动时灯才亮的电路是( )
A.B. C.D.
三、填空题(4个小题,每空2分,共20分)
11.(错题重做)有关热量、温度、内能之间的关系:如果一个物体吸收了热量,温度 升高,内能 增加;如果一个物体内能增加,它 吸收了热量(选填“一定”或“不一定”)。
12.(错题重做)如图所示,验电器A带正电,用带有绝缘柄的金属棒将验电器A和不带电的验电器B的金属球连接起来,发现验电器B的金属箔片张开,则验电器B带 电,瞬间自由电子定向移动的方向是 (选填“由A到B”或“由B到A”)。
13.在平静的水面上轻轻滴一滴油,油会慢慢扩展开来,形成一层薄薄的油膜,这 (选填“是”或“不是”)扩散现象。油膜的面积不会无限扩大,因为分子之间存在 。
14.如图7所示的电路中,要使灯L1、L2串联,应闭合的开关是______;要使灯L1、L2并联,应闭合的开关是_______;若同时闭合所有的开关,则电路________(填“通路”、“断路”或“短路”)。
四、实验探究题(2个小题,每空2分,共14分)
15.小明同学学习了燃料的热值后,考虑到燃料燃烧放出的热量会被水吸收,而水的比热容已知。他自己设计了一个实验来比较煤油和菜籽油的热值的大小关系。他组装了如图8所示的装置进行实验,记录结果如表。
燃料 | 加热前的水温/℃ | 燃料燃尽后水温/℃ |
煤油 | 25 | 44 |
菜籽油 | 25 | 34 |
(1)为了保证实验结论的可靠,小明同学选择了两套完全相同的装置。在实验中除了控制水的初温相等外,还应控制水的 相等。
(2)安装实验器材时,应按照 (选填“自下而上”或“自上而下”)的顺序安装。
(3)根据记录结果分析得出:煤油和菜籽油两种燃料中,热值较大的是 。
(4)小明同学还想利用这个实验测算出煤油和菜籽油的热值,那么除了图中装置外,小明还要使用的测量仪器是 。
16.在“连接串联电路”实验中,实验电路如图9所示。
(1)在连接电路时,幵关应该处于________状态。
(2)连接好电路后闭合开关S,小慧发现L1、L2两只灯泡都不亮,她用手按一下灯泡L1,L1、L2仍然都不亮,按一下灯泡L2,两灯都亮,松开手两灯又不亮,则故障可能是________。(选填“L1灯丝断了”、“L2灯丝断了”、“L1短路”或“L2与灯座接触不良”)
(3)排除故障后,闭合开关两灯同时亮,断开开关两灯同时灭;将开关S换接到L1和L2之间、L1和电池负极之间,观察到同样的现象。这样操作的目的是探究________________。
五、作图题(2个小题,每小题4分,共8分)
17.请根据如图所示的实验连线图,在虚线框内画出对应的电路图。
18.根据图甲所示的电路图,用笔画线代替导线,连接实物电路(要求导线不能交叉)。
六、计算题(共12分)
19.认真观察图,分析并解答下面的问题:
(1)当只闭合S2时,若电流表A1的示数为0.5A,则通过L1的电流是多少A?
(2)如果只闭合S1、S2,此时电流表A2示数如图乙所示,其示数为多少A?
(3)若只闭合S1、S2,电流表A1的示数为0.5A,则通过L1的电流是多少A
20.(学科核心素养·科学思维)(多选,6分)学习《电流》一课时,老师常用水的流量和水流来类比电量和电流。理想水渠交叉点上,单位时间内流入的总水量等于流出的总水量,同理,在电路的某连接处,流入的电流总和等于流出的电流总和。如图是某实验电路的一部分,电流表的示数如图,若通过导线ab电流为0.6A,导线cd的电流大小和方向可能的情况是( )
A.若导线ab的电流从a→b,则Icd=0.14A,方向:d→c
B.若导线ab的电流从a→b,则Icd=1.06A,方向:d→c
C.若导线ab的电流从b→a,则Icd=0.14A,方向:d→c
D.若导线ab的电流从b→a,则Icd=0.14A,方向:c→d
【中考物理】云南省曲靖市2022-2023学年专项突破仿真试卷(卷一): 这是一份【中考物理】云南省曲靖市2022-2023学年专项突破仿真试卷(卷一),共5页。
【中考物理】云南省曲靖市2022-2023学年专项突破仿真试卷(卷二): 这是一份【中考物理】云南省曲靖市2022-2023学年专项突破仿真试卷(卷二),共5页。试卷主要包含了下列说法正确的是等内容,欢迎下载使用。
【中考物理】云南省曲靖市2022-2023学年专项突破仿真试卷(B卷): 这是一份【中考物理】云南省曲靖市2022-2023学年专项突破仿真试卷(B卷),共6页。试卷主要包含了下列说法不正确的是,下列说法正确的是等内容,欢迎下载使用。

