- 3.3 应用举例课件-高教版中职数学职业模块工科类 课件 2 次下载
- 4.1 二进制 课件+教案 课件 4 次下载
- 4.3 逻辑图与逻辑代数的运算律 课件+教案 课件 2 次下载
- 4.4 卡诺图及其应用(1) 课件+教案 课件 2 次下载
- 4.4 卡诺图及其应用(2) 课件+教案 课件 2 次下载
高中数学高教版(中职)职业模块 工科类4.2.1 逻辑变量与基本运算一等奖课件ppt
展开【课题】 4.2 逻辑变量
【教学目标】
知识目标:
(1)理解逻辑变量和真值表的概念及三种基本的逻辑运算.
(2)理解逻辑代数式的概念,了解逻辑运算的优先次序.
(3)会画出含三个逻辑变量的真值表,能用真值表验证逻辑等式.
能力目标:
通过逻辑运算的学习,学生的数学思维能力得到锻炼和提高.
【教学重点】
(1)逻辑变量、真值表及逻辑式的概念.
(2)三种基本的逻辑运算及画真值表.
【教学难点】
画真值表.
【教学设计】
通过两个开关控制一个电灯的并联电路引出逻辑关系和逻辑变量.规定逻辑变量用大写字母表示,逻辑变量的取值只有两个“0”和“1”.只具备两种状态的变量叫做逻辑变量.要多举出一些例子,让学生认识到逻辑变量存在的广泛性.这两种状态分别用逻辑常量0和1来表示,因此,逻辑变量的取值只能是0和1,但是它们与代数中的数字0和1有着不同的意义.真值表是列出逻辑变量所有可能取值及其对应逻辑代数式的值的表格.真值表对分析逻辑关系意义重大.两个逻辑式相等是指这两个逻辑式等值,即它们具有完全相同的真值表.为了降低难度,列出真值表的时候,表中包含了运算过程的结果,熟练后,真值表中可以只列出逻辑变量和逻辑式的值.例1是利用列出真值表来验证两个逻辑式相等的题目,教学中要强调真值表的完整性.表中只涉及两个逻辑变量,如时间条件允许,可以让学生动手画一下三个变量的真值表,但要注意的是不要求列出四种或四种以上变量的真值表,以降低学习难度.例2是逻辑运算定义的知识巩固性题目,教学中可通过逻辑“或”的定义来完成例题,没有必要列出真值表来进行讨论,否则将会把简单的事情搞复杂.练习4.2.2是关于真值表的基本练习题,需要列出真值表来进行研究,可以让学生在课堂完成.
【教学备品】
教学课件.
【课时安排】
2课时.(90分钟)
【教学过程】
教 学 过 程 | 教师 行为 | 学生 行为 | 教学 意图 | 时间 | |||||||||||||||||||||||||||||||||||||||||||||||||||||||||||||||||||||||||||
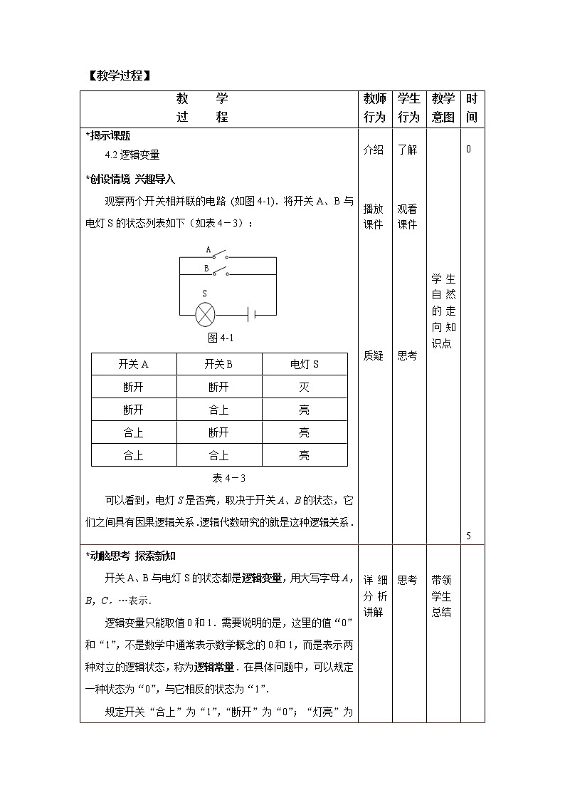
*揭示课题 4.2逻辑变量 *创设情境 兴趣导入 观察两个开关相并联的电路 (如图4-1).将开关A、B与电灯S的状态列表如下(如表4-3):
表4-3 可以看到,电灯S是否亮,取决于开关A、B的状态,它们之间具有因果逻辑关系.逻辑代数研究的就是这种逻辑关系. |
介绍
播放 课件
质疑 |
了解
观看 课件
思考 |
学生自然的走向知识点 |
0
5 | |||||||||||||||||||||||||||||||||||||||||||||||||||||||||||||||||||||||||||
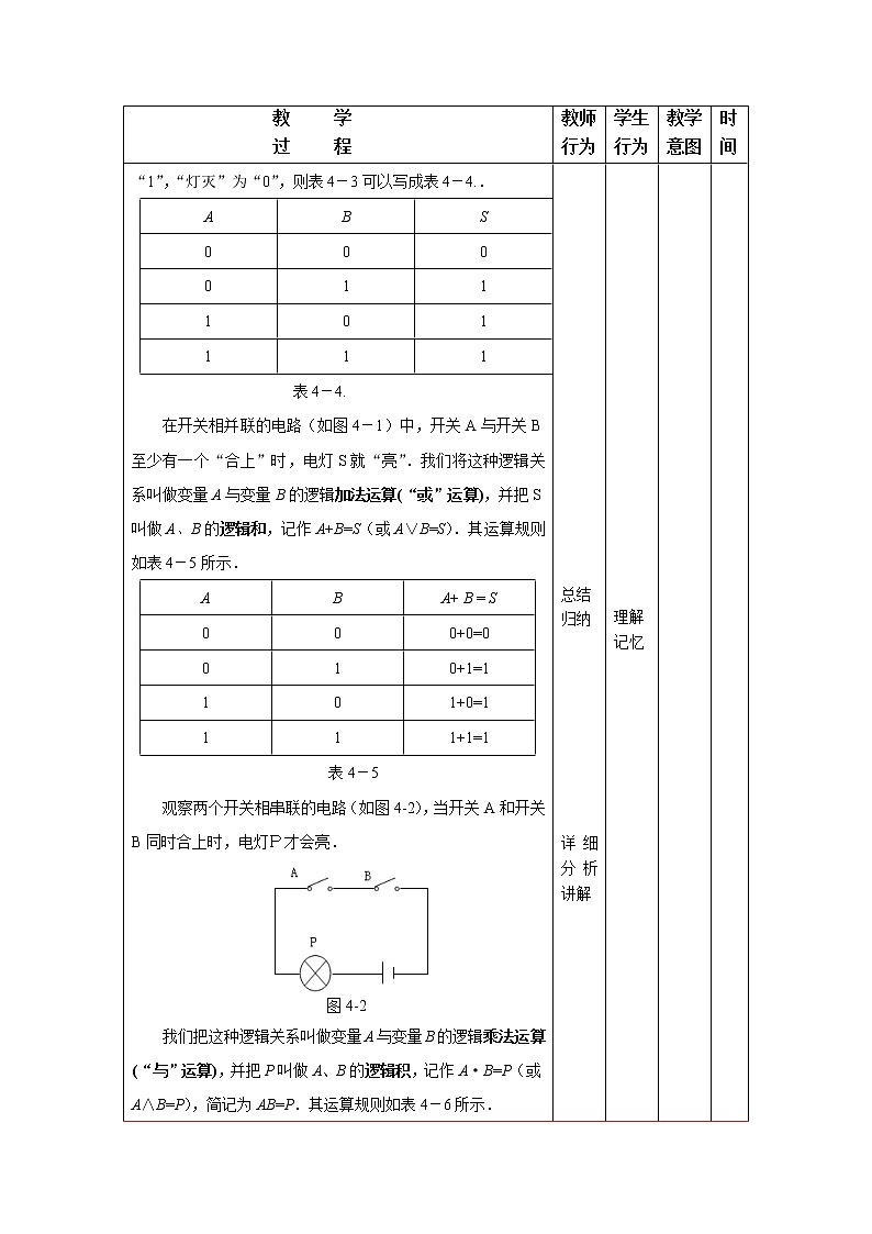
*动脑思考 探索新知 开关A、B与电灯S的状态都是逻辑变量,用大写字母A,B,C,…表示. 逻辑变量只能取值0和1.需要说明的是,这里的值“0”和“1”,不是数学中通常表示数学概念的0和1,而是表示两种对立的逻辑状态,称为逻辑常量.在具体问题中,可以规定一种状态为“0”,与它相反的状态为“1”. 规定开关“合上”为“1”,“断开”为“0”;“灯亮”为“1”,“灯灭”为“0”,则表4-3可以写成表4-4..
表4-4. 在开关相并联的电路(如图4-1)中,开关A与开关B至少有一个“合上”时,电灯S就“亮”.我们将这种逻辑关系叫做变量A与变量B的逻辑加法运算(“或”运算),并把S叫做A、B的逻辑和,记作A+B=S(或A∨B=S).其运算规则如表4-5所示.
表4-5 观察两个开关相串联的电路(如图4-2),当开关A和开关B同时合上时,电灯P才会亮. 我们把这种逻辑关系叫做变量A与变量B的逻辑乘法运算(“与”运算),并把P叫做A、B的逻辑积,记作A·B=P(或A∧B=P),简记为AB=P.其运算规则如表4-6所示.
表4-6 观察开关与电灯相并联的电路(如图4-3).当开关A合上时,电灯灭;当开关A断开时,电灯亮. 我们把这种逻辑关系叫做变量A的逻辑非运算,并把D叫做A的逻辑非,记作.其运算规则如表4-7所示.
表4-7 【注意】 这里的意思是“非0”,既然不为0,那么只能是1.同样,的意思是“非1”,只能是0. |
详细分析讲解
总结 归纳
详细分析讲解
总结 归纳
详细分析讲解
|
思考
理解 记忆
观察
思考 理解 记忆
|
带领 学生 总结
|
25 | |||||||||||||||||||||||||||||||||||||||||||||||||||||||||||||||||||||||||||
*运用知识 强化练习 1.填表:
2.填表:
|
提问 巡视 指导
|
动手 求解
|
及时 了解 学生 知识 掌握 情况 |
35 | |||||||||||||||||||||||||||||||||||||||||||||||||||||||||||||||||||||||||||
*动脑思考 探索新知 由常量1、0以及逻辑变量经逻辑运算构成的式子叫做逻辑代数式,简称逻辑式.例如 A+B,AB,AB+ ,A,1,0 等都是逻辑式.这里我们把表示常量的1和0及单个变量都看作是逻辑式. 逻辑运算的优先次序依次为“非运算”,“乘运算”,“加运算”.比如D=B+C的运算顺序应为:先计算,再计算B,最后计算B+C.对于添加括号的逻辑式,首先要进行括号内的运算. 【想一想】 逻辑代数式与普通代数式有什么异同? 将各逻辑变量取定的一组值代入逻辑式,经过运算,可以得到逻辑式的一个值(0或1).例如 当A = B = 0时,有 当A = 0,B = 1时,有 列出A,B的一切可能取值与相应的逻辑式值的表,叫做逻辑式的真值表.例如,表4-8就是 的真值表.
表4-8 【注意】 真值表必须列出逻辑变量所有可能取值所对应的函数值.两个逻辑变量有种可能取值,三个逻辑变量有种可能取值,…,n个逻辑变量有种可能取值. 如果对于变量A、B、C的任何一组取值,两个逻辑式的值都相同,这样的两个逻辑式叫做等值逻辑式,等值逻辑式可用等号“=”连接,并称为等式,如(A+B)C=AC+BC.需要注意,这种相等是状态的相同. |
详细分析讲解
总结 归纳
分析讲解
|
思考
理解 记忆
理解 记忆
|
带领 学生 总结
|
50 | |||||||||||||||||||||||||||||||||||||||||||||||||||||||||||||||||||||||||||
*巩固知识 典型例题 例1 用真值表验证下列等式: (1) (2) 分析 真值表的行数取决于逻辑变量的个数,题目中有两个逻辑变量,真值表有四行. 解(1)列出真值表:
可以看出对于逻辑变量的任何一组值,与的值都相同,所以 (2)列出真值表
可以看出对于逻辑变量的任何一组值,与的值都相同,所以 例2 如图4-4所示,开关电路中的灯D的状态,能否用开关A,B,C的逻辑运算来表示?试给出结果. 分析 这个电路是开关A,B,C相并联的电路,三个开关中至少有一个“合上”时,电灯D就亮,所以使用逻辑加法. 解 D=A+B+C . |
引领
讲解 说明
讲解 说明
引领
讲解 说明
|
观察
思考
主动 求解
主动 求解
思考 主动 求解 |
通过 例题 进一 步领 会
|
60 | |||||||||||||||||||||||||||||||||||||||||||||||||||||||||||||||||||||||||||
*运用知识 强化练习 用真值表验证等式. |
提问 巡视 指导 |
动手 求解
| 了解 学生 知识 掌握 |
65 | |||||||||||||||||||||||||||||||||||||||||||||||||||||||||||||||||||||||||||
*理论升华 整体建构 思考并回答下面的问题: 本课学习的三种逻辑关系分别是什么? 结论: 逻辑和 逻辑积 逻辑非 |
质疑
强调 |
回答
强化 |
师生共同归纳强调重点 |
75 | |||||||||||||||||||||||||||||||||||||||||||||||||||||||||||||||||||||||||||
*归纳小结 强化思想 本次课学了哪些内容?重点和难点各是什么? |
引导 |
回忆 |
|
80 | |||||||||||||||||||||||||||||||||||||||||||||||||||||||||||||||||||||||||||
*自我反思 目标检测 本次课采用了怎样的学习方法?你是如何进行学习的?你的学习效果如何? 用真值表验证等式 . |
提问
巡视 指导 |
反思
动手 求解 |
检验 学习 效果
|
85 | |||||||||||||||||||||||||||||||||||||||||||||||||||||||||||||||||||||||||||
*继续探索 活动探究 (1)读书部分:教材 (2)书面作业:教材习题4.2(必做);学习与训练训练题4.2(选做) (3)实践调查:用开关的逻辑运算表示一简单电路 |
说明 |
记录 |
分层次要求 |
90 |
【教师教学后记】
项目 | 反思点 |
学生知识、技能的掌握情况 | 学生是否真正理解有关知识; 是否能利用知识、技能解决问题; 在知识、技能的掌握上存在哪些问题; |
学生的情感态度 | 学生是否参与有关活动; 在教学活动中,是否认真、积极、自信; 遇到困难时,是否愿意通过自己的努力加以克服; |
学生思维情况 | 学生是否积极思考; 思维是否有条理、灵活; 是否能提出新的想法; 是否自觉地进行反思; |
学生合作交流的情况 | 学生是否善于与人合作; 在交流中,是否积极表达; 是否善于倾听别人的意见; |
学生实践的情况 | 学生是否愿意开展实践; 能否根据问题合理地进行实践; 在实践中能否积极思考; 能否有意识的反思实践过程的方面; |
高教版(2021)基础模块上册4.2 弧度制课堂教学课件ppt: 这是一份高教版(2021)基础模块上册4.2 弧度制课堂教学课件ppt,共36页。PPT课件主要包含了情境导入,探索新知,例题辨析,巩固练习,归纳总结,布置作业,周长为2πcm,周长为4πcm,周长为10πcm等内容,欢迎下载使用。
数学职业模块 财经、商贸与服务类1.1.2 逻辑联结词一等奖课件ppt: 这是一份数学职业模块 财经、商贸与服务类1.1.2 逻辑联结词一等奖课件ppt,文件包含11命题逻辑课件-高二下学期高教版中职数学职业模块财经商务与服务第一章命题逻辑与条件判断pptx、11命题逻辑教案-高二下学期高教版中职数学职业模块财经商务与服务第一章命题逻辑与条件判断docx等2份课件配套教学资源,其中PPT共16页, 欢迎下载使用。
高教版(中职)职业模块 工科类4.3.2 逻辑代数的运算律精品ppt课件: 这是一份高教版(中职)职业模块 工科类4.3.2 逻辑代数的运算律精品ppt课件,文件包含43逻辑图与逻辑代数的运算律课件-高二下学期高教版中职数学职业模块工科类ppt、43逻辑图与逻辑代数的运算律教案-高二下学期高教版中职数学职业模块工科类doc等2份课件配套教学资源,其中PPT共14页, 欢迎下载使用。

