物理苏科版第六章 物质的物理属性综合与测试课时练习
展开
这是一份物理苏科版第六章 物质的物理属性综合与测试课时练习,共6页。试卷主要包含了 质量为0, 一张课桌质量约为,08 t D等内容,欢迎下载使用。
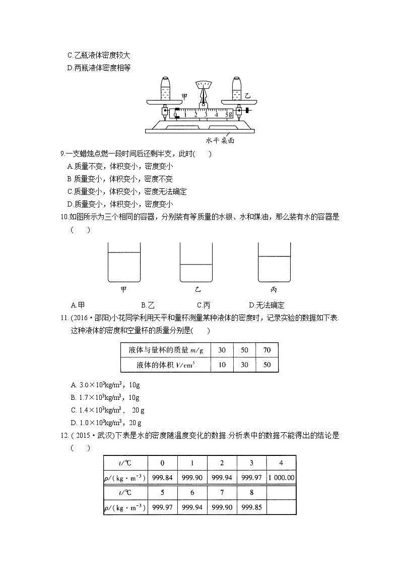
第六章《物质的物理属性》单元复习检测1.(2016·钦州)小兰同学用天平测物体的质量,调节横梁平衡时,应将游码移至标尺的 处,调节天平平衡后,进行如图甲所示的操作,其中操作错误的是 .改正错误后,小兰用正确的方法称物体的质量,天平平衡时,盘中只有20 g砝码一个,游码的位置如图乙所示,则被测物体的质量为 g.2.现有①花生油、②铅笔芯、③水银、④塑料盒、⑤铜钥匙等物品,其中属于导体的是 ,常温常压下属于液体的有 .(均填序号)3.为了测量某种金属块的密度,首先用天平测量金属块的质量.当天平平衡时,放在右盘中的砝码和游码的位置如图所示,则金属块的质量为 g,然后用量筒测得金属块的体积为5 cm3,则该金属块的密度为 kg/m3.若将该金属块截去一半后,则剩余金属块的密度将 (填“变大”“变小”或 “不变”).4. ( 2016·安徽)2016年5月,科学家又发现了9颗位于宜居带(适合生命存在的区域)的行星.若宜居带中某颗行星的质量约为地球的6倍,体积约为地球的8倍,则它的密度与地球的密度之比约为 (行星与地球均看成质量均匀分布的球体).5. ( 2015·东营)质量为0. 5 kg的空瓶,装满水后的总质量为2.0 kg,装满某种液体后的总质量为1.7 kg,此液体密度为 kg/m3.(ρ水=1.0×103kg/m3 )6. ( 2015·汕尾)一个容器的质量为200 g,装满水时总质量是700 g,装满某种液体时总质量是600 g,这个容器的容积是 cm3,此液体的密度是 kg/ m3.若将容器中的液体倒掉一部分,则剩余液体的密度将 (填“变大”“变小”或“不变”).7. ( 20l 5·黔西南)一张课桌质量约为( ) A. 800 g B. 8 kg C. 0.08 t D. 8 000 mg8. ( 2015·广州)规格相同的瓶子装了不同的液体,放在横梁已平衡的天平上,如图所示,则( )A.甲瓶液体质量较大B.乙瓶液体质量较大C.乙瓶液体密度较大D.两瓶液体密度相等9.一支蜡烛点燃一段时间后还剩半支,此时( ) A.质量不变,体积变小,密度变小 B质量变小,体积变小,密度不变 C.质量变小,体积变小,密度无法确定 D.质量变小,体积变小,密度变小10.如图所示为三个相同的容器,分别装有等质量的水银、水和煤油,那么装有水的容器是( )A.甲 B.乙 C.丙 D.无法确定11. (2016·邵阳)小花同学利用天平和量杯测量某种液体的密度时,记录实验的数据如下表.这种液体的密度和空量杯的质量分别是( ) A. 3.0×103kg/m3,10g B. 1.7×103kg/m3,10g C. 1.4×103kg/m3 , 20 g D. 1.0×103kg/m3,20 g12. ( 2015·武汉)下表是水的密度随温度变化的数据.分析表中的数据不能得出的结论是( ) A.水凝固成冰时体积会变大 B.水在4℃时密度最大 C.温度高于4℃时,随着温度的升高,水的密度越来越小 D.温度低于4℃时,随着温度的降低,水的密度越来越小13. ( 2015·临沂)下列关于物质的物理性质及其应用的说法,正确的是( ) A.电线外层用塑料,是因为塑料具有良好的绝缘性 B.用橡胶做汽车的轮胎,是因为橡胶的硬度大 C.玻璃刀的刀刃用金刚石,是因为金刚石的弹性好 D.铝铲的把手用胶木,是因为胶木的导热性好14.体积相等的冰和水的质量之比是 ,一块冰的体积跟它完全熔化成水的体积之比是 .(已知ρ冰=0.9×103kg/m3,ρ水=1.0×103kg/m3)15. ( 2015·安顺)某同学分别测量了三块橡皮泥的质量和体积,并根据测量数据画出如图所示的图像,橡皮泥的密度是 g/cm3.若另一块同种橡皮泥的体积为20 cm3,其质量是 g.16. (2015·常州)小明测量食用油密度步骤如下:①将天平放在水平桌面上,游码归零,指针静止时指向分度盘中央刻度线左侧,此时应将平衡螺母向 (填“左”或“右”)调节;②天平调好后,在质量为20 g的空烧杯内倒入适量油,测得烧杯和油的总质量为39 g;③将烧杯内的油倒入量筒,读出量筒内油的体积为20 mL.则测得油的密度为 g/cm3.按此方法测得油的密度 (填“大于”“小于”或“等于”)油真实的密度.17.加油站运输油的油罐车油罐容积为40 m3.为了知道所运输油的质量,从罐中取出80 g的样品倒入量筒中,测出样品体积为100 mL,则所运油的密度为 kg/m3,装满后所运油的质量为 t.18.在“探究同种物质的质量和体积关系”的实验中,小明对A、B两种物质进行探究.他对实验数据进行处理,得到了如图所示的图像,由图像得到的信息可知,同种物质的质量和体积具有 关系;A 、B两种物质中, 物质的密度较大.19.下表列出由实验测定的几种物质的密度(单位为kg/ m3). 认真阅读上表,你一定能从中发现物质密度的一些规律,请写出三点. (1) (2) (3) 20. (2016·烟台)如图所示的是a、b两种物质的质量m与体积V的关系图像.由图像可知,a、b两种物质的密度ρa、ρb和水的密度ρ水之间的关系是( )A. ρb >ρ水>ρa B. ρb >ρa > ρ水 C. ρ水>ρa >ρb D. ρa >ρ水>ρb21.如图所示,甲、乙、丙是三个完全相同的圆柱形容器,将质量相等的酒精、硫酸和盐水分别装在这三个容器中,根据下表给出的密度值,判断甲、乙、丙三个容器依次装的液体分别是( )A.硫酸、盐水、酒精 B.盐水、酒精、硫酸C.酒精、硫酸、盐水 D.硫酸、酒精、盐水22.社会上食品造假事件时有发生.小明的奶奶从自由市场上购买了一箱牛奶,小明想知道牛奶是否掺水.通过查阅资料得知,在牛奶中掺水后,掺水含量与牛奶密度的关系如下表所示.小明取100 mL这种牛奶,测得它的质量为102.2 g,则这种牛奶( ) A.未掺水 B.掺水含量在20%以下 C.掺水含量为20%-30% D.掺水含量在30%以上23.工厂生产的酒精含水量不得超过10%(按质量计算),质检员抽出甲、乙、丙、丁四瓶样本,测得它们的密度分别为0.81 g/cm3、0.815 g/cm3、0.82 g/cm3、0.83 g/cm3,其中合格的产品是(ρ酒精=0.8 g/cm3 ) ( ) A.只有甲 B.甲、乙 C.甲、乙、丙 D.甲、乙、丙、丁24. ( 2016·淮安)小明想通过实验来测定一只金属螺母的密度.(1)将天平放在水平台面上,游码移到标尺左端“0”刻度线处,观察到指针指在分度盘上的位置如图甲所示,此时应将平衡螺母向 调节,使指针对准分度盘中央的刻度线.(2)用调节好的天平测量金属螺母的质量,天平平衡时所用砝码和游码在标尺上的位置如图乙所示,则金属螺母质量为 g.(3)将用细线系住的金属螺母放入装有30 mL水的量筒内,量筒内水面如图丙所示,则金属螺母的体积为 cm3 .(4)金属螺母的密度为 g/cm3.25.一只空心的铜球的质量为178 g,体积为30 cm3铜的密度为8.9×103 kg/m3). (1)求这只铜球空心部分的体积; (2)小华同学在此球的空心部分注满某种液体后,总质量变为314 g,求所注入的液体的密度. 26. (2015·台州)在实验条件受限制的情况下,创造性地设计实验能解决一些实际问题. 小柯测量食盐水密度,能找到的器材有:两个相同的透明杯子、清水(ρ水=1g/cm3)、食盐水、记号笔和托盘天平.因为没有量筒,液体体积无法直接测量,小柯想到借助于V食盐水=V水的方法,用天平测得m1=52.0 g、m2 = 132.0 g 、m3 = 141.6 g,利用三个数据完成了食盐水密度的测量.他的测量过程与方法如图所示.结合实验图可知ρ食盐水= g/cm3. 参考答案1.零刻度线 砝码与物体位置放反了 23.22.②③⑤ ①③3. 39 7.8×103 不变4. 3:45. 0.8×1036. 500 0.8×103 不变7.B 8.C 9.B 10.C 11.D 12.A 13.A14. 9:10 10:915. 2 4016. 右 0.95 大于17. 0.8×103 3218. 正比 419. (1)固、液体的密度都大于气体的密度(2)同种物质不同状态密度不同,如水和冰(3)密度相同的可能是不同物质,如煤油、酒精(4)固体的密度一般大于液体的密度,水银例外(任选三点,其他答案合理即可)20. D 21. D 22. C 23.B24.(1)左 (2) 63.2 (3)8 (4)7.925.(1)10 cm (2)13.6×103 kg/m326. 1.12
相关试卷
这是一份初中物理苏科版八年级下册第六章 物质的物理属性综合与测试测试题,共6页。试卷主要包含了选择题,填空题,解答题等内容,欢迎下载使用。
这是一份初中物理苏科版八年级下册第六章 物质的物理属性综合与测试随堂练习题,共8页。试卷主要包含了 2 g,标尺的最大示数为5g,5 g作为被测物体的质量, 8 g,6×103 kg/m3,9×103 kg/m3)等内容,欢迎下载使用。
这是一份初中物理苏科版八年级下册第六章 物质的物理属性综合与测试课堂检测,共31页。试卷主要包含了单选题,填空题,实验探究题,解答题等内容,欢迎下载使用。

