- 5.4.1 查找的概念、顺序查找的思想及程序实现 教学设计 教案 12 次下载
- 5.4.2 二分查找算法的思想 教学设计 教案 13 次下载
- 5.4.4 查找算法的应用 教学设计 教案 12 次下载
- 6.1 实时查询系统中数据的组织 教学设计 教案 12 次下载
- 6.2 POI数据的组织与应用 教学设计 教案 12 次下载
高中信息技术浙教版 (2019)选修1 数据与数据结构5.4 数据查找教学设计
展开二分查找算法的程序实现教学设计
课程标准 和 教学目标 | 二分查找算法的程序实现 | |||
教材内容:5.4查找 之 二分查找算法的程序实现 | ||||
适应的课程标准: 1.7 通过实现数据的排序和查找,体验迭代和递归的方法,理解算法与数据结构的关系。 法。 | ||||
教学目标: ●掌握常用的二分查找的基本程序结构。 ●能够编程实现二分查找。
| 信息意识:学生能够结合生活中的实例描述数据的内涵与外延,有意识地选择恰当的数据结构表达数据的逻辑关系。 计算思维:能够从数据结构的视角审视基于数组、链表的程序,解释程序中数据的组织形式,描述数据的逻辑结构及其操作,评判其中数据结构运用的合理性;能够针对限定条件的实际问题进行数据抽象,运用数据结构合理组织、存储数据,选择合适的算法(排序、查找、迭代、递归)编程实现、解决问题。 数字化学习与创新:要使学生能够较为熟练地运用数据结构解决生活中的真实问题,并在此过程中自主或协作探究;能够评估常见的数字化资源与工具对学习数据结构的价值,根据需要合理选择。 信息社会责任:能够分析数据与社会各领域间的关系,自觉遵守相应的伦理道德和法律法规。
| |||
学习环境:有教学控制软件的多媒体机房,python编程环境。 | ||||
建议课时:1课时 | ||||
教学活动设计 | 教学环节 | 教学过程 | 设计意图 | |
情境导入 | 回顾一个对具体数据进行查找的基本过程。
| 巩固旧知,联系新知。 | ||
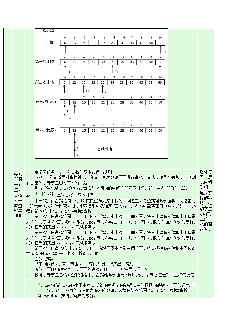
学习任务一:二分查找的基本过程与规则 | ●学习任务一:二分查找的基本过程与规则 问题:二分查找是对查找键key在n个有序数据里面进行查找,查找过程是否有规则,规则在哪里?引导学生思考并回答问题。 引导学生总结:查找键key每次和区间内的中间位置元素进行比较,中点位置的计算: m=,每次查找的基本过程。 第一次,在查找范围(i,j)内的递增元素中找到中间位置,将查找键key值和中间位置为5的元素d[5]进行比较,根据比较结果可以确定:在(m,j)内不可能存在值为key的数据,必须在新的范围(i,m-1)中继续查找; 第二次,在查找范围(i,m-1)内的递增元素中找到中间位置,将查找键key值和中间位置为2的元素d[2]进行比较,根据比较结果可以确定:在(m,j)内不可能存在值为key的数据,必须在新的范围(i,m-1)中继续查找; 第三次,在查找范围(i,m-1)内的递增元素中找到中间位置,将查找键key值和中间位置为0的元素d[0]进行比较,根据比较结果可以确定:在(i,m)内不可能存在值为key的数据,必须在新的范围(m+1,j)中继续查找; 第四次,在查找范围(m+1,j)内的递增元素中找到中间位置,将查找键key值和中间位置为d[1]的元素12进行比较,找到key值。 查找完成。 以中间位置m、查找范围i、j变化为例,提炼出一般规则: 设问:再仔细观察某一次里面的查找过程,这种方法是否通用? 教师引导学生总结:查找过程中,查找键key值与d[m]比较,结果必然是如下三种情况之一: ① key<d[m] 查找键小于中点d[m]处的数据。由数组d中的数据的递增性,可以确定:在(m,j)内不可能存在值为key的数据,必须在新的范围(i,m-1)中继续查找。 ② key=d[m] 找到了需要的数据。 ③ key>d[m] 由于与①相同的理由,必须在新的范围(m+1,j)中继续查找。 这样,除了出现情况②,在通过一次比较后,新的查找范围将不超过上一次查找范围的一半。 教师引导学生用流程图来描述这个过程:
| 设计意图:按照由粗到细、逐步求精的策略,推动学生加深对二分查找的深认识。 | ||
学习任务二:二分查找的程序实现 | ●学习任务二:二分查找的程序实现 1. 研究二分查找的第一次查找的程序实现 仍以这些数据为例,回顾二分查找第一次的查找过程: 二分查找算法对数组d的第一次查找过程 设问:经过第一次查找,key和d[m]的比较会出现几种情况?如何使用程序实现? i、j代表数组元素的下标,i从0开始增大,j从length-1开始减小,i能否大于j?为什么? 2. 设计算法实现二分查找 设问:上一步中,我们编写了第一次查找的程序代码,如何修改一下,完成整个查找过程?
3. 学生动手编写二分查找的程序实现 4.二分查找延伸 二分查找过程可用一棵二叉树来描述,树中的每个根结点对应当前查找区间的中点元素,它的左子树和右子树分别对应该区间的左子表和右子表,如下图所示。通常把此树称为二分查找的判定树。 二分查找的判定树实例 在有序表上二分查找一个关键字等于key的元素时,对应着判定树中从根结点到待查结点的一条路径,同关键字进行比较的次数就等于该路径上的结点数,或者说等于待查结点的层数。如上例中,查找key为12的元素时,从根结点到待查结点的一条路径为25→15→6→12,比较次数为4次。通过观察可知,在n个元素排序的顺序表里,某一次查找过程中,所做比较次数不超过判定树的高度加1,即。 由于二分查找在有序表上进行,所以其对应的判定树就是一棵二叉排序树。 | 设计意图:从第一次查找的实现中可以发现规律,进而引导学生概括出全部算法过程。
设计意图:重点在于第一次查找过程,这个过程清楚了,那么对于后面的查找,遵循同样的规则,以此类推,即可实现对数据的查找。此处在于引导学生意识到什么时候查找结束:找到key值或者是当i大于j的时候,其实已经把整个数组全都找遍了。 设计意图:由第一次查找的代码,概括出查找的规律,是一种抽象思维的过程,最后将整个过程,进一步概括出一个循环和判断的程序结构,这是一个难点。可以多花些时间,鼓励学生多思考、多动手、多验证。
| ||
拓展学习
| 二分查找算法中,有序数组是递增排序和递减排序在程序实现时有何区别? 若查找对象采用链表结构,能否适用二分查找? 二分查找算法的递归实现?
| 设计意图:根据学生的不同层次水平设置相应的教学任务。 | ||
课堂小结 | 知识梳理: 1. 二分查找算法的基本过程和结构; 2. 二分查找算法的程序实现。
| 二分查找算法的程序实现是难点,课后作业提供了相应练习。 | ||
作业布置 | 基础作业(面向所有学生): 思考教材“问题与讨论”:若查找对象采用链表结构,能否适用二分查找? | 课后作业是课堂学习的延伸,是巩固和升华知识点的有效途径。 | ||
教学设计思路 | 首先,引导学生回顾旧知,与前面所学的二分查找基本思想与方法建立联系,学生可以较熟悉地对若干个数据进行二分查找。 其次,引导学生能够从抽象的角度概括出二分查找的基本规则,并能以合适的数字化学习工具呈现出其每次查找的基本过程。 再次,在学生有了一定认知基础上,可以引入自然语言、流程图,帮助学生理解二分查找的基本程序结构,从而实现对程序实现这个难点的突破。 本节主要内容为查找算法的核心模块。
| |||
针对 核心素养培养的 设计考虑 | 本节侧重于计算思维的训练。程序语言是表达算法思想的工具,为了实现二分查找,在数据组织形式上选择较为简单的整数,并从中概括出二分查找的基本过程和算法步骤。这是一个逐步求精的过程。为了照顾普通学生的需要,可以从分析二分查找的第一次查找入手,然后再就其程序实现进行展开,这是一个由抽象到具体的过程;然后再从第一次查找的实现,推广到查找结束,这是一个思维泛化的过程;再由此出发,抽象出二分查找的整体程序结构,并通过简洁的代码实现,提炼出了二分查找的基本算法。这个基本过程,是一种思维螺旋式上升的提升过程,较好地实现了教学意图。
| |||
浙教版 (2019)选修1 数据与数据结构5.4 数据查找教学设计及反思: 这是一份浙教版 (2019)选修1 数据与数据结构5.4 数据查找教学设计及反思,共2页。
浙教版 (2019)选修1 数据与数据结构5.4 数据查找教学设计: 这是一份浙教版 (2019)选修1 数据与数据结构5.4 数据查找教学设计,共7页。
浙教版 (2019)选修1 数据与数据结构5.4 数据查找教学设计: 这是一份浙教版 (2019)选修1 数据与数据结构5.4 数据查找教学设计,共3页。

