高中物理粤教版 (2019)选择性必修 第二册第一节 感应电流的方向导学案
展开课时1 实验:探究影响感应电流方向的因素
[学习目标] 1.通过实验探究电流计指针的偏转方向与感应电流方向之间的关系.2.通过实验探究感应电流的方向与磁通量的变化之间的关系.
一、实验原理
1.由电流计指针偏转方向与电流方向的关系,找出感应电流的方向.
2.通过实验,观察、分析原磁场方向和磁通量的变化,记录感应电流的方向,然后归纳出感应电流的方向与原磁场方向、原磁通量变化之间的关系.
二、实验器材
条形磁铁,螺线管,电流计,导线若干,滑动变阻器,开关,干电池,电池盒.
三、实验过程
1.探究电流计指针的偏转方向和电流方向之间的关系.
实验电路如图1甲、乙所示:
图1
结论:电流从哪一侧接线柱流入,指针就向哪一侧偏转,即左进左偏,右进右偏.(指针偏转方向应由实验得出,并非所有电流计都是这样的)
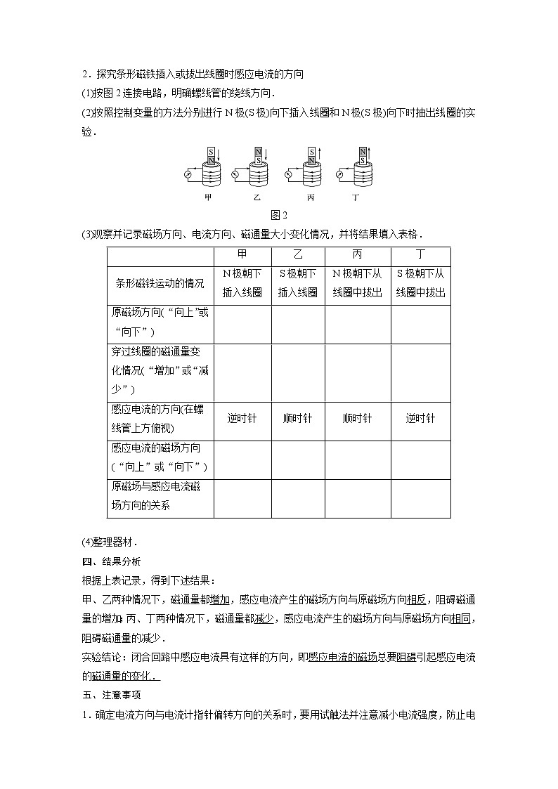
2.探究条形磁铁插入或拔出线圈时感应电流的方向
(1)按图2连接电路,明确螺线管的绕线方向.
(2)按照控制变量的方法分别进行N极(S极)向下插入线圈和N极(S极)向下时抽出线圈的实验.
图2
(3)观察并记录磁场方向、电流方向、磁通量大小变化情况,并将结果填入表格.
(4)整理器材.
四、结果分析
根据上表记录,得到下述结果:
甲、乙两种情况下,磁通量都增加,感应电流产生的磁场方向与原磁场方向相反,阻碍磁通量的增加;丙、丁两种情况下,磁通量都减少,感应电流产生的磁场方向与原磁场方向相同,阻碍磁通量的减少.
实验结论:闭合回路中感应电流具有这样的方向,即感应电流的磁场总要阻碍引起感应电流的磁通量的变化.
五、注意事项
1.确定电流方向与电流计指针偏转方向的关系时,要用试触法并注意减小电流强度,防止电流过大或通电时间过长损坏电流计.
2.电流计选用零刻度在中间的灵敏电流计.
3.实验前设计好表格,并明确线圈的绕线方向.
4.按照控制变量的思想进行实验.
5.完成一种操作后,等电流计指针回零后再进行下一步操作.
有一灵敏电流计,当电流从它的正接线柱流入时,指针向正接线柱一侧偏转.现把它与一个线圈串联,将磁铁从线圈上方插入或拔出,如图3所示.请完成下列填空:
图3
(1)图甲中灵敏电流计指针的偏转方向为________.(填“偏向正接线柱”或“偏向负接线柱”)
(2)图乙中磁铁下方的极性是________.(填“N极”或“S极”)
(3)图丙中磁铁的运动方向是________.(填“向上”或“向下”)
(4)图丁中线圈从上向下看的电流方向是________.(填“顺时针”或“逆时针”)
答案 (1)偏向正接线柱 (2)S极 (3)向上 (4)逆时针
解析 (1)由题图甲可知,磁铁向下运动,穿过线圈的磁通量增加,原磁场方向向下,则线圈中感应电流产生的磁场方向向上,则线圈中感应电流方向(从上向下看)为逆时针方向,即电流从正接线柱流入电流计,指针偏向正接线柱.
(2)由题图乙可知,电流从负接线柱流入电流计,即线圈中感应电流方向(从上向下看)为顺时针方向,根据安培定则,感应电流的磁场方向向下,又知原磁场穿过线圈的磁通量增加,则原磁场方向向上,故磁铁下方的极性为S极.
(3)由题图丙可知,原磁场方向向下,电流从负接线柱流入电流计,根据安培定则,感应电流产生的磁场方向向下,则可知原磁场穿过线圈的磁通量减小,磁铁向上运动.
(4)由题图丁可知,磁铁向上运动,穿过线圈的磁通量减小,原磁场方向向上,则可知感应电流产生的磁场方向上,感应电流方向(从上向下看)为逆时针方向.
现将电池组、滑动变阻器、带铁芯的线圈A、线圈B、电流表及开关按图4所示连接,在保持开关闭合、线圈A放在线圈B中的情况下.某同学发现当他将滑动变阻器的滑片P向左加速滑动时,电流表指针向右偏转.由此可以推断( )
图4
A.线圈A向上移动或滑动变阻器的滑片P向右加速滑动,都能引起电流表指针向左偏转
B.线圈A向上移动或断开开关,都能引起电流表指针向右偏转
C.滑动变阻器的滑片P匀速向左或匀速向右滑动,都能使电流表指针静止在中央
D.因为线圈A、线圈B的绕线方向未知,所以无法判断电流表指针偏转的方向
答案 B
解析 线圈A向上移动或断开开关时,穿过线圈B的磁通量减少,电流表指针向右偏转,故A错误,B正确;P匀速向左滑动时穿过线圈B的磁通量减少,电流表指针向右偏转,P匀速向右滑动时穿过线圈B的磁通量增加,电流表指针向左偏转,故C错误;由以上分析可知,D错误.
1.某同学用如图5所示的实验器材探究电磁感应现象.他连接好电路并检查无误后,闭合开关的瞬间观察到电流表指针向右偏转.开关闭合后,他将滑动变阻器的滑片P向E端快速移动,电流表指针将________.(选填“左偏”“右偏”或“不偏”)
图5
答案 左偏
解析 闭合开关的瞬间,穿过线圈B的磁通量增加,电流表指针向右偏转,这说明线圈B磁通量增加,指针向右偏;开关闭合后,将滑动变阻器的滑片P向E端快速移动,穿过线圈B的磁通量减少,电流表指针将向左偏转.
2.如图6所示是“探究影响感应电流方向的因素”的实验装置.
图6
(1)将图中所缺导线补充完整.
(2)如果在闭合开关时发现灵敏电流计的指针向右偏了一下,那么合上开关后,将A线圈迅速插入B线圈中,电流计指针将________(填“向左偏”或“向右偏”),A线圈插入B线圈后,将滑动变阻器滑片迅速向左移动时,电流计指针将________(填“向左偏”或“向右偏”).
(3)在灵敏电流计所在的电路中,为电路提供电流的是________(填图中仪器的字母).
答案 (1)见解析图 (2)向右偏 向左偏 (3)B
解析 (1)将线圈B和灵敏电流计串联组成一个回路,将开关、滑动变阻器、电源、线圈A串联组成另一个回路即可,连接图如图所示.
(2)如果在闭合开关时发现灵敏电流计的指针向右偏了一下,说明穿过B线圈的磁通量增加,电流计指针向右偏.合上开关后,将A线圈迅速插入B线圈中时,穿过B线圈的磁通量增加,灵敏电流计指针将向右偏;A线圈插入B线圈后,将滑动变阻器滑片迅速向左移动时,A线圈中电流减小,穿过B线圈的磁通量减少,电流计指针将向左偏.
(3)在灵敏电流计所在的电路中,为电路提供电流的是线圈B.
3.在“探究感应电流的方向与哪些因素有关”的实验中,请完成下列实验步骤:
(1)为弄清灵敏电流表指针偏转方向与电流方向的关系,可以使用一个已知正负极的直流电源进行探究.某同学想到了多用电表内部某一挡,含有直流电源,他应选用多用电表的________(选填“欧姆”“直流电流”“直流电压”“交流电流”或“交流电压”)挡,对灵敏电流表进行测试,由实验可知当电流从正接线柱流入电流表时,指针向右摆动.
(2)该同学先将多用电表的红表笔接灵敏电流表的正接线柱,再将黑表笔________(选填“短暂”或“持续”)接灵敏电流表的负接线柱,若灵敏电流表的指针向左摆动,说明电流是由电流表的________(选填“正”或“负”)接线柱流入灵敏电流表的.
(3)实验中该同学将磁铁某极向下从线圈上方插入线圈时,发现电流表的指针向右偏转,请在图7中用箭头画出线圈电流方向并用字母N、S标出磁铁的极性.
图7
答案 (1)欧姆 (2)短暂 负 (3)见解析图
解析 (1)用多用电表的欧姆挡时,内部电路含有直流电源.
(2)灵敏电流表量程太小,欧姆表内部电源电压相对偏大,电流超过电流表量程,长时间超量程通电会损坏电流表;欧姆表红表笔连接着电源的负极,灵敏电流表的指针向左摆动,说明电流从电流表的负接线柱流入.
(3)电流表的指针向右偏转,说明电流从正接线柱进入电流表,感应电流的磁场方向向下,故原磁场方向向上,插入的是S极,如图所示.
甲
乙
丙
丁
条形磁铁运动的情况
N极朝下插入线圈
S极朝下插入线圈
N极朝下从线圈中拔出
S极朝下从线圈中拔出
原磁场方向(“向上”或“向下”)
穿过线圈的磁通量变化情况(“增加”或“减少”)
感应电流的方向(在螺线管上方俯视)
逆时针
顺时针
顺时针
逆时针
感应电流的磁场方向(“向上”或“向下”)
原磁场与感应电流磁场方向的关系
江苏版高考物理一轮复习第10章实验14探究影响感应电流方向的因素课时学案: 这是一份江苏版高考物理一轮复习第10章实验14探究影响感应电流方向的因素课时学案,共9页。
高中物理粤教版 (2019)选择性必修 第二册第一节 感应电流的方向第2课时学案设计: 这是一份高中物理粤教版 (2019)选择性必修 第二册第一节 感应电流的方向第2课时学案设计,共22页。
高中物理鲁科版 (2019)选择性必修 第二册第1节 科学探究:感应电流的方向优质第1课时导学案: 这是一份高中物理鲁科版 (2019)选择性必修 第二册第1节 科学探究:感应电流的方向优质第1课时导学案,共10页。学案主要包含了实验原理与设计,实验器材,实验步骤,数据处理,注意事项等内容,欢迎下载使用。

