所属成套资源:2022届高考物理二轮复习 物理实验专项练习(含解析)
2022届高考物理二轮复习 物理实验专项练习(4)探究弹簧弹力与形变量的关系 验证力的平行四边形定则
展开
这是一份2022届高考物理二轮复习 物理实验专项练习(4)探究弹簧弹力与形变量的关系 验证力的平行四边形定则,共15页。试卷主要包含了实验题等内容,欢迎下载使用。
(4)探究弹簧弹力与形变量的关系 验证力的平行四边形定则
一、实验题1.如图甲所示,用铁架台、弹簧和多个已知质量且相等的钩码探究在弹性限度内弹簧弹力与弹簧伸长量的关系。
(1)为完成实验,还需要的实验器材有________。
(2)实验中需要测量的物理量有_________。
(3)图乙是弹簧弹力F与弹簧伸长量x的图线,由此可求出弹簧的劲度系数为_________N/m。
(4)为完成该实验,设计的实验步骤如下:
A.以弹簧伸长量为横坐标,弹力为纵坐标,描出各组对应的点,并用平滑的曲线连接起来;
B.记下弹簧不挂钩码时其下端在刻度尺上的刻度;
C.将铁架台固定在桌子上,并将弹簧的一端系于横梁上,在弹簧附近竖直固定一把刻度尺;
D.依次在弹簧下端挂上1个、2个、3个、4个……钩码,并分别记下钩码静止时弹簧下端所对应的刻度,并记录在表格内,然后取下钩;
E.以弹簧伸长量为自变量,写出弹力与弹簧伸长量的关系式,首先尝试写成一次函数,如果不行,则考虑二次函数;
F.解释函数表达式中常数的物理意义;
G.整理仪器。
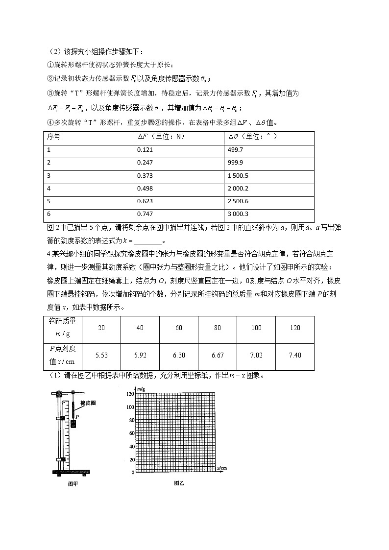
请将以上步骤按操作的先后顺序排列出来________。2.某同学用图(a)所示装置“探究弹力和弹簧伸长量的关系”。弹簧的上端固定在铁架台支架上,弹簧的下端固定一水平纸片(弹簧和纸片的重力均忽略不计),激光测距仪可测量地面至水平纸片的竖直距离h。(1)该同学在弹簧下端逐一增挂钩码,每增挂一个钩码,待弹簧_______时,记录所挂钩码的重力和对应的h。(2)根据实验记录数据作出h随弹簧弹力F变化的图线如图(b)所示,可得未挂钩码时水平纸片到地面的竖直距离_______cm,弹簧的劲度系数_______N/m。(结果均保留到小数点后一位)3.为测量弹簧劲度系数,某探究小组设计了如下实验,实验装置如图1所示,角度传感器与可转动的“T”形螺杆相连,“T”形螺杆上套有螺母,螺母上固定有一个力传感器,力传感器套在左右两个固定的套杆(图中未画出)上,弹簧的一端挂在力传感器下端挂钩上,另一端与铁架台底座的固定点相连。当角度传感器顶端转盘带动“T”形螺杆转动时,力传感器会随着“T”形螺杆旋转而上下平移,弹簧长度也随之发生变化。(1)已知“T”形螺杆的螺纹间距,当其旋转300°时,力传感器在竖直方向移动_______m(结果保留2位有效数字)。(2)该探究小组操作步骤如下:①旋转形螺杆使初状态弹簧长度大于原长;②记录初状态力传感器示数以及角度传感器示数;③旋转“T”形螺杆使弹簧长度增加,待稳定后,记录力传感器示数,其增加值为,以及角度传感器示数,其增加值为;④多次旋转“T”形螺杆,重复步骤③的操作,在表格中录多组、值。序号(单位:N)(单位:°)10.121499.720.247999.930.3731 500.540.4982 000.250.6232 500.660.7473 000.3图2中已描出5个点,请将剩余点在图中描出并连线;若图2中的直线斜率为a,则用写出弹簧的劲度系数的表达式为________。4.某兴趣小组的同学想探究橡皮圈中的张力与橡皮圈的形变量是否符合胡克定律,若符合胡克定律,则进一步测量其劲度系数(圈中张力与整圈形变量之比)。他们设计了如图甲所示的实验:橡皮圈上端固定在细绳套上,结点为O,刻度尺竖直固定在一边,0刻度与结点O水平对齐,橡皮圈下端悬挂钩码,依次增加钩码的个数,分别记录所挂钩码的总质量m和对应橡皮圈下端P的刻度值x,如表中数据所示。钩码质量20406080100120P点刻度值5.535.926.306.677.027.40(1)请在图乙中根据表中所给数据,充分利用坐标纸,作出图象。(2)作出图象后,同学们展开了讨论。甲同学认为:这条橡皮圈中的张力和橡皮圈的形变量基本符合胡克定律;乙同学认为:图线的斜率k即为橡皮圈的劲度系数;丙同学认为:橡皮圈中的张力并不等于所挂钩码的重力;……请参与同学们的讨论,并根据图乙确定:橡皮圈不拉伸时的总周长约为________cm,橡皮圈的劲度系数约为________N/m。(重力加速度g取,结果保留三位有效数字)(3)若实验中刻度尺的0刻度略高于橡皮筋上端结点O,则由实验数据得到的劲度系数将______(选填“偏小”“偏大”或“不受影响”);若实验中刻度尺没有完全竖直,而读数时视线保持水平,则由实验数据得到的劲度系数将_______(选填“偏小”“偏大”或“不受影响”)。5.某同学和你一起探究弹力和弹簧伸长的关系,并测弹簧的劲度系数k。做法是:先将待测弹簧的一端固定在铁架台上,然后将最小刻度是毫米的刻度尺竖直放在弹簧一侧,并使弹簧另一端的指针恰好落在刻度尺上;当弹簧自然下垂时,指针指示的刻度数值记作;弹簧下端挂一个50 g的砝码时,指针指示的刻度数值记作;弹簧下端挂两个50 g的砝码时,指针指示的刻度数值记作;弹簧下端挂七个50 g的砝码时,指针指示的刻度数值记作。
(1)下表记录的是该同学已测出的6个值,其中有一个数值在记录时有误,它的代表符号是________。
测量记录表:代表符号刻度数值/cm1.703.405.10 8.6010.312.10 (2)实验中,和两个值还没有测定,请你根据上图将这两个测量值填入记录表中。
(3)为充分利用测量数据,该同学将所测得的数值按如下方法逐一求差,分别计算出了三个差值:,。请你给出第四个差值:______=___________cm。
(4)根据以上差值,可以求出每增加50 g砝码弹簧的平均伸长量用表示的式子为________,代入数据解得_______cm。
(5)弹簧的劲度系数________N/m。6.某研究性学习小组的同学设计实验探究轻质弹簧的相关特性。(1)如图甲所示,将弹簧悬挂在铁架台上,保持弹簧轴线竖直,将刻度尺竖直固定在弹簧一侧;弹簧自然悬挂,待弹簧静止时,记下弹簧长度,弹簧下端挂上钩码时,弹簧长度记为;每次增加一个质量为25 g的钩码,弹簧长度依次记为至。图乙是实验小组根据测得的数据所作的图象,纵轴是所加砝码的质量,横轴是弹簧长度与_______(填“”“”或“”)的差值,由图乙可知弹簧的劲度系数为_______N/m。(重力加速度g取)
(2)学习小组利用如图丙所示实验装置研究此弹簧的弹性势能。将此弹簧一端固定在水平导轨左端的挡板上,另一端紧靠(不粘连)一质量为m、带有挡光片的小滑块,将弹簧压缩到位置P后由静止释放(弹簧在弹性限度内),测出小滑块上的挡光片通过光电门的时间为。已知挡光片的宽度为d,滑块在通过光电门前已脱离弹簧,滑块在导轨上的运动可视为不受阻力,则滑块离开弹簧时的速度大小为_______,弹簧推动小滑块释放的弹性势能的表达式为_______。
7.某活动小组用如图1所示的实验装置验证力的平行四边形定则。(1)用一根不可伸长的轻质细线悬挂一小球,固定悬点O处有一传感器可测出细线上的拉力。小球静止在O点正下方的P点时,传感器的示数为6 N。现对小球施加一水平向右的拉力F,使小球缓慢上升,小球的运动轨迹是图1中的曲线,当小球运动到a点时,细线与竖直方向的夹角,拉力大小为,传感器的示数为10 N。在如图2所示的方格纸上利用平行四边形定则作出拉力与小球重力的合力,在误差允许范围内,若得到_______的结论,则验证了平行四边形定则。(2)用一根轻质的橡皮筋悬挂与(1)中相同的小球,小球静止时仍在O点正下方的P点。对小球施加一水平向右的拉力F,使小球缓慢上升,小球的运动轨迹是图1中的曲线,当小球运动到b点(b与共线)时,拉力大小为,理论上来说,_______(填“=”“>”或“<”),传感器的示数_______(填“变大”“变小”或“不变”)。8.有同学利用如图所示的装置来验证力的平行四边形定则。在竖直木板上铺有白纸,固定两个光滑的滑轮A和B,将绳子打一个结点O,每个钩码的重量相等,当系统达到平衡时,根据钩码个数读出三段绳子的拉力和。回答下列问题:
(1)改变钩码个数,实验能完成的是_______。A.钩码的个数 B.钩码的个数C.钩码的个数 D.钩码的个数(2)在拆下钩码和绳子前,最重要的一个步骤是__________。A.标记结点O的位置,并记录三段绳子的方向B.量出三段绳子的长度C.用量角器量出三段绳子之间的夹角D.用天平测出钩码的质量(3)根据实验原理及操作,在作图时,你认为图______(填“甲”或“乙”)是正确的。
9.在“探究求合力的方法”的实验中,用图钉把橡皮筋的一端固定在板上的A点,在橡皮筋的另一端拴上两条细绳,细绳另一端系着绳套(用来连接弹簧测力计)。其中A为固定橡皮筋的图钉,O为橡皮筋与细绳的结点,和为细绳。(1)本实验用的弹簧测力计示数的单位为N,图1中与B相连的弹簧测力计的示数为______N。(2)在实验中,和表示两个互成角度的力,F表示由平行四边形定则作出的与的合力;表示用一个弹簧测力计拉橡皮筋时的力,则图2中符合实验事实的是______。(3)对于“验证力的平行四边形定则”的实验,某同学有以下认识,以下操作可减小误差的是___________。A.实验中两个分力的夹角取得越大越好B.细绳以及弹簧测力计所在平面必须与木板平行C.拉橡皮筋的细绳要长些,用铅笔画出两个定点的位置时,应使这两个点的距离尽量远些D.作图要用细芯铅笔,图的比例要适当大些,要用严格的几何作图法作出平行四边形,图旁要画出表示力的比例线段,且注明每个力的大小和方向10.图甲为用等效替代法“验证力的平行四边形定则”的实验装置图.
(1)本实验中“等效替代”的含义是________.
A.橡皮筋可以用细绳替代B.左侧弹簧测力计的作用效果可以替代右侧弹簧测力计的作用效果C.右侧弹簧测力计的作用效果可以替代左侧弹簧测力计的作用效果D.两弹簧测力计共同的作用效果可以用一个弹簧测力计的作用效果替代
(2)请将下面实验的主要步骤补充完整.
①将橡皮筋的一端固定在木板上的A点,另一端拴上两根绳套,每根绳套分别连着一个弹簧测力计;
②沿着两个方向拉弹簧测力计,将橡皮筋的活动端拉到某一位置,记录________,并记录两个拉力的大小及方向;
③再用一个弹簧测力计将橡皮筋的活动端也拉至同一位置处,记录_________.
(3)如图乙所示是某同学根据实验数据按照一定的标度(标度未画出)画出的力的图示.中不是由弹簧测力计测得的力是_________(填字母).
(4)在“验证力的平行四边形定则”的实验中,下列操作必要的是_________.
A.实验前,将两个弹簧测力计相互钩住,水平反向拉伸,检查读数是否相同B.实验时,应保持绳套与纸面平行C.实验时,为便于计算,拉力和必须相互垂直D.确定拉力的方向时,应使两个点的距离尽量远一些11.“探究力的平行四边形定则”的实验如图甲所示,其中A为固定橡皮条的图钉,O为橡皮条与细绳的结点,和为细绳,图乙所示是在白纸上根据实验结果画出的图.
(1)本实验采用的科学方法是________.
A.理想实验法 B.等效替代法 C.控制变量法 D.建立物理模型法(2)图乙中的________(填“F”或“”)是力和合力的实际测量值.
(3)同学们在操作过程中有如下议论,其中对减小实验误差有益的说法是________.
A.两根细绳必须等长B.橡皮条应与两绳夹角的角平分线在同一直线上C.为了读数方便,可以使弹簧测力计与木板平面成一定倾角D.拉橡皮条的细绳要长些,标记同一细绳方向的两点要远些(4)实验中用一个弹簧测力计拉时示数如图丙所示,则弹簧测力计的读数为______N.
(5)在实验中,如果将细绳也换成橡皮条,那么实验结果是否会发生变化?答:_______.(填“会”或“不会”)
(6)由于没有弹簧测力计,宏春同学改用图丁的装置来验证力的平行四边形定则:在竖直木板上铺有白纸,固定两个光滑的滑轮A和B,将绳子打一个结点O,每个钩码的质量相等,当系统达到平衡时,根据钩码个数记下三根绳子的拉力和及结点O的位置,再改变钩码个数重新实验,下列实验不能完成的是________.
A.钩码的个数 B.钩码的个数C.钩码的个数 D.钩码的个数12.某实验小组做“验证平行四边形定则”实验,如图甲所示,实验步骤如下:
①用两个相同的弹簧测力计互成角度地拉细绳套,使橡皮条伸长,结点达到纸面上某一位置,记为;
②记录两个弹簧测力计的拉力和的大小和方向;
③只用一个弹簧测力计,将结点仍拉到位置,记录弹簧测力计的拉力的大小和方向;
④按照力的图示要求,作出拉力;
⑤根据力的平行四边形定则作出和的合力F;
⑥比较和F的一致程度.
(1)本次实验需要用到带细绳套的橡皮条,图乙中最合适的是______;
(2)某次用弹簧测力计拉橡皮条时弹簧测力计的指针位置如图丙所示,弹簧测力计的示数为______N;
(3)改变和,重复步骤①至⑥进行第二次实验,记下结点位置,位置_______(填“必须”或“不必”)与位置相同;
(4)实验中,用两个弹簧测力计同时拉橡皮条,两绳夹角小于90°,一个弹簧测力计示数接近量程,另一个超过量程的一半,这样的操作_________(填“合理”或“不合理”),理由是_________;
(5)某同学在坐标纸上画出了如图丁所示的两个已知力和,图中小正方形的边长表示2 N,两合力用F表示,、与F的夹角分别为和,下列关系正确的有__________.
A. B. C. D. 参考答案1.答案:(1)刻度尺
(2)弹簧原长和弹簧伸长后的总长度
(3)200
(4)CBDAEFG解析:(1)实验需要测量弹簧伸长的长度,故需要刻度尺。
(2)本实验需要测量弹簧伸长的长度,因此,需要测量弹簧的原长和弹簧伸长后的总长度。
(3)由胡克定律可知,图线的斜率表示弹簧的劲度系数,则由题图乙可得。
(4)实验步骤为CBDAEFG。2.答案:(1)静止(2)120.0;31.3解析:(1)该同学在弹簧下端逐一增挂钩码,每增挂一个钩码,待弹簧静止时,弹簧弹力与钩码重力大小相等,记录所挂钩码的重力和对应的h。(2)由题图(b)可知,当时,即未挂钩码时水平纸片到地面的竖直距离;由胡克定律可得,可知图像的斜率绝对值的倒数表示弹簧劲度系数,有。3.答案:(1)(2)见解析;解析:(1)当“T”形螺杆旋转360°时,力传感器在竖直方向移动,则当其旋转300°时,力传感器在竖直方向移动距离为。(2)描点作图如图所示;角度增加时,弹簧形变量为,则有,根据胡克定律得,联立得,图像斜率为,解得。4.答案:(1)如图所示(2)10.3(10.2~10.5均可);13.5(13.0~13.8均可)(3)不受影响;偏小解析:(1)在坐标纸的横轴上选取合适的标度,将表格中的数据点依次描绘在坐标系中,用一条直线连接,图象如答图所示。(2)由力的平衡条件得,又劲度系数为圈中张力与整圈形变量之比,则,为橡皮圈原长的一半,整理得,当时,,即橡皮圈不拉伸时的总周长约为10.3 cm;由答图可知,图线的斜率大小为,则结合关系式可知,解得。(3)如果实验时刻度尺的0刻度略高于橡皮圈上端结点O,但在实验时对橡皮圈伸长量的计算没有影响,因此并不影响劲度系数的测量;如果实验时刻度尺没有完全竖直,保持水平方向读数时,x的测量值偏大,则图线的斜率偏小,结合第(2)问可知劲度系数偏小。5.答案:(1)(2)6.85(6.84~6.86均可);14.05(14.04~14.06均可)(3);7.20(7.18~7.22均可)(4)(5)28解析:(1)刻度尺读数时应估读到分度值的下一位,所以记录的的数值有效数字有误。(2)根据题图可得和。
(3)题中三组数据在寻求多挂4个砝码形成的长度差,故。
(4)每增加4个砝码弹簧的平均伸长量,则每增加一个砝码弹簧的平均伸长量,代入数据得。
(5)弹簧的劲度系数。6.答案:(1)(2)解析:(1)因为要探究的是弹力跟弹簧的伸长量的关系,故应该将测得的弹簧的长度减去弹簧自然伸长时的长度,由题图乙可得,弹簧的劲度系数。(2)挡光片通过光电门的时间为,挡光片的宽度为d,滑块通过光电门的速度大小为,由于滑块在导轨上的运动可视为不受阻力,则滑块离开弹簧时的速度大小为,滑块到达光电门时的动能,即弹簧释放的弹性势能全部转化成小滑块的动能,故。7.答案:(1)见解析;合力大小等于10 N,方向与竖直方向夹角为53°(2)=;不变解析:(1)作出重力的图示,根据平行四边形定则作出拉力与重力的合力如图所示。力的标度大小为2 N,测出表示合力大小的线段长度为5个单位长度,合力大小为,在误差允许范围内,若得到合力大小等于10 N,方向与竖直方向夹角为53°的结论,则验证了平行四边形定则。(2)由题意可知,两种情况下合力方向不变,重力大小与方向不变,拉力与重力方向间夹角不变,则拉力不变,即两种情况下拉力大小相等,合力大小不变,传感器示数不变。8.答案:(1)BCD(2)A(3)甲解析:(1)实验中的分力与合力的关系必须满足:,故A错误,B、C、D正确。
(2)本实验应该确定好分力与合力的大小和方向,以及作用点的位置。由于力的大小可以通过测量钩码的质量来知道,故在拆下钩码和绳子前,最重要的一个步骤是标记结点O的位置,并记录三段绳子的方向。故B、C、D错误,A正确。
(3)由实验的实物图可知,方向是竖直向下的,故图甲是正确的。9.答案:(1)3.6(2)B(3)BCD解析:(1)弹簧测力计的分度值是0.2 N,弹簧测力计的读数为3.6 N。(2)只用一个力拉时,拉力的作用方向一定沿橡皮筋,则方向沿的延长线。与合力F间满足平行四边形定则。故B项正确,A、C、D错误。(3)实验中两分力的夹角不能取得太大或太小,故A项错误。细绳以及弹簧测力计所在平面必须与木板平行,这样所有力在同一平面内,可减小实验误差,故B项正确。C项操作可以减小力的方向的误差,故C项正确。D项操作可以减小画图产生的误差,故D项正确。10.答案:(1)D(2)②结点O的位置③拉力的大小及方向(3)(4)ABD解析:(1)“等效替代”即用两个弹簧测力计拉橡皮筋的效果和用一个弹簧测力计拉橡皮筋的效果是相同的,即要求橡皮筋的形变量及指向都相同,故A、B、C错误,D正确.
(2)②两次实验中应保证弹簧测力计的作用效果相同,故应记录结点O的位置;③做“验证力的平行四边形定则”的实验时需要记录两个分力以及合力的大小和方向,所以应记录这个弹簧测力计拉力的大小及方向.
(3)由于误差的存在,通过平行四边形定则得出的合力值与由弹簧测力计直接测得的合力并不完全相等,通过平行四边形定则得出的合力在对角线上,用一个弹簧测力计直接测量出的合力沿细绳方向,即沿方向,故F是由弹簧测力计直接测得的,是通过平行四边形定则得出的合力,所以不是由弹簧测力计测得的力是.
(4)实验前先把两个弹簧测力计的钩子互相钩住,平放在桌子上,向相反方向拉动,检查读数是否相同,故A正确;实验时应保持拉力水平,故应保持绳套与纸面平行,故B正确;实验时两细绳的夹角应适当大些,不一定要保持相互垂直,故C错误;为了方便而且更加准确地确定力的方向,操作时可以使拉橡皮筋的绳套细且长一些,描点时两点应尽量距离远一些,故D正确.11.答案:(1)B(2)(3)D(4)4.00(5)不会(6)B解析:(1)本实验中两个拉力的作用效果和一个拉力的作用效果相同,采用的科学方法是等效替代法,故B正确.
(2)实验中F是由平行四边形定则得出的,而是通过实验方法得出的,是力和合力的实际测量值.
(3)通过两细绳用两个弹簧测力计互成角度地拉橡皮条时,不要求两细绳等长,故A错误;拉橡皮条时只要确保拉到同一点即可,橡皮条不一定要在两细绳夹角的角平分线上,故B错误;测量力的实验要求尽量准确,为了减小实验的误差,操作中要求弹簧测力计、细绳、橡皮条都应与木板平行,故C错误;为了更加准确地记录力的方向,拉橡皮条的细绳要长些,标记同一细绳方向的两点要远些,故D正确.
(4)弹簧测力计读数为4.00 N.
(5)如果将细绳也换成橡皮条,只要将结点拉到相同的位置,实验结果不会发生变化.
(6)分别表示三个力的大小,由于结点在三个共点力作用下处于平衡状态,因此三个力的大小能构成一个三角形.以钩码的个数表示力的大小,3、3、4能构成三角形,故A可以完成;2、2、4不能构成三角形,故B不能完成;4、4、4可以构成三角形,故C可以完成;3、4、5可以构成三角形,故D可以完成.本题选不能完成实验的,故选B.12.答案:(1)C(2)2.63(2.62~2.65均可)(3)不必(4)不合理;合力超出了弹簧测力计的量程(5)BC解析:(1)由于细绳套越长,力的方向测量越准确,所以最合适的是C橡皮条;
(2)根据弹簧测力计指针所示位置读数即可,注意此弹簧测力计分度值为0.1 N,需要估读到下一位,读出的示数在2.62 N到2.65 N之间均可;
(3)改变和,重复步骤①至⑥进行第二次实验,记下结点位置,因为是两次不同的实验,则位置不必与第一次点相同;
(4)这样的操作不合理,根据题意可知,此时合力超出了弹簧测力计的量程;
(5)根据平行四边形定则,作出两个力的合力如图所示,每个小正方形的边长表示2 N,则由图可知,合力,根据几何关系可知与F的夹角为与F的夹角为,故B、C正确,A、D错误.
相关试卷
这是一份高考物理一轮复习课后练习07 实验 探究弹簧弹力与弹簧伸长量的关系(含答案解析),共11页。试卷主要包含了8 m/s2,2 N和F2=5,775 53,0-0,0,93;等内容,欢迎下载使用。
这是一份专题03 探究弹簧弹力与形变量的关系-高考物理实验题专项突破,文件包含专题03探究弹簧弹力与形变量的关系解析版-高考物理实验题专项突破docx、专题03探究弹簧弹力与形变量的关系原卷版-高考物理实验题专项突破docx等2份试卷配套教学资源,其中试卷共28页, 欢迎下载使用。
这是一份高中物理高考 实验二 探究弹簧弹力与形变量的关系,共8页。

