苏教版 (2019)选择性必修1专题1 化学反应与能量第二单元 化学能与电能的转化课后复习题
展开高二上学期化学新教材苏教版(2019)选择性必修1检测试卷:专题一第二单元化学能与电能的转化
一、单选题
1.下列电解饱和食盐水化学方程式书写正确的是
A.2NaCl+2H2O2NaOH+H2↑+Cl2↑ B.NaCl+H2ONaOH+H2↑+Cl2↑
C.2NaCl+H2O→ 2NaOH+H2↑+Cl2↑ D.NaCl+H2O→ NaOH+H2↑+Cl2↑
2.如图所示装置,用惰性电极电解熔融氯化钠(2NaCl2Na+Cl2↑),下列说法错误的是( )
A.通电时,Na+向铁电极移动
B.石墨电极发生还原反应
C.电解一段时间后,在两个电极上分别生成金属钠和氯气
D.石墨电极生成氯气的电极反应式:2Cl--2e-=Cl2↑
3.碱性锌锰干电池在放电时,电池的总反应方程式可以表示为:Zn+2MnO2+2H2O=Zn(OH)2+2MnOOH。在此电池放电时,电极失去电子发生反应的物质是( )
A.Zn B.碳棒 C.MnO2 D.MnO2和H2O
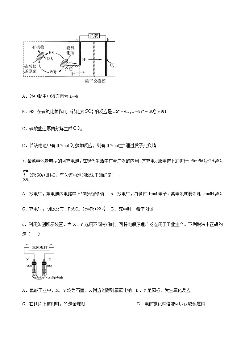
4.某微生物燃料电池的工作原理如图所示,下列说法正确的是( )
A.外电路中电流方向为a→b
B.HS- 在硫氧化菌作用下转化为的反应是
C.硫酸盐还原菌分解生成
D.若该电池中有0.2mol参加反应,则有0.2mol通过质子交换膜
5.铅蓄电池是典型的可充电池,在现代生活中有着广泛的应用,其充电、放电按下式进行:Pb+PbO2+2H2SO42PbSO4+2H2O,有关该电池的说法正确的是( )
A.放电时,蓄电池内电路中H+向负极移动 B.放电时,每通过1mol电子,蓄电池就要消耗2molH2SO4
C.充电时,阴极反应:PbSO4+2e-=Pb+ D.充电时,铅作阳极
6.利用如图所示装置,当X、Y选用不同材料时,可将电解原理广泛应用于工业生产。下列说法中正确的是( )
A.氯碱工业中,X、Y均为石墨,X附近能得到氢氧化钠 B.Y是阳极,发生氧化反应
C.在铁片上镀银时,X是金属银 D.电解氯化钠溶液可以获取金属钠
7.关于如图装置的说法中正确的是( )
A.该装置将化学能转变为电能,属于电解池 B.负极反应式为:Cu2++2e-=Cu
C.相比于单池单液原电池,该装置电流更持续和稳定 D.因为右侧是正极区,盐桥中Cl-向右侧烧杯移动
8.下列关于电解饱和食盐水的说法中,正确的是( )
A.电解时阳极得到氯气,阴极得到金属钠 B.若在阴极附近的溶液中滴入酚酞试液,溶液显无色
C.若在阳极附近的溶液中,滴入碘化钾淀粉溶液,溶液显蓝色 D.电解过程中,阴极发生的是氧化反应
9.判断下列哪个装置是原电池( )
A. B. C. D.
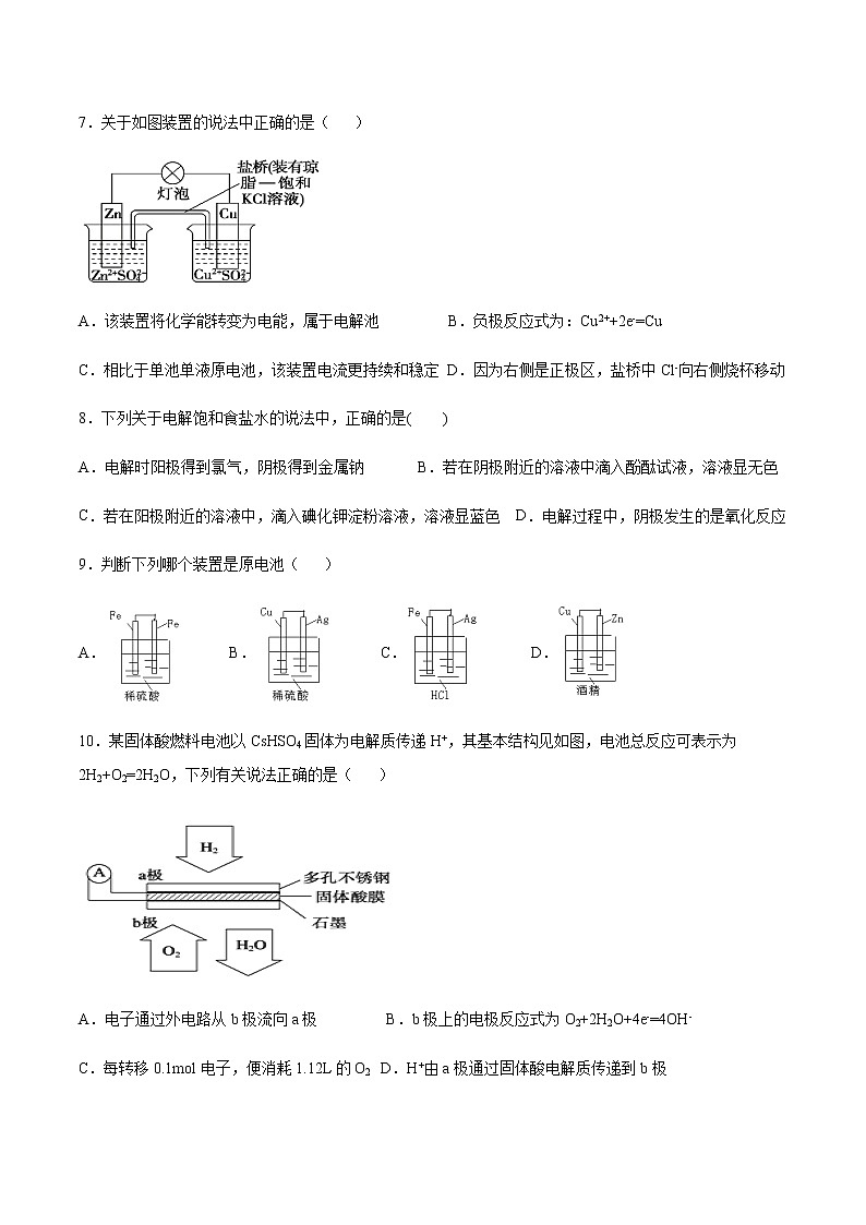
10.某固体酸燃料电池以CsHSO4固体为电解质传递H+,其基本结构见如图,电池总反应可表示为2H2+O2=2H2O,下列有关说法正确的是( )
A.电子通过外电路从b极流向a极 B.b极上的电极反应式为O2+2H2O+4e-=4OH-
C.每转移0.1mol电子,便消耗1.12L的O2 D.H+由a极通过固体酸电解质传递到b极
11.纳米级Cu2O由于具有优良的催化性能而受到关注,采用肼(N2H4)燃料电池为电源,用离子交换膜控制电解液中c(OH−)制备纳米Cu2O,其装置如图甲、乙。下列说法正确的是( )
A.D电极应连接肼燃料电池的A极 B.肼燃料电池的A极电极反应式为:N2H4-4e-=N2+4H+
C.当反应生成14.4gCu2O时,至少需要肼0.05mol D.图乙中的电解池离子交换膜是阳离子交换膜
12.下列有关叙述正确的是( )
A.蛋白质溶液中加入饱和CuSO4溶液可发生盐析
B.1mol甲烷完全燃烧生成O2和H2O(l)时放出890kJ热量,它的热化学方程式为:CH4(g)+O2(g)=CO2(g)+H2O(1)△H=-445kJ/mol
C.酸性氢氧燃料电池负极反应为H2-2e-+2OH-=2H2O
D.CH3COOH与NaOH溶液反应:H+(aq)+OH-(aq)=H2O(1)△H=-57.3kJ•mo1-l
13.近年来科学家研制了一种新型的乙醇电池(DEFC),它用磺酸类质子作溶剂,在200℃左右时供电,乙醇电池比甲醇电池效率高出32倍且更加安全.电池总反应式为:C2H5OH+3O2→2CO2+3H2O.下列说法不正确的是( )
A.1mol乙醇被氧化转移6mol电子 B.C2H5OH在电池的负极上参加反应
C.在外电路中电子由负极沿导线流向正极 D.电池正极的电极反应式为4H++O2+4e-=2H2O
14.设NA为阿伏加德罗常数的值。下列说法正确的是
A.标况下,22.4L CHCl3中含有的氯原子数目为3NA
B.向恒容密闭容器中充入2moI NO和1molO2,充分反应后容器中分子总数一定为2NA
C.1L硫酸铝溶液中,SO的浓度为1.5a mol·L-1,则Al3+数目为a·NA
D.用惰性电极电解100mL0.1mol·L-1的CuSO4溶液,当阴、阳两极产生相同条件下等体积的气体时,电路中转移电子数为0.04NA
15.图是新型镁-锂双离子二次电池,下列关于该电池的说法不正确的是
A.放电时,Y电极上的电势比X电极上的高
B.放电时,正极的电极反应式:
C.充电时,外加电源的正极与Y相连
D.充电时,导线上每通过,左室溶液质量减轻12g
二、解答题
16.(1)采用“联合脱硫脱氮技术”处理烟气(含CO2、SO2、NO)可获得含CaCO3、CaSO4、Ca(NO2)2的副产品,工业流程如图所示:
①反应釜Ⅰ采用“气-液逆流”接触吸收法(如图),其优点是__________。
②反应釜Ⅱ中CaSO3转化为CaSO4反应的化学方程式:__________。
(2)烟气(主要污染物SO2、NOx)经O3预处理后用碱液吸收,可减少烟气中SO2、NOx的含量。
①NO也可被O3氧化为NO2,用NaOH溶液吸收若只生成一种盐,该盐的化学式为__________。
②尿素[CO(NH2)2]在高温条件下与NO反应转化成三种无毒气体,该反应的化学方程为__________
(3)电解法除去工业废水中的硝酸铵的装置示意图如图所示,阴极电极反应式为__________。
17.I、甲醇燃料电池被认为是21世纪电动汽车最佳候选动力源。
(1)101 KPa时,16 g液态CH3OH完全燃烧生成CO2气体和液态水时,放出363.5 kJ的热量,则表示甲醇燃烧热的热化学方程式是________________________________________。
(2)甲醇质子交换膜燃料电池中将甲醇蒸汽转化为氢气的两种反应原理是:
①CH3OH(g)+H2O(g)=CO2(g)+3H2(g);△H1=+49.0 kJ·mol-1
②CH3OH(g)+O2(g)=CO2(g)+2H2(g);△H2=?
已知H2(g)+O2(g)=H2O(g) △H=-241.8 kJ·mol-1,则反应②的△H2=_________。
(3)一种甲醇燃料电池是采用铂或碳化钨作电极,稀硫酸作电解液,一极直接通入纯化后的甲醇蒸汽,同时向另一个电极通入空气,则通入甲醇的电极发生的电极反应方程式为________________________________________。
II、工业上为了处理含有Cr2O的酸性工业废水,采用下面的处理方法:往工业废水中加入适量NaCl,以Fe为电极进行电解,经过一段时间,有Cr(OH)3和Fe(OH)3沉淀生成,工业废水中铬的含量已低于排放标准。请回答下列问题:
(1)写出阳极的电极反应方程式________________________________
(2)阳极不能改用石墨作电极的原因是________________________________
(3)写出Cr2O变为Cr3+的离子方程式:________________________________
18.有X、Y、Z、M、G五种元素,是分属三个短周期并且原子序数依次增大的主族元素。其中X、Z同主族,可形成离子化合物ZX;Y、M同主族,可形成MY2、MY3两种分子。完成下列填空:
(1)元素Y的原子其核外有_______种运动状态不同的电子存在;
(2)在上述元素所构成的单质或化合物中,可用作自来水消毒剂的有_______、_______(至少写出两种,填写化学式);
(3)已知X2M的燃烧热为 187 kJ/mol。(提示:燃烧热的定义:1mol可燃物充分燃烧生成稳定化合物时所放出的热量。)写出X2M燃烧的热化学方程式: ______;
(4)在熔融状态下,将Z的单质和FeG2(元素G和铁构成的某化合物)组成一个可充电电池(装置示意图如下),反应原理为:
2 Z + FeG2Fe + 2 ZG,放电时,电池的正极反应式为:______________;充电时,接电源负极的电极材料是____(写物质名称),该电池的电解质为_______(填写化学式)。
参考答案
1.A2.B3.A4.B5.C6.C7.C8.C9.C10.D11.C12.B13.A14.D15.D
16.使气体和石灰乳充分接触,提高气体的吸收效率 2NO2+CaSO3+Ca(OH)2=CaSO4+Ca(NO2)2+H2O NaNO2 2CO(NH2)2+6NON2+2CO2+4H2O 2+2e-=2NH3↑+H2↑
17.CH3OH(l)+O2(g)=CO2(g)+2H2O(l) ΔH= -727kJ/mol -192.8kJ/mol CH3OH-6e-+H2O=CO2↑+6H+ Fe-2e-=Fe2+ 石墨电极无法生成还原剂Fe2+ Cr2O+6Fe2++14H+=2Cr3++6Fe3++7H2O
18.8 Cl2 H2O2 2H2S(g)+3O2(g)→2SO2(g)+2H2O(l)+374 kJ Fe2++2e−=Fe 熔融钠 β-Al2O3
高中化学苏教版 (2019)选择性必修1第二单元 化学能与电能的转化课后测评: 这是一份高中化学苏教版 (2019)选择性必修1第二单元 化学能与电能的转化课后测评,共29页。试卷主要包含了单选题,填空题,实验探究题等内容,欢迎下载使用。
高中化学苏教版 (2019)选择性必修1专题3 水溶液中的离子反应第二单元 溶液的酸碱性课后复习题: 这是一份高中化学苏教版 (2019)选择性必修1专题3 水溶液中的离子反应第二单元 溶液的酸碱性课后复习题,共10页。试卷主要包含了单选题,解答题等内容,欢迎下载使用。
化学苏教版 (2019)专题1 化学反应与能量第二单元 化学能与电能的转化课后测评: 这是一份化学苏教版 (2019)专题1 化学反应与能量第二单元 化学能与电能的转化课后测评,共10页。试卷主要包含了单选题,解答题等内容,欢迎下载使用。

