专题1.8 重点实验问题【重难热突破】八年级下册物理期末复习宝典(人教版)(原卷及解析卷)
展开
1.在学习了弹力及弹簧测力计的相关知识后,韩露同学发现,弹簧测力计的刻度是均匀的,由此她想探究“弹簧的伸长量△L与它所受到的拉力F大小的关系”,于是她采用了图一的装置进行了探究。
(1)要完成实验,除了需要如图一所示的铁架台、一根两头带钩的弹簧、若干相同的钩码(已知每个钩码重0.5N)以外,还需要的测量仪器是________。
(2)通过实验,同学收集了弹簧受到大小不同的拉力F以及所对应的弹簧长度L,并在坐标纸上绘制了图二的图像。分析图像可知:
①该弹簧的原长L0为________cm,当弹簧受到2N的拉力时,弹簧伸长量△L为________cm。
②可以得到的实验结论是________。
③用该弹簧制作一只弹簧测力计,其量程是________N。
(3)实验中,有同学认为可以用弹簧测力计代替钩码,勾住弹簧下端向下拉,来改变力的大小,力的数值由弹簧测力计读出。你认为本次实验用弹簧测力计还是用钩码探究更好一些?答:________(选填“弹簧测力计”或“钩码”);理由是________。
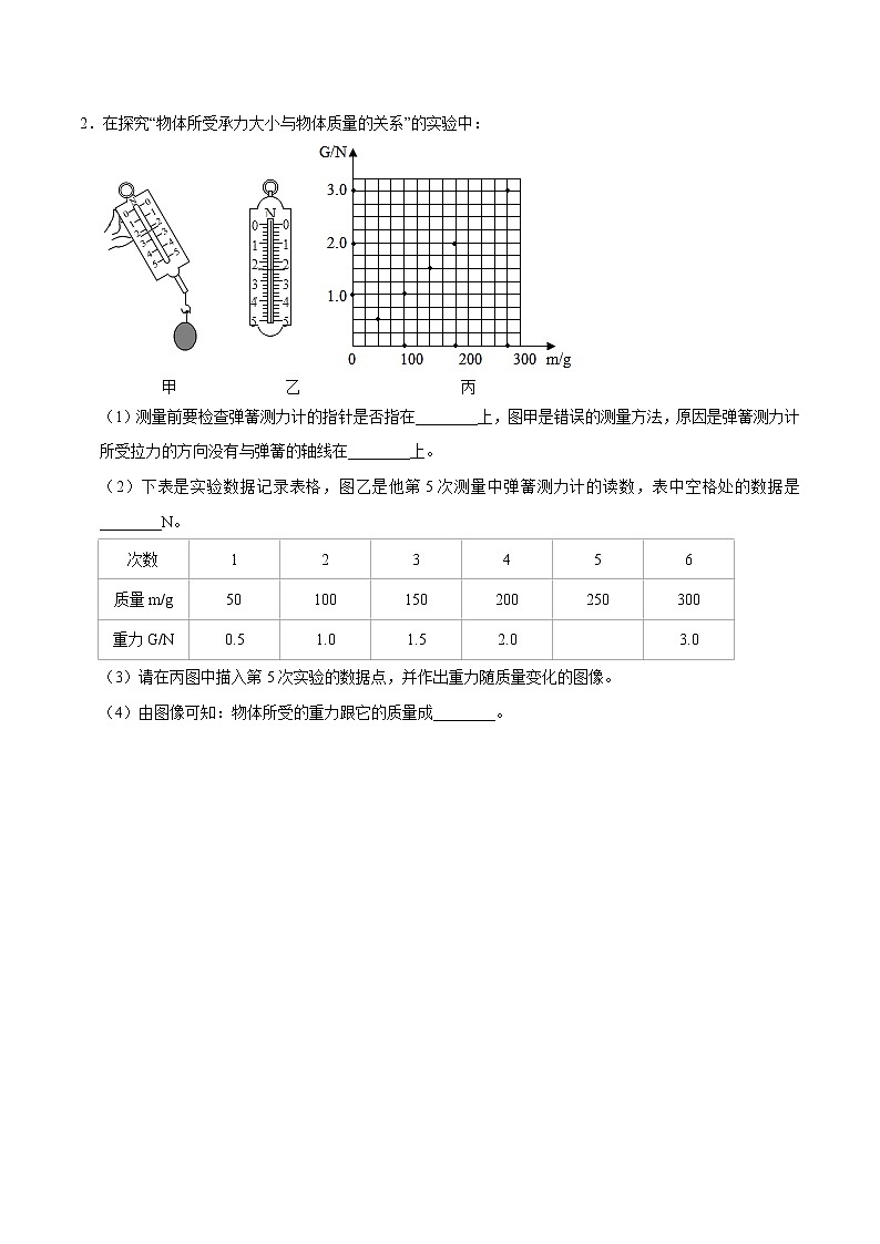
2.在探究“物体所受承力大小与物体质量的关系”的实验中:
(1)测量前要检查弹簧测力计的指针是否指在________上,图甲是错误的测量方法,原因是弹簧测力计所受拉力的方向没有与弹簧的轴线在________上。
(2)下表是实验数据记录表格,图乙是他第5次测量中弹簧测力计的读数,表中空格处的数据是________N。
次数 | 1 | 2 | 3 | 4 | 5 | 6 |
质量m/g | 50 | 100 | 150 | 200 | 250 | 300 |
重力G/N | 0.5 | 1.0 | 1.5 | 2.0 |
| 3.0 |
(3)请在丙图中描入第5次实验的数据点,并作出重力随质量变化的图像。
(4)由图像可知:物体所受的重力跟它的质量成________。
3.如图是研究牛顿第一定律的实验。
(1)三次实验中让小车从斜面同一高度由静止开始滑下,是为了使小车________。
(2)实验为了让小车受到不同的阻力,采用的做法是________。
(3)结论:平面上受到阻力越小,小车速度减小得越________。
(4)根据结论可推理:运动的小车如果所受的阻力为零,小车将v运动。
(5)牛顿第一定律是建立在________的基础上。
A.日常生活经验
B.科学家的猜想
C.直接实验的结果
D.实验和推理
(6)下列实验用到了类似方法的是________。
A.利用刻度尺和秒表测量物体速度
B.利用真空罩探究声音传播需要介质
C.利用光具座探究凸透镜成像规律
D.探究滑动摩擦力大小的影响因素
(7)一辆小型汽车的质量是1.2t,在平直公路上匀速行驶时受到的阻力大小是汽车车重的0.2倍,此时汽车的牵引力大小是________,汽车所受地面的支持力大小是________(g=10N/kg)。
4.人们常用推理的方法研究物理问题。在研究物体运动状态与力的关系时,某同学做了如图所示的实验:让小车从斜面的同一高度滑下,观察、比较小车沿不同平面的运动距离。
(1)实验时让小车从斜面的同一高度滑下,目的是使小车到达水平面时具有相同的________;
(2)在分析现象时,一般理解是:小车在木板上运动时所受摩擦力最________,所以运动距离最________。
(3)在生活中我们发现:人在山顶上掷出去的石头总会偏离掷出方向而落回地面,掷出速度越大,其落地点离山脚就越远。请你推想:当掷出速度足够大时,石头将会如何运动?________。
5.图甲是小华同学探究二力平衡条件时的实验装置。
(1)小华将系于小纸片两端的细线分别跨过左右支架上的滑轮,在线的两端挂钩码,使作用在小纸片上的两个拉力方向相反,并通过调整________来改变拉力的大小,实验中选择小纸片的目的是________(考虑/不考虑)小纸片的重力。当细线两端钩码相同时,小纸片静止不动,说明两个力平衡时的大小相等;
(2)当小纸片静止不动时,小华将小纸片扭转过一个角度,松手后小纸片不能静止不动,设计此实验步骤的目的是为了探究不在________上的两个力能否平衡。
(3)实验过程中如果想探究不同体的两个力能否平衡,小华如何去作________;
(4)在探究同一个问题时,小明将木块放在水平桌面上,设计了如题乙所示的实验,同学们认为小华的实验优于小明的实验,其主要的原因是________。
A.减少了摩擦力对实验结果的影响
B.小纸片是比较容易获取的资料
C.容易让小纸片在水平方向上保持平衡
D.小纸片容易扭转
6.汽车急刹车时车轮经常处于抱死(车轮不转)状态,物理小组猜想可能是滑动摩擦和滚动摩擦大小不同,因而对汽车运动的影响不同。于是做了如下模拟实验。
实验一:比较滑动摩擦和滚动摩擦的大小
(1)为测量滚动摩擦的大小,将小车置于水平长木板上,用弹簧测力计沿水平方向拉动小车做________运动。读数时发现弹簧测力计示数很小,无法准确读数。
(2)物理小组成员于是将毛巾铺在长木板上,重复(1)中的操作,如图甲所示,此时弹簧测力计示数为________N。
(3)为测量滑动摩擦的大小,将车轮________(填“卡住”或“拆下”),在毛巾表面重复(1)中的操作,此时弹簧测力计示数为0.8N。
(4)实验表明:同一表面上,小车受到的滑动摩擦比滚动摩擦大。
实验二:探究水平面上摩擦阻力对车运动的影响。
(1)如图乙所示,让小车从斜面顶端由静止下滑,观察小车在水平木板上运动的距离。请在图乙中画出:小车在木板上运动时,水平方向的受力示意图(以O为作用点,不计空气阻力)。
(2)通过实验一还发现,小车运动时接触面越粗糙,滚动摩擦越大。物理小组成员于是将毛巾铺在________(填“斜面”、“木板”或“斜面和木板”)表面,再次让小车从斜面顶端由静止下滑,观察小车在水平面上运动的距离。
(3)实验发现,小车在毛巾表面上运动的距离较小,这表明:小车运动时所受摩擦阻力越大,速度减小得越________(填“快”或“慢”)。
综合两个实验可知:急刹车时抱死车轮是用滑动代替滚动增大摩擦来减小刹车距离。
7.【猜想与假设】在探究“影响滑动摩擦力大小的因素”的实验中,如图1所示是一些同学根据日常生活经验所做的猜想与假设。
【设计并进行实验】如图2所示是同学们做实验时的情景。
(1)要测出木块与长木板之间滑动摩擦力的大小,可用弹簧测力计拉着木块沿水平长木板做________运动。根据________原理可知此时摩擦力大小等于拉力大小。
(2)比较图2________两次实验,可得到结论:当接触面粗糙程度一定时,压力越大,滑动摩擦力越大。
【数据处理、得出结论】比较图2丙和图2________两次实验,可得到结论,在保持压力一定时,________,滑动摩擦力越大。
【交流与评估】(1)在探究小华的猜想时,如果将木板面换成玻璃表面,王爷爷认为很有可能无法完成实验,原因是________。
(2)另一小组用弹簧测力计拉着一小木板在桌面上从图3甲位置匀速运动至图3乙位置,弹簧测力计示数不变,可得到结论:滑动摩擦力的大小与________无关。
8.在探究影响压力作用效果的影响因素时,小红同学利用小桌、海绵和砝码(实验中砝码都相同)等器材进行了如图所示的实验。
(1)实验是通过观察海绵的凹陷程度来比较压力的作用效果的,这种研究方法称为________;
(2)比较甲、乙两图,可以初步得出的结论是当受力面积一定时,压力越大,压力的作用效果越明显;
(3)小红联想到坦克车履带的设计,这可用________两组实验所得结论解释;
(4)若将丙图中有砝码的小桌放在木板上如丁图所示,比较图丁与图丙,小桌对木板和海绵的压强________(选填“相同”或“不相同”)。
9.用如图所示装置探究“水内部压强与深度是否有关”。
(1)装置调整好后,将同一探头先后放在水中的A、B两处(如图所示),通过观察________,则可以判断出水中A、B两处的压强大小关系为________。
(2)若杯子高15cm,杯内装满水,B处距杯底5cm,如图所示,则B点压强pB=________Pa(g取10N/kg,水的密度ρ水=1.0×103kg/m3)。
10.小丽为探究“液体内部压强的规律”,用如图所示的装置进行实验,实验数据如表所示。
序号 |
液体 |
深度h/mm | 压强计 | ||
左液面/mm | 右液面/mm | 液面高度差/mm | |||
1 | 水 | 30 | 186 | 214 | 28 |
2 | 水 | 60 | 171 | 229 | 58 |
3 | 水 | 90 | 158 | 242 | 84 |
4 | 盐水 | 90 | 154 | 246 | 92 |
(1)实验中通过观察________来判断液体压强的大小。
(2)分析表中序号为1、2、3的三组数据可得到的结论是:同种液体内部的压强随深度的增加而________;比较表中序号为________的数据可得到的结论是:液体内部的压强还跟液体的密度有关。
(3)为了进一步研究液体的压强,小丽保持探头在水中的深度不变,只改变探头的朝向,比较液体内部压强的大小。她探究的问题是:液体内部的压强与________是否有关。
11.物理课上,王老师利用传感器为同学们做“探究流体压强与流速的关系”的演示实验,装置如图甲所示,装置中A、B、C三节直径不同的塑料管连接在一起,右端与吹风机的尾部相连,当用吹风机抽气时,在同一时间内,通过每个管子的气体总量相同,则细管内气体流速比粗管内气体流速________。(选填“大”或“小”)
(1)将三个气体压强传感器探头分别插入三节管中,传感器与电脑相连,打开吹风机抽气时,电脑屏幕如图乙所示,已知①②③三条图线分别对应粗细不同的三节管中气体压强随时间变化的情况,由于平稳流动的气体,流速大处压强________。由图象可知:图线③反映的是装置中________(选填“A”、“B”或“C”)塑料管的气体压强随时间变化的情况。
(2)当王老师将抽气的吹风机调换挡位后,图象中①②③三条图线出现了下移,由此可以判断三节管中气体的流速________(选填“增大”或“减小”)。
(3)实验后同学们继续研究如图丙所示的实验装置,大缸内的水足够多,打开A阀门,水流入管道,当水稳定后,a管液面高度________b管液面高度(填“大于”,“小于”成“等于”),判断的依据是________,再
打开B阀门,在水向外流的过程中,请你在如图丙的a管、b管中画出液面的大致高度。
12.小明用如图1的装置探究浮力大小,步骤B至E用水进行实验,步骤F用盐水。
(1)他用细绳绑住圆柱体后悬挂于测力计挂钩上,手向上托物体时,测力计示数减小,将物体浸入水中时测力计示数也减小,说明水对物体产生了一个类似于手向上托物体的力,这种物理研究方法叫________
A.控制变量法
B.类比法
C.建立模型法
D.等效法
(2)分析步骤B、C、D,说明浮力的大小与________有关。分析步骤D、F,说明浮力大小与液体的________有关。
(3)由步骤B和________可测出圆柱体浸没在水中时受到的浮力F浮,由步骤________和E可测出圆柱体排开水的重力G排,比较F浮与G排得出两者的关系。
(4)步骤F是将另一底面积为25cm2的圆柱体物块竖直缓慢浸入盐水中,得到测力计示数F随圆柱体底面在液体中的深度h的变化关系如图2所示。分析图像可知,盐水密度为________kg/m3。(g=10N/kg)
13.某班物理实验小组的同学,利用图甲验证阿基米德原理。
(1)方案一:小军用石块按照如图甲所示的实验步骤依次进行实验,为减小测量误差并使操作最简便,最合理的操作步骤应该是________。
①ACDB ②ABCD ③BACD ④CADB
(2)如图甲所示,物体受到的浮力F浮=________,物体排开液体的重力等于________。若它们相等,则阿基米德原理成立。(两空均用测力计示数所对应的字母表示)
(3)在采用图甲所示的方式进行实验时,若测力计在整个过程中都没有进行调零,则小明________得出F浮=G排;若小空桶的桶壁上一开始粘有水,则小明________得出F浮=G排。(两空均选填“能”或“不能”)。
(4)方案二:如图乙所示,小川同学将装满水的溢水杯放在升降台C上,当小川缓慢调高升降台,且容器不与重物接触时,发现随着重物浸入水中的体积越来越大,弹簧测力计A的示数________(选填“变大”、“变小”或“不变”),且弹簧测力计A示数的变化量________B示数的变化量(选填“大于”、“小于”或“等于”),从而证明了F浮=G排。在这个过程中溢水杯对升降台C的压力________(选填“变大”、“变小”或“不变”)。
14.疫情期间,长期居家隔离不能出门,于是像练瑜伽、踢毽子、做广播操、跳绳等运动成为一种时尚。小聪同学想测出自己跳绳时克服重力做功的功率,请你利用所学的知识帮助小云设计实验方案。
(1)简要的实验步骤:
①用电子秤测出________(填物理量与其对应字母);
②用________测出跳起的高度h(脚离地面的高度);
③用________记录跳n次________(填物理量与其对应字母)。
(2)请在如图虚线框中设计该实验数据记录表格。
(3)跳绳时克服重力做功的平均功率表达式P=________。
(4)小云先用较慢的速度跳绳,测得功率为P1,然后用较快的速度跳绳,测得功率为P2,则,P1________P2(填“>”、“=”或“<”)。
15.跳绳是初中生比较喜爱的一项体育运动,小华想利用所学的物理知识估测自己跳绳时克服重力的平均功率(不计绳重)。
(1)用________测量自己的质量m;
(2)估测自己平均每次跳起的高度h(人的重心上升高度);
(3)用________(填测量器材)记录跳n次所用的________(填物理量与其对应的字母)。
(4)数据处理:
①自己所受的重力G=________;
②每次克服重力所做的功W=Gh=________,则跳n次所做的总功W总=nW=________;
③则平均功率P=________。
16.某同学在探究“动能大小与哪些因素有关”的实验中,设计了图甲所示的实验方案,并进行了如下的实验:
步骤1:让钢球从斜面A点由静止开始下滑,到达水平面时速度为v1,撞击木块并使木块移动,记下木块移动的距离s1;
步骤2:让钢球从斜面B点由静止开始下滑,到达水平面时速度为v2,撞击木块并使木块移动,记下木块移动的距离s2
步骤3:改变钢球的质量让钢球从A点由静止开始下滑,撞击木块使木块移动,记下木块移动的距离s3。
(1)比较v1、v2,可知v1________v2(选填“>”、“<”或“=”),原因:钢球的重力势能越大,转化为钢球的 动 能越大。
(2)设计步骤1和步骤2的目的是________。
(3)钢球从斜面上滚下后,碰撞到斜面底端水平放置的木块后继续向前运动,木块在水平木板上运动一段距离后停下,如图甲所示,设木块克服摩擦力所做的功为W,钢球与木块碰撞前的动能为Ek,则Ek________W(选填“>”、“<”或“=”)。
(4)实验结束后,该同学拿走木块,先后将同一小球从同一斜面的不同高度处静止释放,记录小球在相同表面上运动到静止的距离,如图乙所示,根据此现象,小刚得出了动能与速度有关的结论。你认为该同学实验方案是否合理。________(选填“合理”或“不合理”),理由是________。
17.某实验小组在用“模拟打桩”来探究影响重力势能大小的因素”,已知物体质量的关系为m1=m2<m3,使用的器材有沙子、木桩等。实验时,让物体从木桩正上方的某一高度处自由下落将木桩打入沙中,三次实验木桩进入沙中的深度如图所示:
(1)本实验是通过________来反映物体重力势能大小的。
(2)为了探究物体重力势能大小与质量的关系,应选择________两图实验进行分析。
(3)实验中为了探究重力势能大小与高度的关系,应让质量相同的物体,从________(选填“相同高度”或“不同高度”)由静止自由放下。实验现象表明:当质量一定时,物体所处的高度越大,重力势能越________。
(4)对比a、b、c三次实验,具有的重力势能最大的是图________(选填“a”、“b”或“c”)中的物体。
18.如图所示,小梦学习小组利用铁架台、带有刻度的杠杆、细线、弹簧测力计、若干钩码(每个钩码重均为0.5N)等实验器材,探究“杠杆的平衡条件”。
(1)实验前,小梦观察到杠杆如图甲所示,为了使杠杆在水平位置平衡,应将杠杆右侧的平衡螺母向________(选填“左”或“右”)调节。
(2)将天平调整好后,如图乙所示,在A点挂3个钩码,应在B点挂________个钩码,才能使杠杆在水平位置平衡。使杠杆在水平位置平衡的目的是便于测量________。在上述实验中,若将水平位置平衡的杠杆,两端同时去掉一个钩码,杠杆________(选填“仍然平衡”“沿顺时针旋转”或“沿逆时针旋转”)。
(3)如图乙所示,小梦用弹簧测力计替代钩码,在B点竖直向下拉,然后将弹簧测力计逐渐向右倾斜,要使杠杆仍然在水平位置平衡,则弹簧测力计的示数将逐渐________(选填“变大”或“变小”),原因是________。
(4)在实验中,改变力和力臂的大小得到多组数据的目的是________(填序号)。
A.使测量数据更准确
B.多次测量取平均值减小误差
C.避免偶然性,使实验结论具有普遍性
19.小致用如图所示轻质杠杆“探究杠杆的平衡条件”(忽略摩擦)。
(1)小致发现杠杆右端低左端高,应将杠杆右端的平衡螺母向________(填“左”或“右”)调节,使它在水平位置平衡,其目的是________。
(2)如图甲所示,在杠杆左边A处挂三个相同钩码,要使杠杆在水平位置平衡,应在杠杆右边B处挂同样钩码________个,若将A、B两处的钩码同时浸没水中,则杠杆________(填“仍能”或“不能”)保持水平位置平衡。
(3)图乙和图丙中的杠杆均静止,两图中弹簧测力计的示数分别为F1和F2,则F1________(填“>”、“<”或“=”)F2。
20.小明同学在“研究定滑轮和动滑轮特点”的实验中,实验装置如图所示.
实验次数 | 物重 | 使用动滑轮时测力计的示数F/N |
G/N | ||
1 | 1.00 | 0.65 |
2 | 1.50 | 0.9 |
3 | 2.00 | 1.15 |
(1)在研究定滑轮特点时,按图甲操作,觉得读数不方便,于是把测力计倒过来,即测力计吊环系在拉绳上,用手拉挂钩,测力计的示数会________(选填“大于”、“等于”或“小于”)物体的重力,其原因是________(不计绳重及摩擦)。
(2)在研究动滑轮特点时,按图乙操作,记录数据如表,分析表中的数据发现,测力计的示数F大于物重G的一半,其原因是________。如果不更换动滑轮,为了使测出的拉力接近物重的一半,请提出一条合理的建议________。
(3)小明在研究动滑轮特点的第二次实验中,若钩码在2s内匀速提高10cm,则拉力做的有用功是________J,拉力做功的功率是________W,此时动滑轮的机械效率为________。(不计绳重和摩擦)
21.在“测滑轮组机械效率”的实验中,小华用大小相同的滑轮,组成如图所示的滑轮组进行了实验,并把数据整理记录在如表中
5.在“测滑轮组机械效率”的实验中,小华用大小相同的滑轮,组成如图所示的滑轮组进行了实验,并把数据整理记录在如表中。
实验次数 | 滑轮材质 | 钩码重G/N | 提升钩码的高度h/m | 有用功W有用/J | 拉力F/N | 绳端移动的距离s/m | 总功W总/J | 机械效率η |
1 | 铝 | 1 | 0.1 | 0.1 | 0.6 | 0.3 | 0.18 | 56% |
2 | 铝 | 2 | 0.1 | 0.2 | 1.0 | 0.3 | 0.3 | 67% |
3 | 塑料 | 2 | 0.1 | 0.2 | 0.8 | 0.3 | 0.24 | ① |
(1)本实验需要的测量工具除了如图所示的之外还需要________;
(2)上表①处的正确数据是________;
(3)比较1、2两次实验可知:使用同一滑轮组提升不同的重物,钩码越重,滑轮组的机械效率越________;
(4)比较2、3两次实验可推测,若将铝质滑轮更换为体积大小相同的铁质滑轮,再次将重2N的钩码提升0.1m,此时滑轮组的机械效率可能为________(只填序号)
A.72%
B.67%
C.53%
(5)实验表明:额外功越小,总功越接近有用功。进一步推理得出:假如没有额外功,总功等于有用功。可见,使用任何机械都________。下列物理规律的得出运用了这种研究方法的是________。
A.光的反射定律
B.牛顿第一定律
C.阿基米德原理
D.焦耳定律
22.如图甲所示是某一学习小组探究“斜面的机械效率与斜面的倾斜程度关系”的实验装置。在其它条件一定时获取了表格中的实验数据。
(1)实验时,沿斜面拉动木块时,为使测力计的示数稳定,应尽量使木块做________运动。
(2)通过比较表格中“________”和“________”两栏对应的数据,可知斜面是一种省力的简单机械。
实验次数 | 斜面的倾斜程度 | 物重G/N | 斜面高度h/m | 拉力F/N | 斜面长度s/m | 机械效力η |
1 | 较缓 | 10 | 0.1 | 5.5 | 0.5 | 36.4% |
2 | 较陡 | 10 | 0.2 | 7.0 | 0.5 |
|
3 | 最陡 | 10 | 0.3 | 8.5 | 0.5 | 70.6% |
(3)表格中空缺处的数据为________。依据完整的数据可得出结论:在其它条件一定时,斜面________,机械效率越高。
(4)学习小组进一步分析实验数据,发现在其它条件一定时,斜面越陡,物体所受的摩擦力越________。
(5)请你结合所学物理知识,解决斜面的有关物理问题。图乙中木块分别沿斜面1、2滑到底端,木块到达斜面1、2底端时的速度分别为的v1、v2,若斜面粗糙程度相同则v1________v2(选填“大于”、“等于”或“小于”)。
专题1.7 机械功和功率问题【重难热突破】八年级下册物理期末复习宝典(人教版)(原卷及解析卷): 这是一份专题1.7 机械功和功率问题【重难热突破】八年级下册物理期末复习宝典(人教版)(原卷及解析卷),文件包含专题17机械功和功率问题重难热突破八年级下册物理期末复习宝典人教版原卷版docx、专题17机械功和功率问题重难热突破八年级下册物理期末复习宝典人教版解析版docx等2份试卷配套教学资源,其中试卷共19页, 欢迎下载使用。
专题1.6 滑轮组问题【重难热突破】八年级下册物理期末复习宝典(人教版)(原卷及解析卷): 这是一份专题1.6 滑轮组问题【重难热突破】八年级下册物理期末复习宝典(人教版)(原卷及解析卷),文件包含专题16滑轮组问题重难热突破八年级下册物理期末复习宝典人教版原卷版docx、专题16滑轮组问题重难热突破八年级下册物理期末复习宝典人教版解析版docx等2份试卷配套教学资源,其中试卷共16页, 欢迎下载使用。
专题1.5 斜面问题【重难热突破】八年级下册物理期末复习宝典(人教版)(原卷及解析卷): 这是一份专题1.5 斜面问题【重难热突破】八年级下册物理期末复习宝典(人教版)(原卷及解析卷),文件包含专题15斜面问题重难热突破八年级下册物理期末复习宝典人教版原卷版docx、专题15斜面问题重难热突破八年级下册物理期末复习宝典人教版解析版docx等2份试卷配套教学资源,其中试卷共16页, 欢迎下载使用。

