2022版高考数学大一轮复习课时作业12《函数模型及应用》(含答案详解)
展开一、选择题
下表显示出函数值y随自变量x变化的一组数据,由此判断它最可能的函数模型是( )
A.一次函数模型 B.二次函数模型
C.指数函数模型 D.对数函数模型
某文具店出售羽毛球拍和羽毛球,球拍每副定价20元,羽毛球每个定价5元,该店制定了两种优惠方法:①买一副球拍赠送一个羽毛球;②按总价的92%付款.现某人计划购买4副球拍和30个羽毛球,两种方法中,更省钱的一种是( )
A.不能确定 B.①②同样省钱 C.②省钱 D.①省钱
一个人以6 m/s的速度去追停在交通灯前的汽车,当他离汽车25 m时,交通灯由红变绿,汽车以1 m/s2的加速度匀加速开走,那么( )
A.人可在7 s内追上汽车
B.人可在10 s内追上汽车
C.人追不上汽车,其间距最少为5 m
D.人追不上汽车,其间距最少为7 m
某市生产总值连续两年持续增加.第一年的增长率为p,第二年的增长率为q,则该市这两年生产总值的年平均增长率为( )
A.eq \f(p+q,2) B. SKIPIF 1 < 0 C.eq \r(pq) D. SKIPIF 1 < 0
李冶(1192—1279),真定栾城(今河北省石家庄市)人,金元时期的数学家、诗人,晚年在封龙山隐居讲学,数学著作多部,其中《益古演段》主要研究平面图形问题:求圆的直径、正方形的边长等.其中一问:现有正方形方田一块,内部有一个圆形水池,其中水池的边缘与方田四边之间的面积为13.75亩,若方田的四边到水池的最近距离均为二十步,则圆池直径和方田的边长分别是(注:240平方步为1亩,圆周率按3近似计算)( )
A.10步,50步 B.20步,60步 C.30步,70步 D.40步,80步
某产品的总成本y(万元)与产量x(台)之间的函数关系式为y=3 000+20x-0.1x2(0<x<240,x∈N*),若每台产品的售价为25万元,则生产者不亏本时(销售收入不小于总成本)的最低产量是( )
A.100台 B.120台 C.150台 D.180台
某种动物的种群数量y(单位:只)与时间x(单位:年)的关系式为y=alg2(x+1),若这种动物第一年有100只,则到第7年它们发展到( )
A.300只 B.400只 C.500只 D.600只
某种计算机病毒是通过电子邮件进行传播的,表格是某公司前5天监测到的数据:
则下列函数模型中能较好地反映在第x天被感染的数量y与x之间的关系的是( )
A.y=12x B.y=6x2-6x+12 C.y=6·2x D.y=12lg2x+12
二、填空题
某家具的标价为132元,若降价以九折出售(即优惠10%),仍可获利10%(相对进货价),
则该家具的进货价是 元.
某人根据经验绘制了春节前后,从1月21日至2月8日自己种植的西红柿的销售量y(千克)随时间x(天)变化的函数图象,如图所示,则此人在1月26日大约卖出了西红柿 千克.
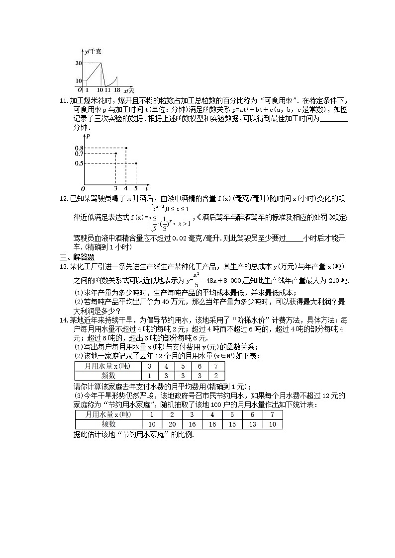
加工爆米花时,爆开且不糊的粒数占加工总粒数的百分比称为“可食用率”.在特定条件下,可食用率p与加工时间t(单位:分钟)满足函数关系p=at2+bt+c(a,b,c是常数),如图记录了三次实验的数据.根据上述函数模型和实验数据,可以得到最佳加工时间为________分钟.
已知某驾驶员喝了m升酒后,血液中酒精的含量f(x)(毫克/毫升)随时间x(小时)变化的规律近似满足表达式f(x)= SKIPIF 1 < 0 ,《酒后驾车与醉酒驾车的标准及相应的处罚》规定:驾驶员血液中酒精含量应不超过0.02毫克/毫升.则此驾驶员至少要过 小时后才能开车.(精确到1小时)
三、解答题
某化工厂引进一条先进生产线生产某种化工产品,其生产的总成本y(万元)与年产量x(吨)之间的函数关系式可以近似地表示为y=eq \f(x2,5)-48x+8 000,已知此生产线年产量最大为210吨.
(1)求年产量为多少吨时,生产每吨产品的平均成本最低,并求最低成本;
(2)若每吨产品平均出厂价为40万元,那么当年产量为多少吨时,可以获得最大利润?最大利润是多少?
某地近年来持续干旱,为倡导节约用水,该地采用了“阶梯水价”计费方法,具体方法:每户每月用水量不超过4吨的每吨2元;超过4吨而不超过6吨的,超过4吨的部分每吨4元;超过6吨的,超出6吨的部分每吨6元.
(1)写出每户每月用水量x(吨)与支付费用y(元)的函数关系;
(2)该地一家庭记录了去年12个月的月用水量(x∈N*)如下表:
请你计算该家庭去年支付水费的月平均费用(精确到1元);
(3)今年干旱形势仍然严峻,该地政府号召市民节约用水,如果每个月水费不超过12元的家庭称为“节约用水家庭”,随机抽取了该地100户的月用水量作出如下统计表:
据此估计该地“节约用水家庭”的比例.
\s 0 答案详解
答案为:A.
解析:由表中数据知x,y满足关系y=13+2(x-3).故为一次函数模型.
答案为:D.
解析:方法①用款为4×20+26×5=80+130=210(元),
方法②用款为(4×20+30×5)×92%=211.6(元),
因为210<211.6,故方法①省钱.
答案为:D.
解析:设汽车经过t秒行驶的路程为s米,则s=eq \f(1,2)t2,
车与人的间距d=(s+25)-6t=eq \f(1,2)t2-6t+25=eq \f(1,2)(t-6)2+7,当t=6时,d取得最小值为7.
答案为:D.
解析:设第一年年初生产总值为1,则这两年的生产总值为(p+1)(q+1).
设这两年生产总值的年平均增长率为x,则(1+x)2=(p+1)(q+1),
解得x=eq \r(p+1q+1)-1.故选D.
答案为:B.
解析:设圆池的半径为r步,则方田的边长为(2r+40)步,由题意,
得(2r+40)2-3r2=13.75×240,解得r=10或r=-170(舍),
所以圆池的直径为20步,方田的边长为60步.故选B.
答案为:C.
解析:设利润为f(x)万元,
则f(x)=25x-(3 000+20x-0.1x2)=0.1x2+5x-3 000(0<x<240,x∈N*).
令f(x)≥0,得x≥150,∴生产者不亏本时的最低产量是150台.
答案为:A;
解析:
由题意,得100=alg2(1+1),解得a=100,所以y=100lg2(x+1),
当x=7时,y=100lg2(7+1)=300,故到第7年它们发展到300只.
答案为:C;
解析:
由表格可知,每一天的计算机被感染台数大约是前一天的2倍,
故增长速度符合指数型函数,故选C.
答案为:108.
解析:设进货价为a元,由题意知132×(1-10%)-a=10%·a,解得a=108.
答案为:eq \f(190,9).
解析:前10天满足一次函数关系,设为y=kx+b,
将点(1,10)和点(10,30)代入函数解析式得
eq \b\lc\{\rc\ (\a\vs4\al\c1(10=k+b,,30=10k+b,))解得k=eq \f(20,9),b=eq \f(70,9),所以y=eq \f(20,9)x+eq \f(70,9),则当x=6时,y=eq \f(190,9).
答案为:3.75;
解析:由实验数据和函数模型知,二次函数p=at2+bt+c的图象过点(3,0.7),(4,0.8),(5,0.5),分别代入解析式,得eq \b\lc\{(\a\vs4\al\c1(0.7=9a+3b+c,,0.8=16a+4b+c,,0.5=25a+5b+c,))解得eq \b\lc\{(\a\vs4\al\c1(a=-0.2,,b=1.5,,c=-2.))
所以p=-0.2t2+1.5t-2=-0.2(t-3.75)2+0.812 5,
所以当t=3.75时,可食用率p最大,即最佳加工时间为3.75分钟.
答案为:4.
解析:驾驶员醉酒1小时血液中酒精含量为5-1=0.2,要使酒精含量≤0.02毫克/毫升,
则eq \f(3,5)eq \b\lc\(\rc\)(\a\vs4\al\c1(\f(1,3)))x≤0.02,∴x≥lg330=1+lg310>1+lg39=3,故至少要4个小时后才能开车.
解:(1)每吨平均成本为eq \f(y,x)(万元).
则eq \f(y,x)=eq \f(x,5)+eq \f(8 000,x)-48≥2eq \r(\f(x,5)·\f(8 000,x))-48=32,当
且仅当eq \f(x,5)=eq \f(8 000,x),即x=200时取等号.
所以年产量为200吨时,每吨产品的平均成本最低,为32万元.
(2)设年获得总利润为R(x)万元,
则R(x)=40x-y=40x-eq \f(x2,5)+48x-8 000
=-eq \f(x2,5)+88x-8 000
=-eq \f(1,5)(x-220)2+1 680(0≤x≤210).
因为R(x)在[0,210]上是增函数,
所以x=210时,R(x)有最大值,为-eq \f(1,5)(210-220)2+1 680=1 660.
所以年产量为210吨时,可获得最大利润1 660万元.
解:(1)y关于x的函数关系式为y=eq \b\lc\{\rc\ (\a\vs4\al\c1(2x,0≤x≤4,,4x-8,4
(2)由(1)知:当x=3时,y=6;
当x=4时,y=8;当x=5时,y=12;
当x=6时,y=16;当x=7时,y=22.
所以该家庭去年支付水费的月平均费用为
eq \f(1,12)×(6×1+8×3+12×3+16×3+22×2)≈13(元).
(3)由(1)和题意知:当y≤12时,x≤5,
所以“节约用水家庭”的频率为eq \f(77,100)=77%,
据此估计该地“节约用水家庭”的比例为77%.
高考数学一轮复习课时作业:12 函数模型及应用 Word版含解析: 这是一份高考数学一轮复习课时作业:12 函数模型及应用 Word版含解析,共8页。试卷主要包含了选择题,填空题,解答题等内容,欢迎下载使用。
2022版高考数学大一轮复习作业本12《函数模型及其应用》(含答案详解): 这是一份2022版高考数学大一轮复习作业本12《函数模型及其应用》(含答案详解),共4页。试卷主要包含了选择题,填空题等内容,欢迎下载使用。
2022版高考数学大一轮复习课时作业10《函数的图象》(含答案详解): 这是一份2022版高考数学大一轮复习课时作业10《函数的图象》(含答案详解),共5页。试卷主要包含了选择题,填空题等内容,欢迎下载使用。

