还剩16页未读,
继续阅读
所属成套资源:高考化学一轮复习教案
成套系列资料,整套一键下载
高考化学一轮复习 第十章 第4讲 实验作图题(含解析)
展开
第4讲 实验作图题
热点一 化学实验装置图绘制方法
一、化学实验装置图绘制的基本要求
1.仪器造型科学规范,比例合适
常用仪器造型要科学,画法要形象、规范。整个化学实验装置图中所绘制的各种仪器大小比例要合适,同一仪器各部分的大小比例亦要合适。
2.组合正确,画面整洁
在绘制化学实验装置图时,要能体现所有的各种仪器和连接部件组装正确,布局合理,使用科学。在同一图形中,各种仪器的绘制线条粗细应一致,画面要洁净,并能清楚地反映出各种仪器的特征形象。
二、图形的基本画法
1.常用仪器图的画法
(1)标准画法。实验室中所用的仪器种类众多,大小各异,但平面直视每单个仪器,它们都具有比较统一的比例形体。如果要获得比较标准满意的图形,就必须掌握各种仪器的体形比例,防止绘画过程中的高矮胖瘦现象。在绘制时往往要借助直尺、圆规等绘图工具。
图1 几种常见玻璃仪器的绘制比例
(2)习惯画法。习惯画法的要点是“画中线、点两边、校比例、再连线”。很多仪器是对称结构,因此,首先画出一条辅助中线,然后根据仪器的体形在中线的两边点出图形的隐视轮廓,再轻笔连接轮廓点,正视图形,校正比例,直至令人满意,再用实线修饰描成,最后擦去多余的部分。
图2 仪器的习惯画法举例
画中线
点两边
校比例
再连线
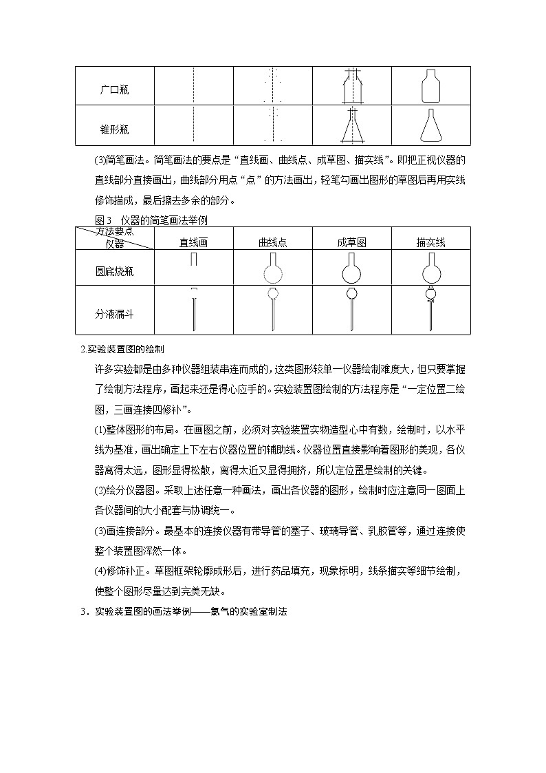
广口瓶
锥形瓶
(3)简笔画法。简笔画法的要点是“直线画、曲线点、成草图、描实线”。即把正视仪器的直线部分直接画出,曲线部分用点“点”的方法画出,轻笔勾画出图形的草图后再用实线修饰描成,最后擦去多余的部分。
图3 仪器的简笔画法举例
直线画
曲线点
成草图
描实线
圆底烧瓶
分液漏斗
2.实验装置图的绘制
许多实验都是由多种仪器组装串连而成的,这类图形较单一仪器绘制难度大,但只要掌握了绘制方法程序,画起来还是得心应手的。实验装置图绘制的方法程序是“一定位置二绘图,三画连接四修补”。
(1)整体图形的布局。在画图之前,必须对实验装置实物造型心中有数,绘制时,以水平线为基准,画出确定上下左右仪器位置的辅助线。仪器位置直接影响着图形的美观,各仪器离得太远,图形显得松散,离得太近又显得拥挤,所以定位置是绘制的关键。
(2)绘分仪器图。采取上述任意一种画法,画出各仪器的图形,绘制时应注意同一图面上各仪器间的大小配套与协调统一。
(3)画连接部分。最基本的连接仪器有带导管的塞子、玻璃导管、乳胶管等,通过连接使整个装置图浑然一体。
(4)修饰补正。草图框架轮廓成形后,进行药品填充,现象标明,线条描实等细节绘制,使整个图形尽量达到完美无缺。
3.实验装置图的画法举例——氯气的实验室制法
三、画制备气体装置图的易错点
易错点1 选择试剂不合理、导管位置出错
【例1】 某研究性学习小组进行SO2的制备及性质探究实验。根据反应Na2SO3(s)+H2SO4(浓)===Na2SO4+SO2↑+H2O制SO2气体。用下列简图,画出制备并收集SO2的实验装置(含试剂)示意图。
错解:如图甲,收集气体的方法错误,应长导管进,短导管出;二氧化硫在水中溶解度不是很大(1∶40),应用氢氧化钠溶液吸收二氧化硫;氢氧化钠与二氧化硫反应较慢,不用防倒吸装置。
正解:装置如图乙
易错点2 气体净化顺序、尾气处理等错误
【例2】 设计实验用二氧化锰与浓盐酸制备纯净、干燥的氯气,其他药品和试剂任选。在下面虚线框中,有分液漏斗和圆底烧瓶组成的气体发生器,请在虚线框内的发生装置之后完成该反应的实验装置示意图(夹持装置、连接胶管不必画出,需要加热的仪器下方用△标出),其他可选用的仪器(数量不限)简易表示如下:
错解1:如图A碳酸氢钠溶液呈碱性,能吸收氯气;没有尾气处理装置。
错解2:如图B先干燥,后除氯化氢,收集气体带有水蒸气;集气瓶密闭,空气无法排出,易发生危险。
正解:装置如图C
1.[2013·天津理综,9(5)]FeCl3在现代工业生产中应用广泛。某化学研究性学习小组模拟工业流程制备无水FeCl3
经查阅资料得知:无水FeCl3在空气中易潮解,加热易升华。他们设计了制备无水FeCl3的实验方案,装置示意图(加热及夹持装置略去)如下:
请在虚线框中画出尾气吸收装置E并注明试剂。
答案
2.Ⅰ.化学实验室制取氯化氢气体的方法之一是将浓硫酸滴入浓盐酸中。请从图中挑选所需仪器,在方框内画出用该方法制备、收集、干燥氯化氢气体的装置简图,并在图中标明所用试剂。(仪器可重复使用,固定装置不必画出)
Ⅱ.实验室制备少量硫酸亚铁晶体的实验步骤如下:取过量洁净的铁屑,加入20%~30%的稀硫酸溶液,在50~80 ℃水浴中加热至不再产生气泡。将溶液趁热过滤,滤液移至试管中,用橡胶塞塞住试管口,静置、冷却一段时间后收集产品。
(1)写出该实验制备硫酸亚铁的化学方程式:________________________________________________________________________。
(2)硫酸溶液过稀会导致________________________________________________________________________。
(3)采用水浴加热的原因是________________________________________________________________________。
(4)反应时铁屑过量的目的是(用离子方程式表示)________________________________________________________________________。
(5)溶液趁热过滤的原因是________________________________________________________________________。
(6)静置冷却一段时间后,在试管中观察到的现象是________________________________________________________________________
________________________________________________________________________。
答案 Ⅰ.
Ⅱ.(1)Fe+H2SO4(稀)FeSO4+H2↑
(2)反应速率慢,不利于晶体析出
(3)容易控制温度
(4)Fe+2Fe3+===3Fe2+
(5)减少FeSO4的损失;防止空气进入试管将Fe2+氧化为Fe3+
(6)有浅绿色晶体析出
3.请设计CO2在高温下与木炭反应生成CO的实验。
(1)在下面方框中,A表示由长颈漏斗和锥形瓶组成的气体发生器,请在A后完成该反应的实验装置示意图(夹持装置、连接胶管及尾气处理部分不必画出,需要加热的仪器下方用△标出),按气流方向在每件仪器下方标出字母B、C……,其他可选用的仪器(数量不限)简易表示如下:
导管:
试管:
反应管:
胶塞:(插入导管表示已开孔)
(2)根据方框中的装置图,填写下表(可不填满)。
仪器标号
仪器中所加物质
作用
A
石灰石、稀盐酸
石灰石与盐酸作用产生CO2
(3)有人对气体发生器作如下改进:在锥形瓶中放入一小试管,将长颈漏斗下端插入小试管中。改进后的优点是________________________________________________________________________
________________________________________________________________________。
(4)验证CO的方法是________________________________________________________________________。
解析 (1)与一般的物质制备思路是一致的,先制备CO2,再净化除杂,干燥,接着再与木炭在高温下反应制CO,最后除去未反应完的CO2,本小题中只需要画装置简图即可。
(2)仪器装置中所盛试剂及其作用:B中:饱和的碳酸氢钠溶液,除去气体中的氯化氢气体;C中:浓硫酸,除去二氧化碳中的水蒸气;D中:干燥的木炭粉,目的是与二氧化碳反应产生CO;E中:氢氧化钠溶液,除去未反应的二氧化碳。
(3)将长颈漏斗下端插入一小试管中的优点:一是可以控制反应的快慢,通过控制加入的酸的量来控制反应产生气体的快慢;二是防止容器内因压力过大造成气体从长颈漏斗中逸出。
(4)验证一氧化碳的方法可以利用一氧化碳的可燃性进行,将气体点燃,然后在火焰上方罩一内壁涂有澄清石灰水的烧杯,若火焰呈蓝色且澄清石灰水变浑浊,证明产生了一氧化碳。
答案 (1)如下图所示
(2)
仪器标号
仪器中所加物质
作用
B
饱和碳酸氢钠溶液
除去CO2中的HCl气体
C
浓硫酸
除去CO2中的水蒸气
D
干燥木炭粉
与CO2反应产生CO
E
氢氧化钠溶液
吸收未反应的CO2
(3)可以通过控制加酸的量,来控制气体产生的快慢;同时小试管中充满盐酸,可以起到液封的作用,防止反应剧烈时气体经漏斗逸出
(4)点燃气体,火焰呈蓝色,再用一个内壁附着有澄清石灰水的烧杯罩在火焰上,烧杯内壁的石灰水变浑浊
热点二 化学曲线型绘图题
化学曲线型绘图题,指基于某种化学量随时间或条件的改变而产生连续性变化的曲线图像并依此而设计问题的试题。
解此类图像题一般需注意以下几点,第一需清楚每条或每段曲线所代表的物质,第二需清楚在指定条件范围内生成物的种类,第三需计算在该条件下各生成物的量或量之比。从定量角度分析化学反应,要打破只从定性角度思考化学反应的思维定势,近年来这类图像题从竞赛的常客变成了高考的常客。
【典例1】 物质(tBuNO)2在正庚烷溶剂中发生如下反应:(tBuNO)22(tBuNO)。通过比色分析得到30℃时(tBuNO)2浓度随时间的变化曲线如下图所示,请在同一图中绘出tBuNO浓度随时间的变化曲线。
解析 欲绘出tBuNO浓度随时间的变化曲线,要先从图中30 ℃时(tBuNO)2浓度随时间的变化关系曲线上,分别查得1 min、3 min、4.5 min、8 min等时(tBuNO)2的浓度,然后按
(tBuNO)22(tBuNO)
c0/mol·L-1 0.05 0
c转/mol·L-1 x 2x
c某时刻/mol·L-1 0.05-x 2x
求出1 min、3 min、4.5 min、8 min等时(tBuNO)的浓度,最后在图上找出相应的点,连成平滑曲线即可。
答案
【典例2】 若含有1 mol Mg2+和1 mol Al3+的混合溶液,现按横坐标依次加入NaOH溶液、盐酸,通入CO2气体,纵坐标为混合沉淀物的物质的量。请画出沉淀的物质的量随反应的变化曲线,并写出各步反应的离子方程式。
解析 加入NaOH溶液必然产生混合沉淀,当NaOH溶液过量时,混合沉淀中Al(OH)3又溶解了,继续加入NaOH溶液时沉淀量不变;加入盐酸时,和NaOH先反应;再通入CO2,必然产生Al(OH)3沉淀。
答案 图像如图:
反应的离子方程式分阶段书写为
OA段:Mg2++2OH-===Mg(OH)2↓
Al3++3OH-===Al(OH)3↓
AB段:Al(OH)3+OH-===AlO+2H2O
CD段:H++OH-===H2O
DE段:2AlO+CO2+3H2O===2Al(OH)3↓+CO
EF段:CO+CO2+H2O===2HCO
1.[2011·天津理综,7(5)改编]向含4 mol的HNO3稀溶液中,逐渐加入铁粉至过量。假设生成的气体只有一种,请在坐标系中画出n(Fe2+)随n(Fe)变化的示意图,并标出n(Fe2+)的最大值。
答案
解析 硝酸具有强氧化性,若将铁粉逐渐加入一定量的硝酸中,先生成Fe3+,后转化为Fe2+。反应过程如下:Fe+4HNO3===Fe(NO3)3+NO↑+2H2O,Fe+2Fe(NO3)3===3Fe(NO3)2,4 mol硝酸消耗1 mol铁时没有亚铁离子生成,继续加铁0.5 mol时,1 mol硝酸铁完全转化为1.5 mol硝酸亚铁,此时亚铁离子达到最大值。
(1)不能从本质上认识反应过程,搞不清Fe与稀硝酸反应各物质之间量的关系。
(2)过去题目大多都是“通过图像分析反应过程”,此题是“画出有关化学反应的图像”。思维方式的转变也是正确解答此题的关键。
2.已知:2SO2(g)+O2(g)2SO3(g) ΔH=-196 kJ·mol-1。850 K时,在2 L固定容积的密闭容器中充入2 mol SO2和2 mol O2,10 min后达到平衡,SO2浓度和时间关系如图。
若15 min时维持温度不变,压缩容器体积,使其体积变为1 L,假设在20 min时达到新平衡,此时c(O2)=1.15 mol·L-1,请在图上画出15~25 min SO2的浓度变化曲线。
答案
解析 首先计算出该温度下的平衡常数K==26.7,体积缩小为1 L,平衡正向移动,平衡常数不变,利用平衡常数可以计算出达新平衡时SO2的浓度,即可绘出图像。
3.图中曲线表示反应CO(g)+H2O(g)CO2(g)+H2(g) ΔH<0在T1 ℃时CO2的物质的量n(CO2)随时间(t)的变化趋势,请在图中画出T2 ℃时(T2>T1),n(CO2)随时间(t)的变化趋势。
答案
解析 T2温度高,反应速率快,先拐先平,由于反应放热,升高温度,平衡逆向移动,n(CO2)减小。
4.在下图中画出用0.100 0 mol·L-1 NaOH溶液滴定20.00 mL 0.100 0 mol·L-1 HCl溶液的滴定曲线示意图。
答案
解析 滴定曲线的起点pH=1,当氢氧化钠的体积为20.00 mL 时pH=7,且在20.00 mL前后很小的区间内,pH值发生突变。
5.(14分)某学生利用以下装置探究氯气与氨气之间的反应。其中A、F分别为氨气和氯气的发生装置,C为纯净干燥的氯气与氨气反应的装置。
请回答下列问题:
(1)装置F中发生反应的离子方程式为
________________________________________________________________________。
(2)装置A的烧瓶中可装试剂
________________________________________________________________________。
(3)B装置的名称是__________;E装置的作用__________。
(4)通入C装置的两根导管左边较长、右边较短,目的是
________________________________________________________________________。
(5)装置C内出现浓厚的白烟并在容器内壁凝结,另一生成物是空气的主要成分之一。请写出反应的化学方程式:
________________________________________________________________________。
当有a mol氯气参加反应时,转移的电子总数为b个,则阿伏加德罗常数为(用含a、b的代数式表示)____ ______________________________________________。
(6)从装置C的G处逸出的尾气中可能含有黄绿色的有毒气体,画出处理装置图。
想原理、审装置、按要求、规范解答
学生案例
失分原因
(1)漏写加热符号扣1分
(2)指代不明不得分
(3)名称错误不得分,“除杂”笼统不得分
(4)答案不全面扣1分
(6)没有画出装置中的试剂扣2分
正确答案 (1)MnO2+4H++2Cl-Mn2++Cl2↑+2H2O (2分)
(2)生石灰(或固体氢氧化钠或碱石灰) (2分)
(3)干燥管 除去Cl2中的HCl(每空1分)
(4)使密度大的氯气与密度小的氨气较快地均匀混合 (2分)
(5)3Cl2+8NH3===N2+6NH4Cl(2分) mol-1 (2分)
(6)
(2分)
练出高分
1.已知,室温下存在反应3HNO2===HNO3+2NO↑+H2O;在酸性溶液中,NO可将MnO还原为Mn2+且无气体生成。某化学兴趣小组设计了如下探究实验:
请回答下列问题:
(1)装置A的试管中发生反应的化学方程式是________________________________________________________________________。
(2)B瓶中可以观察到的现象是____________________,C瓶出来的气体是____________。
(3)实验时观察到D管内固体颜色逐渐变为白色。据此甲同学认为D管中生成物是NaNO3,而乙同学则认为D管中生成的是NaNO2,如何证明乙同学的观点正确?
实验方法
实验现象
反应的离子方程式
(4)E装置的作用是___________________________________________。
(5)同学们经讨论认为上述装置仍有缺陷,为了避免D管中生成NaOH,你认为应该进行的改进是_____________________________________________,
并画出装置图。
答案 (1)C+4HNO3(浓)CO2↑+4NO2↑+2H2O
(2)产生无色气体,溶液逐渐变蓝 NO
(3)方案Ⅰ:将生成物置于试管中,加入稀硫酸 产生无色气体并在液面上方变为红棕色 3NO+2H+===NO+2NO↑+H2O
方案Ⅱ:将生成物置于试管中,加入酸性KMnO4溶液 溶液紫色褪去 5NO+2MnO+6H+===5NO+2Mn2++3H2O
(4)吸收D中未反应完的NO,以免污染空气
(5)在C、D之间增加一个盛浓硫酸的洗气瓶(或装无水CaCl2的干燥管)
解析 (1)C和浓HNO3反应需要加热。
(2)由于NO2和H2O反应生成HNO3,Cu和HNO3反应生成NO和Cu(NO3)2,所以现象是产生无色气体且溶液变蓝。
(3)证明是否是NaNO2,应利用其还原性。
(5)画装置图时,要注意注明药品或试剂名称。
2.氨是氮循环过程中的重要物质,氨的合成是目前普遍使用的人工固氮方法。
(1)根据下图提供的信息,写出该反应的热化学方程式________________________________________________________________________
________________________________________________________________________,
在图中曲线________(填“a”或“b”)表示加入铁触媒的能量变化曲线。
(2)在恒容容器中,下列描述中能说明上述反应已达平衡的是________(填字母序号)。
A.3v(H2)正=2v(NH3)逆
B.单位时间内生成n mol N2的同时生成2n mol NH3
C.混合气体的密度不再改变
D.容器内压强不随时间的变化而变化
(3)一定温度下,向2 L密闭容器中充入1 mol N2和3 mol H2,保持体积不变,0.5 min后达到平衡,测得容器中有0.4 mol NH3,则反应速率v(N2)=________,该温度下的平衡常数K=__________。若升高温度,K值变化________(填“增大”、“减小”或“不变”)。
(4)为了寻找合成NH3适宜的温度和压强,某同学设计了三组实验,部分实验条件已经填在下面实验设计表中。
实验编号
T(℃)
n(N2)/n(H2)
p(MPa)
ⅰ
450
1/3
1
ⅱ
10
ⅲ
480
10
A.请在上表空格中填入剩余的实验条件数据。
B.根据反应N2(g)+3H2(g)2NH3(g)的特点,在给出的坐标图中,画出其在1 MPa和10 MPa条件下H2的转化率随温度变化的趋势曲线示意图,并标明各条曲线的压强。
答案 (1)N2(g)+3H2(g)2NH3(g)
ΔH=-92 kJ·mol-1 b
(2)BD (3)0.2 mol·L-1·min-1 0.058 减小
(4)
实验编号
T(℃)
n(N2)/n(H2)
ⅰ
ⅱ
450
1/3
ⅲ
1/3
解析 (1)该反应为放热反应,ΔH应为负值。
(2)A项,系数比错误;C项,因为体积不变,密度始终不变,均不能作为平衡标志。
(3)v(N2)=v(NH3)=×=0.2 mol·L-1·min-1。c(N2)=0.4 mol·L-1,c(NH3)=0.2 mol·L-1,c(H2)=1.2 mol·L-1,K===0.058。该反应为放热反应,升温,平衡左移,K减小。
(4)应控制一个条件改变,其他条件不变。
(5)温度不变,加压,平衡右移,H2的转化率增大;压强不变,升温,平衡左移,H2的转化率减小。
3.在一固定容积为2 L的密闭容器内加入0.2 mol N2和0.6 mol H2,一定条件下发生反应:N2(g)+3H2(g)2NH3(g) ΔH<0。反应中NH3的物质的量浓度的变化情况如图所示。
请回答下列问题:
(1)根据图中数据,从反应开始到平衡时,v(NH3)=________。
(2)该反应450 ℃时的平衡常数________500 ℃时的平衡常数(填“>”、“<”或“=”)。
(3)下列描述中能说明上述反应已达到平衡状态的是________(填序号)。
A.3v正(H2)=2v逆(NH3)
B.容器中气体的平均相对分子质量不随时间的变化而变化
C.容器中气体的密度不随时间的变化而变化
D.容器中气体的分子总数不随时间的变化而变化
(4)第5 min时将容器的体积缩小一半,若在第8 min时该反应达到新的平衡(此时NH3的浓度约为0.25 mol·L-1),请在原图中画出从第5 min到达新的平衡状态时NH3浓度变化的曲线。
答案 (1)0.025 mol·L-1·min-1 (2)> (3)BD
(4)
解析 (1)据图计算从反应开始到平衡时,v(NH3)==0.025 mol·L-1·min-1。
(2)由于该反应为放热反应,温度越高,其平衡常数越小,故反应在450 ℃时的平衡常数大于500 ℃时的平衡常数。
(3)A项当2v正(H2)=3v逆(NH3)才能确定反应达到平衡;B项容器中气体的平均相对分子质量在没有达到平衡时为变量,当其不随时间的变化而变化时,满足“变量不变”的特点;C项容器中气体的密度在没有达到平衡时不随时间而变化,不满足“变量不变”的特点;D项容器中气体的分子总数在没有达到平衡时为变量,当其不随时间的变化而变化时,满足“变量不变”的特点。
(4)先在图上标2个点:第一个点,第5 min时将容器的体积缩小一半后,NH3的浓度突变为0.20 mol·L-1;第二个点,在第8 min时达到新的平衡,此时NH3的浓度约为0.25 mol·L-1;然后在第5~8 min之间用光滑的曲线相连。
4.硫酸盐有着广泛的应用。
(1)以下是CuSO4·5H2O的实验室制备流程图。
根据题意完成下列填空:
①理论上,为了制得纯净的CuSO4·5H2O晶体,需要消耗稀硫酸、稀硝酸溶质物质的量之比为__________,发生反应的离子方程式为________________________________________________________________________。
②实际生产过程中对所加稀硝酸的浓度控制要求比较高,通常用标准氢氧化钠溶液来滴定。滴定过程中若用酚酞作指示剂,终点现象是________________________________________________________________________。
请在下图中画出滴定过程中溶液的pH随所滴加氢氧化钠溶液体积的变化的曲线图(要求过A点)。
③用惰性电极电解一定浓度的硫酸铜溶液。通电一段时间后,向所得的溶液中加入0.1 mol Cu2(OH)2CO3后恰好恢复到电解前的浓度和pH(不考虑CO2的溶解),则电解过程中共转移电子的物质的量为__________。
(2)为测定混合肥料K2SO4、(NH4)2SO4中钾的含量,完善下列步骤:
①称取钾氮肥试样并溶于水,加入足量________溶液,产生白色沉淀。
②________、________、________(依次填写实验操作名称)。
③冷却、称重。
若试样为m g,沉淀的物质的量为n mol,则试样中K2SO4的物质的量为________mol(用含m、n的代数式表示)。
答案 (1)①3∶2 3Cu+8H++2NO===3Cu2++2NO↑+4H2O
②溶液由无色变成红色(或浅红色),且半分钟内不褪色
③0.6 mol
(2)①BaCl2[或Ba(OH)2]
②过滤 洗涤 干燥(或烘干)
解析 (1)①在酸性条件下,硝酸盐具有氧化性,能氧化单质铜,反应的离子方程式是3Cu+8H++2NO===3Cu2++2NO↑+4H2O。根据方程式可知,如果硝酸的物质的量是2 mol,则根据氢原子守恒可知,硫酸的物质的量就是(8 mol-2 mol)÷2=3 mol,所以硫酸和硝酸的物质的量之比是3∶2。
②由于酸不能使酚酞变色,而碱可以使酚酞显红色,所以终点时的现象是溶液由无色变成红色(或浅红色),且半分钟内不褪色。由于随着氢氧化钠溶液的滴加,溶液的pH会逐渐增大,邻近终点时pH会发生突变,所以正确的图像是。
③根据离子的放电顺序可知,惰性电极电解一定浓度的硫酸铜溶液时,阳极是溶液中的OH-放电,而阴极首先是Cu2+放电,然后是溶液中的氢离子放电。由于向所得的溶液中加入0.1 mol Cu2 (OH)2CO3后恰好恢复到电解前的浓度和pH,而Cu2(OH)2CO3可以写成2CuO·CO2·H2O,反应中转移电子的物质的量是0.1 mol×2×2+0.1 mol×2×1=0.6 mol。
(2)①产生的白色沉淀应该是硫酸钡,所以加入的试剂是BaCl2或Ba(OH)2。
②从溶液中分离出白色沉淀应该是过滤。过滤出的沉淀必须通过洗涤和干燥,即正确的操作分别是过滤、洗涤、干燥(或烘干)。
③设K2SO4、(NH4)2SO4的物质的量分别是x mol和y mol,则x+y=n,174x+132y=m,解得x=。
5.研究化学反应原理对于生产生活是很有意义的。
(1)请设计一个实验装置,使铜与稀硫酸反应生成硫酸铜与氢气。在下面的方框内画出装置图,并标明电极材料名称和电解质溶液名称。
(2)钢铁生锈现象随处可见,钢铁的电化学腐蚀原理如图所示:
①写出石墨电极的电极反应式:
________________________________________________________________________。
②将该装置作简单修改即可成为钢铁电化学防护的装置,请在图中虚线框内所示位置作出修改。
③写出修改后石墨电极的电极反应式: ____________________________。
(3)利用下图装置,可以模拟铁的电化学防护。若X为锌,开关K置于M处,该电化学防护法称为__________。
答案 (1)
(2)①O2+2H2O+4e-===4OH-
②
③2Cl--2e-===Cl2↑
(3)牺牲阳极的阴极保护法(或牺牲阳极保护法)
热点一 化学实验装置图绘制方法
一、化学实验装置图绘制的基本要求
1.仪器造型科学规范,比例合适
常用仪器造型要科学,画法要形象、规范。整个化学实验装置图中所绘制的各种仪器大小比例要合适,同一仪器各部分的大小比例亦要合适。
2.组合正确,画面整洁
在绘制化学实验装置图时,要能体现所有的各种仪器和连接部件组装正确,布局合理,使用科学。在同一图形中,各种仪器的绘制线条粗细应一致,画面要洁净,并能清楚地反映出各种仪器的特征形象。
二、图形的基本画法
1.常用仪器图的画法
(1)标准画法。实验室中所用的仪器种类众多,大小各异,但平面直视每单个仪器,它们都具有比较统一的比例形体。如果要获得比较标准满意的图形,就必须掌握各种仪器的体形比例,防止绘画过程中的高矮胖瘦现象。在绘制时往往要借助直尺、圆规等绘图工具。
图1 几种常见玻璃仪器的绘制比例
(2)习惯画法。习惯画法的要点是“画中线、点两边、校比例、再连线”。很多仪器是对称结构,因此,首先画出一条辅助中线,然后根据仪器的体形在中线的两边点出图形的隐视轮廓,再轻笔连接轮廓点,正视图形,校正比例,直至令人满意,再用实线修饰描成,最后擦去多余的部分。
图2 仪器的习惯画法举例
画中线
点两边
校比例
再连线
广口瓶
锥形瓶
(3)简笔画法。简笔画法的要点是“直线画、曲线点、成草图、描实线”。即把正视仪器的直线部分直接画出,曲线部分用点“点”的方法画出,轻笔勾画出图形的草图后再用实线修饰描成,最后擦去多余的部分。
图3 仪器的简笔画法举例
直线画
曲线点
成草图
描实线
圆底烧瓶
分液漏斗
2.实验装置图的绘制
许多实验都是由多种仪器组装串连而成的,这类图形较单一仪器绘制难度大,但只要掌握了绘制方法程序,画起来还是得心应手的。实验装置图绘制的方法程序是“一定位置二绘图,三画连接四修补”。
(1)整体图形的布局。在画图之前,必须对实验装置实物造型心中有数,绘制时,以水平线为基准,画出确定上下左右仪器位置的辅助线。仪器位置直接影响着图形的美观,各仪器离得太远,图形显得松散,离得太近又显得拥挤,所以定位置是绘制的关键。
(2)绘分仪器图。采取上述任意一种画法,画出各仪器的图形,绘制时应注意同一图面上各仪器间的大小配套与协调统一。
(3)画连接部分。最基本的连接仪器有带导管的塞子、玻璃导管、乳胶管等,通过连接使整个装置图浑然一体。
(4)修饰补正。草图框架轮廓成形后,进行药品填充,现象标明,线条描实等细节绘制,使整个图形尽量达到完美无缺。
3.实验装置图的画法举例——氯气的实验室制法
三、画制备气体装置图的易错点
易错点1 选择试剂不合理、导管位置出错
【例1】 某研究性学习小组进行SO2的制备及性质探究实验。根据反应Na2SO3(s)+H2SO4(浓)===Na2SO4+SO2↑+H2O制SO2气体。用下列简图,画出制备并收集SO2的实验装置(含试剂)示意图。
错解:如图甲,收集气体的方法错误,应长导管进,短导管出;二氧化硫在水中溶解度不是很大(1∶40),应用氢氧化钠溶液吸收二氧化硫;氢氧化钠与二氧化硫反应较慢,不用防倒吸装置。
正解:装置如图乙
易错点2 气体净化顺序、尾气处理等错误
【例2】 设计实验用二氧化锰与浓盐酸制备纯净、干燥的氯气,其他药品和试剂任选。在下面虚线框中,有分液漏斗和圆底烧瓶组成的气体发生器,请在虚线框内的发生装置之后完成该反应的实验装置示意图(夹持装置、连接胶管不必画出,需要加热的仪器下方用△标出),其他可选用的仪器(数量不限)简易表示如下:
错解1:如图A碳酸氢钠溶液呈碱性,能吸收氯气;没有尾气处理装置。
错解2:如图B先干燥,后除氯化氢,收集气体带有水蒸气;集气瓶密闭,空气无法排出,易发生危险。
正解:装置如图C
1.[2013·天津理综,9(5)]FeCl3在现代工业生产中应用广泛。某化学研究性学习小组模拟工业流程制备无水FeCl3
经查阅资料得知:无水FeCl3在空气中易潮解,加热易升华。他们设计了制备无水FeCl3的实验方案,装置示意图(加热及夹持装置略去)如下:
请在虚线框中画出尾气吸收装置E并注明试剂。
答案
2.Ⅰ.化学实验室制取氯化氢气体的方法之一是将浓硫酸滴入浓盐酸中。请从图中挑选所需仪器,在方框内画出用该方法制备、收集、干燥氯化氢气体的装置简图,并在图中标明所用试剂。(仪器可重复使用,固定装置不必画出)
Ⅱ.实验室制备少量硫酸亚铁晶体的实验步骤如下:取过量洁净的铁屑,加入20%~30%的稀硫酸溶液,在50~80 ℃水浴中加热至不再产生气泡。将溶液趁热过滤,滤液移至试管中,用橡胶塞塞住试管口,静置、冷却一段时间后收集产品。
(1)写出该实验制备硫酸亚铁的化学方程式:________________________________________________________________________。
(2)硫酸溶液过稀会导致________________________________________________________________________。
(3)采用水浴加热的原因是________________________________________________________________________。
(4)反应时铁屑过量的目的是(用离子方程式表示)________________________________________________________________________。
(5)溶液趁热过滤的原因是________________________________________________________________________。
(6)静置冷却一段时间后,在试管中观察到的现象是________________________________________________________________________
________________________________________________________________________。
答案 Ⅰ.
Ⅱ.(1)Fe+H2SO4(稀)FeSO4+H2↑
(2)反应速率慢,不利于晶体析出
(3)容易控制温度
(4)Fe+2Fe3+===3Fe2+
(5)减少FeSO4的损失;防止空气进入试管将Fe2+氧化为Fe3+
(6)有浅绿色晶体析出
3.请设计CO2在高温下与木炭反应生成CO的实验。
(1)在下面方框中,A表示由长颈漏斗和锥形瓶组成的气体发生器,请在A后完成该反应的实验装置示意图(夹持装置、连接胶管及尾气处理部分不必画出,需要加热的仪器下方用△标出),按气流方向在每件仪器下方标出字母B、C……,其他可选用的仪器(数量不限)简易表示如下:
导管:
试管:
反应管:
胶塞:(插入导管表示已开孔)
(2)根据方框中的装置图,填写下表(可不填满)。
仪器标号
仪器中所加物质
作用
A
石灰石、稀盐酸
石灰石与盐酸作用产生CO2
(3)有人对气体发生器作如下改进:在锥形瓶中放入一小试管,将长颈漏斗下端插入小试管中。改进后的优点是________________________________________________________________________
________________________________________________________________________。
(4)验证CO的方法是________________________________________________________________________。
解析 (1)与一般的物质制备思路是一致的,先制备CO2,再净化除杂,干燥,接着再与木炭在高温下反应制CO,最后除去未反应完的CO2,本小题中只需要画装置简图即可。
(2)仪器装置中所盛试剂及其作用:B中:饱和的碳酸氢钠溶液,除去气体中的氯化氢气体;C中:浓硫酸,除去二氧化碳中的水蒸气;D中:干燥的木炭粉,目的是与二氧化碳反应产生CO;E中:氢氧化钠溶液,除去未反应的二氧化碳。
(3)将长颈漏斗下端插入一小试管中的优点:一是可以控制反应的快慢,通过控制加入的酸的量来控制反应产生气体的快慢;二是防止容器内因压力过大造成气体从长颈漏斗中逸出。
(4)验证一氧化碳的方法可以利用一氧化碳的可燃性进行,将气体点燃,然后在火焰上方罩一内壁涂有澄清石灰水的烧杯,若火焰呈蓝色且澄清石灰水变浑浊,证明产生了一氧化碳。
答案 (1)如下图所示
(2)
仪器标号
仪器中所加物质
作用
B
饱和碳酸氢钠溶液
除去CO2中的HCl气体
C
浓硫酸
除去CO2中的水蒸气
D
干燥木炭粉
与CO2反应产生CO
E
氢氧化钠溶液
吸收未反应的CO2
(3)可以通过控制加酸的量,来控制气体产生的快慢;同时小试管中充满盐酸,可以起到液封的作用,防止反应剧烈时气体经漏斗逸出
(4)点燃气体,火焰呈蓝色,再用一个内壁附着有澄清石灰水的烧杯罩在火焰上,烧杯内壁的石灰水变浑浊
热点二 化学曲线型绘图题
化学曲线型绘图题,指基于某种化学量随时间或条件的改变而产生连续性变化的曲线图像并依此而设计问题的试题。
解此类图像题一般需注意以下几点,第一需清楚每条或每段曲线所代表的物质,第二需清楚在指定条件范围内生成物的种类,第三需计算在该条件下各生成物的量或量之比。从定量角度分析化学反应,要打破只从定性角度思考化学反应的思维定势,近年来这类图像题从竞赛的常客变成了高考的常客。
【典例1】 物质(tBuNO)2在正庚烷溶剂中发生如下反应:(tBuNO)22(tBuNO)。通过比色分析得到30℃时(tBuNO)2浓度随时间的变化曲线如下图所示,请在同一图中绘出tBuNO浓度随时间的变化曲线。
解析 欲绘出tBuNO浓度随时间的变化曲线,要先从图中30 ℃时(tBuNO)2浓度随时间的变化关系曲线上,分别查得1 min、3 min、4.5 min、8 min等时(tBuNO)2的浓度,然后按
(tBuNO)22(tBuNO)
c0/mol·L-1 0.05 0
c转/mol·L-1 x 2x
c某时刻/mol·L-1 0.05-x 2x
求出1 min、3 min、4.5 min、8 min等时(tBuNO)的浓度,最后在图上找出相应的点,连成平滑曲线即可。
答案
【典例2】 若含有1 mol Mg2+和1 mol Al3+的混合溶液,现按横坐标依次加入NaOH溶液、盐酸,通入CO2气体,纵坐标为混合沉淀物的物质的量。请画出沉淀的物质的量随反应的变化曲线,并写出各步反应的离子方程式。
解析 加入NaOH溶液必然产生混合沉淀,当NaOH溶液过量时,混合沉淀中Al(OH)3又溶解了,继续加入NaOH溶液时沉淀量不变;加入盐酸时,和NaOH先反应;再通入CO2,必然产生Al(OH)3沉淀。
答案 图像如图:
反应的离子方程式分阶段书写为
OA段:Mg2++2OH-===Mg(OH)2↓
Al3++3OH-===Al(OH)3↓
AB段:Al(OH)3+OH-===AlO+2H2O
CD段:H++OH-===H2O
DE段:2AlO+CO2+3H2O===2Al(OH)3↓+CO
EF段:CO+CO2+H2O===2HCO
1.[2011·天津理综,7(5)改编]向含4 mol的HNO3稀溶液中,逐渐加入铁粉至过量。假设生成的气体只有一种,请在坐标系中画出n(Fe2+)随n(Fe)变化的示意图,并标出n(Fe2+)的最大值。
答案
解析 硝酸具有强氧化性,若将铁粉逐渐加入一定量的硝酸中,先生成Fe3+,后转化为Fe2+。反应过程如下:Fe+4HNO3===Fe(NO3)3+NO↑+2H2O,Fe+2Fe(NO3)3===3Fe(NO3)2,4 mol硝酸消耗1 mol铁时没有亚铁离子生成,继续加铁0.5 mol时,1 mol硝酸铁完全转化为1.5 mol硝酸亚铁,此时亚铁离子达到最大值。
(1)不能从本质上认识反应过程,搞不清Fe与稀硝酸反应各物质之间量的关系。
(2)过去题目大多都是“通过图像分析反应过程”,此题是“画出有关化学反应的图像”。思维方式的转变也是正确解答此题的关键。
2.已知:2SO2(g)+O2(g)2SO3(g) ΔH=-196 kJ·mol-1。850 K时,在2 L固定容积的密闭容器中充入2 mol SO2和2 mol O2,10 min后达到平衡,SO2浓度和时间关系如图。
若15 min时维持温度不变,压缩容器体积,使其体积变为1 L,假设在20 min时达到新平衡,此时c(O2)=1.15 mol·L-1,请在图上画出15~25 min SO2的浓度变化曲线。
答案
解析 首先计算出该温度下的平衡常数K==26.7,体积缩小为1 L,平衡正向移动,平衡常数不变,利用平衡常数可以计算出达新平衡时SO2的浓度,即可绘出图像。
3.图中曲线表示反应CO(g)+H2O(g)CO2(g)+H2(g) ΔH<0在T1 ℃时CO2的物质的量n(CO2)随时间(t)的变化趋势,请在图中画出T2 ℃时(T2>T1),n(CO2)随时间(t)的变化趋势。
答案
解析 T2温度高,反应速率快,先拐先平,由于反应放热,升高温度,平衡逆向移动,n(CO2)减小。
4.在下图中画出用0.100 0 mol·L-1 NaOH溶液滴定20.00 mL 0.100 0 mol·L-1 HCl溶液的滴定曲线示意图。
答案
解析 滴定曲线的起点pH=1,当氢氧化钠的体积为20.00 mL 时pH=7,且在20.00 mL前后很小的区间内,pH值发生突变。
5.(14分)某学生利用以下装置探究氯气与氨气之间的反应。其中A、F分别为氨气和氯气的发生装置,C为纯净干燥的氯气与氨气反应的装置。
请回答下列问题:
(1)装置F中发生反应的离子方程式为
________________________________________________________________________。
(2)装置A的烧瓶中可装试剂
________________________________________________________________________。
(3)B装置的名称是__________;E装置的作用__________。
(4)通入C装置的两根导管左边较长、右边较短,目的是
________________________________________________________________________。
(5)装置C内出现浓厚的白烟并在容器内壁凝结,另一生成物是空气的主要成分之一。请写出反应的化学方程式:
________________________________________________________________________。
当有a mol氯气参加反应时,转移的电子总数为b个,则阿伏加德罗常数为(用含a、b的代数式表示)____ ______________________________________________。
(6)从装置C的G处逸出的尾气中可能含有黄绿色的有毒气体,画出处理装置图。
想原理、审装置、按要求、规范解答
学生案例
失分原因
(1)漏写加热符号扣1分
(2)指代不明不得分
(3)名称错误不得分,“除杂”笼统不得分
(4)答案不全面扣1分
(6)没有画出装置中的试剂扣2分
正确答案 (1)MnO2+4H++2Cl-Mn2++Cl2↑+2H2O (2分)
(2)生石灰(或固体氢氧化钠或碱石灰) (2分)
(3)干燥管 除去Cl2中的HCl(每空1分)
(4)使密度大的氯气与密度小的氨气较快地均匀混合 (2分)
(5)3Cl2+8NH3===N2+6NH4Cl(2分) mol-1 (2分)
(6)
(2分)
练出高分
1.已知,室温下存在反应3HNO2===HNO3+2NO↑+H2O;在酸性溶液中,NO可将MnO还原为Mn2+且无气体生成。某化学兴趣小组设计了如下探究实验:
请回答下列问题:
(1)装置A的试管中发生反应的化学方程式是________________________________________________________________________。
(2)B瓶中可以观察到的现象是____________________,C瓶出来的气体是____________。
(3)实验时观察到D管内固体颜色逐渐变为白色。据此甲同学认为D管中生成物是NaNO3,而乙同学则认为D管中生成的是NaNO2,如何证明乙同学的观点正确?
实验方法
实验现象
反应的离子方程式
(4)E装置的作用是___________________________________________。
(5)同学们经讨论认为上述装置仍有缺陷,为了避免D管中生成NaOH,你认为应该进行的改进是_____________________________________________,
并画出装置图。
答案 (1)C+4HNO3(浓)CO2↑+4NO2↑+2H2O
(2)产生无色气体,溶液逐渐变蓝 NO
(3)方案Ⅰ:将生成物置于试管中,加入稀硫酸 产生无色气体并在液面上方变为红棕色 3NO+2H+===NO+2NO↑+H2O
方案Ⅱ:将生成物置于试管中,加入酸性KMnO4溶液 溶液紫色褪去 5NO+2MnO+6H+===5NO+2Mn2++3H2O
(4)吸收D中未反应完的NO,以免污染空气
(5)在C、D之间增加一个盛浓硫酸的洗气瓶(或装无水CaCl2的干燥管)
解析 (1)C和浓HNO3反应需要加热。
(2)由于NO2和H2O反应生成HNO3,Cu和HNO3反应生成NO和Cu(NO3)2,所以现象是产生无色气体且溶液变蓝。
(3)证明是否是NaNO2,应利用其还原性。
(5)画装置图时,要注意注明药品或试剂名称。
2.氨是氮循环过程中的重要物质,氨的合成是目前普遍使用的人工固氮方法。
(1)根据下图提供的信息,写出该反应的热化学方程式________________________________________________________________________
________________________________________________________________________,
在图中曲线________(填“a”或“b”)表示加入铁触媒的能量变化曲线。
(2)在恒容容器中,下列描述中能说明上述反应已达平衡的是________(填字母序号)。
A.3v(H2)正=2v(NH3)逆
B.单位时间内生成n mol N2的同时生成2n mol NH3
C.混合气体的密度不再改变
D.容器内压强不随时间的变化而变化
(3)一定温度下,向2 L密闭容器中充入1 mol N2和3 mol H2,保持体积不变,0.5 min后达到平衡,测得容器中有0.4 mol NH3,则反应速率v(N2)=________,该温度下的平衡常数K=__________。若升高温度,K值变化________(填“增大”、“减小”或“不变”)。
(4)为了寻找合成NH3适宜的温度和压强,某同学设计了三组实验,部分实验条件已经填在下面实验设计表中。
实验编号
T(℃)
n(N2)/n(H2)
p(MPa)
ⅰ
450
1/3
1
ⅱ
10
ⅲ
480
10
A.请在上表空格中填入剩余的实验条件数据。
B.根据反应N2(g)+3H2(g)2NH3(g)的特点,在给出的坐标图中,画出其在1 MPa和10 MPa条件下H2的转化率随温度变化的趋势曲线示意图,并标明各条曲线的压强。
答案 (1)N2(g)+3H2(g)2NH3(g)
ΔH=-92 kJ·mol-1 b
(2)BD (3)0.2 mol·L-1·min-1 0.058 减小
(4)
实验编号
T(℃)
n(N2)/n(H2)
ⅰ
ⅱ
450
1/3
ⅲ
1/3
解析 (1)该反应为放热反应,ΔH应为负值。
(2)A项,系数比错误;C项,因为体积不变,密度始终不变,均不能作为平衡标志。
(3)v(N2)=v(NH3)=×=0.2 mol·L-1·min-1。c(N2)=0.4 mol·L-1,c(NH3)=0.2 mol·L-1,c(H2)=1.2 mol·L-1,K===0.058。该反应为放热反应,升温,平衡左移,K减小。
(4)应控制一个条件改变,其他条件不变。
(5)温度不变,加压,平衡右移,H2的转化率增大;压强不变,升温,平衡左移,H2的转化率减小。
3.在一固定容积为2 L的密闭容器内加入0.2 mol N2和0.6 mol H2,一定条件下发生反应:N2(g)+3H2(g)2NH3(g) ΔH<0。反应中NH3的物质的量浓度的变化情况如图所示。
请回答下列问题:
(1)根据图中数据,从反应开始到平衡时,v(NH3)=________。
(2)该反应450 ℃时的平衡常数________500 ℃时的平衡常数(填“>”、“<”或“=”)。
(3)下列描述中能说明上述反应已达到平衡状态的是________(填序号)。
A.3v正(H2)=2v逆(NH3)
B.容器中气体的平均相对分子质量不随时间的变化而变化
C.容器中气体的密度不随时间的变化而变化
D.容器中气体的分子总数不随时间的变化而变化
(4)第5 min时将容器的体积缩小一半,若在第8 min时该反应达到新的平衡(此时NH3的浓度约为0.25 mol·L-1),请在原图中画出从第5 min到达新的平衡状态时NH3浓度变化的曲线。
答案 (1)0.025 mol·L-1·min-1 (2)> (3)BD
(4)
解析 (1)据图计算从反应开始到平衡时,v(NH3)==0.025 mol·L-1·min-1。
(2)由于该反应为放热反应,温度越高,其平衡常数越小,故反应在450 ℃时的平衡常数大于500 ℃时的平衡常数。
(3)A项当2v正(H2)=3v逆(NH3)才能确定反应达到平衡;B项容器中气体的平均相对分子质量在没有达到平衡时为变量,当其不随时间的变化而变化时,满足“变量不变”的特点;C项容器中气体的密度在没有达到平衡时不随时间而变化,不满足“变量不变”的特点;D项容器中气体的分子总数在没有达到平衡时为变量,当其不随时间的变化而变化时,满足“变量不变”的特点。
(4)先在图上标2个点:第一个点,第5 min时将容器的体积缩小一半后,NH3的浓度突变为0.20 mol·L-1;第二个点,在第8 min时达到新的平衡,此时NH3的浓度约为0.25 mol·L-1;然后在第5~8 min之间用光滑的曲线相连。
4.硫酸盐有着广泛的应用。
(1)以下是CuSO4·5H2O的实验室制备流程图。
根据题意完成下列填空:
①理论上,为了制得纯净的CuSO4·5H2O晶体,需要消耗稀硫酸、稀硝酸溶质物质的量之比为__________,发生反应的离子方程式为________________________________________________________________________。
②实际生产过程中对所加稀硝酸的浓度控制要求比较高,通常用标准氢氧化钠溶液来滴定。滴定过程中若用酚酞作指示剂,终点现象是________________________________________________________________________。
请在下图中画出滴定过程中溶液的pH随所滴加氢氧化钠溶液体积的变化的曲线图(要求过A点)。
③用惰性电极电解一定浓度的硫酸铜溶液。通电一段时间后,向所得的溶液中加入0.1 mol Cu2(OH)2CO3后恰好恢复到电解前的浓度和pH(不考虑CO2的溶解),则电解过程中共转移电子的物质的量为__________。
(2)为测定混合肥料K2SO4、(NH4)2SO4中钾的含量,完善下列步骤:
①称取钾氮肥试样并溶于水,加入足量________溶液,产生白色沉淀。
②________、________、________(依次填写实验操作名称)。
③冷却、称重。
若试样为m g,沉淀的物质的量为n mol,则试样中K2SO4的物质的量为________mol(用含m、n的代数式表示)。
答案 (1)①3∶2 3Cu+8H++2NO===3Cu2++2NO↑+4H2O
②溶液由无色变成红色(或浅红色),且半分钟内不褪色
③0.6 mol
(2)①BaCl2[或Ba(OH)2]
②过滤 洗涤 干燥(或烘干)
解析 (1)①在酸性条件下,硝酸盐具有氧化性,能氧化单质铜,反应的离子方程式是3Cu+8H++2NO===3Cu2++2NO↑+4H2O。根据方程式可知,如果硝酸的物质的量是2 mol,则根据氢原子守恒可知,硫酸的物质的量就是(8 mol-2 mol)÷2=3 mol,所以硫酸和硝酸的物质的量之比是3∶2。
②由于酸不能使酚酞变色,而碱可以使酚酞显红色,所以终点时的现象是溶液由无色变成红色(或浅红色),且半分钟内不褪色。由于随着氢氧化钠溶液的滴加,溶液的pH会逐渐增大,邻近终点时pH会发生突变,所以正确的图像是。
③根据离子的放电顺序可知,惰性电极电解一定浓度的硫酸铜溶液时,阳极是溶液中的OH-放电,而阴极首先是Cu2+放电,然后是溶液中的氢离子放电。由于向所得的溶液中加入0.1 mol Cu2 (OH)2CO3后恰好恢复到电解前的浓度和pH,而Cu2(OH)2CO3可以写成2CuO·CO2·H2O,反应中转移电子的物质的量是0.1 mol×2×2+0.1 mol×2×1=0.6 mol。
(2)①产生的白色沉淀应该是硫酸钡,所以加入的试剂是BaCl2或Ba(OH)2。
②从溶液中分离出白色沉淀应该是过滤。过滤出的沉淀必须通过洗涤和干燥,即正确的操作分别是过滤、洗涤、干燥(或烘干)。
③设K2SO4、(NH4)2SO4的物质的量分别是x mol和y mol,则x+y=n,174x+132y=m,解得x=。
5.研究化学反应原理对于生产生活是很有意义的。
(1)请设计一个实验装置,使铜与稀硫酸反应生成硫酸铜与氢气。在下面的方框内画出装置图,并标明电极材料名称和电解质溶液名称。
(2)钢铁生锈现象随处可见,钢铁的电化学腐蚀原理如图所示:
①写出石墨电极的电极反应式:
________________________________________________________________________。
②将该装置作简单修改即可成为钢铁电化学防护的装置,请在图中虚线框内所示位置作出修改。
③写出修改后石墨电极的电极反应式: ____________________________。
(3)利用下图装置,可以模拟铁的电化学防护。若X为锌,开关K置于M处,该电化学防护法称为__________。
答案 (1)
(2)①O2+2H2O+4e-===4OH-
②
③2Cl--2e-===Cl2↑
(3)牺牲阳极的阴极保护法(或牺牲阳极保护法)
相关资料
更多

