还剩20页未读,
继续阅读
所属成套资源:高考化学一轮复习教案
成套系列资料,整套一键下载
高考化学一轮复习 第十一章 第1讲 认识有机化合物教案(含解析)
展开
第1讲 认识有机化合物
[考纲要求] 1.能根据有机化合物的元素含量、相对分子质量确定有机化合物的分子式。2.了解常见有机化合物的结构;了解有机物分子中的官能团,能正确表示它们的结构。3.了解确定有机化合物结构的化学方法和某些物理方法。4.了解有机化合物存在同分异构现象,能判断简单有机化合物的同分异构体(不包括手性异构体)。5.能根据有机化合物命名规则命名简单的有机化合物。
考点一 有机化合物的分类及官能团
1.按碳的骨架分类
2.按官能团分类
(1)官能团:决定化合物特殊性质的原子或原子团。
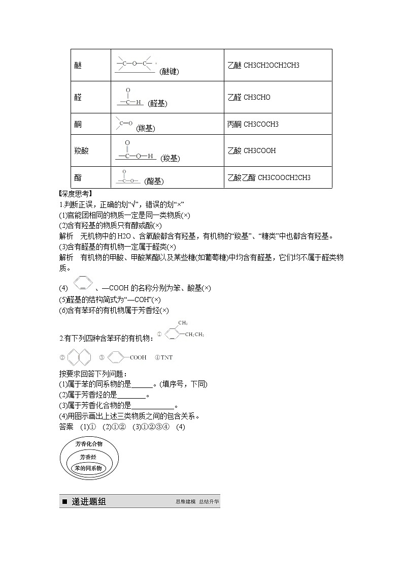
(2)有机物的主要类别、官能团和典型代表物
类别
官能团
代表物名称、结构简式
烷烃
甲烷CH4
烯烃
(碳碳双键)
乙烯H2C===CH2
炔烃
—C≡C—(碳碳三键)
乙炔HC≡CH
芳香烃
苯
卤代烃
—X(卤素原子)
溴乙烷C2H5Br
醇
—OH(羟基)
乙醇C2H5OH
酚
苯酚C6H5OH
醚
(醚键)
乙醚CH3CH2OCH2CH3
醛
(醛基)
乙醛CH3CHO
酮
(羰基)
丙酮CH3COCH3
羧酸
(羧基)
乙酸CH3COOH
酯
(酯基)
乙酸乙酯CH3COOCH2CH3
深度思考
1.判断正误,正确的划“√”,错误的划“×”
(1)官能团相同的物质一定是同一类物质(×)
(2)含有羟基的物质只有醇或酚(×)
解析 无机物中的H2O、含氧酸都含有羟基,有机物的“羧基”、“糖类”中也都含有羟基。
(3)含有醛基的有机物一定属于醛类(×)
解析 有机物的甲酸、甲酸某酯以及某些糖(如葡萄糖)中均含有醛基,它们均不属于醛类物质。
(4) 、—COOH的名称分别为笨、酸基(×)
(5)醛基的结构简式为“—COH”(×)
(6)含有苯环的有机物属于芳香烃(×)
2.有下列四种含苯环的有机物:
按要求回答下列问题:
(1)属于苯的同系物的是______。(填序号,下同)
(2)属于芳香烃的是________。
(3)属于芳香化合物的是____________。
(4)用图示画出上述三类物质之间的包含关系。
答案 (1)① (2)①② (3)①②③④ (4)
题组一 官能团的识别
1.北京奥运会期间对大量盆栽鲜花施用了S诱抗素制剂,以保持鲜花盛开。S诱抗素的分子结构如图,下列关于该分子说法正确的是 ( )
(提示:是羰基)
A.含有碳碳双键、羟基、羰基、羧基
B.含有苯环、羟基、羰基、羧基
C.含有羟基、羰基、羧基、酯基
D.含有碳碳双键、苯环、羟基、羰基
答案 A
解析 从图示可以分析,该有机物的结构中存在3个碳碳双键、1个羰基、1个醇羟基、1个羧基。A选项正确。
2.迷迭香酸是从蜂花属植物中提取得到的酸性物质,其结构如图所
示。该物质中含有的官能团有______________________。
答案 羧基、酯基、(酚)羟基、碳碳双键
解析 根据图中所示结构,可以看出该物质含有如下官能团:羧
基、酯基、(酚)羟基、碳碳双键。
题组二 有机物的分类
3.下列有机化合物中,有多个官能团:
(1)可以看作醇类的是________;(填编号,下同)
(2)可以看作酚类的是________;
(3)可以看作羧酸类的是________;
(4)可以看作酯类的是________。
答案 (1)BD (2)ABC (3)BCD (4)E
4.按官能团的不同,可以对有机物进行分类,请指出下列有机物的种类,填在横线上。
(1)CH3CH2CH2OH________;
答案 (1)醇 (2)酚 (3)芳香烃(或苯的同系物) (4)酯
(5)卤代烃 (6)烯烃 (7)羧酸 (8)醛
解析 要做好这类试题,需熟悉常见的官能团与有机物类别的对应关系。(1)和(2)中官能团 均为—OH,(1)中—OH与链烃基直接相连,则该物质属于醇类,(2)中—OH与苯环直接相连,故该物质属于酚类;酚和醇具有相同的官能团,根据—OH连接基团的不同确定有机物的类别。(3)为仅含苯环的碳氢化合物,故属于芳香烃(其通式满足CnH2n-6,属于苯的同系物)。(4)中官能团为酯基,则该有机物属于酯。(5)中官能团为—Cl,则该物质属于卤代烃。(6)中官能团为碳碳双键,则该物质属于烯烃。(7)中官能团为—COOH,故该物质属于羧酸。(8)中官能团为—CHO,故该物质属于醛。
考点二 有机化合物的结构特点、同分异构体及命名
1.有机化合物中碳原子的成键特点
―→每个碳原子形成4个共价键
|
―→单键、双键或三键
|
―→碳链或碳环
2.有机化合物的同分异构现象
同分异构现象
化合物具有相同的分子式,但结构不同,因而产生性质上的差异的现象
同分异构体
具有同分异构现象的化合物互为同分异构体
类 型
碳链异构
碳链骨架不同如CH3—CH2—CH2—CH3和
位置异构
官能团位置不同如:CH2===CH—CH2—CH3和CH3CH===CH—CH3
官能团异构
官能团种类不同如:CH3CH2OH和CH3—O—CH3
3.同系物
结构相似,分子组成上相差一个或若干个CH2原子团的化合物互称同系物。如CH3CH3和CH3CH2CH3;CH2===CH2和CH2===CHCH3。
4.有机化合物的命名
(1)烷烃的习惯命名法
(2)烷烃的系统命名法
①几种常见烷基的结构简式:
甲基:—CH3;乙基:—CH2CH3;
丙基(—C3H7):CH3CH2CH2—,CHCH3CH3]。
②命名步骤:
→选最长的碳链为主链
→从靠近支链最近的一端开始
→先简后繁,相同基合并
如命名为3甲基己烷。
深度思考
1.(选修5P12-5)有机物CH3CH3、CH3CH===CH2、CH3CH2C≡CH、CH3C≡CH、C6H6、中,与乙烯互为同系物的是____________和____________。
答案 CH3CH===CH2
2.指出下列有机物命名错误的原因
(1) 命名为“2乙基丙烷”,错误原因是___________;
将其命名为“3甲基丁烷”错误原因是_________________。
答案 主链选错,应选最长的碳链作主链 编号错,应从距支链最近的一端作为编号的起点,正确的命名应为2甲基丁烷
(2) 命名为“1甲基1丙醇”,错误原因是________________。
答案 主链选错,正确的命名应为2丁醇
题组一 正确表示有机物
1.某期刊封面上的一个分子球棍模型图如图所示,图中“棍”代表单键、双键或三键,不同颜色的球代表不同元素的原子。该模型图可代表一种 ( )
A.氨基酸 B.卤代羧酸 C.醇钠 D.酯
答案 A
解析 观察本题模型可见:有四种不同颜色的球,也就是有四种元素,其中有一个绿球有四个键,推测绿球代表碳原子。白球均在末端,都只与一个球相连,推测白球为氢原子。红球既可单连绿球,也可一端连绿球(碳原子)一端连白球(氢原子),可推断为氧原子。蓝球只能形成三个价键,可知为氮原子。因此该模型代表甘氨酸(氨基乙酸)。
2.某只含有C、H、O、N的有机物的简易球棍模型如图所示,下列关于该有机物的说法不正确的是 ( )
A.该有机物属于氨基酸
B.该有机物的分子式为C3H7NO2
C.该有机物与CH3CH2CH2NO2互为同系物
D.该有机物的一氯代物有2种
答案 C
解析 根据有机物的成键特点,该有机物为,含有氨基和羧基,属于氨基酸,A对;其分子式为C3H7NO2,与CH3CH2CH2NO2互为同分异构体,B对,C错;该有机物的一氯代物有2种,D对。
题组二 有机物的共线、共面判断
3.下列化合物的分子中,所有原子都处于同一平面的有 ( )
A.乙烷 B.甲苯 C.氟苯 D.丙烯
答案 C
解析 A、B、D中都含有甲基,有四面体的空间结构,所有原子不可能共面;C项中氟原子代替分子中一个氢原子的位置,仍共平面。
4.已知为平面结构,则W
(HOOC—CH==CH—CH==CH—COOH)分子中最多有________个原子在同一平面内。
答案 16
解析 由题中信息可知与直接相连的原子在同一平面上,又知与直接相连的原子在同一平面上,而且碳碳单键可以旋转,因此W分子中所有原子有可能都处在同一平面上,即最多有16个原子在同一平面内。
判断分子中共线、共面原子数的技巧
(1)审清题干要求
审题时要注意“可能”、“一定”、“最多”、“最少”、
“所有原子”、“碳原子”等关键词和限制条件。
(2)熟记常见共线、共面的官能团
①与三键直接相连的原子共直线,如
②与双键和苯环直接相连的原子共面,如
(3)单键的旋转思想
有机物分子中的单键,包括碳碳单键、碳氢单键、碳氧单键,
均可绕键轴自由旋转。
题组三 同分异构体的书写及判断
5.下列各组物质不互为同分异构体的是 ( )
A.2,2二甲基丙醇和 2甲基丁醇
B.邻氯甲苯和对氯甲苯
C.2甲基丁烷和戊烷
D.甲基丙烯酸和甲酸丙酯
答案 D
解析 甲基丙烯酸(分子式为C4H6O2)和甲酸丙酯(分子式为C4H8O2)的分子式不同,故不互为同分异构体。
6.2,2,4三甲基戊烷与氯气发生取代反应时,生成的一氯代物可能有( )
A.2种 B.3种 C.4种 D.5种
答案 C
解析 2,2,4三甲基戊烷的结构简式为,该有机物中有4种位置不同的氢原子,因此其一氯代物也有4种。
7.C9H10O2的有机物有多种同分异构体,满足下列条件的同分异构体有________种,写出其中任意一种同分异构体的结构简式:__________________。
①含有苯环且苯环上只有一个取代基;②分子结构中含有甲基;③能发生水解反应。
答案 5
1.同分异构体数目的判断
(1)一取代产物数目的判断
①等效氢法:连在同一碳原子上的氢原子等效;连在同一碳
原子上的甲基上的氢原子等效;处于对称位置的氢原子等效。
②烷基种数法:烷基有几种,一取代产物就有几种。如
—CH3、—C2H5各有一种,—C3H7有两种,—C4H9有四种。
③替代法:如二氯苯C6H4Cl2的同分异构体有3种,四氯苯
的同分异构体也有3种(将H替代Cl)。
(2)二取代或多取代产物数目的判断
定一移一或定二移一法:对于二元取代物同分异构体数目
的判断,可固定一个取代基的位置,再移动另一取代基的
位置以确定同分异构体的数目。
2.限定条件同分异构体的书写
已知有机物分子式或结构简式,书写在限定条件下的同分异
构体或判断同分异构体的种类,是高考的热点和难点。解答
这类题目时,要注意分析限定条件的含义,弄清楚在限定条
件下可以确定什么,再根据分子式并针对可变因素书写各种
符合要求的同分异构体。
3.熟记下列常见的官能团异构
组成通式
可能的类别及典型实例
CnH2n
烯烃(CH2CHCH3)、
环烷烃()
CnH2n-2
炔烃(CHCCH2CH3)、二烯烃(CH2=CHCH=CH2)、环烯烃()
CnH2n+2O
醇(C2H5OH)、醚(CH3OCH3)
CnH2nO
醛(CH3CH2CHO)、酮(CH3COCH3)、烯醇(CH2CHCH2OH)、环醚()、环醇()
CnH2nO2
羧酸(CH3COOH)、酯(HCOOCH3)、
羟基醛(HO—CH2—CHO)
CnH2n-6O
题组四 有机物命名的正误判断
8.判断下列有关烷烃的命名是否正确
(4) 异戊烷 ( )
答案 (1)√ (2)× (3)√ (4)×
解析 (2)编号错,应为2,2,4三甲基戊烷;(4)根据球棍模型,其结构简式为,名称为2甲基戊烷。
9.判断下列有关烯烃、卤代烃、醇的命名是否正确
(1)CH2===CH—CH===CH—CH===CH2 1,3,5三己烯 ( )
(2) 2甲基3丁醇 ( )
(3) 二溴乙烷 ( )
(4) 3乙基1丁烯 ( )
(5) 2甲基2,4己二烯 ( )
(6) 1,3二甲基2丁烯 ( )
答案 (1)× (2)× (3)× (4)× (5)√ (6)×
解析 (1)应为1,3,5己三烯;(2)应为3甲基2丁醇;(3)应为1,2二溴乙烷;(4)应为3甲基1戊烯;(6)应为2甲基2戊烯。
1.有机物系统命名中常见的错误
(1)主链选取不当(不包含官能团,不是主链最长、
支链最多);
(2)编号错(官能团的位次不是最小,取代基位号
之和不是最小);
(3)支链主次不分(不是先简后繁);
(4)“”、“,”忘记或用错。
2.弄清系统命名法中四种字的含义
(1)烯、炔、醛、酮、酸、酯……指官能团;
(2)二、三、四……指相同取代基或官能团的个数;
(3)1、2、3……指官能团或取代基的位置;
(4)甲、乙、丙、丁……指主链碳原子个数分别为
1、2、3、4。
考点三 研究有机物的一般步骤和方法
1.研究有机化合物的基本步骤
2.分离提纯有机物常用的方法
(1)蒸馏和重结晶
适用对象
要求
蒸馏
常用于分离、提纯液态有机物
①该有机物热稳定性较强
②该有机物与杂质的沸点相差较大
重结晶
常用于分离、提纯固态有机物
①杂质在所选溶剂中溶解度很小或很大
②被提纯的有机物在此溶剂中溶解度受温度影响较大
(2)萃取和分液
①常用的萃取剂:苯、CCl4、乙醚、石油醚、二氯甲烷等。
②液液萃取:利用有机物在两种互不相溶的溶剂中的溶解性不同,将有机物从一种溶剂转移到另一种溶剂中的过程。
③固液萃取:用有机溶剂从固体物质中溶解出有机物的过程。
3.有机物分子式的确定
(1)元素分析
(2)相对分子质量的测定——质谱法
质荷比(分子离子、碎片离子的相对质量与其电荷的比值)最大值即为该有机物的相对分子质量。
4.分子结构的鉴定
(1)化学方法:利用特征反应鉴定出官能团,再制备它的衍生物进一步确认。
(2)物理方法:
①红外光谱
分子中化学键或官能团可对红外线发生振动吸收,不同化学键或官能团吸收频率不同,在红外光谱图上将处于不同的位置,从而可以获得分子中含有何种化学键或官能团的信息。
②核磁共振氢谱
深度思考
判断正误,正确的划“√”,错误的划“×”
(1)有机物中碳、氢原子个数比为1∶4,则该有机物一定是CH4 (×)
解析 CH3OH分子中的C、H原子个数比也为1∶4。
(2)燃烧是测定有机物分子结构的有效方法 (×)
解析 燃烧是研究确定有机物元素组成的有效方法,不能确定有机物的官能团等。
(3)蒸馏分离液态有机物时,在蒸馏烧瓶中应加少量碎瓷片 (√)
(4) 的核磁共振氢谱中有6种峰 (×)
解析 该有机物中有5种不同化学环境的氢原子。
(5)符合同一通式的物质是同系物关系 (×)
(6)对有机物分子红外光谱图的研究有助于确定有机物分子中的官能团 (√)
题组一 有机物的分离提纯
1.为了提纯下列物质(括号内为杂质),有关除杂试剂和分离方法的选择均正确的是 ( )
选项
被提纯的物质
除杂试剂
分离方法
A
己烷(己烯)
溴水
分液
B
淀粉溶液(NaCl)
水
过滤
C
苯(苯酚)
NaOH溶液
分液
D
甲烷(乙烯)
KMnO4酸性溶液
洗气
答案 C
解析 A中向试样中加入溴水,己烯与Br2反应的产物与己烷仍互溶,用分液法不能将己烷提纯;B中除去淀粉中的NaCl可用渗析的方法;D中用KMnO4酸性溶液除去甲烷中的乙烯,又引入杂质CO2气体。
2.物质的提纯是化学实验中的一项重要操作,也是化工生产及物质制备中的主要环节。下列有关叙述中,正确的是 ( )
A.乙酸乙酯中混有乙酸,可用饱和Na2CO3溶液洗涤,然后分液分离出乙酸乙酯
B.在提纯鸡蛋中的蛋白质时,可向鸡蛋清溶液中加入浓硝酸;然后将所得沉淀滤出,即得较纯的蛋白质
C.除去乙烷中少量的乙烯,可在光照条件下通入Cl2,气液分离
D.苯中含少量的苯酚,可加入溴水过滤除去苯酚
答案 A
解析 B项,浓硝酸可使蛋白质变性,且会使含苯环的蛋白质变成黄色,得不到纯蛋白质;C项,光照时通入Cl2,乙烷与Cl2发生取代反应,C项不正确;D项,苯酚与溴水反应生成的三溴苯酚可溶于苯中,溴水中的溴也会溶于苯中,D项不正确。
题组二 核磁共振氢谱确定分子结构
3.在核磁共振氢谱中出现两组峰,其氢原子数之比为3∶2的化合物是 ( )
答案 D
解析 A中有2种氢,个数比为3∶1;B中据镜面对称分析知有3种氢,个数比为3∶1∶1;C中据对称分析知有3种氢,个数比为1∶3∶4;D中据对称分析知有2种氢,个数比为3∶2。
4.化合物A经李比希法和质谱法分析得知其相对分子质量为136,分子式为C8H8O2。A的核磁共振氢谱有4个峰且面积之比为1∶2∶2∶3,A分子中只含一个苯环且苯环上只有一个取代基,其红外光谱与核磁共振氢谱如下图。关于A的下列说法中,正确的是 ( )
A.A分子属于酯类化合物,在一定条件下不能发生水解反应
B.A在一定条件下可与4 mol H2发生加成反应
C.符合题中A分子结构特征的有机物只有1种
D.与A属于同类化合物的同分异构体只有2种
答案 C
解析 因化合物A中有4类氢原子,个数分别为1、2、2、3,又因为A是一取代苯,苯环上有三类氢原子,个数分别为1、2、2,所以剩余侧链上的3个氢等效,为—CH3,结合红外光谱知,A中含有酯基,可以水解,A为。与A发生加成反应的H2为3 mol,与A同类的同分异构体应为5种。
题组三 综合应用确定有机物分子式和结构的方法
5.有机物A只含有C、H、O三种元素,常用作有机合成的中间体。16.8 g该有机物燃烧生成44.0 g CO2和14.4 g H2O;质谱图表明其相对分子质量为84,红外光谱分析表明A分子中含有O—H键和位于分子端的C≡C键,核磁共振氢谱上有三个峰,峰面积之比为6∶1∶1。
(1)A的分子式是____________。
(2)下列物质中,一定条件下能与A发生反应的是__________________(填字母)。
A.H2 B.Na
C.酸性KMnO4溶液 D.Br2
(3)A的结构简式是____________________________________。
(4)有机物B是A的同分异构体,1 mol B可与1 mol Br2加成。该有机物中所有碳原子在同一个平面上,没有顺反异构现象。B的结构简式是___________________________________。
答案 (1)C5H8O
(2)ABCD
解析 (1)16.8 g有机物A中m(C)=44.0 g×=12 g,m(H)=14.4 g×=1.6 g,则m(O)=(16.8-12-1.6) g=3.2 g,故A中N(C)∶N(H)∶N(O)=∶∶=5∶8∶1,则其最简式为C5H8O,又A的相对分子质量为84,则其分子式为C5H8O。
(2)A分子中含有C≡C键,能与H2、Br2发生加成反应,能与酸性KMnO4溶液发生氧化反应;含有羟基,能与Na发生置换反应。
(3)根据A的核磁共振氢谱上有三个峰,峰面积之比为6∶1∶1,说明A中有三种类型的氢原子,个数之比为6∶1∶1,再结合A中含有O—H键和位于分子端的C≡C键,则其结构简式为
(4)根据1 mol B可与1 mol Br2加成,可以推断B中含有1个碳碳双键,再结合B没有顺反异构体,则其结构简式为
有机物结构式的确定流程
探究高考 明确考向
1.(2013·海南,18Ⅰ改编)下列化合物中,同分异构体数目超过7个的有 ( )
①己烷 ②己烯 ③1,2二溴丙烷④乙酸乙酯
A.①② B.②③ C.①④ D.②④
答案 D
2.(2013·北京理综,12)用下图所示装置检验乙烯时不需要除杂的是 ( )
乙烯的制备
试剂X
试剂Y
A
CH3CH2Br与NaOH乙醇溶液共热
H2O
KMnO4酸性溶液
B
CH3CH2Br与NaOH乙醇溶液共热
H2O
Br2的CCl4溶液
C
C2H5OH与浓H2SO4加热至170 ℃
NaOH溶液
KMnO4酸性溶液
D
C2H5OH与浓H2SO4加热至170℃
NaOH溶液
Br2的CCl4溶液
答案 B
解析 题目中共给出了两种制备乙烯的方法,利用溴乙烷和氢氧化钠的乙醇溶液制备乙烯时,乙烯中可能混有溴乙烷、乙醇、水蒸气等杂质;利用乙醇与浓硫酸共热制备乙烯时,乙烯中可能混有二氧化硫、二氧化碳、水蒸气等杂质。弄清楚了杂质,再考虑杂质对乙烯检验有无影响,若无影响便不需要除杂。
A项乙烯中可能混有溴乙烷、乙醇、水蒸气等杂质,乙醇也能使高锰酸钾酸性溶液褪色,因此在检验乙烯时,应先将气体通入水中以除去乙醇,防止其对乙烯检验的干扰;B项溴乙烷、乙醇、水蒸气都不能使溴的四氯化碳溶液褪色,因此对乙烯的检验没有影响,故可以不除杂质。利用乙醇与浓硫酸共热制备乙烯时,乙烯中混有的二氧化硫也能使高锰酸钾酸性溶液、溴的四氯化碳溶液褪色,故C项、D项中,检验乙烯前必须将二氧化硫除去。
3.(2012·海南,18Ⅰ改编)下列化合物在核磁共振氢谱中能出现两组峰.且其峰面积之比为3∶1的有 ( )
A.乙酸异丙酯 B.乙酸乙酯
C.对二甲苯 D.均三甲苯
答案 D
解析 A项,CH3COOCH(CH3)2的核磁共振氢谱中有三组峰,其峰面积之比为6∶3∶1;B项,CH3COOCH2CH3的核磁共振氢谱中有三组峰,其峰面积之比为3∶2∶3;C项,的核磁共振氢谱中有两组峰,其峰面积之比为3∶2;D项,均三甲苯的核磁共振氢谱中有两组峰,其峰面积之比为3∶1。
4.(2012·重庆理综,9)萤火虫发光原理如下:
关于荧光素及氧化荧光素的叙述,正确的是 ( )
A.互为同系物
B.均可发生硝化反应
C.均可与碳酸氢钠反应
D.均最多有7个碳原子共平面
答案 B
解析 由荧光素和氧化荧光素的结构简式可知,二者在结构上所含官能团有所不同,不是同系物;有机化合物的性质决定于结构和官能团,酚羟基决定了苯环邻对位可以被硝基取代;荧光素结构中的羧基决定了可以和碳酸氢钠反应,而酚羟基不能和碳酸氢钠反应;依据苯的结构特征,分子结构中最少应有7个碳原子共平面。
5.[2013·新课标全国卷Ⅰ,38(6)] 的同分异构体中,既能发生银镜反应,又能与FeCl3溶液发生显色反应的共有________种,其中核磁共振氢谱为5组峰,且峰面积比为2∶2∶2∶1∶1的为________________(写结构简式)。
答案 13 HOCH2CHO
解析 该有机物的同分异构体中能发生银镜反应则有—CHO,能与FeCl3发生显色反应,则有酚羟基(—OH),其中肯定还有一个—CH3,所以该有机物的同分异构体确定方法是先定官能团,再定最后一个饱和C原子的位置。
符合条件的同分异构体数=5+5+3=13种,其中核磁共振氢谱为5组峰且峰面积之比为2∶2∶2∶1∶1的只有:。
6.[2013·江苏,17(2)(3)](2)是常用指示剂酚酞。写出该化合物中含氧官能团的名称:________和________。
(3)某化合物是的同分异构体,且分子中只有两种不同化学环境的氢。写出该化合物的结构简式:________________(任写一种)。
答案 (2)(酚)羟基 酯基
(3)
解析 (3)的分子式为C7H14O,不饱和度为1,只有2种不同化学环境的氢,说明是对称结构,据此可写出其同分异构体的结构简式。
练出高分
1.下列说法正确的是 ( )
A.凡是分子组成相差一个或几个CH2原子团的物质,彼此一定是同系物
B.两种化合物组成元素相同,各元素质量分数也相同,则两者一定是同分异构体
C.相对分子质量相同的几种化合物,互称为同分异构体
D.组成元素的质量分数相同,且相对分子质量也相同的不同化合物,一定互为同分异构体
答案 D
解析 分子组成上相差一个或若干个CH2原子团的物质,其分子结构不一定相似,如CH3—CH===CH2与,故A说法错误;若两种化合物组成元素相同,各元素的质量分数也相同,则它们的最简式必定相同,最简式相同的化合物可能是同分异构体,也可能不是同分异构体,如CH2O(甲醛)和C2H4O2(乙酸),所以B说法错误;相对分子质量相同的物质是很多的,如无机物中的H2SO4和H3PO4,又如有机物中的C2H6O(乙醇)与CH2O2(甲酸),这些物质都具有相同的相对分子质量,但由于它们的分子组成不同,所以它们不是同分异构体,故C说法错误;当不同化合物组成元素的质量分数相同,相对分子质量也相同时,其分子式一定相同,因此这样的不同化合物互为同分异构体。
2.下列有机化合物的分类不正确的是 ( )
答案 A
解析 A中不含苯环,通式不满足CnH2n-6。
3.某化工厂生产的某产品只含C、H、O三种元素,其分子模型如图所示(图中球与球之间的
连线代表化学键,如单键、双键等)。下列物质中与该产品互为同分异
构体的是 ( )
A.CH2===C(CH3)COOH
B.CH2===CHCOOCH3
C.CH3CH2CH===CHCOOH
D.CH3CH(CH3)COOH
答案 B
解析 依据C、O、H的成键特点可知该球棍模型代表的结构简式为,显然与B互为同分异构体。
4.下列各有机化合物的命名正确的是 ( )
A.CH2===CH—CH===CH2 1,3二丁烯
答案 D
解析 A项中化合物应命名为1,3丁二烯;B项中化合物应命名为2丁醇;C项中化合物应命名为邻甲基苯酚。
5.有关分子结构的下列叙述中,正确的是 ( )
A.除苯环外的其余碳原子有可能都在一条直线上
B.所有的原子都在同一平面上
C.12个碳原子不可能都在同一平面上
D.12个碳原子有可能都在同一平面上
答案 D
解析 本题主要考查苯环、碳碳双键、碳碳三键的空间结构。按照结构特点,其空间结构可简单表示为下图所示:
由图形可以看到,直线l一定在平面N中,甲基上3个氢只有一个可能在这个平面内;
—CHF2基团中的两个氟原子和一个氢原子,最多只有一个在双键决定的平面M中;平面M和平面N一定共用两个碳原子,可以通过旋转碳碳单键,使两平面重合,此时仍有—CHF2中的两个原子和—CH3中的两个氢原子不在这个平面内。要使苯环外的碳原子共直线,必须使双键部分键角为180°。但烯烃中键角为120°,所以苯环以外的碳不可能共直线。
6.苯环上有两个取代基的C9H12,其苯环上的一氯代物的同分异构体共有(不考虑立体异构) ( )
A.6种 B.7种 C.10种 D.12种
答案 C
解析 苯环上有两个取代基的C9H12共有3种,其苯环上的一氯代物分别有4种、4种、2种,故共有10种。
7.如图所示是一个有机物的核磁共振氢谱图,请你观察图谱,分析其可能是下列物质中的
( )
A.CH3CH2CH2CH3 B.(CH3)2CHCH3
C.CH3CH2CH2OH D.CH3CH2COOH
答案 C
解析 由核磁共振氢谱的定义可知,在氢谱图中从峰的个数即可推知有几种化学环境不同的氢原子,由图可知有4种不同化学环境的氢原子。分析选项可得A项有2种不同化学环境的氢原子,B项有2种不同化学环境的氢原子,C项有4种不同化学环境的氢原子,D项有3种不同化学环境的氢原子。
8.分子式为C5H10O2的酯共有(不考虑立体异构) ( )
A.7种 B.8种 C.9种 D.10种
答案 C
解析 为了不出现遗漏,写的时候可以按如下分类来写异构体;甲酸丁酯4种(丁基4种异构)、乙酸丙酯2种(丙基2种异构)、丙酸乙酯1种、丁酸甲酯2种(丁酸的烃基为丙基,丙基2种异构),共9种。
9.充分燃烧某液态芳香烃X,并收集产生的全部水,恢复到室温时,得到水的质量跟原芳香烃X的质量相等。则X的分子式为 ( )
A.C10H16 B.C11H14 C.C12H18 D.C13H20
答案 C
解析 烃燃烧后,其中的氢全部转入水中,故水中氧元素的质量等于烃中碳元素的质量。水中氧、氢元素的质量比为16∶2=8∶1,则芳香烃中:====,符合的只有C。
10.某烃的组成为C15H24,分子结构非常对称,实验证明该烃中仅存在三种基团:
乙烯基(CH2CH)、亚甲基(CH2)和次甲基CH,并且乙烯基和次甲基之间必须通过亚甲基相连。当该烃含有单环结构时,分子中的乙烯基和亚甲基的个数依次为 ( )
A.2个、3个 B.3个、3个
C.4个、6个 D.3个、6个
答案 D
解析 乙烯基和次甲基之间必须通过亚甲基相连。即,剩余部分只能是—CH2—,才能连成单环,根据、—CH2—中的碳、氢原子数之和应与烃分子C15H24中的碳、氢原子数相等,列方程可求出、—CH2—的个数,注意中有一个亚甲基。
11.分析下列有机化合物的结构简式,完成填空。
①CH3CH2CH2CH2CH3 ②C2H5OH
请你对以上有机化合物进行分类,其中,
属于烷烃的是__________;属于烯烃的是__________;
属于芳香烃的是__________;属于卤代烃的是__________;
属于醇的是__________;属于醛的是________________;
属于羧酸的是__________;属于酯的是______________;
属于酚的是________________。
答案 ①③ ④ ⑤⑧⑨ ⑫ ②⑥ ⑦⑪ ⑩⑬ ⑬⑭ ⑮
解析 一些有机物含有多种官能团,可从各官能团的角度看成不同类的有机物,如⑬既可看作是羧酸类,又可看作是酯类。
12.按要求回答下列问题:
(1) 的系统命名为________;
(2)3甲基2戊烯的结构简式为________;
(3)的分子式为________;
(4)某烃的分子式为C4H4,它是合成橡胶的中间体,它有多种同分异构体。
①试写出它的一种链式结构的同分异构体的结构简式____________________________。
②它有一种同分异构体,每个碳原子均达饱和,且碳与碳的夹角相同,该分子中碳原子形成的空间构型为_______________________形。
答案 (1)2,3二甲基丁烷
(2)
(3)C4H8O
(4)① ②正四面体
13.有A、B两种烃,其相关信息如下:
A
完全燃烧的产物中n(CO2)∶n(H2O)=2∶1
②28
③不能使溴的四氯化碳溶液褪色
④一氯代物只有一种结构
B
饱和链烃,通常情况下呈气态
②有同分异构体
③二溴代物有三种
回答下列问题:
(1)烃A的最简式是____________;
(2)烃A的结构简式是______________;
(3)烃B的三种二溴代物的结构简式为_______________________________________;
(4)烃C为烃B的同系物,常温下为气态且只有一种一溴代物,则烃C的一溴代物的结构简式为________________(填一种即可)。
答案 (1)CH (2)
(4)CH3Br(或C2H5Br)
解析 (1)烃A完全燃烧的产物中n(CO2)∶n(H2O)=2∶1,则烃A的分子式为(CH)n;
(2)因28
(3)烃B为饱和链烃,通常情况下呈气态,则烃B为CH4或C2H6或C3H8或C4H10;有同分异构体,则不可能为CH4、C2H6、C3H8,所以烃B为C4H10。它的三种二溴代物的结构简式分别为
(4)烃B的同系物中常温下为气态的是CH4、C2H6、C3H8,C3H8有两种一溴代物,CH4、C2H6都只有一种一溴代物,分别为CH3Br、C2H5Br。
14.有机物A可由葡萄糖发酵得到,也可以从牛奶中提取。纯净的A为无色粘稠液体,易溶于水。为研究A的组成与结构,进行了如下实验:
实验步骤
解释或实验结论
①称取A 9.0 g,升温使其汽化,测其密度是相同条件下H2的45倍。
试通过计算填空:
(1)A的相对分子质量为____。
②将9.0 g A在足量纯O2中充分燃烧,并使其产物依次缓缓通过浓硫酸、碱石灰,发现两者分别增重5.4 g和13.2 g。
(2)A的分子式为______。
③另取A 9.0 g,跟足量的NaHCO3粉末反应,生成2.24 L CO2(标准状况),若与足量金属钠反应则生成2.24 L H2(标准状况)。
(3)用结构简式表示A中含有的官能团________、________。
④A的核磁共振氢谱如下图:
(4)A中含有________种氢原子。
(5)综上所述,A的结构简式为__________。
答案 (1)90 (2)C3H6O3 (3)—COOH —OH (4)4
(5)
解析 (1)A的密度是相同条件下H2密度的45倍,相对分子质量为45×2=90。9.0 g A的物质的量为0.1 mol。
(2)燃烧产物依次缓缓通过浓硫酸、碱石灰,发现两者分别增重5.4 g和13.2 g,说明0.1 mol A燃烧生成0.3 mol H2O和0.3 mol CO2。1 mol A中含有6 mol H (6g)、3 mol C(36 g),则含有(90-6-36) g=48 g氧,即3 mol,所以A的分子式为C3H6O3。
(3)0.1 mol A跟足量的NaHCO3粉末反应,生成2.24 L CO2(标准状况),若与足量金属钠反应则生成2.24 L H2(标准状况),说明分子中含有一个—COOH和一个—OH。
(4)A的核磁共振氢谱中有4个峰,说明分子中含有4种处于不同化学环境下的氢原子。
(5)综上所述,A的结构简式为。
[考纲要求] 1.能根据有机化合物的元素含量、相对分子质量确定有机化合物的分子式。2.了解常见有机化合物的结构;了解有机物分子中的官能团,能正确表示它们的结构。3.了解确定有机化合物结构的化学方法和某些物理方法。4.了解有机化合物存在同分异构现象,能判断简单有机化合物的同分异构体(不包括手性异构体)。5.能根据有机化合物命名规则命名简单的有机化合物。
考点一 有机化合物的分类及官能团
1.按碳的骨架分类
2.按官能团分类
(1)官能团:决定化合物特殊性质的原子或原子团。
(2)有机物的主要类别、官能团和典型代表物
类别
官能团
代表物名称、结构简式
烷烃
甲烷CH4
烯烃
(碳碳双键)
乙烯H2C===CH2
炔烃
—C≡C—(碳碳三键)
乙炔HC≡CH
芳香烃
苯
卤代烃
—X(卤素原子)
溴乙烷C2H5Br
醇
—OH(羟基)
乙醇C2H5OH
酚
苯酚C6H5OH
醚
(醚键)
乙醚CH3CH2OCH2CH3
醛
(醛基)
乙醛CH3CHO
酮
(羰基)
丙酮CH3COCH3
羧酸
(羧基)
乙酸CH3COOH
酯
(酯基)
乙酸乙酯CH3COOCH2CH3
深度思考
1.判断正误,正确的划“√”,错误的划“×”
(1)官能团相同的物质一定是同一类物质(×)
(2)含有羟基的物质只有醇或酚(×)
解析 无机物中的H2O、含氧酸都含有羟基,有机物的“羧基”、“糖类”中也都含有羟基。
(3)含有醛基的有机物一定属于醛类(×)
解析 有机物的甲酸、甲酸某酯以及某些糖(如葡萄糖)中均含有醛基,它们均不属于醛类物质。
(4) 、—COOH的名称分别为笨、酸基(×)
(5)醛基的结构简式为“—COH”(×)
(6)含有苯环的有机物属于芳香烃(×)
2.有下列四种含苯环的有机物:
按要求回答下列问题:
(1)属于苯的同系物的是______。(填序号,下同)
(2)属于芳香烃的是________。
(3)属于芳香化合物的是____________。
(4)用图示画出上述三类物质之间的包含关系。
答案 (1)① (2)①② (3)①②③④ (4)
题组一 官能团的识别
1.北京奥运会期间对大量盆栽鲜花施用了S诱抗素制剂,以保持鲜花盛开。S诱抗素的分子结构如图,下列关于该分子说法正确的是 ( )
(提示:是羰基)
A.含有碳碳双键、羟基、羰基、羧基
B.含有苯环、羟基、羰基、羧基
C.含有羟基、羰基、羧基、酯基
D.含有碳碳双键、苯环、羟基、羰基
答案 A
解析 从图示可以分析,该有机物的结构中存在3个碳碳双键、1个羰基、1个醇羟基、1个羧基。A选项正确。
2.迷迭香酸是从蜂花属植物中提取得到的酸性物质,其结构如图所
示。该物质中含有的官能团有______________________。
答案 羧基、酯基、(酚)羟基、碳碳双键
解析 根据图中所示结构,可以看出该物质含有如下官能团:羧
基、酯基、(酚)羟基、碳碳双键。
题组二 有机物的分类
3.下列有机化合物中,有多个官能团:
(1)可以看作醇类的是________;(填编号,下同)
(2)可以看作酚类的是________;
(3)可以看作羧酸类的是________;
(4)可以看作酯类的是________。
答案 (1)BD (2)ABC (3)BCD (4)E
4.按官能团的不同,可以对有机物进行分类,请指出下列有机物的种类,填在横线上。
(1)CH3CH2CH2OH________;
答案 (1)醇 (2)酚 (3)芳香烃(或苯的同系物) (4)酯
(5)卤代烃 (6)烯烃 (7)羧酸 (8)醛
解析 要做好这类试题,需熟悉常见的官能团与有机物类别的对应关系。(1)和(2)中官能团 均为—OH,(1)中—OH与链烃基直接相连,则该物质属于醇类,(2)中—OH与苯环直接相连,故该物质属于酚类;酚和醇具有相同的官能团,根据—OH连接基团的不同确定有机物的类别。(3)为仅含苯环的碳氢化合物,故属于芳香烃(其通式满足CnH2n-6,属于苯的同系物)。(4)中官能团为酯基,则该有机物属于酯。(5)中官能团为—Cl,则该物质属于卤代烃。(6)中官能团为碳碳双键,则该物质属于烯烃。(7)中官能团为—COOH,故该物质属于羧酸。(8)中官能团为—CHO,故该物质属于醛。
考点二 有机化合物的结构特点、同分异构体及命名
1.有机化合物中碳原子的成键特点
―→每个碳原子形成4个共价键
|
―→单键、双键或三键
|
―→碳链或碳环
2.有机化合物的同分异构现象
同分异构现象
化合物具有相同的分子式,但结构不同,因而产生性质上的差异的现象
同分异构体
具有同分异构现象的化合物互为同分异构体
类 型
碳链异构
碳链骨架不同如CH3—CH2—CH2—CH3和
位置异构
官能团位置不同如:CH2===CH—CH2—CH3和CH3CH===CH—CH3
官能团异构
官能团种类不同如:CH3CH2OH和CH3—O—CH3
3.同系物
结构相似,分子组成上相差一个或若干个CH2原子团的化合物互称同系物。如CH3CH3和CH3CH2CH3;CH2===CH2和CH2===CHCH3。
4.有机化合物的命名
(1)烷烃的习惯命名法
(2)烷烃的系统命名法
①几种常见烷基的结构简式:
甲基:—CH3;乙基:—CH2CH3;
丙基(—C3H7):CH3CH2CH2—,CHCH3CH3]。
②命名步骤:
→选最长的碳链为主链
→从靠近支链最近的一端开始
→先简后繁,相同基合并
如命名为3甲基己烷。
深度思考
1.(选修5P12-5)有机物CH3CH3、CH3CH===CH2、CH3CH2C≡CH、CH3C≡CH、C6H6、中,与乙烯互为同系物的是____________和____________。
答案 CH3CH===CH2
2.指出下列有机物命名错误的原因
(1) 命名为“2乙基丙烷”,错误原因是___________;
将其命名为“3甲基丁烷”错误原因是_________________。
答案 主链选错,应选最长的碳链作主链 编号错,应从距支链最近的一端作为编号的起点,正确的命名应为2甲基丁烷
(2) 命名为“1甲基1丙醇”,错误原因是________________。
答案 主链选错,正确的命名应为2丁醇
题组一 正确表示有机物
1.某期刊封面上的一个分子球棍模型图如图所示,图中“棍”代表单键、双键或三键,不同颜色的球代表不同元素的原子。该模型图可代表一种 ( )
A.氨基酸 B.卤代羧酸 C.醇钠 D.酯
答案 A
解析 观察本题模型可见:有四种不同颜色的球,也就是有四种元素,其中有一个绿球有四个键,推测绿球代表碳原子。白球均在末端,都只与一个球相连,推测白球为氢原子。红球既可单连绿球,也可一端连绿球(碳原子)一端连白球(氢原子),可推断为氧原子。蓝球只能形成三个价键,可知为氮原子。因此该模型代表甘氨酸(氨基乙酸)。
2.某只含有C、H、O、N的有机物的简易球棍模型如图所示,下列关于该有机物的说法不正确的是 ( )
A.该有机物属于氨基酸
B.该有机物的分子式为C3H7NO2
C.该有机物与CH3CH2CH2NO2互为同系物
D.该有机物的一氯代物有2种
答案 C
解析 根据有机物的成键特点,该有机物为,含有氨基和羧基,属于氨基酸,A对;其分子式为C3H7NO2,与CH3CH2CH2NO2互为同分异构体,B对,C错;该有机物的一氯代物有2种,D对。
题组二 有机物的共线、共面判断
3.下列化合物的分子中,所有原子都处于同一平面的有 ( )
A.乙烷 B.甲苯 C.氟苯 D.丙烯
答案 C
解析 A、B、D中都含有甲基,有四面体的空间结构,所有原子不可能共面;C项中氟原子代替分子中一个氢原子的位置,仍共平面。
4.已知为平面结构,则W
(HOOC—CH==CH—CH==CH—COOH)分子中最多有________个原子在同一平面内。
答案 16
解析 由题中信息可知与直接相连的原子在同一平面上,又知与直接相连的原子在同一平面上,而且碳碳单键可以旋转,因此W分子中所有原子有可能都处在同一平面上,即最多有16个原子在同一平面内。
判断分子中共线、共面原子数的技巧
(1)审清题干要求
审题时要注意“可能”、“一定”、“最多”、“最少”、
“所有原子”、“碳原子”等关键词和限制条件。
(2)熟记常见共线、共面的官能团
①与三键直接相连的原子共直线,如
②与双键和苯环直接相连的原子共面,如
(3)单键的旋转思想
有机物分子中的单键,包括碳碳单键、碳氢单键、碳氧单键,
均可绕键轴自由旋转。
题组三 同分异构体的书写及判断
5.下列各组物质不互为同分异构体的是 ( )
A.2,2二甲基丙醇和 2甲基丁醇
B.邻氯甲苯和对氯甲苯
C.2甲基丁烷和戊烷
D.甲基丙烯酸和甲酸丙酯
答案 D
解析 甲基丙烯酸(分子式为C4H6O2)和甲酸丙酯(分子式为C4H8O2)的分子式不同,故不互为同分异构体。
6.2,2,4三甲基戊烷与氯气发生取代反应时,生成的一氯代物可能有( )
A.2种 B.3种 C.4种 D.5种
答案 C
解析 2,2,4三甲基戊烷的结构简式为,该有机物中有4种位置不同的氢原子,因此其一氯代物也有4种。
7.C9H10O2的有机物有多种同分异构体,满足下列条件的同分异构体有________种,写出其中任意一种同分异构体的结构简式:__________________。
①含有苯环且苯环上只有一个取代基;②分子结构中含有甲基;③能发生水解反应。
答案 5
1.同分异构体数目的判断
(1)一取代产物数目的判断
①等效氢法:连在同一碳原子上的氢原子等效;连在同一碳
原子上的甲基上的氢原子等效;处于对称位置的氢原子等效。
②烷基种数法:烷基有几种,一取代产物就有几种。如
—CH3、—C2H5各有一种,—C3H7有两种,—C4H9有四种。
③替代法:如二氯苯C6H4Cl2的同分异构体有3种,四氯苯
的同分异构体也有3种(将H替代Cl)。
(2)二取代或多取代产物数目的判断
定一移一或定二移一法:对于二元取代物同分异构体数目
的判断,可固定一个取代基的位置,再移动另一取代基的
位置以确定同分异构体的数目。
2.限定条件同分异构体的书写
已知有机物分子式或结构简式,书写在限定条件下的同分异
构体或判断同分异构体的种类,是高考的热点和难点。解答
这类题目时,要注意分析限定条件的含义,弄清楚在限定条
件下可以确定什么,再根据分子式并针对可变因素书写各种
符合要求的同分异构体。
3.熟记下列常见的官能团异构
组成通式
可能的类别及典型实例
CnH2n
烯烃(CH2CHCH3)、
环烷烃()
CnH2n-2
炔烃(CHCCH2CH3)、二烯烃(CH2=CHCH=CH2)、环烯烃()
CnH2n+2O
醇(C2H5OH)、醚(CH3OCH3)
CnH2nO
醛(CH3CH2CHO)、酮(CH3COCH3)、烯醇(CH2CHCH2OH)、环醚()、环醇()
CnH2nO2
羧酸(CH3COOH)、酯(HCOOCH3)、
羟基醛(HO—CH2—CHO)
CnH2n-6O
题组四 有机物命名的正误判断
8.判断下列有关烷烃的命名是否正确
(4) 异戊烷 ( )
答案 (1)√ (2)× (3)√ (4)×
解析 (2)编号错,应为2,2,4三甲基戊烷;(4)根据球棍模型,其结构简式为,名称为2甲基戊烷。
9.判断下列有关烯烃、卤代烃、醇的命名是否正确
(1)CH2===CH—CH===CH—CH===CH2 1,3,5三己烯 ( )
(2) 2甲基3丁醇 ( )
(3) 二溴乙烷 ( )
(4) 3乙基1丁烯 ( )
(5) 2甲基2,4己二烯 ( )
(6) 1,3二甲基2丁烯 ( )
答案 (1)× (2)× (3)× (4)× (5)√ (6)×
解析 (1)应为1,3,5己三烯;(2)应为3甲基2丁醇;(3)应为1,2二溴乙烷;(4)应为3甲基1戊烯;(6)应为2甲基2戊烯。
1.有机物系统命名中常见的错误
(1)主链选取不当(不包含官能团,不是主链最长、
支链最多);
(2)编号错(官能团的位次不是最小,取代基位号
之和不是最小);
(3)支链主次不分(不是先简后繁);
(4)“”、“,”忘记或用错。
2.弄清系统命名法中四种字的含义
(1)烯、炔、醛、酮、酸、酯……指官能团;
(2)二、三、四……指相同取代基或官能团的个数;
(3)1、2、3……指官能团或取代基的位置;
(4)甲、乙、丙、丁……指主链碳原子个数分别为
1、2、3、4。
考点三 研究有机物的一般步骤和方法
1.研究有机化合物的基本步骤
2.分离提纯有机物常用的方法
(1)蒸馏和重结晶
适用对象
要求
蒸馏
常用于分离、提纯液态有机物
①该有机物热稳定性较强
②该有机物与杂质的沸点相差较大
重结晶
常用于分离、提纯固态有机物
①杂质在所选溶剂中溶解度很小或很大
②被提纯的有机物在此溶剂中溶解度受温度影响较大
(2)萃取和分液
①常用的萃取剂:苯、CCl4、乙醚、石油醚、二氯甲烷等。
②液液萃取:利用有机物在两种互不相溶的溶剂中的溶解性不同,将有机物从一种溶剂转移到另一种溶剂中的过程。
③固液萃取:用有机溶剂从固体物质中溶解出有机物的过程。
3.有机物分子式的确定
(1)元素分析
(2)相对分子质量的测定——质谱法
质荷比(分子离子、碎片离子的相对质量与其电荷的比值)最大值即为该有机物的相对分子质量。
4.分子结构的鉴定
(1)化学方法:利用特征反应鉴定出官能团,再制备它的衍生物进一步确认。
(2)物理方法:
①红外光谱
分子中化学键或官能团可对红外线发生振动吸收,不同化学键或官能团吸收频率不同,在红外光谱图上将处于不同的位置,从而可以获得分子中含有何种化学键或官能团的信息。
②核磁共振氢谱
深度思考
判断正误,正确的划“√”,错误的划“×”
(1)有机物中碳、氢原子个数比为1∶4,则该有机物一定是CH4 (×)
解析 CH3OH分子中的C、H原子个数比也为1∶4。
(2)燃烧是测定有机物分子结构的有效方法 (×)
解析 燃烧是研究确定有机物元素组成的有效方法,不能确定有机物的官能团等。
(3)蒸馏分离液态有机物时,在蒸馏烧瓶中应加少量碎瓷片 (√)
(4) 的核磁共振氢谱中有6种峰 (×)
解析 该有机物中有5种不同化学环境的氢原子。
(5)符合同一通式的物质是同系物关系 (×)
(6)对有机物分子红外光谱图的研究有助于确定有机物分子中的官能团 (√)
题组一 有机物的分离提纯
1.为了提纯下列物质(括号内为杂质),有关除杂试剂和分离方法的选择均正确的是 ( )
选项
被提纯的物质
除杂试剂
分离方法
A
己烷(己烯)
溴水
分液
B
淀粉溶液(NaCl)
水
过滤
C
苯(苯酚)
NaOH溶液
分液
D
甲烷(乙烯)
KMnO4酸性溶液
洗气
答案 C
解析 A中向试样中加入溴水,己烯与Br2反应的产物与己烷仍互溶,用分液法不能将己烷提纯;B中除去淀粉中的NaCl可用渗析的方法;D中用KMnO4酸性溶液除去甲烷中的乙烯,又引入杂质CO2气体。
2.物质的提纯是化学实验中的一项重要操作,也是化工生产及物质制备中的主要环节。下列有关叙述中,正确的是 ( )
A.乙酸乙酯中混有乙酸,可用饱和Na2CO3溶液洗涤,然后分液分离出乙酸乙酯
B.在提纯鸡蛋中的蛋白质时,可向鸡蛋清溶液中加入浓硝酸;然后将所得沉淀滤出,即得较纯的蛋白质
C.除去乙烷中少量的乙烯,可在光照条件下通入Cl2,气液分离
D.苯中含少量的苯酚,可加入溴水过滤除去苯酚
答案 A
解析 B项,浓硝酸可使蛋白质变性,且会使含苯环的蛋白质变成黄色,得不到纯蛋白质;C项,光照时通入Cl2,乙烷与Cl2发生取代反应,C项不正确;D项,苯酚与溴水反应生成的三溴苯酚可溶于苯中,溴水中的溴也会溶于苯中,D项不正确。
题组二 核磁共振氢谱确定分子结构
3.在核磁共振氢谱中出现两组峰,其氢原子数之比为3∶2的化合物是 ( )
答案 D
解析 A中有2种氢,个数比为3∶1;B中据镜面对称分析知有3种氢,个数比为3∶1∶1;C中据对称分析知有3种氢,个数比为1∶3∶4;D中据对称分析知有2种氢,个数比为3∶2。
4.化合物A经李比希法和质谱法分析得知其相对分子质量为136,分子式为C8H8O2。A的核磁共振氢谱有4个峰且面积之比为1∶2∶2∶3,A分子中只含一个苯环且苯环上只有一个取代基,其红外光谱与核磁共振氢谱如下图。关于A的下列说法中,正确的是 ( )
A.A分子属于酯类化合物,在一定条件下不能发生水解反应
B.A在一定条件下可与4 mol H2发生加成反应
C.符合题中A分子结构特征的有机物只有1种
D.与A属于同类化合物的同分异构体只有2种
答案 C
解析 因化合物A中有4类氢原子,个数分别为1、2、2、3,又因为A是一取代苯,苯环上有三类氢原子,个数分别为1、2、2,所以剩余侧链上的3个氢等效,为—CH3,结合红外光谱知,A中含有酯基,可以水解,A为。与A发生加成反应的H2为3 mol,与A同类的同分异构体应为5种。
题组三 综合应用确定有机物分子式和结构的方法
5.有机物A只含有C、H、O三种元素,常用作有机合成的中间体。16.8 g该有机物燃烧生成44.0 g CO2和14.4 g H2O;质谱图表明其相对分子质量为84,红外光谱分析表明A分子中含有O—H键和位于分子端的C≡C键,核磁共振氢谱上有三个峰,峰面积之比为6∶1∶1。
(1)A的分子式是____________。
(2)下列物质中,一定条件下能与A发生反应的是__________________(填字母)。
A.H2 B.Na
C.酸性KMnO4溶液 D.Br2
(3)A的结构简式是____________________________________。
(4)有机物B是A的同分异构体,1 mol B可与1 mol Br2加成。该有机物中所有碳原子在同一个平面上,没有顺反异构现象。B的结构简式是___________________________________。
答案 (1)C5H8O
(2)ABCD
解析 (1)16.8 g有机物A中m(C)=44.0 g×=12 g,m(H)=14.4 g×=1.6 g,则m(O)=(16.8-12-1.6) g=3.2 g,故A中N(C)∶N(H)∶N(O)=∶∶=5∶8∶1,则其最简式为C5H8O,又A的相对分子质量为84,则其分子式为C5H8O。
(2)A分子中含有C≡C键,能与H2、Br2发生加成反应,能与酸性KMnO4溶液发生氧化反应;含有羟基,能与Na发生置换反应。
(3)根据A的核磁共振氢谱上有三个峰,峰面积之比为6∶1∶1,说明A中有三种类型的氢原子,个数之比为6∶1∶1,再结合A中含有O—H键和位于分子端的C≡C键,则其结构简式为
(4)根据1 mol B可与1 mol Br2加成,可以推断B中含有1个碳碳双键,再结合B没有顺反异构体,则其结构简式为
有机物结构式的确定流程
探究高考 明确考向
1.(2013·海南,18Ⅰ改编)下列化合物中,同分异构体数目超过7个的有 ( )
①己烷 ②己烯 ③1,2二溴丙烷④乙酸乙酯
A.①② B.②③ C.①④ D.②④
答案 D
2.(2013·北京理综,12)用下图所示装置检验乙烯时不需要除杂的是 ( )
乙烯的制备
试剂X
试剂Y
A
CH3CH2Br与NaOH乙醇溶液共热
H2O
KMnO4酸性溶液
B
CH3CH2Br与NaOH乙醇溶液共热
H2O
Br2的CCl4溶液
C
C2H5OH与浓H2SO4加热至170 ℃
NaOH溶液
KMnO4酸性溶液
D
C2H5OH与浓H2SO4加热至170℃
NaOH溶液
Br2的CCl4溶液
答案 B
解析 题目中共给出了两种制备乙烯的方法,利用溴乙烷和氢氧化钠的乙醇溶液制备乙烯时,乙烯中可能混有溴乙烷、乙醇、水蒸气等杂质;利用乙醇与浓硫酸共热制备乙烯时,乙烯中可能混有二氧化硫、二氧化碳、水蒸气等杂质。弄清楚了杂质,再考虑杂质对乙烯检验有无影响,若无影响便不需要除杂。
A项乙烯中可能混有溴乙烷、乙醇、水蒸气等杂质,乙醇也能使高锰酸钾酸性溶液褪色,因此在检验乙烯时,应先将气体通入水中以除去乙醇,防止其对乙烯检验的干扰;B项溴乙烷、乙醇、水蒸气都不能使溴的四氯化碳溶液褪色,因此对乙烯的检验没有影响,故可以不除杂质。利用乙醇与浓硫酸共热制备乙烯时,乙烯中混有的二氧化硫也能使高锰酸钾酸性溶液、溴的四氯化碳溶液褪色,故C项、D项中,检验乙烯前必须将二氧化硫除去。
3.(2012·海南,18Ⅰ改编)下列化合物在核磁共振氢谱中能出现两组峰.且其峰面积之比为3∶1的有 ( )
A.乙酸异丙酯 B.乙酸乙酯
C.对二甲苯 D.均三甲苯
答案 D
解析 A项,CH3COOCH(CH3)2的核磁共振氢谱中有三组峰,其峰面积之比为6∶3∶1;B项,CH3COOCH2CH3的核磁共振氢谱中有三组峰,其峰面积之比为3∶2∶3;C项,的核磁共振氢谱中有两组峰,其峰面积之比为3∶2;D项,均三甲苯的核磁共振氢谱中有两组峰,其峰面积之比为3∶1。
4.(2012·重庆理综,9)萤火虫发光原理如下:
关于荧光素及氧化荧光素的叙述,正确的是 ( )
A.互为同系物
B.均可发生硝化反应
C.均可与碳酸氢钠反应
D.均最多有7个碳原子共平面
答案 B
解析 由荧光素和氧化荧光素的结构简式可知,二者在结构上所含官能团有所不同,不是同系物;有机化合物的性质决定于结构和官能团,酚羟基决定了苯环邻对位可以被硝基取代;荧光素结构中的羧基决定了可以和碳酸氢钠反应,而酚羟基不能和碳酸氢钠反应;依据苯的结构特征,分子结构中最少应有7个碳原子共平面。
5.[2013·新课标全国卷Ⅰ,38(6)] 的同分异构体中,既能发生银镜反应,又能与FeCl3溶液发生显色反应的共有________种,其中核磁共振氢谱为5组峰,且峰面积比为2∶2∶2∶1∶1的为________________(写结构简式)。
答案 13 HOCH2CHO
解析 该有机物的同分异构体中能发生银镜反应则有—CHO,能与FeCl3发生显色反应,则有酚羟基(—OH),其中肯定还有一个—CH3,所以该有机物的同分异构体确定方法是先定官能团,再定最后一个饱和C原子的位置。
符合条件的同分异构体数=5+5+3=13种,其中核磁共振氢谱为5组峰且峰面积之比为2∶2∶2∶1∶1的只有:。
6.[2013·江苏,17(2)(3)](2)是常用指示剂酚酞。写出该化合物中含氧官能团的名称:________和________。
(3)某化合物是的同分异构体,且分子中只有两种不同化学环境的氢。写出该化合物的结构简式:________________(任写一种)。
答案 (2)(酚)羟基 酯基
(3)
解析 (3)的分子式为C7H14O,不饱和度为1,只有2种不同化学环境的氢,说明是对称结构,据此可写出其同分异构体的结构简式。
练出高分
1.下列说法正确的是 ( )
A.凡是分子组成相差一个或几个CH2原子团的物质,彼此一定是同系物
B.两种化合物组成元素相同,各元素质量分数也相同,则两者一定是同分异构体
C.相对分子质量相同的几种化合物,互称为同分异构体
D.组成元素的质量分数相同,且相对分子质量也相同的不同化合物,一定互为同分异构体
答案 D
解析 分子组成上相差一个或若干个CH2原子团的物质,其分子结构不一定相似,如CH3—CH===CH2与,故A说法错误;若两种化合物组成元素相同,各元素的质量分数也相同,则它们的最简式必定相同,最简式相同的化合物可能是同分异构体,也可能不是同分异构体,如CH2O(甲醛)和C2H4O2(乙酸),所以B说法错误;相对分子质量相同的物质是很多的,如无机物中的H2SO4和H3PO4,又如有机物中的C2H6O(乙醇)与CH2O2(甲酸),这些物质都具有相同的相对分子质量,但由于它们的分子组成不同,所以它们不是同分异构体,故C说法错误;当不同化合物组成元素的质量分数相同,相对分子质量也相同时,其分子式一定相同,因此这样的不同化合物互为同分异构体。
2.下列有机化合物的分类不正确的是 ( )
答案 A
解析 A中不含苯环,通式不满足CnH2n-6。
3.某化工厂生产的某产品只含C、H、O三种元素,其分子模型如图所示(图中球与球之间的
连线代表化学键,如单键、双键等)。下列物质中与该产品互为同分异
构体的是 ( )
A.CH2===C(CH3)COOH
B.CH2===CHCOOCH3
C.CH3CH2CH===CHCOOH
D.CH3CH(CH3)COOH
答案 B
解析 依据C、O、H的成键特点可知该球棍模型代表的结构简式为,显然与B互为同分异构体。
4.下列各有机化合物的命名正确的是 ( )
A.CH2===CH—CH===CH2 1,3二丁烯
答案 D
解析 A项中化合物应命名为1,3丁二烯;B项中化合物应命名为2丁醇;C项中化合物应命名为邻甲基苯酚。
5.有关分子结构的下列叙述中,正确的是 ( )
A.除苯环外的其余碳原子有可能都在一条直线上
B.所有的原子都在同一平面上
C.12个碳原子不可能都在同一平面上
D.12个碳原子有可能都在同一平面上
答案 D
解析 本题主要考查苯环、碳碳双键、碳碳三键的空间结构。按照结构特点,其空间结构可简单表示为下图所示:
由图形可以看到,直线l一定在平面N中,甲基上3个氢只有一个可能在这个平面内;
—CHF2基团中的两个氟原子和一个氢原子,最多只有一个在双键决定的平面M中;平面M和平面N一定共用两个碳原子,可以通过旋转碳碳单键,使两平面重合,此时仍有—CHF2中的两个原子和—CH3中的两个氢原子不在这个平面内。要使苯环外的碳原子共直线,必须使双键部分键角为180°。但烯烃中键角为120°,所以苯环以外的碳不可能共直线。
6.苯环上有两个取代基的C9H12,其苯环上的一氯代物的同分异构体共有(不考虑立体异构) ( )
A.6种 B.7种 C.10种 D.12种
答案 C
解析 苯环上有两个取代基的C9H12共有3种,其苯环上的一氯代物分别有4种、4种、2种,故共有10种。
7.如图所示是一个有机物的核磁共振氢谱图,请你观察图谱,分析其可能是下列物质中的
( )
A.CH3CH2CH2CH3 B.(CH3)2CHCH3
C.CH3CH2CH2OH D.CH3CH2COOH
答案 C
解析 由核磁共振氢谱的定义可知,在氢谱图中从峰的个数即可推知有几种化学环境不同的氢原子,由图可知有4种不同化学环境的氢原子。分析选项可得A项有2种不同化学环境的氢原子,B项有2种不同化学环境的氢原子,C项有4种不同化学环境的氢原子,D项有3种不同化学环境的氢原子。
8.分子式为C5H10O2的酯共有(不考虑立体异构) ( )
A.7种 B.8种 C.9种 D.10种
答案 C
解析 为了不出现遗漏,写的时候可以按如下分类来写异构体;甲酸丁酯4种(丁基4种异构)、乙酸丙酯2种(丙基2种异构)、丙酸乙酯1种、丁酸甲酯2种(丁酸的烃基为丙基,丙基2种异构),共9种。
9.充分燃烧某液态芳香烃X,并收集产生的全部水,恢复到室温时,得到水的质量跟原芳香烃X的质量相等。则X的分子式为 ( )
A.C10H16 B.C11H14 C.C12H18 D.C13H20
答案 C
解析 烃燃烧后,其中的氢全部转入水中,故水中氧元素的质量等于烃中碳元素的质量。水中氧、氢元素的质量比为16∶2=8∶1,则芳香烃中:====,符合的只有C。
10.某烃的组成为C15H24,分子结构非常对称,实验证明该烃中仅存在三种基团:
乙烯基(CH2CH)、亚甲基(CH2)和次甲基CH,并且乙烯基和次甲基之间必须通过亚甲基相连。当该烃含有单环结构时,分子中的乙烯基和亚甲基的个数依次为 ( )
A.2个、3个 B.3个、3个
C.4个、6个 D.3个、6个
答案 D
解析 乙烯基和次甲基之间必须通过亚甲基相连。即,剩余部分只能是—CH2—,才能连成单环,根据、—CH2—中的碳、氢原子数之和应与烃分子C15H24中的碳、氢原子数相等,列方程可求出、—CH2—的个数,注意中有一个亚甲基。
11.分析下列有机化合物的结构简式,完成填空。
①CH3CH2CH2CH2CH3 ②C2H5OH
请你对以上有机化合物进行分类,其中,
属于烷烃的是__________;属于烯烃的是__________;
属于芳香烃的是__________;属于卤代烃的是__________;
属于醇的是__________;属于醛的是________________;
属于羧酸的是__________;属于酯的是______________;
属于酚的是________________。
答案 ①③ ④ ⑤⑧⑨ ⑫ ②⑥ ⑦⑪ ⑩⑬ ⑬⑭ ⑮
解析 一些有机物含有多种官能团,可从各官能团的角度看成不同类的有机物,如⑬既可看作是羧酸类,又可看作是酯类。
12.按要求回答下列问题:
(1) 的系统命名为________;
(2)3甲基2戊烯的结构简式为________;
(3)的分子式为________;
(4)某烃的分子式为C4H4,它是合成橡胶的中间体,它有多种同分异构体。
①试写出它的一种链式结构的同分异构体的结构简式____________________________。
②它有一种同分异构体,每个碳原子均达饱和,且碳与碳的夹角相同,该分子中碳原子形成的空间构型为_______________________形。
答案 (1)2,3二甲基丁烷
(2)
(3)C4H8O
(4)① ②正四面体
13.有A、B两种烃,其相关信息如下:
A
完全燃烧的产物中n(CO2)∶n(H2O)=2∶1
②28
④一氯代物只有一种结构
B
饱和链烃,通常情况下呈气态
②有同分异构体
③二溴代物有三种
回答下列问题:
(1)烃A的最简式是____________;
(2)烃A的结构简式是______________;
(3)烃B的三种二溴代物的结构简式为_______________________________________;
(4)烃C为烃B的同系物,常温下为气态且只有一种一溴代物,则烃C的一溴代物的结构简式为________________(填一种即可)。
答案 (1)CH (2)
(4)CH3Br(或C2H5Br)
解析 (1)烃A完全燃烧的产物中n(CO2)∶n(H2O)=2∶1,则烃A的分子式为(CH)n;
(2)因28
(4)烃B的同系物中常温下为气态的是CH4、C2H6、C3H8,C3H8有两种一溴代物,CH4、C2H6都只有一种一溴代物,分别为CH3Br、C2H5Br。
14.有机物A可由葡萄糖发酵得到,也可以从牛奶中提取。纯净的A为无色粘稠液体,易溶于水。为研究A的组成与结构,进行了如下实验:
实验步骤
解释或实验结论
①称取A 9.0 g,升温使其汽化,测其密度是相同条件下H2的45倍。
试通过计算填空:
(1)A的相对分子质量为____。
②将9.0 g A在足量纯O2中充分燃烧,并使其产物依次缓缓通过浓硫酸、碱石灰,发现两者分别增重5.4 g和13.2 g。
(2)A的分子式为______。
③另取A 9.0 g,跟足量的NaHCO3粉末反应,生成2.24 L CO2(标准状况),若与足量金属钠反应则生成2.24 L H2(标准状况)。
(3)用结构简式表示A中含有的官能团________、________。
④A的核磁共振氢谱如下图:
(4)A中含有________种氢原子。
(5)综上所述,A的结构简式为__________。
答案 (1)90 (2)C3H6O3 (3)—COOH —OH (4)4
(5)
解析 (1)A的密度是相同条件下H2密度的45倍,相对分子质量为45×2=90。9.0 g A的物质的量为0.1 mol。
(2)燃烧产物依次缓缓通过浓硫酸、碱石灰,发现两者分别增重5.4 g和13.2 g,说明0.1 mol A燃烧生成0.3 mol H2O和0.3 mol CO2。1 mol A中含有6 mol H (6g)、3 mol C(36 g),则含有(90-6-36) g=48 g氧,即3 mol,所以A的分子式为C3H6O3。
(3)0.1 mol A跟足量的NaHCO3粉末反应,生成2.24 L CO2(标准状况),若与足量金属钠反应则生成2.24 L H2(标准状况),说明分子中含有一个—COOH和一个—OH。
(4)A的核磁共振氢谱中有4个峰,说明分子中含有4种处于不同化学环境下的氢原子。
(5)综上所述,A的结构简式为。
相关资料
更多

