2021年中考化学一轮精选练习13《常见的酸和pH》(含答案)
展开2021年中考化学一轮精选练习
13《常见的酸和pH》
1.绣球花的颜色与土壤酸碱度有关,当土壤呈酸性时花朵为蓝色。下列是不同土壤的pH,能让绣球花呈蓝色的是( )
A.pH=12.1 B.pH=9.6 C.pH=7.0 D.pH=5.8
2.下列叙述正确的是( )
A.盐酸是胃液的主要成分,能够帮助消化
B.盐酸中混有的硫酸可用过量的BaCl2溶液除去
C.打开盛有浓盐酸试剂瓶的瓶塞,瓶口出现大量白烟
D.向试剂瓶中滴加 2~3 滴紫色石蕊溶液检验其酸碱性
3.向一定量稀盐酸中分别加入足量的以下物质,下列图像能正确描述对应变化关系的是( )
4.下列图像能正确反映对应变化关系的是( )
A.向一定量的氢氧化钠溶液中滴入pH=2的稀盐酸
B.某温度时,向一定量的饱和石灰水中加入少量生石灰
C.向含有盐酸的氯化铁溶液中滴加烧碱溶液
D.向一定量NaOH和BaCl2的混合溶液中滴加稀硫酸至过量
5.下列实验操作、现象与结论一致的是( )
6.有A、B两种酸碱指示剂,它们显示的颜色与溶液pH的关系如图,它们在甲溶液和乙溶液中显示的颜色如表,下列判断错误的是( )
A.甲溶液呈酸性
B.乙溶液的pH可能为11
C.只用A指示剂就可鉴别甲溶液、乙溶液和蒸馏水三种液体
D.在滴有A指示剂的甲溶液中不断地加入乙溶液,最后溶液一定呈绿色
7.小明同学归纳总结了初中所学稀硫酸的化学性质,并用“H2SO4+X→盐+Y”这种表达式进行整理,下列小明的观点错误的是( )
8.我国研制的航天员舱外服为航天员成功进行太空行走提供了可靠的保证。航天员舱外服内含有与氢氧化钠性质相似的氢氧化锂(LiOH),它不可能具有的性质是( )
A.能与二氧化碳反应
B.能与氧化铁反应
C.能与盐酸反应
D.能使酚酞溶液变红
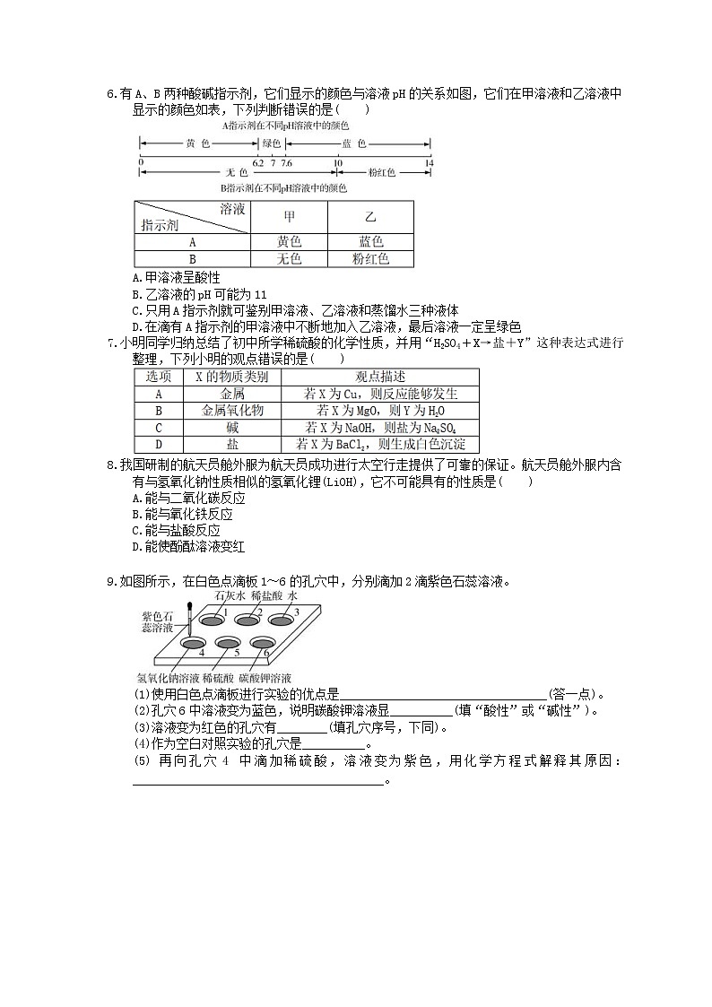
9.如图所示,在白色点滴板1~6的孔穴中,分别滴加2滴紫色石蕊溶液。
(1)使用白色点滴板进行实验的优点是_________________________________(答一点)。
(2)孔穴6中溶液变为蓝色,说明碳酸钾溶液显__________(填“酸性”或“碱性”)。
(3)溶液变为红色的孔穴有________(填孔穴序号,下同)。
(4)作为空白对照实验的孔穴是__________。
(5)再向孔穴4中滴加稀硫酸,溶液变为紫色,用化学方程式解释其原因:________________________________________。
10.盐酸不小心走进了有许多“食人兽”(即能与盐酸发生反应的物质)的小山,盐酸必须避开它们,否则无法通过,请你帮助它走出小山。
(1)请用图中物质前的序号连接起来表示所走的路线:
入口→______→______→______ →⑨→出口。
(2)盐酸刚进入口时,碰到两种阻止它前进的物质,其中一种是能“吃掉”盐酸的盐,写出该反应的化学方程式:______________________________________________。
(3)小山中潜伏着黑色的“食人兽”化合物,若盐酸遇上,发生反应的化学方程式为____________________________________________。
(4)小山中有一种污染空气的有毒气体。我们可以喷洒浓石灰水来“消灭”它,写出该反应的化学方程式:______________________________________________。
(5)根据(2)~(3)归纳盐酸的化学性质,你认为盐酸还没有遇到哪类“食人兽”的威胁?_______________________________________________________________。
11.实验一:
如图1,电子天平A、B上的表面皿中分别盛有浓HCl、浓H2SO4,放置一段时间。
(1)A中的示数变小,原因是__________________________________________。
(2)与图C所示变化相一致的是__________(填字母)。
实验二:如图2,做对比实验,得出相应结论。
(3)Ⅰ和Ⅱ试管中都产生气泡,且Ⅰ中比Ⅱ中剧烈。此现象说明物质反应的快慢与______________________有关。Ⅲ试管中可能的现象是___________________________。
请用化学方程式解释其原因:_______________________、_______________________。
(4)如图3所示,比较金属的活动性强弱。实验现象:试管Ⅳ比试管Ⅴ中产生气泡剧烈。得出结论:金属活动性X>Y。我不赞同此结论,理由是______________________。完成本实验需要控制的变量是________________________________________________。
12.如图1为某兴趣小组在学习碱的性质时进行的探究活动,请按要求回答问题:
(1)通过分析实验一可知,氢氧化钠会吸收空气中的__________。
(2)实验二中观察到3个塑料瓶变瘪的程度为A>B>C,可证明CO2能与NaOH、Ca(OH)2反应,其中C瓶在实验中起______________作用。为确定实验后A瓶内溶液中溶质的组成,可取少量A瓶中的溶液,加入__________________________,静置,取上层清液滴加____________________,若溶液变红,则__________(填“含有”或“不含”)NaOH。
(3)小明查阅资料了解到往Ba(OH)2溶液中滴加或通入下列图2中的物质会产生如下现象:A中溶液显红色,B、C、E中产生白色沉淀,D中产生蓝色沉淀。
①已知二氧化硫能与氢氧化钡反应生成亚硫酸钡(BaSO3),请写出E试管中反应的化学方程式______________________________。
②将D中混合物过滤,得到无色溶液。该无色溶液中一定含有的溶质是______________________,可能含有的溶质是__________________。若要验证这种可能含有的溶质,不宜使用__________(填字母)。
A.酚酞溶液 B.pH试纸 C.氯化铜 D.碳酸钠
③不同的碱溶液中都含有OH-,所以碱有一些相似的化学性质。上述关于Ba(OH)2性质的实验不能体现碱的相似性质的是__________(填字母序号)。
答案解析
1.答案为:D;
2.答案为:A;
3.答案为:D;
4.答案为:B;
5.答案为:C;
6.答案为:D;
【解析】A项,甲能使A指示剂显黄色,A指示剂在pH小于6.2时显黄色,则甲显酸性,故选项说法正确;B项,乙能使B指示剂显粉红色,B指示剂在pH大于10时显粉红色,则乙溶液的pH可能为11,显碱性,故选项说法正确;C项,甲溶液、乙溶液和蒸馏水三种液体分别能使A指示剂显黄色、绿色、蓝色,可以鉴别,故选项说法正确;D项,在滴有A指示剂的甲溶液中不断地加入乙溶液,当乙溶液过量时,溶液显碱性,最后溶液也可能显蓝色,故选项说法错误。
7.答案为:A;
8.答案为:B;
9.答案为:
(1)节约药品(或减少污染,或现象明显,或操作方便等)
(2)碱性;
(3)2、5;
(4)3
(5)2NaOH+H2SO4=== Na2SO4+2H2O
10.答案为:
(1)③ ⑤ ⑦
(2)Na2CO3+2HCl=== 2NaCl+H2O+CO2↑
(3)CuO+2HCl=== CuCl2+H2O
(4)Ca(OH)2+SO2=== CaSO3↓+H2O;
(5)碱、指示剂
11.答案为:
(1)浓盐酸具有挥发性;
(2)AB
(3)酸的浓度(或溶质质量分数) 铁锈消失,溶液变黄色,产生气泡
Fe2O3+6HCl=== 2FeCl3+3H2O Fe+2HCl=== FeCl2+H2↑
(4)酸的浓度不同 金属的大小、盐酸的质量、盐酸的浓度
12.答案为:
(1)水蒸气;
(2)对比 足量的CaCl2(或BaCl2)溶液 酚酞溶液 含有;
(3)①Ba(OH)2+SO2=== BaSO3↓+H2O;②BaCl2 Ba(OH)2 D;③C;

