高中第一节 原子结构与元素周期表学案
展开
这是一份高中第一节 原子结构与元素周期表学案,共13页。
核心微网络
素养新目标
1.认识原子的组成及微粒之间的数量关系。
2.学会核外电子的排布规律与应用。
3.认识元素周期表及发展历程。
4.理解元素周期表与原子结构的关系。
[预习新知]
一、原子结构
1.原子的构成
(1)原子的构成
原子eq \b\lc\{\rc\ (\a\vs4\al\c1(原子核\b\lc\{\rc\ (\a\vs4\al\c1(质子:带正电荷,中子:不带电)),电子:带负电荷))
如碳原子的原子结构模型
(2)原子的表示方法
即:eq \\al(A,Z)X表示质量数是A,质子数是Z的X原子。
2.质量数
(1)概念
原子核内所有质子和中子的相对质量取近似整数值后相加所得的数值。
(2)构成原子的微粒间的两个关系
①质量数(A)=质子数(Z)+中子数(N)。
②质子数=核外电子数=核电荷数=原子序数。
3.核外电子的排布规律
(1)电子层从内到外,分别用n表示,依次为1,2,3,4,5,6,7或K,L,M,N,O,P,Q。
(2)内层电子能量较低,外层能量较高。电子总是先从内层排起,排满后,再排下一层。
4.第n层最多容纳电子数为2n2,最外层最多容纳8个电子,K层只能容纳2个电子。
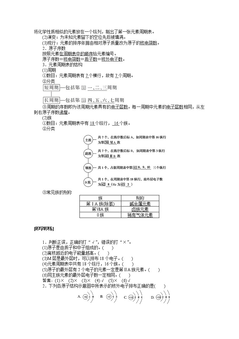
二、元素周期表
1.元素周期表的发展历程
(1)诞生:1869年,俄国化学家门捷列夫将元素按照相对原子质量由小到大的顺序排列,将化学性质相似的元素放在一个纵列,制出了第一张元素周期表。
(2)演变:为未知元素留下的空位先后被填满。
(3)现行:元素的排序依据由相对原子质量改为原子的核电荷数。
2.原子序数
按照元素在周期表中的顺序给元素编号。
原子序数=核电荷数=质子数=核外电子数。
3.元素周期表的结构
(1)周期
①数目:元素周期表有7个横行,故有7个周期。
②分类
③周期的序数即为该周期元素具有的电子层数。每一周期中元素的电子层数相同,从左到右原子序数递增。
(2)族
①数目:元素周期表中有18个纵行, 16个族。
②分类
③常见族的别称
[即学即练]
1.判断正误,正确的打“√”,错误的打“×”。
(1)原子是由质子和中子组成的。( )
(2)离核越近的电子能量越高。( )
(3)M层是最外层时,可以排布18个电子。( )
(4)元素周期表中共有18个纵行,16个族。( )
(5)原子的最外层有2个电子的元素一定是第ⅡA族元素。( )
(6)同主族元素的最外层电子数一定相同。( )
答案:(1)× (2)× (3)× (4)√ (5)× (6)√
2.下列各原子结构示意图中所表示的核外电子排布正确的是( )
答案:C
3.下列关于元素周期表的说法中,正确的是( )
A.元素周期表是按照元素的相对原子质量大小排列而成的
B.元素周期表共有7个周期16个族
C.过渡元素都是金属元素,第ⅠA族都是金属元素
D.最外层电子数相同的元素都在同一族
解析:元素周期表是按照元素原子的核电荷数大小排列而成的,A错误;元素周期表共有7个周期16个族,B正确;第ⅠA族中氢元素不是金属元素,C错误;最外层电子数相同的元素不一定都在同一族,如最外层电子数为2,它有可能位于ⅡA族,有可能位于0族也有可能位于副族,D错误。
答案:B
4.在元素周期表中,第一、二、三、四周期元素的数目分别是( )
A.2、8、8、18
B.2、8、18、18
C.2、18、18、18
D.2、8、18、32
解析:第一周期有2种元素,第二、三周期分别有8种元素,第四周期有18种元素。
答案:A
5.根据原子结构和元素周期表的关系完成下列各题。
(1)写出下列微粒的符号及其在元素周期表的位置。
微粒:________ ______ ________ ________
位置:________ ______ ________ ________
(2)第三周期第ⅣA族的元素的原子序数是________。
(3)Na元素的原子序数为11,相邻的同族元素的原子序数是________。
(4)短周期元素中,族序数=周期序数的元素有:________(填元素符号,下同)。
(5)短周期元素中,族序数=周期序数2倍的元素有:________。
(6)短周期元素中,周期序数=族序数2倍的有:________。
答案:
(1)O Na+ Cl Cl- 第二周期ⅥA族 第三周期ⅠA族 第三周期ⅦA族 第三周期ⅦA族
(2)14 (3)3、19 (4)H、Be、Al (5)C、S (6)Li
技 能 素 养
目标一 核外电子排布规律应用
原子结构示意图中,核电荷数等于核外电子数;而离子结构示意图中,二者则不相等:
阳离子:核外电子数核电荷数。
[例1] 表示某微粒的结构示意图,下列说法不正确的是( )
A.表示的原子只能为Ne
B.表示的金属阳离子有3种
C.表示的微粒对应的元素一定为非金属元素
D.表示的微粒有2个电子层
【解析】 对于原子,质子数=核外电子数=10,故只能为Ne,A项正确;若为金属阳离子,可能为Na+、Mg2+、Al3+,共3种,B项正确;该微粒还可能为O2-、F-等,因此对应的元素可能为金属元素,也可能为非金属元素,C项错误;该微粒结构示意图表示微粒有2个电子层,D项正确。
【答案】 C
[提升1] 前18号元素中,A元素原子最外层电子数是次外层电子数的2倍;B元素原子最外层电子数是其内层电子总数的3倍;C元素原子M层电子数等于其L层电子数的一半;D元素原子最外层有1个电子,D的阳离子与B的阴离子电子层结构相同,则4种元素原子序数关系中正确的是( )
A.C>D>B>A
B.D>B>A>C
C.A>D>C>B
D.B>A>C>D
解析:A元素原子的次外层电子数只能是2,最外层电子数是4,A的原子序数为6;B元素的内层电子总数只能是2,最外层电子数为6,B的原子序数为8;C元素原子有3个电子层,L层必有8个电子,M层有4个电子,C的原子序数为14;D的阳离子与B的阴离子(即O2-)电子层结构相同,D为Na,原子序数为11;故原子序数:C>D>B>A。
答案:A
[核心能力]
1.原子核外电子排布规律——“四最”
2.离子结构示意图
(1)当主族中的金属元素原子失去最外层所有电子变为离子时,电子层数减少一层,形成与上一周期的稀有气体原子相同的电子层结构。
如:
(2)非金属元素的原子得电子形成简单离子时,形成和稀有气体原子相同的电子层结构。
如:。
核外电子排布规律是相互联系的,不能孤立地、机械地理解和套用。当M层不是最外层时,最多可以排布18个电子,而当它是最外层时,最多只能排布8个电子。
目标二 元素周期表基本判断应用
[例2] 1869年,俄国化学家门捷列夫制作出了第一张元素周期表,揭示了化学元素的内在联系,成为化学史上的重要里程碑之一。下列有关元素周期表的说法正确的是( )
A.元素周期表含元素最多的族是第ⅢB族
B.元素周期表有18个族
C.第ⅠA族的元素全部都是金属元素
D.短周期是指第一、二、三、四周期
【解析】 第ⅢB族中包含锕系与镧系元素,共有32种元素,A正确;元素周期表中共有18个纵行,16个族,B错误;第ⅠA族中H为非金属元素,C错误;短周期包括第一、二、三周期,D错误。
【答案】 A
[提升2] 结合元素周期表回答下列问题:
(1)表中的实线是元素周期表的部分边界,请在表中用实线补全元素周期表的边界。
(2)表中所列元素,属于短周期元素的有________,属于主族元素的有________;g元素位于第________周期________族;i元素位于第________周期第________族。
(3)元素f位于第________周期第________族,请在下边方框中按氦元素的式样写出该元素的原子序数、元素符号、元素名称、相对原子质量。
(4)元素在元素周期表中的位置与元素原子结构的关系为
________________________________________________________________________
________________________________________________________________________。
解析:(1)根据元素周期表的结构知:第一周期有2种元素,分别位于第1、18列;第二、三周期均有8种元素,分别位于第1、2、13~18列;第四、五、六、七周期为长周期,包括1~18列。由此可画出元素周期表的边界。(2)画出元素周期表的边界后,很容易找出各元素在周期表中的位置。(3)第三周期第ⅥA族元素为硫,原子序数为16,相对原子质量为32。
答案:
(1)
(2)a、b、c、d、e、f、g a、b、c、d、e、f 三 0 四 ⅡB
(3)三 ⅥA
(4)主族元素的族序数与原子的最外层电子数相同,元素的周期数与原子核外的电子层数相同
[核心能力]
1.周期中的相关信息
2.族中的相关信息
(1)由上表可知元素周期表中主族元素的族序数后标A,副族元素的族序数后标B。
(2)稀有气体元素因为性质稳定,有稳定的电子层结构,化合价为0,因此称为0族元素。
3.某些族元素的别称
(1)过渡元素:元素周期表中从第ⅢB族到第ⅡB族共10个纵行,包括了第Ⅷ族和全部副族元素,共60多种元素,全部为金属元素,统称为过渡元素。
(2)由于镧系和锕系位于第3列,所以元素种类最多的族是第ⅢB族。
目标三 元素周期表中元素的常见推断
[例3] A、B、C均为短周期元素,它们在周期表中的位置如图所示,已知B、C元素的原子序数之和是A元素原子序
数的4倍,则A、B、C符合的一组是( )
A.Be、Na、Al
B.B、Mg、Si
C.O、P、Cl
D.C、Al、P
【解析】 由于A、B、C为短周期元素,从A、B、C的相对位置可知,A只能处在第二周期,而B、C处在第三周期。设A的原子序数为x,则B的原子序数为(x+8-1)=x+7,C的原子序数为(x+8+1)=x+9,则(x+7)+(x+9)=4x,x=8。所以,A、B、C的原子序数分别为8、15、17,对应的元素分别为O、P、Cl。故选C。
【答案】 C
[提升3] 下列各表是元素周期表的一部分,表中数字表示的原子序数与其在周期表中的位置相符的是( )
解析:A项中1号元素和2号元素不应只隔1列,且1号元素与11号元素之间还应有一横行,故A项错误。B项中4号元素(Be)和13号元素(Al)中间应隔有10列过渡元素,B项错误。C项中10号元素不和15、16号元素在同一周期,且6、32号元素不和10号元素在同一族,C项错误;D项正确。
答案:D
[核心能力]
元素在周期表中的位置关系
(1)利用短周期中族序数与周期数的关系推断。
若设族序数与周期数的比值是x,则有:
(2)同周期第ⅡA族和第ⅢA族元素原子序数差。
(3)同主族相邻两元素原子序数之差的情况
①若为ⅠA、ⅡA族元素,则原子序数之差等于上周期元素所在周期的元素种类数。
②若为ⅢA族至0族元素,则原子序数之差等于下周期元素所在周期的元素种类数。
(4)同主族不相邻两元素的原子序数的差
元素周期表中1~7周期的元素种类数分别是2,8,8,18,18,32,32,故同主族不相邻的两种元素的原子序数的差是这几个数的和或差,如1H和19K的原子序数差是2+8+8=18。
元素周期表中元素的推断方法
(本方法常用于确定原子序数小于18的元素)
(1)周期序数=电子层数
(2)主族元素族序数=原子最外层电子数=元素最高正化合价数(O、F例外)
(3)原子序数=核电荷数=核外电子数
例如:X元素是第3周期第ⅠA族元素,则该元素原子有3个电子层,最外层电子数是1,即钠元素。
学考评价
授课提示:对应学生用书51页
1.元素在周期表中的位置取决于该元素原子的( )
A.相对原子质量和核外电子数
B.电子层数和最外层电子数
C.相对原子质量和最外层电子数
D.电子层数和次外层电子数
答案:B
2.在元素周期表中,属于短周期的主族元素有( )
A.18种 B.15种
C.10种 D.8种
解析:短周期元素有18种,其中主族元素有15种,0族元素有3种。
答案:B
3.已知某元素的原子结构示意图为,下列说法中正确的是( )
A.该元素位于第二周期第Ⅷ族
B.该元素位于第三周期第ⅠA族
C.该元素属于稀有气体元素
D.该元素属于金属元素
解析:根据原子结构示意图可知,该元素为氖,为稀有气体元素,位于第二周期0族,故C项正确。
答案:C
4.下列叙述正确的是( )
A.稀有气体元素化学性质不活泼,最外层电子数均为8
B.除短周期外,其他周期均有18种元素
C.副族元素没有非金属元素
D.碱金属元素是指第ⅠA族的所有元素
解析:A选项,He为稀有气体元素,最外层电子数为2,错误;B选项,第六、七周期均有32种元素,错误;C选项,副族元素均为金属元素,正确;D选项,第ⅠA族元素中的H不属于碱金属元素,错误。
答案:C
5.下列各图若为元素周期表的一部分(表中数字代表原子序数),其中合理的是( )
解析:解题时可根据稀有气体2号、10号元素应在周期表的最右端和3号元素在周期表的最左端排除A、B、C三项。
答案:D
6.A、B、C、D为短周期元素,在元素周期表中所处的位置关系如下图所示,A、C两种元素的原子核外电子数之和等于B元素原子的质子数。
(1)分别写出A、B、C、D四种元素的名称________、________、________、________。
(2)B元素位于元素周期表中第________周期第________族。
(3)D元素的单质与水反应的化学方程式为
________________________________________________________________________
________________________________________________________________________。
解析:A、B、C、D均为短周期元素,从四者的相对位置及元素周期表的结构来看,A、C位于第二周期,B、D位于第三周期,若A的原子序数为x,则C为x+2,B为x+8+1。由题意知x+x+2=x+8+1,x=7,所以A、B、C、D的原子序数分别为7、16、9、17,分别为氮、硫、氟、氯。
答案:(1)氮 硫 氟 氯 (2)三 ⅥA (3)Cl2+H2O===HCl+HClO
练后感悟
根据原子序数确定元素位置的方法——0族定位法
(1)比大小定周期
比较该元素的原子序数与0族元素的序数大小,找出与其最近的0族元素,若该元素的序数比稀有气体小,则位于同一周期,若比稀有气体大,则位于下一周期。
(2)求差值定族数
①若某元素原子序数比相应的0族元素多1或2,则该元素应处在该0族元素所在周期的下一个周期的ⅠA族或ⅡA族。
②若比相应的0族元素少1~5时,则应处在同周期的ⅦA~ⅢA族。
③若差为其他数,则由相应差值找出相应的族。
课时作业16 原子结构与元素周期表
授课提示:对应学生用书101页
[学业达标]
1.下列叙述正确的是( )
A.电子的能量越低,运动区域离原子核越远
B.核外电子的分层排布即是核外电子的分层运动
C.稀有气体元素原子的最外层都排有8个电子
D.当M层是最外层时,最多可排布18个电子
解析:在离核较近区域内运动的电子能量较低,A项错误;核外电子的分层排布即是核外电子的分层运动,B项正确;氦原子最外层只有2个电子,C项错误;除K层外的其他电子层作最外层时,所容纳的电子均不超过8个(K层时,不超过2个),D项错误。
答案:B
2.下列说法错误的是( )
A.某原子的K层上可能只有一个电子
B.某原子M层上的电子数为L层上电子数的4倍
C.某离子M层和L层上的电子数均为K层上电子数的4倍
D.某离子的核电荷数和最外层电子数相等
解析:当M层上排有电子时,L层已经排满,即L层上排了8个电子,而M层最多能排18个电子,故M层上的电子数不可能为L层上电子数的4倍,B项错误。
答案:B
3.根据下列元素原子某层的电子数,能确定该元素原子序数的是( )
A.K层上有2个电子 B.L层上有3个电子
C.次外层有8个电子 D.最外层有5个电子
解析:A、C、D三项均无法确定相应元素原子的电子层数,也就无法求其质子数;B项,L层上有3个电子的原子对应元素的原子序数为5,B项正确。
答案:B
4.某非金属元素原子的最外层电子数为内层电子数的eq \f(1,2),则该元素原子的核外电子数为( )
A.3 B.14 C.15 D.16
解析:根据原子核外电子排布规律可知,由于该元素是非金属元素,所以不可能是Li,则其原子核外应该有3个电子层,符合条件的只有P,P原子的核外电子数为15。
答案:C
5.某粒子结构示意图为eq \a\vs4\al\c1(),若该粒子为离子,则它所带的电荷数可能为( )
①8-n ②n-8 ③10-n ④n-10
A.①② B.①③
C.③④ D.②④
解析:若为阳离子,电荷数为n-2-8=n-10;若为阴离子,电荷数为2+8-n=10-n。
答案:C
6.下列粒子的结构示意图错误的是( )
解析:根据核外电子排布规律可知,K原子的结构示意图为K:eq \a\vs4\al\c1()。
答案:C
7.下列说法正确的是( )
①元素周期表中有7个横行,也就是7个周期
②元素周期表中有9个横行,分为7个周期
③元素周期表中有18个纵行,分为16个族
④元素周期表中有18个纵行,也就是18个族
A.①② B.②③
C.①③ D.①④
答案:C
8.元素X的原子有3个电子层,最外层有4个电子。这种元素位于周期表的( )
A.第4周期第ⅢA族 B.第4周期第ⅦA族
C.第3周期第ⅣB族 D.第3周期第ⅣA族
答案:D
9.在周期表中,第三、四、五、六周期元素的数目分别是( )
A.8,18,32,32 B.8,18,18,32
C.8,18,18,18 D.8,8,18,18
答案:B
10.下列说法中正确的是( )
A.每一周期的元素都是从碱金属开始,最后以稀有气体结束
B.同一主族元素都是从非金属元素开始,以金属元素结束
C.第2、3周期上下相邻元素的原子核外电子数相差8
D.第3周期有4种金属元素和4种非金属元素
答案:C
11.如果n为第ⅡA族中某元素的原子序数,则原子序数为(n+1)的元素可能位于( )
A.ⅢA或ⅢB B.ⅣA C.ⅠB D.ⅠA
解析:在元素周期表中,第二、三周期中第ⅡA族与第ⅢA族元素原子序数相差1,在第四、五、六、七周期中,第ⅡA族与第ⅢB族相邻,故原子序数为(n+1)的元素位于第ⅢA或ⅢB族,A正确。
答案:A
12.在现行元素周期表中,所含元素种数最多的族和周期分别是( )
A.第ⅠA族 第六周期 B.第Ⅷ族 第六周期
C.第ⅢB族 第六周期 D.第ⅢA族 第六周期
解析:现行元素周期表中,第六、七周期第ⅢB族分别为镧系和锕系元素,各有15种元素,由于第七周期未排满,故第六周期、第ⅢB族元素最多。
答案:C
13.已知A为第ⅡA族的元素,B为第ⅢA族的元素,它们的原子序数分别为X和Y,且A、B为同一周期元素,下列关系式错误的是( )
A.Y=X+1 B.Y=X+11 C.Y=X+25 D.Y=X+10
解析:在同一周期的前提下,第ⅡA族、第ⅢA族在短周期中原子序数相差1;第4、5周期中由于中间有副族元素的存在,故第ⅡA族、第ⅢA族原子序数相差11;第6、7周期中由于镧系、锕系元素的存在,两者相差25。
答案:D
14.下列各表中的数字代表的是元素的原子序数。表中数字对应的元素与它们在元素周期表中的位置相符的是( )
解析:A项,1号元素正下方为3号元素,1号和2号元素间隔16列,A错误;B项,10号元素在周期表中位于第18列(最后一列),B错误;C项,13号元素正上方为13-8=5号元素,正下方为13+18=31号元素,C错误。
答案:D
15.用下列原子或离子的结构示意图的编号(A、B、C、D)填空:
(1)电子层排布相同的是________;
(2)属于同一种元素的是________;
(3)属于金属元素的是________;
(4)属于稀有气体元素的是________。
解析:
(1)由结构示意图可知,B和C的电子层排布相同。
(2)核内质子数相等的A和B属于同一种元素。
(3)金属元素原子的最外层电子数一般少于4,D为Na,属于金属元素。
(4)稀有气体元素原子的最外层电子数一般为8(He为2)。
答案:(1)B、C (2)A、B (3)D (4)C
[等级突破]
16.短周期元素X、Y、Z在元素周期表中的位置如图所示,回答下列问题。
(1)元素X单质分子是________(写化学式)。
(2)Y位于元素周期表中的第________周期第________族。
(3)Z的同主族下一周期的元素的原子序数是________。
解析:因X、Y、Z都是短周期元素,则X、Y、Z分别是第1、2、3周期元素,故X为He,Y为F,Z为S。稀有气体是单原子分子,故X单质分子是He;Y为F,是元素周期表中的第2周期第ⅦA族元素;第4周期有18种元素,故下一周期Z的同主族元素的原子序数是16+18=34。
答案:(1)He (2)2 ⅦA (3)34
17.A、B两种元素,A的原子序数为x,A和B所在周期所含的元素种类分别是m和n。
(1)如果A和B同在ⅠA族,当B在A的上一周期时,B的原子序数为________;当B在A的下一周期时,B的原子序数为________。
(2)如果A和B同在ⅦA族,当B在A的上一周期时,B的原子序数为________;当B在A的下一周期时,B的原子序数为________。
解析:此题选取了具有代表性的两族:ⅠA和ⅦA,可以根据它们具体的原子序数来推理,试过之后再与下面的答案相比较。经过对元素周期表的分析研究,你可能不难得出以下结论:①ⅠA、ⅡA族,下面元素的原子序数等于同主族上面元素的原子序数加上上面元素所在周期的元素种类数。②ⅢA到0族,下面元素的原子序数等于上面元素的原子序数加上下面元素所在周期的元素种类数。
答案:(1)x-n x+m (2)x-m x+n
族
别称
第ⅠA族(除氢)
碱金属元素
第ⅦA族
卤族元素
0族
稀有气体元素
一个
最低
能量最低原理:核外电子总是尽量先排布在能量最低的电子层里,然后再由里往外排布在能量逐步升高的电子层里。即按K→L→M→N…顺序排列
三个
最多
各电子层最多容纳2n2个电子。如K、L、M、N层最多容纳电子数分别为2、8、18、32
最外层电子数目不能超过8个(K层为最外层时不能超过2个)
次外层最多能容纳的电子数为18个
周期
行数
所含元素种类数
每周期的起止元素及其原子序数
短
周
期
一
1
2
1H―→2He
二
2
8
3Li―→10Ne
三
3
8
11Na―→18Ar
长
周
期
四
4
18
19K―→36Kr
五
5
18
37Rb―→54Xe
六
6
32
55Cs―→86Rn
七
7
32(填满时)
87Freq \(――→,\s\up7( ))118X
(X表示未发现的118号元素)
列数
1
2
3
4
5
6
7
8
9
10
11
12
13
14
15
16
17
18
类别
主族
副族
第Ⅷ族
副族
主族
0族
名称
ⅠA
ⅡA
ⅢB
ⅣB
ⅤB
ⅥB
ⅦB
第Ⅷ族
ⅠB
ⅡB
ⅢA
ⅣA
ⅤA
ⅥA
ⅦA
0族
名称
ⅠA(除氢外)
ⅡA
ⅣA
ⅤA
ⅥA
ⅦA
0
别称
碱金属
碱土金属
碳族
氮族
氧族
卤族
稀有
气体
x的取值
1/3
1/2
1
2
3
对应的元素
Na
Li
H、Be、Al
C、S
O
相关学案
这是一份高中化学人教版 (2019)必修 第一册第三节 氧化还原反应导学案,共12页。
这是一份高中第一章 物质及其变化第一节 物质的分类及转化导学案,共31页。
这是一份高中化学人教版 (2019)必修 第一册第四章 物质结构 元素周期律第三节 化学键学案及答案,共20页。

