还剩26页未读,
继续阅读
所属成套资源:2020高考鲁教版地理新导学大一轮讲义()
成套系列资料,整套一键下载
2020版地理新导学大一轮鲁教版讲义:第二册第三单元产业活动与地理环境第26讲
展开
第26讲 工业生产与地理环境
[考纲呈现]
1.影响工业区位的因素。
2.工业生产活动对地理环境的影响。
3.工业地域的形成条件与发展特点。
[考纲解读]
1.理解影响工业区位的主要因素,掌握主要工业导向类型的特点及区位选择。(重难点)
2.运用工业区位原理进行工业布局的合理选择,掌握工业区位分析方法。(重难点)
3.理解工业联系、工业集聚与工业分散的关系。
4.结合实例,说明传统工业区和新工业区的形成条件与发展特点。(重点)
[思维导图]
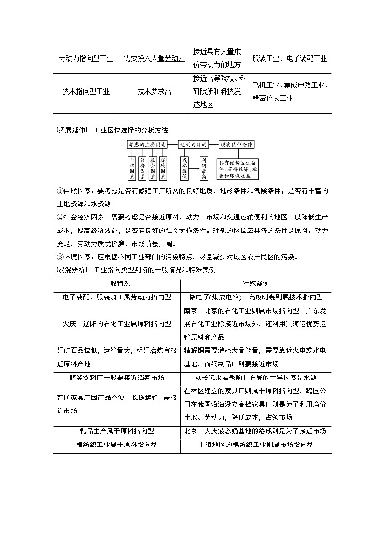
考点一 工业区位因素
1.主要区位因素
(1)自然因素:包括土地、水源、原料、动力等。
(2)社会经济因素:包括市场、政策、交通运输、劳动力(工人)等。
2.主导因素与区位选择
指向类型
工业特点
工业布局原则
典例
原料指向型工业
原料不便于长途运输或运输原料成本较高
接近原料产地
制糖工业、水产品加工业、水果罐头加工业
市场指向型工业
产品不便于长途运输或运输产品成本较高
接近消费市场
啤酒、家具制造业
动力指向型工业
需要消耗大量能量
接近能源供应地
电解铝工业
劳动力指向型工业
需要投入大量劳动力
接近具有大量廉价劳动力的地方
服装工业、电子装配工业
技术指向型工业
技术要求高
接近高等院校、科研院所和科技发达地区
飞机工业、集成电路工业、精密仪表工业
拓展延伸 工业区位选择的分析方法
①自然因素:要考虑是否有修建工厂所需的良好地质、地形条件和气候条件;是否有丰富的土地资源和水资源。
②社会经济因素:需要考虑是否接近原料、动力、市场和交通运输便利的地区,以降低生产成本,提高经济效益;是否有良好的社会协作条件。理想的区位应具备的条件是原料、动力充足,劳动力质优价廉、市场前景广阔。
③环境因素:应根据不同工业部门的污染特点,尽量减少对城区或居民区的污染。
易混辨析 工业指向类型判断的一般情况和特殊案例
一般情况
特殊案例
电子装配、服装加工属劳动力指向型
微电子(集成电路)、高级时装则属技术指向型
大庆、辽阳的石化工业属原料指向型
南京、北京的石化工业则属市场指向型;广东发展石化工业除接近市场外,还利用其海运优势运输原料和产品
铜矿石品位低,运输量大,粗铜冶炼宜接近原料产地
精解铜需要消耗大量能量,需要靠近火电或水电基地,而铜制品厂则要接近市场
瓶装饮料厂一般要接近消费市场
从长远来看影响其布局的主导因素是水源
普通家具厂因产品不便于长途运输,需接近市场
在林区建立的家具厂则属于原料指向型,跨国公司在我国沿海设立高档家具厂则是为了利用廉价土地、劳动力,降低成本,占领市场
乳品生产属于原料指向型
北京、大庆液态奶基地的落成则是为了接近市场
棉纺织工业属于原料指向型
上海地区的棉纺织工业则属市场指向型
考向一 工业区位因素的判断
(2018·全国文综Ⅲ)油纸伞是我国非物质文化遗产,采用传统方法,全手工制作。油纸伞以竹为骨,以纸或丝绸为面,刷桐油以增强韧性并防水,但长期置于干燥环境中易变脆、开裂。近年来,油纸伞走俏国际市场。据此完成1~2题。
1.与现代钢骨布面伞相比,油纸伞走俏国际市场依赖的主要优势是( )
A.携带方便 B.适用地广
C.文化蕴涵 D.经久耐用
2.下列地区中,宜作为油纸伞重点推销市场的是( )
A.欧洲西部 B.中亚
C.中东 D.撒哈拉以南非洲
答案 1.C 2.A
解析 第1题,由材料可知,油纸伞是我国非物质文化遗产,采用传统方法,全手工制作,因此相对现代钢骨布面伞来说,具有深厚的文化蕴涵。C正确。油纸伞以竹为骨,以纸或丝绸为面,不能折叠,不易携带;现代钢骨伞大多可折叠,更易携带。A错误。由材料可知,油纸伞若长期置于干燥环境中易变脆、开裂,说明油纸伞不适合在干燥环境下使用,也不如现代钢骨布面伞经久耐用。B、D错误。第2题,欧洲西部地区以温带海洋性气候为主,全年温和湿润,油纸伞不易变脆、开裂而损坏。A正确。中亚和中东地区常年降水少,空气干燥,油纸伞易变脆、开裂而损坏。B、C错误。撒哈拉以南非洲地区有热带草原气候、热带雨林气候、热带沙漠气候和小部分的地中海气候,其中热带沙漠气候全年干旱少雨,热带草原气候和地中海气候都有长时间的干季,油纸伞易变脆、开裂而损坏。D错误。
3.(2018·江苏地理)阅读材料,回答下列问题。
材料一 中国是世界第一大铁矿石进口国和第一大粗钢生产国,2015年粗钢产量约占全球产量的50%,但高端钢材生产不足。图1为“2015年世界铁矿石主要流向及流量略图”。
材料二 有研究显示,一个国家或地区的人均粗钢需求增幅与人均GDP有一定的相关性。2015年、2017年中国人均GDP分别为7 990美元和8 836美元。图2为“人均粗钢需求增幅与人均GDP关系示意图”。
材料三 产能利用率是指行业发挥生产能力的程度,是实际产量与设计产能的比率。一般认为,钢铁行业产能利用率处于78%~83%时较为合理,低于75%则为产能严重过剩。图3为“我国2010年~2015年粗钢产能和产能利用率统计图”。
(1)我国铁矿石进口最主要的源地是________________,从该地进口铁矿石在运输上的优势是______________。
(2)推测我国未来粗钢需求量将出现的变化及其根本原因。______________________________
________________________________________________________________________。
(3)我国粗钢生产存在的主要问题有________________。
(4)针对上述问题,我国粗钢生产领域的应对策略是________________。
答案 (1)澳大利亚 运输成本低(距离相对较近)
(2)先升后降。经济水平提高;产业升级转型
(3)产能过剩;对原料和市场依赖性强;经济效益低;技术含量低;能耗大、污染重
(4)去产能;多种途径保障原料供给;开拓国际市场;加大科技投入;加大环保力度
解析 第(1)题,读图1可知,我国进口铁矿石主要来源于澳大利亚。从澳大利亚进口铁矿石主要通过海洋运输,运费低,运量大,另外,与其他进口国相比,澳大利亚距离我国较近。第(2)题,在未来一段时间里,随着我国经济的发展,我国对于粗钢的需求将进一步加大,但随着经济结构调整和产业不断升级,对粗钢的需求会出现由增加变为减少的趋势。第(3)题,读图3可知,我国粗钢产能逐年增多,但产能利用率呈下降趋势,说明我国粗钢产能过剩,经济效益低。第(4)题,解决我国粗钢生产存在的问题的方法可以从去产能、加大科技投入、加强环境保护、开拓国际市场等方面分析。
考向二 工业的区位选择
(2018·全国文综Ⅱ)1994年,我国M公司(服装企业)在浙江温州成立,发展过程如下图所示。据此完成4~6题。
4.1996年,M公司关闭自有生产厂,主要是为了( )
A.提高附加值 B.降低人工成本
C.缩小规模 D.加强合作
5.M公司依次将研发中心和总部迁入上海,主要是因为上海( )
A.基础设施好 B.交通便利
C.销售市场大 D.信息通达
6.从发展过程看,M公司一直致力于( )
A.打造自主品牌 B.扩大生产规模
C.产品款式多样 D.增强国际影响
答案 4.A 5.D 6.A
解析 第4题,A对:关闭自有生产厂,把主要精力投入到打造自主品牌和营销方面,可以提高附加值。B错:降低人工成本不是主要目的。C错:1995年已经有多家生产厂加盟,可以看出该企业规模不断扩大。D错:关闭自有生产厂对加强企业间的合作作用不大,因此加强合作并不是主要目的。第5题,研发中心和总部主要从事企业产品的研发和对市场信息的获取,上海相对于温州,科技发达,信息通达度高,市场信息来源广。故选D。第6题,A对:从图中可以看出,M公司在1996年关闭了自有生产厂,后期注重产品的研发、市场信息的获取以及产品的销售等,这说明该企业注重打造自主品牌。B错:该企业关闭自有生产厂说明该企业并不是一直致力于扩大生产规模。C、D错:图中没有信息显示M公司在产品款式以及国际影响力等方面的投入。
考点二 工业区位因素的变化及工业生产对地理环境的影响
1.工业区位因素的变化
一个区位因素及其作用的变化,会导致其他区位因素及其作用发生变化,进而直接影响工业的区位选择。
综合思维 钢铁工业区位选择的三次变化
时间
主导因素
区位布局
19世纪
煤炭资源
靠近大煤田
20世纪初
铁矿资源
靠近大铁矿
第二次世界大战后
市场
靠近沿海消费区
2.环境对工业区位选择的影响
(1)考虑工业的环境要求
区位选择要求
典例
对大气环境十分敏感的工厂,应建在空气比较洁净的地区,远离烟尘污染严重的工厂
电子厂、感光器材厂
需要清洁水源的工厂,应布局在流经市区河流的上游
自来水厂、啤酒厂
(2)考虑工业的污染程度
区位选择要求
典例
规模小、基本无污染的工厂可以有组织地布局在城区
服装厂、玩具厂
规模大、对空气有轻度污染的工厂可布局在城市边缘或近郊区
机械厂
污染严重的工厂宜布局在远离城市的郊区
钢铁厂、水泥厂
(3)考虑工业的污染类型
区位选择要求
典例
已知主导风向的,应布局在当地主导风向的下风向
水泥厂、酿造厂、火电厂、钢铁厂
季风气候区,则应布局在与当地盛行风向垂直的郊区
已知最小风频的,应布局在最小风频的上风向
城郊热力环流显著的地区,宜布局在城市风的下沉距离之外
水污染严重的工厂,污水排放应远离水源地及河流上游,尽量布局在流经城市河流的下游
印染厂、造纸厂
固体废弃物污染严重的工厂,要远离农田和居民区
钢铁厂、火电厂
(4)考虑地形的影响
对大气污染比较严重的工业部门要布局在通风良好的地形区,避免布局在通风效果不理想的山谷与盆地中,以免废气大量聚集而危害人体健康。
3.工业生产对地理环境的影响
(1)有利影响
人类文明的体现,改变了人类的生产和生活方式,深刻影响人与环境的关系。
(2)不利影响
①工业生产对原材料的需求与自然界中有限的资源能源之间的矛盾加剧,一方面会产生资源、能源短缺问题,另一方面人类对资源的不合理开采会造成严重的生态破坏。
②人类对资源的不合理利用会造成严重的工业污染,并直接破坏环境。
考向一 工业区位因素的变化
(2018·北京文综)随着汽车等工业产品的废弃量增加,主要利用废钢冶炼的电炉炼钢技术日渐普及。下图示意国外某流域的钢铁厂分布。读图,回答第1题。
1.甲、乙两类钢铁厂在区位选择上均靠近( )
①铁矿 ②大城市 ③交通线路 ④钢铁消费地
A.①② B.③④ C.①③ D.②④
答案 B
解析 ③④对:读图可知,甲、乙两类钢铁厂都靠近交通线路(铁路线、河流)和钢铁消费地(大城市或城镇)。①②错:甲类钢铁厂的主要原料是铁矿石,而乙类钢铁厂的主要原料是废钢,可见两类钢铁厂的原料不同,结合图中信息可判断,两类钢铁厂并非都靠近铁矿;甲类钢铁厂都位于大城市附近,而乙类钢铁厂有的位于大城市附近,有的位于城镇附近。
“工业4.0”是一个将生产原料、智能工厂、物流配送、消费者全部编织在一起的大网,消费者只需用手机下单,网络就会自动将订单和个性化要求发送给智能工厂,由其采购原料、设计并生产,再通过网络配送直接交付给消费者。下图示意德国制造业进步的四个阶段。读图回答2~3题。
2.有关德国制造业区位因素变化的叙述,正确的是( )
A.对市场信息的依赖度提高
B.对交通运输条件要求下降
C.对劳动力数量的需求变大
D.对资源的配置要求将降低
3.“工业4.0”可能带来的影响是( )
A.提高工业生产的整体成本
B.工业生产由分散走向集中
C.可实现工业的个性化生产
D.扩大传统制造业生产规模
答案 2.A 3.C
解析 第2题,德国制造业逐渐向网络物理系统生产转变,“消费者只需用手机下单,网络就会自动将订单和个性化要求发送给智能工厂,由其采购原料、设计并生产,再通过网络配送直接交付给消费者”,因此可以看出,德国制造业对市场信息、交通运输条件等的依赖度在提高,对劳动力数量的需求减小,A对,B、C错。个性化产品的生产意味着对资源配置的要求将提高,D错,故选A。第3题,结合材料内容,从上题的分析可以推断出,“工业4.0”可能带来的影响是可实现工业的个性化生产,故选C。
(2018·全国文综Ⅰ)近年来,世界上出现了将精密机械设备的组装或加工工厂建在地下的现象。例如,日本岐阜某激光加工机组装企业和我国大连某数控机床加工企业,都将工厂建于地面10米以下。据此完成4~6题。
4.将生产精密机械设备的工厂建在地下有利于( )
①保持恒温环境 ②储存原材料和产品 ③降低生产成本 ④减小地面振动影响
A.①③ B.②③ C.①④ D.②④
5.与岐阜相比,大连地下工厂的设计与施工较少考虑的问题是( )
A.防渗水 B.防噪声
C.防坍塌 D.防地震
6.推断上述企业将工厂建在地下的直接目的是( )
A.增强保密程度 B.保证产品品质
C.满足战备需要 D.集约利用土地
答案 4.C 5.D 6.B
解析 第4题,C对:把工厂建在地下,是因为精密机械设备的组装或加工精度要求极高,对温度、湿度和外界振动都有着严格的要求。地下空间可以提供一个稳定的温度和湿度环境,外界的振动也难传导到车间内部,非常适合这种高精度加工组装的要求,因此①④说法正确。A、B、D错:储存原材料和产品的仓库完全可以建在地表,不用建于地面10米以下;与地面建设厂房相比,将工厂建于地面10米以下,非但不能降低生产成本,反而增加生产成本,故②③说法错误。第5题,D对:与岐阜相比,大连远离太平洋板块和亚欧板块交界处,地壳相对稳定,因此大连地下工厂的设计与施工较少考虑的问题是防地震。A、B、C错:将工厂建于地面10米以下,两地都会面临渗水、坍塌问题,而噪声是导致两地将工厂建在地下的另一个重要因素。第6题,B对:地下空间可以为精密机械设备的组装或加工提供一个稳定的温度和湿度环境,外界的振动也很难传导到车间内部,能够保证此类产品的质量。A、C错:激光加工机组装企业和数控机床加工企业并不属于军工企业,所以不需要考虑保密和战略问题。D错:土地集约利用实质上体现的是土地投入产出的关系,即在土地上用最少的投入获得最高产出,显然这不是将精密机械设备的组装或加工工厂建于地面10米以下的直接目的。
考向二 工业污染与工业布局
电解铝业是高耗能、高污染产业。近年来,我国新建电解铝产能主要分布在西北地区。有人认为,我国电解铝业西移是大势所趋。下图示意铝工业主要部门及其在我国的主要分布省区(2010年前)。据此完成7~8题。
7.西北地区大规模发展电解铝业依赖的优势条件是( )
A.廉价而充足的电力 B.良好的生态环境
C.充足的原料供应 D.良好的工业基础
8.西北地区电解铝厂选址应远离( )
A.交通线 B.输电线
C.绿洲 D.荒漠
答案 7.A 8.C
解析 第7题,我国西北地区电力资源较为充足,发展电解铝业依赖的优势条件是廉价而充足的电力。西北地区气候干旱,生态环境脆弱;西北地区铝土矿资源不丰富;西北地区经济较为落后,工业基础较差。第8题,电解铝厂污染较为严重,西北地区人口、城市等主要分布在绿洲地区,为减少对该地的污染,电解铝厂选址应远离绿洲。
考向三 工业生产对地理环境的影晌
河北承德市双滦区,一座座工业厂房正拔地而起,以前满目的低丘、缓坡、荒滩,已变身为集中连片、错落有致的“坡地工业”区。近几年,承德市通过山地整治,累计新增建设用地近万亩,吸引了雨润集团等28个项目落户。据此完成9~10题。
9.承德双滦区发展“坡地工业”的直接原因是( )
A.山地面积大 B.工业用地少
C.人均耕地少 D.林地面积大
10.承德双滦区大量发展“坡地工业”,对当地产生的主要影响是( )
A.减少了坡地的水土流失
B.缓解了城区的交通压力
C.降低了基础设施的成本
D.提高了企业的集聚效应
答案 9.B 10.D
解析 第9题,向低丘、缓坡、荒滩发展工业用地,说明原有的工业用地少,B项正确;山地面积大和人均耕地少不是直接原因,林地面积大更不是原因,A、C、D三项错误。第10题,土地植被遭到破坏,容易造成水土流失,A项错误;建设新工业区不可能缓解城市的交通压力,B项错误;山区建设工业增加基础设施成本,C项错误;工业相对集中,提高了企业的集聚效应,D项正确。
下图为“尼日利亚木材工业、食品工业和棉毛纺织工业分布图”。读图完成11~12题。
11.a、b、c工业对应的类型分别是( )
A.木材工业、棉毛纺织工业、食品工业
B.棉毛纺织工业、木材工业、食品工业
C.食品工业、木材工业、棉毛纺织工业
D.木材工业、食品工业、棉毛纺织工业
12.c工业的扩展在该地区引发的主要环境问题是( )
①大气污染加剧 ②水资源短缺 ③海水入侵 ④盐碱化加剧
A.①② B.②④ C.①③ D.③④
答案 11.D 12.B
解析 第11题,木材工业为原料指向型工业,应分布在森林资源较为丰富的地区;食品工业为市场指向型,需要庞大的消费人群及便利的交通条件;棉毛纺织工业以棉花、羊毛等为原料,应靠近草场及棉花产地。据图可知,b工业沿公路分布,交通便利,应为市场指向的食品工业;尼日利亚南部为热带雨林气候,北部为热带草原气候,而a工业主要位于热带雨林地区,应为木材加工工业;c工业则位于热带草原区,主要是发展以棉花和羊毛为原料的纺织工业。结合选项可知,D正确。第12题,c工业为棉毛纺织工业,其扩展会使得棉花种植业及畜牧业进一步发展,易导致水资源短缺及土壤盐碱化,故正确答案选B。
考点三 工业集聚与工业地域
1.工业集聚与工业地域
2.工业分散与工业的地域联系
3.工业集聚与工业分散的关系
综合思维 从三个角度分析工业分散
(1)两大目的
工业分散有助于缓解老工业区用地、用水紧张状况,减轻环境污染;有利于充分利用各地的区位优势,降低生产成本,提高经济效益。
(2)区位选择规律
不同企业不同时期区位选择目的不同,应具体情况具体分析,常见的规律如下:
工业区位选择
目的
选择在发展中国家或落后地区
最可能是该地劳动力资源丰富、廉价
选择人口众多的大城市或发达地区
最可能是该地市场广阔
选择在发达地区
可能是该地科技发达、资金充足
(3)分散规律
工业分散时一般会把处于低附加值的生产环节进行转移,而把产品设计、研发、品牌等高附加值的生产环节保留在本地区。对产业转入地应不断加大科技投入,增加产品竞争力,增加品牌效应。
考向一 工业集聚的评价
(2017·全国文综Ⅰ)德国海德堡某印刷机公司创始人及其合作者设计了轮转式印刷机,开创了现代印刷业的先河。至1930年,海德堡已成立了6家大的印刷机公司。同时,造纸、油墨和制版企业也先后在海德堡集聚。产业集聚、挑剔的国内客户以及人力成本高等因素的综合作用,不断刺激海德堡印刷机技术革新。据此完成1~2题。
1.造纸、油墨和制版企业先后在海德堡集聚,可以节省( )
A.市场营销成本 B.原料成本
C.劳动力成本 D.设备成本
2.海德堡印刷机在国际市场长期保持竞争优势,主要依赖于( )
A.产量大 B.价格低 C.款式新 D.质量优
答案 1.A 2.D
解析 第1题,由材料可知,造纸、油墨和制版企业先后在印刷机生产地海德堡集聚,而这些企业与印刷企业之间存在生产环节上的联系,都为印刷提供所需原料和服务,他们的产品流通是工厂直接对工厂,减少了中间的销售环节,节约了市场营销成本,因此答案选A。第2题,材料中提到由于各种因素的综合作用,不断刺激海德堡印刷机技术革新,因此,海德堡印刷机在国际市场长期保持竞争优势得益于先进的印刷机技术水平,即印刷的质量好,因此答案选D。
3.(2018·全国文综Ⅱ)阅读图文资料,完成下列要求。
数据中心是用特定设备在互联网上传输、存储数据信息的场所。数据中心的规模以设备运行耗能的多少来衡量,规模越大,运营成本越高。2010年之前,我国的数据中心一般规模较小,主要布局在东部沿海地区。2010年之后,一些大规模的数据中心开始在中西部地区布局。位于贵州省中部的贵安新区(国家级新区,位置见下图),因气候凉爽、用电成本较低、自然灾害少等优势,吸引了数十个大规模数据中心在此集聚,快速发展成为我国南方最大的数据中心基地。
(1)说明我国东部沿海地区建设数据中心的主要优势。
(2)分析数据中心在贵安新区集聚的有利条件与集聚发展的益处。
(3)如果把数据中心的数据比喻为“原料”,指出贵安新区利用这些“原料”可以发展的产业。
(4)东部沿海地区的一些数据中心开始采取节能降耗措施。你认为目前贵安新区的数据中心是否有必要这样做?请表明观点并解释原因。
答案 (1)通信和市政基础设施配套较好,有利于数据中心建设和维护;接近用户且有人才优势,方便数据的分析与利用。
(2)集聚的有利条件:国家级新区,有政策优惠;有气候、水和电价等优势,可大幅降低运营成本;临近贵阳和安顺,便于对接或利用城市基础设施和社会服务设施等。
集聚发展的益处:可以共享基础设施,节省个体数据中心建设与运行的成本;有利于数据中心之间的联系,促进相互间的交流和合作。
(3)数据加工、数据分析、数据交易、数据服务、智能制造等。
(4)没必要。因为贵安新区气候凉爽,电力资源丰富且电价低,没必要支付节能降耗的成本。
有必要。因为节能降耗有利于资源节约和环境友好,是可持续发展模式。
解析 第(1)题,数据中心是传输、存储数据信息的场所,东部沿海地区建设数据中心的优势,主要从基础设施、市场和人才等角度作答。第(2)题,由材料可知,大规模数据中心耗能高,对环境要求高。贵安新区是国家级新区,政策优惠,环境优美,污染少,水力资源丰富,能源成本低,自然灾害少,是建设大规模数据中心的理想地区。数据中心的集聚可以共用该地区的基础设施,共享信息,减少运输费用,加强企业间的交流与协作,达到降低成本,提高效益的目的。第(3)题,利用数据发展与数据相关的产业,如获取数据后,对数据的加工、分析、交易、服务,以及数据在智能制造方面的应用等。第(4)题,为开放性试题,回答出自己的观点并围绕自己的观点给出合适的理由即可。
考向二 工业分散的评价
读下图,据此回答4~5题。
4.该公司个人电脑零部件生产厂遍布世界各地的主要原因是( )
A.为了占领世界各地的市场
B.充分利用各地的优势区位
C.充分利用各地的运输条件
D.有效利用各地的基础设施
5.该公司计算机组装厂与零部件生产厂之间的地域联系方式有( )
①邮电通信 ②商业贸易 ③交通运输 ④生产工序上的联系 ⑤共用基础设施联系 ⑥地理信息技术
A.①②③ B.④⑤⑥ C.①④⑤ D.②③⑥
答案 4.B 5.A
解析 第4题,读图可知,个人电脑的零部件生产厂遍布世界各地,对技术水平要求较高的CPU、内存、显示器等在经济发达的美国、日本和韩国生产;对技术要求不高、需要大量劳动力的主板、鼠标、键盘等在经济相对较落后的我国生产,这是为了充分利用各地的优势区位,故本题正确答案为B。第5题,由图可知,该计算机组装厂的零部件来自全世界各地,因此组装厂和零部件生产厂进行商业贸易时,需要使用现代邮电通信进行联系。
下图示意某跨国公司的制造企业和研发中心在中国的分布。读图,完成6~7题。
6.该公司在中国多地投资建立制造企业主要是为了( )
A.扩大市场份额 B.分散投资风险
C.建立营销网络 D.利用廉价原料
7.该公司研发中心选址考虑的首要因素是( )
A.交通 B.人才 C.市场 D.资金
答案 6.A 7.B
解析 第6题,该跨国公司在中国建立了多家制造企业,主要是为了利用中国廉价的劳动力资源并就地销售产品,既降低了产品运输费用,又占领了市场。第7题,该公司研发中心选在上海和北京,主要是因为这两个城市科技发达、人才丰富,故选B项。研发中心最需要的是人才而非交通、市场和资金,故排除A、C、D三项。
考点四 传统工业区和新工业区
1.传统工业区主要分布地区:德国鲁尔区、英国中部工业区、美国东北部工业区、我国辽中南工业区等。
2.传统工业区主要特点:建立在丰富的煤、铁资源基础上;以煤炭、钢铁、机械、化工、纺织等传统工业为主;以大型企业为核心。
3.新工业区主要分布地区:意大利的东北部和中部地区,德国南部地区,以及美国“硅谷”等。
4.案例分析
工业区
形成条件
主要特点
辽中南工业基地
①煤、铁、石油等资源丰富;②水陆交通便利;③市场广阔;④工农业基础好⑤劳动力资源丰富⑥水资源丰富
以重工业为主,主要工业部门之间的联系如下图所示:
美国“硅谷”(高技术工业)
①地理位置优越,环境优美;②气候宜人;③交通便捷;④全世界的人才高地;⑤市场稳定(军事订货);⑥创新环境和创新文化
①科技人才比例高;②增长速度快、产品更新换代周期短;③研究开发费用比例高;④产品面向世界市场
考向一 传统工业区的发展条件
芝加哥是美国五大湖区最大的城市,其位置如下图所示。1848年修通联系密西西比河水系和五大湖的运河,随后兴建铁路并形成以芝加哥为中心的放射状铁路网。这段时期,芝加哥工业主要有农产品加工、农具、交通工具等生产部门。1890年,芝加哥人口达到100万。20世纪上半叶,芝加哥发展以钢铁为主导的重工业,并成为20世纪美国最大的钢铁工业基地。据此完成1~2题。
1.20世纪之前,芝加哥的工业活动主要联系( )
A.芝加哥周边农村地区
B.五大湖沿岸各城市
C.美国东北部工业区
D.美国本土
2.芝加哥发展钢铁工业最有利的条件是( )
A.良好的工业基础
B.便捷的交通运输
C.充足的劳动力
D.丰富的原料和燃料
答案 1.A 2.B
3.阅读材料,回答下列问题。
材料一 底特律始建于1701年,1830年后工业稳步成长,1903年世界第一家汽车公司建立,此后迅速发展成为世界著名的“汽车城”。20世纪70年代受到石油危机重创,加上日本、德国等国汽车生产的冲击,开始走向衰落。20世纪90年代以后发展了赌场等第三产业,但未能扭转经济衰退趋势。2007年房地产市场崩溃,2013年2月19日底特律市宣布已经陷入财政危机。
材料二 图1是北美五大湖地区主要工业城市分布图,图2是底特律人口数量变化图。
(1)简述18世纪五大湖区许多工业城市迅速发展的主要条件有_________________________
_______________________________________________。
(2)底特律人口迅速增长时期的主导产业是什么?并分析该产业发展的主要原因。
(3)说明20世纪中期以来,底特律日趋衰落,直至陷入财政危机的具体原因。
(4)简述底特律的兴衰对我国城市经济活动的启示。
答案 (1)丰富的煤铁资源;水运便利;市场需求量大
(2)汽车工业。 先进的科学技术;新兴的市场需求;丰富的原材料。(任答两点)
(3)石油危机;日本、德国等国家汽车工业的冲击;房地产市场崩溃;产业结构单一;新技术革命冲击。(任答三点)
(4)要及时调整产业结构,大力发展新兴产业;发展科技,提高产品质量和生产效率,增强竞争力。
解析 第(1)题,由图中信息可知,五大湖区有丰富的煤铁资源、便利的水运条件及广阔的市场。第(2)题,底特律是美国著名的“汽车城”,靠近钢铁基地,科技先进,市场需求量大。第(3)题,结合材料中的信息(石油危机;日本、德国等国汽车工业的冲击;房地产市场崩溃等)以及国际大环境(产业结构单一、新技术革命的冲击等)来组织答案。第(4)题,应从调整产业结构、发展科技、提高产品质量、增强竞争力等方面来考虑。
考向二 新工业区的形成条件
(2019·南京模拟)中华大地,特色小镇建设风起云涌,“特色”是小镇的核心元素,市场化运作机制是小镇持续良性运行的保障。读“浙江某特色小镇发展网络示意图”,完成4~5题。
4.“特色小镇”的形成和发展的主导因素是( )
A.资金 B.政策
C.交通 D.市场
5.图中小镇经济发展核心区的企业集聚,目的是( )
A.获取原料 B.降低运费
C.共享空间 D.人才流动
答案 4.D 5.C
解析 第4题,市场化运作机制是特色小镇持续良性运行的保障,据此推知“特色小镇”的形成和发展的主导因素是市场。第5题,结合图示信息知,该小镇企业为了共享工作、网络、社交及资源空间而集聚在一起。
(2018·徐州质检)郑州航空港经济综合试验区是中国首个航空港经济发展先行区,吸引苹果、中兴和酷派等多家手机生产厂家入驻。据统计,截至2015年年底,累计生产手机约4亿部,2015年手机产量约1.39亿部。另有手机研发中心、生活小镇、准时达电子商务、苹果手机翻新维修、航空物流园等多个相关项目建成和推进。据此完成6~8题。
6.郑州航空港试验区将力争打造成全球智能终端(手机)制造基地作为发展目标,其主要得益于该地( )
A.自然资源丰富 B.劳动力资源充足
C.消费市场广阔 D.协作条件优越
7.郑州航空港吸引多家手机生产厂家入驻,能够( )
A.增加手机生产成本 B.降低产品运输成本
C.减轻环境污染 D.提高产品创新力
8.目前手机可通过电子商务进行销售,可能( )
A.促进产品的升级换代
B.削弱产品的市场开拓
C.降低商业网点空间布局的要求
D.增加产品的流通环节
答案 6.D 7.D 8.C
解析 第6题,由材料可知,手机生产过程中的不同环节在该地得以建成和推进,因此协作条件优越,有利于郑州航空港实验区成为全球智能终端(手机)制造基地,故选D。第7题,郑州航空港吸引多家手机生产厂家入驻,使不同手机生产厂家信息与技术交流加强及企业竞争加剧,为促进各自企业生存与发展,不同手机生产厂家会不断提高产品创新力。不同手机企业为了更好的发展,因此会降低手机生产成本;由于对于消费市场距离影响不大,因此没有降低产品运输成本;手机生产厂家在该地区集聚,对环境问题会带来一定影响,会加重环境污染。故选D。第8题,由于电子商务主要通过互联网进行网上销售,会降低手机商业网点的空间布局要求。产业升级主要得益于当地经济发展与技术的创新,手机通过电子商务进行销售对产品升级换代影响不大;手机通过电子商务进行销售不会削弱产品的市场开拓,会增加市场开拓;手机通过电子商务进行销售,可通过厂家直接到达消费者手中,会减少产品的流通环节。故选C。
阅读图文资料,完成下列要求。
沙特阿拉伯人口主要集中在沿海和内陆绿洲地区。21世纪初,该国甲地发现便于开采、储量丰富的优质磷酸盐矿(位置见下图)。初期开采的矿石送往乙地加工。2013年,该国在甲地附近筹建磷酸盐工业城,使其成为集开采、加工于一体的国际磷酸盐工业中心。
(1)分析沙特阿拉伯建设国际磷酸盐工业中心的优势条件。
(2)分析在甲地附近建设磷酸盐工业城需要克服的不利地理条件。
答案 (1)沙特阿拉伯(靠近亚洲、非洲、欧洲市场)濒临海洋,产品运输方便;磷酸盐矿品位高,储量大,易开采;油气资源丰富,能源成本低;资金雄厚。
(2)高温干燥,淡水资源短缺,施工环境差;地处偏远地区,人口稀少,劳动力缺乏;地区开发历史短,工业与基础设施薄弱。
解析 (1)从交通、原料、市场、资金、能源等方面分析回答,上述方面在图文材料中都有体现,通过认真分析材料将有效信息提取出来。(2)沙特阿拉伯人口主要集中在沿海和内陆绿洲地区,而甲地位于内陆干旱沙漠区,因而水源缺乏、劳动力不足、工业基础差等成为限制磷酸盐工业发展的不利条件。
1.工业区位条件评价类题目的答题思路
角度一 工业区位因素和区位选择,其答题思路为:
角度二 区域工业发展条件的评价,其答题思路为:
2.工业区位条件评价用语
分析角度
评价用语
自然
条件
原料
接近原料产地(原料充足)
燃料
接近燃料地(煤矿等),能源充足
水源
靠近水源(河流、湖泊、水库),水资源丰富
土地
地势平坦开阔,利于建厂;地价低,利于降低成本
经济
条件
市场
接近市场(人口密集、市场广阔)
交通
靠近铁路(公路、港口、机场),交通便利
技术
靠近高等院校和科研院所,有人才和技术优势
劳动力
人口稠密,劳动力丰富、廉价或劳动力素质高
产业基础
靠近商品粮基地或农业产区,农业基础好;工业基础好
社会
条件
国家政策
有国家政策的扶持和鼓励
工业惯性
搬迁费用高
社会协作
设施完善,社会协作条件好
环境
因素
大气
不污染城区空气
水
远离城市河流上游或水源地
1.某城市位于我国黄河中下游地区,周边农村盛产棉花。该城市位于第二亚欧大陆桥附近,人口在40万左右。该市第一中学地理研究性学习小组的同学收集该市“十三五”平面规划图,开展有关工业区位选择的研究性学习活动。读图完成下列问题。
(1)为了适应城市发展的需要,A、B、C三地选择________地建大型飞机场比较合适,理由是________________________________________________________________________
________________________________________________________________________。
(2)D、E、F三地选择________地建高科技工业区合适,理由是__________________
______________________________________________________。
(3)图中①~⑨工业基地有一处布局明显不合理,其数码代号是________,理由是________________________________________________________________________
________________________________________________________________________。
(4)评价火力发电厂布局的合理性。
(5)“十三五”规划实施之初,该城市抓住发展机遇,大力调整产业结构,该市原有工业部门中应加快发展____________________业,理由是__________________________________
________________________________________________________________________。
答案 (1)A 地势平坦开阔,远离市中心高层建筑物,靠近高速公路,交通发达
(2)D 接近科学文化城,环境洁净优美
(3)⑧ 化工厂产生大气污染和水污染,不宜建在居民区,不宜建在城市主导风向上风地带和城市河流上游
(4)接近煤矿,减少原料运输费用;交通便利;位于与盛行风向垂直的郊外,对市内环境影响小;在厂区与市区之间有绿化带,减轻污染等。
(5)纺织工业和服装加工 该市位于黄河中下游,盛产棉花,原料丰富;该市劳动力资源充足,纺织工业和服装加工业属于劳动力指向型工业
解析 (1)飞机场要与城市有适当距离,A地远离市区,没有高层建筑,地势较平坦且靠近高速公路。(2)高新技术产业主要考虑技术和环境条件。(3)⑧大型化工厂既有空气污染也有水污染,在市区布局不合理。(4)图中火力发电厂布局要从原料、交通、环境等方面进行评价。(5)关键是明确该地位于黄河中下游,盛产棉花。
2.(2018·全国文综Ⅲ)阅读图文资料,完成下列要求。
1991年博茨瓦纳在索瓦(下图)建立纯碱厂,采盐沼地下卤水,入蒸发池,再用蒸发后的浓缩卤水生产纯碱,纯碱产品主要销往南非。近年来,由于采取环保新工艺和来自美国产品的竞争,纯碱厂常处于亏损状态。
(1)分析在索瓦建纯碱厂有利和不利的社会经济条件。
(2)近年来,纯碱厂常处于亏损状态。当地对是否关闭纯碱厂有不同观点。表明你支持的观点并说明理由。
答案 (1)有利条件:接近原料地;可用地广(地价低)。
不利条件:交通不便,距离市场远,基础设施不足(投入高)。
(2)同意关闭:技术水平较低,生产成本高,运费高,竞争力弱,短期内难以改变亏损状态;国内资金不足;市场狭小(主要销往南非)。
不同意关闭:保护民族工业,保障就业,带动当地相关产业的发展。
课时作业
(2019·宿迁模拟)江苏无锡是中国光伏产业最为集中的地区。自2001年首家中澳合资光伏企业成立。至2011年,无锡光伏产业发展实行两头在外的发展模式(关键零部件、生产设备和销售市场主要依赖国外)参与国际市场竞争。2016年,无锡市太阳能电池产能占全国总规模的50%以上,已形成包括光伏材料、电池原件、光伏组件、逆变器、运维服务、数据管理等各生产环节的全产业链竞争优势。光伏制造设备的本地化率已经超过50%;企业在为客户提供电子化学品原料的同时,还针对单晶硅和多晶硅生产中的化学品污染问题,主动研发废化学品的回收再利用技术;开发了可以通过互联网实现对遥远地区的风能、光伏等发电装置的远程监控、运行管理和维护技术。据此完成1~3题。
1.与发达国家相比,2001~2011年间无锡光伏产业参与国际市场竞争的主要有利条件是( )
A.生产成本较低 B.原料资源丰富
C.交通位置优越 D.市场需求量大
2.无锡光伏产业在短短10多年间,从两头在外发展模式到形成全球性竞争优势,主要得益于( )
A.生产规模不断扩大
B.智能化的运行管理和维护服务
C.技术研发和创新
D.废化学品的回收再利用
3.2016年,江苏省光伏累计装机容量位列全国第五,仅次于4个太阳能资源一类地区——新疆、甘肃、青海和内蒙古。在东部沿海各省区中,江苏省光伏累计装机容量居首位的比较优势是( )
A.太阳能资源丰富 B.国家新能源政策的扶持
C.清洁能源市场需求量大 D.光伏全产业链的强力支撑
答案 1.A 2.C 3.D
解析 第1题,当时无锡“实行两头在外的发展模式”,即加工型工业,则中国的优势是土地、劳动力价格低,故A正确。第2题,“形成包括光伏材料、电池原件、光伏组件、逆变器、运维服务、数据管理等各生产环节的全产业链竞争优势”,说明除以前的加工环节外,在产品技术研发环节已有提升,则C正确。第3题,材料信息主要是江苏在光伏产业中的产业链的发展过程,从中可看出江苏的优势体现在具有全产业链生产、组织能力,故D正确。
意大利蒙特贝卢纳是一个体育产业型特色小镇。目前,全球约80%的赛车靴、75%的滑雪靴、65%的冰刀鞋和55%的登山鞋等运动鞋产自此镇。大量生产企业的聚集促进了商业、居住及公共服务等城市功能的配套完善,形成了“运动鞋生产集群+城市服务功能”的小镇发展架构(下图)。2017年5月11日我国国家体育总局发布《关于推动运动休闲特色小镇建设工作的通知》明确指出到2020年,在全国扶持建设一批体育特征鲜明、文化气息浓厚、产业集聚融合、生态环境良好、惠及人民健康的运动休闲特色小镇。阅读图文材料,回答4~6题。
4.该镇体育产业区的特点叙述正确的是( )
A.企业规模以大型为主,研发成本低,经营比较稳定
B.构成一个“小分散、大集中”的布局
C.服务业的集聚推动了核心体育用品的生产及其上下游企业的完善
D.实行高度的专业化分工,每个生产环节由各自独立的企业来完成
5.设计、研发等相关企业围绕核心企业布局的最主要目的是( )
A.共用基础设施 B.开拓产品市场
C.共用廉价劳动力 D.加强信息交流与技术协作
6.与该镇相比,在我国兴建体育特色小镇的优势是( )
A.潜在消费群基数大 B.有着良好的户外运动传统
C.民众收入、消费水平高 D.工业协作基础好
答案 4.D 5.D 6.A
解析 第4题,意大利蒙特贝卢纳是一个体育产业型特色小镇(新兴工业区),企业规模以中小型为主,A错误;构成一个“小集中、大分散”的布局,B错误;大量生产企业的聚集促进了商业、居住及公共服务等城市功能的配套完善,C错误;企业实行高度的专业化分工,故D项正确。第5题,设计、研发企业需要了解核心企业的生产需求,接近核心企业布局,可加强和生产企业的交流与技术协作,促进研发、设计的针对性与创新性;故D项正确。第6题,我国的优势在于政府的强力支持,经济收入增长促使消费欲望快速增长,同时人口众多,则潜在消费群基数大,故A项正确。
某中德合资大型汽车企业总部设在吉林省长春市,从1991年成立至今,已形成长春、成都、佛山、青岛等生产基地。长春基地原来生产高中低档各种车型,现主要保留高档车型的生产,中低档车型的生产大部分转移到其他基地。据此完成7~9题。
7.长春基地高档车型的合理市场定位是( )
A.吉林省市场 B.东北市场
C.全国市场 D.欧洲市场
8.与保留生产中低档车型相比,长春基地保留生产高档车型可以( )
A.减少运输成本 B.降低生产成本
C.获取更多利润 D.扩大市场占有率
9.该汽车企业在成都等地建生产基地的主要目的是( )
A.利用当地的廉价劳动力 B.抢占当地的消费市场
C.利用当地的交通优势 D.借助当地的科技优势
答案 7.C 8.C 9.B
解析 第7题,从材料信息“企业总部设在吉林省长春市”“已形成长春、成都、佛山、青岛等生产基地”说明长春基地高档车型的市场并不只是吉林省或者东北地区,应为全国市场。相比欧洲,长春在高档车型生产中并不占优势,所以市场定位为欧洲市场不合理。第8题,根据产业转移的规律看,一般产品附加值较小的产业先转移到其他地区。长春基地保留生产高档车型对生产成本和运输成本影响不大,保留附加值较高的产品能达到追求更高利润的目的,但对扩大市场占有率起的作用不大。第9题,相比长春基地,其他汽车生产基地由于建设历史比较短并不具备科技优势。成都基地位于我国内陆,相比长春基地,不具备交通优势。佛山基地经济较发达,劳动力成本较高。综合各大基地区位和“产业转移的目的是通过降低生产成本,扩大消费市场,追求更高的利润”这一规律判断,该汽车企业在其他地区建生产基地的主要目的是占领当地市场。
(2018·如东中学模拟)读图1和图2,完成10~12题。
10.据图1信息判断制糖工业属于( )
A.市场指向型工业 B.劳动力指向型工业
C.原料指向型工业 D.技术指向型工业
11.近年我国制糖工业有逐渐向西部省区转移的趋势,最主要的原因是( )
A.东北市场处于饱和状态 B.东部原料供应日渐困难
C.西部生产技术更加先进 D.西部交通条件日渐改善
12.与传统单一的制糖企业相比,图2中企业实现了( )
A.劳动力成本降低 B.蔗糖的生产量上升
C.废弃物的零排放 D.经济效益的大幅提高
答案 10.C 11.B 12.D
解析 第10题,读图分析可知,该工业的分布与我国糖料作物甜菜和甘蔗的种植区基本一致。制糖工业属原料不便于长距离运输且制成品重量和体积大大减少的企业,为原料指向型工业。故答案选C项。第11题,制糖工业属于原料指向型工业,随着制糖工业的迅速发展,食糖需求的增加,东部原料的供应日益不足,出现供应困难。同时糖料生产向西部地区转移趋势明显,因此导致我国制糖工业有逐渐向西部省区转移的趋势,B正确;制糖工业不属于市场指向型工业,并且东北市场并未达到饱和,A错;东部制糖工业历史悠久,经验丰富,生产技术更加先进,C错误;西部交通改善,但交通并不是影响制糖工业的主要因素,D错误。故选B项。第12题,读图分析可知,该图反映的是制糖业的生产流程,该流程为清洁生产,将生产过程中的废弃物加以利用和回收,这在一定程度上,能够减少废弃物的排放,同时能增加原料的利用率,增加了产品种类,从而提高经济效益,D正确;该企业降低了原料成本,对劳动力成本影响不大,A错误;该流程增加了废弃物的利用,产生了更多的副产品,而糖的产量变化不大,B错误;减少废弃物的排放,但不是零排放,C错误。故选D项。
(2019·连云港模拟)20世纪70年代初,胜利油田建成投产,淄博市逐渐成为重要的石油化工基地。20世纪80年代,淄博市工业结构发生很大变化,并逐渐建立了以冶金、采矿、建材、陶瓷、玻璃等为主的多个工业区。2003年后,全市工业明显形成一个呈“T”形的产业集聚带。下图为“1980年淄博市工业布局图(图a)”和“2003年淄博市工业分布图(图b)”。据此完成13~15题。
13.20世纪70年代,淄博市成为石油化工基地的主要优势是( )
A.市场广阔 B.原料充足
C.资金雄厚 D.劳动力丰富
14.20世纪80年代初,淄博市工业结构发生很大变化的根本原因是( )
A.产业结构升级 B.国家政策调整
C.市场竞争加剧 D.石油供应紧张
15.2003年,“T”形产业集聚带的形成,反映出( )
A.交通运输的影响增强 B.新老工业中心属于生产上的空间联系
C.市场对工业的影响减小 D.原有工业中心逐渐衰落
答案 13.B 14.B 15.A
解析 第13题,20世纪70年代,我国实行的是计划经济,尚未出现完全的市场竞争,此时工业布局不需要考虑市场,A错误;胜利油田建成投产,为淄博市成为石油化工基地提供了必要的原料条件,B正确;当时我国经济较为落后,资金相对匮乏,C错误;劳动力丰富不是淄博独有的优势,D错误。第14题,无论是石油化工还是冶金、采矿、建材等都属于第二产业,没有出现产业结构升级,只是产业比重调整,A错误;改革开放后,国有企业自主权扩大以及大量非公有制企业的繁荣发展,成为淄博市工业发展的动力,促使淄博市工业结构发生很大变化,B正确;80年代初为改革开放初期,同类型的企业在全国数量不多,市场竞争不是很激烈,C错误;临近胜利油田,80年代仍为高产稳产期,石油供应充足,D错误。第15题,读图可知,“T”形产业集聚带沿交通线布局,说明交通的影响力在增强,A正确;无法判断市场对工业的影响是否减小,C错误;“T”形产业集聚带分布的工业区内,新老工业中心类别不同,属于非生产上的空间联系,B错误;通过对比两图可知,2003年原有工业中心仍存在,且工业中心规模扩大,说明原有工业中心仍在发展,D错误。
16.阅读图文材料,回答下列问题。
江西省进贤县文港镇毛笔制作已有1 600多年历史。目前,其毛笔生产企业、作坊多达5 000多家,毛笔产量占全国70%以上。文港镇从业人员有3万多人,其中毛笔技工1.2万人,是全国闻名的“华夏笔都”“中国毛笔之乡”。但年产值百万元以上的企业只有几十家,多以家庭作坊为主。文港镇欲以毛笔产业为龙头,推动区域整体发展,提出了“生产+互联网=在线定制”的发展思路。下图为文港镇周边环境示意图。
(1)简析文港镇成为“中国毛笔之乡”的有利社会经济条件。
(2)简述文港镇家庭作坊式生产的优势。
(3)指出文港镇毛笔制造业目前存在的不足。
(4)推测文港镇提出“生产+互联网=在线定制”发展思路的理由。
答案 (1)历史悠久,品牌效应显著;劳动力丰富、素质高;传承传统技艺,技术水平高;交通便利,便于原料及产品的运输。
(2)灵活安排生产,劳动力资源利用率高;适应性强,可及时根据市场需求调整生产;投资少,生产成本低。
(3)家庭作坊式生产(生产规模小),不利于技术的创新;同类产业集聚,易产生无序竞争;专业化程度不高,产业链配置不全。
(4)利用互联网销售,有利于降低销售成本,扩大销售范围;满足个性化、定制生产需求。
解析 (1)读材料可知,文港镇毛笔制作历史悠久,技术水平高,品牌效应显著;毛笔制作需要大量的劳动力,本区劳动力丰富、素质高;从图中知,该地交通便利,便于原料及产品的运输。(2)家庭作坊式生产灵活,便于安排生产,劳动力资源利用率高;规模小可以随时改变生产,对市场适应性强;规模小,投资少,生产成本低。(3)结合生产规模分析,不利于技术创新,容易产业竞争,专业化程度不高,产业链配置不全。(4)“生产+互联网=在线定制”模式是利用互联网销售,有利于降低销售成本,扩大销售范围,增加销售,满足个性化、定制生产需求。
[考纲呈现]
1.影响工业区位的因素。
2.工业生产活动对地理环境的影响。
3.工业地域的形成条件与发展特点。
[考纲解读]
1.理解影响工业区位的主要因素,掌握主要工业导向类型的特点及区位选择。(重难点)
2.运用工业区位原理进行工业布局的合理选择,掌握工业区位分析方法。(重难点)
3.理解工业联系、工业集聚与工业分散的关系。
4.结合实例,说明传统工业区和新工业区的形成条件与发展特点。(重点)
[思维导图]
考点一 工业区位因素
1.主要区位因素
(1)自然因素:包括土地、水源、原料、动力等。
(2)社会经济因素:包括市场、政策、交通运输、劳动力(工人)等。
2.主导因素与区位选择
指向类型
工业特点
工业布局原则
典例
原料指向型工业
原料不便于长途运输或运输原料成本较高
接近原料产地
制糖工业、水产品加工业、水果罐头加工业
市场指向型工业
产品不便于长途运输或运输产品成本较高
接近消费市场
啤酒、家具制造业
动力指向型工业
需要消耗大量能量
接近能源供应地
电解铝工业
劳动力指向型工业
需要投入大量劳动力
接近具有大量廉价劳动力的地方
服装工业、电子装配工业
技术指向型工业
技术要求高
接近高等院校、科研院所和科技发达地区
飞机工业、集成电路工业、精密仪表工业
拓展延伸 工业区位选择的分析方法
①自然因素:要考虑是否有修建工厂所需的良好地质、地形条件和气候条件;是否有丰富的土地资源和水资源。
②社会经济因素:需要考虑是否接近原料、动力、市场和交通运输便利的地区,以降低生产成本,提高经济效益;是否有良好的社会协作条件。理想的区位应具备的条件是原料、动力充足,劳动力质优价廉、市场前景广阔。
③环境因素:应根据不同工业部门的污染特点,尽量减少对城区或居民区的污染。
易混辨析 工业指向类型判断的一般情况和特殊案例
一般情况
特殊案例
电子装配、服装加工属劳动力指向型
微电子(集成电路)、高级时装则属技术指向型
大庆、辽阳的石化工业属原料指向型
南京、北京的石化工业则属市场指向型;广东发展石化工业除接近市场外,还利用其海运优势运输原料和产品
铜矿石品位低,运输量大,粗铜冶炼宜接近原料产地
精解铜需要消耗大量能量,需要靠近火电或水电基地,而铜制品厂则要接近市场
瓶装饮料厂一般要接近消费市场
从长远来看影响其布局的主导因素是水源
普通家具厂因产品不便于长途运输,需接近市场
在林区建立的家具厂则属于原料指向型,跨国公司在我国沿海设立高档家具厂则是为了利用廉价土地、劳动力,降低成本,占领市场
乳品生产属于原料指向型
北京、大庆液态奶基地的落成则是为了接近市场
棉纺织工业属于原料指向型
上海地区的棉纺织工业则属市场指向型
考向一 工业区位因素的判断
(2018·全国文综Ⅲ)油纸伞是我国非物质文化遗产,采用传统方法,全手工制作。油纸伞以竹为骨,以纸或丝绸为面,刷桐油以增强韧性并防水,但长期置于干燥环境中易变脆、开裂。近年来,油纸伞走俏国际市场。据此完成1~2题。
1.与现代钢骨布面伞相比,油纸伞走俏国际市场依赖的主要优势是( )
A.携带方便 B.适用地广
C.文化蕴涵 D.经久耐用
2.下列地区中,宜作为油纸伞重点推销市场的是( )
A.欧洲西部 B.中亚
C.中东 D.撒哈拉以南非洲
答案 1.C 2.A
解析 第1题,由材料可知,油纸伞是我国非物质文化遗产,采用传统方法,全手工制作,因此相对现代钢骨布面伞来说,具有深厚的文化蕴涵。C正确。油纸伞以竹为骨,以纸或丝绸为面,不能折叠,不易携带;现代钢骨伞大多可折叠,更易携带。A错误。由材料可知,油纸伞若长期置于干燥环境中易变脆、开裂,说明油纸伞不适合在干燥环境下使用,也不如现代钢骨布面伞经久耐用。B、D错误。第2题,欧洲西部地区以温带海洋性气候为主,全年温和湿润,油纸伞不易变脆、开裂而损坏。A正确。中亚和中东地区常年降水少,空气干燥,油纸伞易变脆、开裂而损坏。B、C错误。撒哈拉以南非洲地区有热带草原气候、热带雨林气候、热带沙漠气候和小部分的地中海气候,其中热带沙漠气候全年干旱少雨,热带草原气候和地中海气候都有长时间的干季,油纸伞易变脆、开裂而损坏。D错误。
3.(2018·江苏地理)阅读材料,回答下列问题。
材料一 中国是世界第一大铁矿石进口国和第一大粗钢生产国,2015年粗钢产量约占全球产量的50%,但高端钢材生产不足。图1为“2015年世界铁矿石主要流向及流量略图”。
材料二 有研究显示,一个国家或地区的人均粗钢需求增幅与人均GDP有一定的相关性。2015年、2017年中国人均GDP分别为7 990美元和8 836美元。图2为“人均粗钢需求增幅与人均GDP关系示意图”。
材料三 产能利用率是指行业发挥生产能力的程度,是实际产量与设计产能的比率。一般认为,钢铁行业产能利用率处于78%~83%时较为合理,低于75%则为产能严重过剩。图3为“我国2010年~2015年粗钢产能和产能利用率统计图”。
(1)我国铁矿石进口最主要的源地是________________,从该地进口铁矿石在运输上的优势是______________。
(2)推测我国未来粗钢需求量将出现的变化及其根本原因。______________________________
________________________________________________________________________。
(3)我国粗钢生产存在的主要问题有________________。
(4)针对上述问题,我国粗钢生产领域的应对策略是________________。
答案 (1)澳大利亚 运输成本低(距离相对较近)
(2)先升后降。经济水平提高;产业升级转型
(3)产能过剩;对原料和市场依赖性强;经济效益低;技术含量低;能耗大、污染重
(4)去产能;多种途径保障原料供给;开拓国际市场;加大科技投入;加大环保力度
解析 第(1)题,读图1可知,我国进口铁矿石主要来源于澳大利亚。从澳大利亚进口铁矿石主要通过海洋运输,运费低,运量大,另外,与其他进口国相比,澳大利亚距离我国较近。第(2)题,在未来一段时间里,随着我国经济的发展,我国对于粗钢的需求将进一步加大,但随着经济结构调整和产业不断升级,对粗钢的需求会出现由增加变为减少的趋势。第(3)题,读图3可知,我国粗钢产能逐年增多,但产能利用率呈下降趋势,说明我国粗钢产能过剩,经济效益低。第(4)题,解决我国粗钢生产存在的问题的方法可以从去产能、加大科技投入、加强环境保护、开拓国际市场等方面分析。
考向二 工业的区位选择
(2018·全国文综Ⅱ)1994年,我国M公司(服装企业)在浙江温州成立,发展过程如下图所示。据此完成4~6题。
4.1996年,M公司关闭自有生产厂,主要是为了( )
A.提高附加值 B.降低人工成本
C.缩小规模 D.加强合作
5.M公司依次将研发中心和总部迁入上海,主要是因为上海( )
A.基础设施好 B.交通便利
C.销售市场大 D.信息通达
6.从发展过程看,M公司一直致力于( )
A.打造自主品牌 B.扩大生产规模
C.产品款式多样 D.增强国际影响
答案 4.A 5.D 6.A
解析 第4题,A对:关闭自有生产厂,把主要精力投入到打造自主品牌和营销方面,可以提高附加值。B错:降低人工成本不是主要目的。C错:1995年已经有多家生产厂加盟,可以看出该企业规模不断扩大。D错:关闭自有生产厂对加强企业间的合作作用不大,因此加强合作并不是主要目的。第5题,研发中心和总部主要从事企业产品的研发和对市场信息的获取,上海相对于温州,科技发达,信息通达度高,市场信息来源广。故选D。第6题,A对:从图中可以看出,M公司在1996年关闭了自有生产厂,后期注重产品的研发、市场信息的获取以及产品的销售等,这说明该企业注重打造自主品牌。B错:该企业关闭自有生产厂说明该企业并不是一直致力于扩大生产规模。C、D错:图中没有信息显示M公司在产品款式以及国际影响力等方面的投入。
考点二 工业区位因素的变化及工业生产对地理环境的影响
1.工业区位因素的变化
一个区位因素及其作用的变化,会导致其他区位因素及其作用发生变化,进而直接影响工业的区位选择。
综合思维 钢铁工业区位选择的三次变化
时间
主导因素
区位布局
19世纪
煤炭资源
靠近大煤田
20世纪初
铁矿资源
靠近大铁矿
第二次世界大战后
市场
靠近沿海消费区
2.环境对工业区位选择的影响
(1)考虑工业的环境要求
区位选择要求
典例
对大气环境十分敏感的工厂,应建在空气比较洁净的地区,远离烟尘污染严重的工厂
电子厂、感光器材厂
需要清洁水源的工厂,应布局在流经市区河流的上游
自来水厂、啤酒厂
(2)考虑工业的污染程度
区位选择要求
典例
规模小、基本无污染的工厂可以有组织地布局在城区
服装厂、玩具厂
规模大、对空气有轻度污染的工厂可布局在城市边缘或近郊区
机械厂
污染严重的工厂宜布局在远离城市的郊区
钢铁厂、水泥厂
(3)考虑工业的污染类型
区位选择要求
典例
已知主导风向的,应布局在当地主导风向的下风向
水泥厂、酿造厂、火电厂、钢铁厂
季风气候区,则应布局在与当地盛行风向垂直的郊区
已知最小风频的,应布局在最小风频的上风向
城郊热力环流显著的地区,宜布局在城市风的下沉距离之外
水污染严重的工厂,污水排放应远离水源地及河流上游,尽量布局在流经城市河流的下游
印染厂、造纸厂
固体废弃物污染严重的工厂,要远离农田和居民区
钢铁厂、火电厂
(4)考虑地形的影响
对大气污染比较严重的工业部门要布局在通风良好的地形区,避免布局在通风效果不理想的山谷与盆地中,以免废气大量聚集而危害人体健康。
3.工业生产对地理环境的影响
(1)有利影响
人类文明的体现,改变了人类的生产和生活方式,深刻影响人与环境的关系。
(2)不利影响
①工业生产对原材料的需求与自然界中有限的资源能源之间的矛盾加剧,一方面会产生资源、能源短缺问题,另一方面人类对资源的不合理开采会造成严重的生态破坏。
②人类对资源的不合理利用会造成严重的工业污染,并直接破坏环境。
考向一 工业区位因素的变化
(2018·北京文综)随着汽车等工业产品的废弃量增加,主要利用废钢冶炼的电炉炼钢技术日渐普及。下图示意国外某流域的钢铁厂分布。读图,回答第1题。
1.甲、乙两类钢铁厂在区位选择上均靠近( )
①铁矿 ②大城市 ③交通线路 ④钢铁消费地
A.①② B.③④ C.①③ D.②④
答案 B
解析 ③④对:读图可知,甲、乙两类钢铁厂都靠近交通线路(铁路线、河流)和钢铁消费地(大城市或城镇)。①②错:甲类钢铁厂的主要原料是铁矿石,而乙类钢铁厂的主要原料是废钢,可见两类钢铁厂的原料不同,结合图中信息可判断,两类钢铁厂并非都靠近铁矿;甲类钢铁厂都位于大城市附近,而乙类钢铁厂有的位于大城市附近,有的位于城镇附近。
“工业4.0”是一个将生产原料、智能工厂、物流配送、消费者全部编织在一起的大网,消费者只需用手机下单,网络就会自动将订单和个性化要求发送给智能工厂,由其采购原料、设计并生产,再通过网络配送直接交付给消费者。下图示意德国制造业进步的四个阶段。读图回答2~3题。
2.有关德国制造业区位因素变化的叙述,正确的是( )
A.对市场信息的依赖度提高
B.对交通运输条件要求下降
C.对劳动力数量的需求变大
D.对资源的配置要求将降低
3.“工业4.0”可能带来的影响是( )
A.提高工业生产的整体成本
B.工业生产由分散走向集中
C.可实现工业的个性化生产
D.扩大传统制造业生产规模
答案 2.A 3.C
解析 第2题,德国制造业逐渐向网络物理系统生产转变,“消费者只需用手机下单,网络就会自动将订单和个性化要求发送给智能工厂,由其采购原料、设计并生产,再通过网络配送直接交付给消费者”,因此可以看出,德国制造业对市场信息、交通运输条件等的依赖度在提高,对劳动力数量的需求减小,A对,B、C错。个性化产品的生产意味着对资源配置的要求将提高,D错,故选A。第3题,结合材料内容,从上题的分析可以推断出,“工业4.0”可能带来的影响是可实现工业的个性化生产,故选C。
(2018·全国文综Ⅰ)近年来,世界上出现了将精密机械设备的组装或加工工厂建在地下的现象。例如,日本岐阜某激光加工机组装企业和我国大连某数控机床加工企业,都将工厂建于地面10米以下。据此完成4~6题。
4.将生产精密机械设备的工厂建在地下有利于( )
①保持恒温环境 ②储存原材料和产品 ③降低生产成本 ④减小地面振动影响
A.①③ B.②③ C.①④ D.②④
5.与岐阜相比,大连地下工厂的设计与施工较少考虑的问题是( )
A.防渗水 B.防噪声
C.防坍塌 D.防地震
6.推断上述企业将工厂建在地下的直接目的是( )
A.增强保密程度 B.保证产品品质
C.满足战备需要 D.集约利用土地
答案 4.C 5.D 6.B
解析 第4题,C对:把工厂建在地下,是因为精密机械设备的组装或加工精度要求极高,对温度、湿度和外界振动都有着严格的要求。地下空间可以提供一个稳定的温度和湿度环境,外界的振动也难传导到车间内部,非常适合这种高精度加工组装的要求,因此①④说法正确。A、B、D错:储存原材料和产品的仓库完全可以建在地表,不用建于地面10米以下;与地面建设厂房相比,将工厂建于地面10米以下,非但不能降低生产成本,反而增加生产成本,故②③说法错误。第5题,D对:与岐阜相比,大连远离太平洋板块和亚欧板块交界处,地壳相对稳定,因此大连地下工厂的设计与施工较少考虑的问题是防地震。A、B、C错:将工厂建于地面10米以下,两地都会面临渗水、坍塌问题,而噪声是导致两地将工厂建在地下的另一个重要因素。第6题,B对:地下空间可以为精密机械设备的组装或加工提供一个稳定的温度和湿度环境,外界的振动也很难传导到车间内部,能够保证此类产品的质量。A、C错:激光加工机组装企业和数控机床加工企业并不属于军工企业,所以不需要考虑保密和战略问题。D错:土地集约利用实质上体现的是土地投入产出的关系,即在土地上用最少的投入获得最高产出,显然这不是将精密机械设备的组装或加工工厂建于地面10米以下的直接目的。
考向二 工业污染与工业布局
电解铝业是高耗能、高污染产业。近年来,我国新建电解铝产能主要分布在西北地区。有人认为,我国电解铝业西移是大势所趋。下图示意铝工业主要部门及其在我国的主要分布省区(2010年前)。据此完成7~8题。
7.西北地区大规模发展电解铝业依赖的优势条件是( )
A.廉价而充足的电力 B.良好的生态环境
C.充足的原料供应 D.良好的工业基础
8.西北地区电解铝厂选址应远离( )
A.交通线 B.输电线
C.绿洲 D.荒漠
答案 7.A 8.C
解析 第7题,我国西北地区电力资源较为充足,发展电解铝业依赖的优势条件是廉价而充足的电力。西北地区气候干旱,生态环境脆弱;西北地区铝土矿资源不丰富;西北地区经济较为落后,工业基础较差。第8题,电解铝厂污染较为严重,西北地区人口、城市等主要分布在绿洲地区,为减少对该地的污染,电解铝厂选址应远离绿洲。
考向三 工业生产对地理环境的影晌
河北承德市双滦区,一座座工业厂房正拔地而起,以前满目的低丘、缓坡、荒滩,已变身为集中连片、错落有致的“坡地工业”区。近几年,承德市通过山地整治,累计新增建设用地近万亩,吸引了雨润集团等28个项目落户。据此完成9~10题。
9.承德双滦区发展“坡地工业”的直接原因是( )
A.山地面积大 B.工业用地少
C.人均耕地少 D.林地面积大
10.承德双滦区大量发展“坡地工业”,对当地产生的主要影响是( )
A.减少了坡地的水土流失
B.缓解了城区的交通压力
C.降低了基础设施的成本
D.提高了企业的集聚效应
答案 9.B 10.D
解析 第9题,向低丘、缓坡、荒滩发展工业用地,说明原有的工业用地少,B项正确;山地面积大和人均耕地少不是直接原因,林地面积大更不是原因,A、C、D三项错误。第10题,土地植被遭到破坏,容易造成水土流失,A项错误;建设新工业区不可能缓解城市的交通压力,B项错误;山区建设工业增加基础设施成本,C项错误;工业相对集中,提高了企业的集聚效应,D项正确。
下图为“尼日利亚木材工业、食品工业和棉毛纺织工业分布图”。读图完成11~12题。
11.a、b、c工业对应的类型分别是( )
A.木材工业、棉毛纺织工业、食品工业
B.棉毛纺织工业、木材工业、食品工业
C.食品工业、木材工业、棉毛纺织工业
D.木材工业、食品工业、棉毛纺织工业
12.c工业的扩展在该地区引发的主要环境问题是( )
①大气污染加剧 ②水资源短缺 ③海水入侵 ④盐碱化加剧
A.①② B.②④ C.①③ D.③④
答案 11.D 12.B
解析 第11题,木材工业为原料指向型工业,应分布在森林资源较为丰富的地区;食品工业为市场指向型,需要庞大的消费人群及便利的交通条件;棉毛纺织工业以棉花、羊毛等为原料,应靠近草场及棉花产地。据图可知,b工业沿公路分布,交通便利,应为市场指向的食品工业;尼日利亚南部为热带雨林气候,北部为热带草原气候,而a工业主要位于热带雨林地区,应为木材加工工业;c工业则位于热带草原区,主要是发展以棉花和羊毛为原料的纺织工业。结合选项可知,D正确。第12题,c工业为棉毛纺织工业,其扩展会使得棉花种植业及畜牧业进一步发展,易导致水资源短缺及土壤盐碱化,故正确答案选B。
考点三 工业集聚与工业地域
1.工业集聚与工业地域
2.工业分散与工业的地域联系
3.工业集聚与工业分散的关系
综合思维 从三个角度分析工业分散
(1)两大目的
工业分散有助于缓解老工业区用地、用水紧张状况,减轻环境污染;有利于充分利用各地的区位优势,降低生产成本,提高经济效益。
(2)区位选择规律
不同企业不同时期区位选择目的不同,应具体情况具体分析,常见的规律如下:
工业区位选择
目的
选择在发展中国家或落后地区
最可能是该地劳动力资源丰富、廉价
选择人口众多的大城市或发达地区
最可能是该地市场广阔
选择在发达地区
可能是该地科技发达、资金充足
(3)分散规律
工业分散时一般会把处于低附加值的生产环节进行转移,而把产品设计、研发、品牌等高附加值的生产环节保留在本地区。对产业转入地应不断加大科技投入,增加产品竞争力,增加品牌效应。
考向一 工业集聚的评价
(2017·全国文综Ⅰ)德国海德堡某印刷机公司创始人及其合作者设计了轮转式印刷机,开创了现代印刷业的先河。至1930年,海德堡已成立了6家大的印刷机公司。同时,造纸、油墨和制版企业也先后在海德堡集聚。产业集聚、挑剔的国内客户以及人力成本高等因素的综合作用,不断刺激海德堡印刷机技术革新。据此完成1~2题。
1.造纸、油墨和制版企业先后在海德堡集聚,可以节省( )
A.市场营销成本 B.原料成本
C.劳动力成本 D.设备成本
2.海德堡印刷机在国际市场长期保持竞争优势,主要依赖于( )
A.产量大 B.价格低 C.款式新 D.质量优
答案 1.A 2.D
解析 第1题,由材料可知,造纸、油墨和制版企业先后在印刷机生产地海德堡集聚,而这些企业与印刷企业之间存在生产环节上的联系,都为印刷提供所需原料和服务,他们的产品流通是工厂直接对工厂,减少了中间的销售环节,节约了市场营销成本,因此答案选A。第2题,材料中提到由于各种因素的综合作用,不断刺激海德堡印刷机技术革新,因此,海德堡印刷机在国际市场长期保持竞争优势得益于先进的印刷机技术水平,即印刷的质量好,因此答案选D。
3.(2018·全国文综Ⅱ)阅读图文资料,完成下列要求。
数据中心是用特定设备在互联网上传输、存储数据信息的场所。数据中心的规模以设备运行耗能的多少来衡量,规模越大,运营成本越高。2010年之前,我国的数据中心一般规模较小,主要布局在东部沿海地区。2010年之后,一些大规模的数据中心开始在中西部地区布局。位于贵州省中部的贵安新区(国家级新区,位置见下图),因气候凉爽、用电成本较低、自然灾害少等优势,吸引了数十个大规模数据中心在此集聚,快速发展成为我国南方最大的数据中心基地。
(1)说明我国东部沿海地区建设数据中心的主要优势。
(2)分析数据中心在贵安新区集聚的有利条件与集聚发展的益处。
(3)如果把数据中心的数据比喻为“原料”,指出贵安新区利用这些“原料”可以发展的产业。
(4)东部沿海地区的一些数据中心开始采取节能降耗措施。你认为目前贵安新区的数据中心是否有必要这样做?请表明观点并解释原因。
答案 (1)通信和市政基础设施配套较好,有利于数据中心建设和维护;接近用户且有人才优势,方便数据的分析与利用。
(2)集聚的有利条件:国家级新区,有政策优惠;有气候、水和电价等优势,可大幅降低运营成本;临近贵阳和安顺,便于对接或利用城市基础设施和社会服务设施等。
集聚发展的益处:可以共享基础设施,节省个体数据中心建设与运行的成本;有利于数据中心之间的联系,促进相互间的交流和合作。
(3)数据加工、数据分析、数据交易、数据服务、智能制造等。
(4)没必要。因为贵安新区气候凉爽,电力资源丰富且电价低,没必要支付节能降耗的成本。
有必要。因为节能降耗有利于资源节约和环境友好,是可持续发展模式。
解析 第(1)题,数据中心是传输、存储数据信息的场所,东部沿海地区建设数据中心的优势,主要从基础设施、市场和人才等角度作答。第(2)题,由材料可知,大规模数据中心耗能高,对环境要求高。贵安新区是国家级新区,政策优惠,环境优美,污染少,水力资源丰富,能源成本低,自然灾害少,是建设大规模数据中心的理想地区。数据中心的集聚可以共用该地区的基础设施,共享信息,减少运输费用,加强企业间的交流与协作,达到降低成本,提高效益的目的。第(3)题,利用数据发展与数据相关的产业,如获取数据后,对数据的加工、分析、交易、服务,以及数据在智能制造方面的应用等。第(4)题,为开放性试题,回答出自己的观点并围绕自己的观点给出合适的理由即可。
考向二 工业分散的评价
读下图,据此回答4~5题。
4.该公司个人电脑零部件生产厂遍布世界各地的主要原因是( )
A.为了占领世界各地的市场
B.充分利用各地的优势区位
C.充分利用各地的运输条件
D.有效利用各地的基础设施
5.该公司计算机组装厂与零部件生产厂之间的地域联系方式有( )
①邮电通信 ②商业贸易 ③交通运输 ④生产工序上的联系 ⑤共用基础设施联系 ⑥地理信息技术
A.①②③ B.④⑤⑥ C.①④⑤ D.②③⑥
答案 4.B 5.A
解析 第4题,读图可知,个人电脑的零部件生产厂遍布世界各地,对技术水平要求较高的CPU、内存、显示器等在经济发达的美国、日本和韩国生产;对技术要求不高、需要大量劳动力的主板、鼠标、键盘等在经济相对较落后的我国生产,这是为了充分利用各地的优势区位,故本题正确答案为B。第5题,由图可知,该计算机组装厂的零部件来自全世界各地,因此组装厂和零部件生产厂进行商业贸易时,需要使用现代邮电通信进行联系。
下图示意某跨国公司的制造企业和研发中心在中国的分布。读图,完成6~7题。
6.该公司在中国多地投资建立制造企业主要是为了( )
A.扩大市场份额 B.分散投资风险
C.建立营销网络 D.利用廉价原料
7.该公司研发中心选址考虑的首要因素是( )
A.交通 B.人才 C.市场 D.资金
答案 6.A 7.B
解析 第6题,该跨国公司在中国建立了多家制造企业,主要是为了利用中国廉价的劳动力资源并就地销售产品,既降低了产品运输费用,又占领了市场。第7题,该公司研发中心选在上海和北京,主要是因为这两个城市科技发达、人才丰富,故选B项。研发中心最需要的是人才而非交通、市场和资金,故排除A、C、D三项。
考点四 传统工业区和新工业区
1.传统工业区主要分布地区:德国鲁尔区、英国中部工业区、美国东北部工业区、我国辽中南工业区等。
2.传统工业区主要特点:建立在丰富的煤、铁资源基础上;以煤炭、钢铁、机械、化工、纺织等传统工业为主;以大型企业为核心。
3.新工业区主要分布地区:意大利的东北部和中部地区,德国南部地区,以及美国“硅谷”等。
4.案例分析
工业区
形成条件
主要特点
辽中南工业基地
①煤、铁、石油等资源丰富;②水陆交通便利;③市场广阔;④工农业基础好⑤劳动力资源丰富⑥水资源丰富
以重工业为主,主要工业部门之间的联系如下图所示:
美国“硅谷”(高技术工业)
①地理位置优越,环境优美;②气候宜人;③交通便捷;④全世界的人才高地;⑤市场稳定(军事订货);⑥创新环境和创新文化
①科技人才比例高;②增长速度快、产品更新换代周期短;③研究开发费用比例高;④产品面向世界市场
考向一 传统工业区的发展条件
芝加哥是美国五大湖区最大的城市,其位置如下图所示。1848年修通联系密西西比河水系和五大湖的运河,随后兴建铁路并形成以芝加哥为中心的放射状铁路网。这段时期,芝加哥工业主要有农产品加工、农具、交通工具等生产部门。1890年,芝加哥人口达到100万。20世纪上半叶,芝加哥发展以钢铁为主导的重工业,并成为20世纪美国最大的钢铁工业基地。据此完成1~2题。
1.20世纪之前,芝加哥的工业活动主要联系( )
A.芝加哥周边农村地区
B.五大湖沿岸各城市
C.美国东北部工业区
D.美国本土
2.芝加哥发展钢铁工业最有利的条件是( )
A.良好的工业基础
B.便捷的交通运输
C.充足的劳动力
D.丰富的原料和燃料
答案 1.A 2.B
3.阅读材料,回答下列问题。
材料一 底特律始建于1701年,1830年后工业稳步成长,1903年世界第一家汽车公司建立,此后迅速发展成为世界著名的“汽车城”。20世纪70年代受到石油危机重创,加上日本、德国等国汽车生产的冲击,开始走向衰落。20世纪90年代以后发展了赌场等第三产业,但未能扭转经济衰退趋势。2007年房地产市场崩溃,2013年2月19日底特律市宣布已经陷入财政危机。
材料二 图1是北美五大湖地区主要工业城市分布图,图2是底特律人口数量变化图。
(1)简述18世纪五大湖区许多工业城市迅速发展的主要条件有_________________________
_______________________________________________。
(2)底特律人口迅速增长时期的主导产业是什么?并分析该产业发展的主要原因。
(3)说明20世纪中期以来,底特律日趋衰落,直至陷入财政危机的具体原因。
(4)简述底特律的兴衰对我国城市经济活动的启示。
答案 (1)丰富的煤铁资源;水运便利;市场需求量大
(2)汽车工业。 先进的科学技术;新兴的市场需求;丰富的原材料。(任答两点)
(3)石油危机;日本、德国等国家汽车工业的冲击;房地产市场崩溃;产业结构单一;新技术革命冲击。(任答三点)
(4)要及时调整产业结构,大力发展新兴产业;发展科技,提高产品质量和生产效率,增强竞争力。
解析 第(1)题,由图中信息可知,五大湖区有丰富的煤铁资源、便利的水运条件及广阔的市场。第(2)题,底特律是美国著名的“汽车城”,靠近钢铁基地,科技先进,市场需求量大。第(3)题,结合材料中的信息(石油危机;日本、德国等国汽车工业的冲击;房地产市场崩溃等)以及国际大环境(产业结构单一、新技术革命的冲击等)来组织答案。第(4)题,应从调整产业结构、发展科技、提高产品质量、增强竞争力等方面来考虑。
考向二 新工业区的形成条件
(2019·南京模拟)中华大地,特色小镇建设风起云涌,“特色”是小镇的核心元素,市场化运作机制是小镇持续良性运行的保障。读“浙江某特色小镇发展网络示意图”,完成4~5题。
4.“特色小镇”的形成和发展的主导因素是( )
A.资金 B.政策
C.交通 D.市场
5.图中小镇经济发展核心区的企业集聚,目的是( )
A.获取原料 B.降低运费
C.共享空间 D.人才流动
答案 4.D 5.C
解析 第4题,市场化运作机制是特色小镇持续良性运行的保障,据此推知“特色小镇”的形成和发展的主导因素是市场。第5题,结合图示信息知,该小镇企业为了共享工作、网络、社交及资源空间而集聚在一起。
(2018·徐州质检)郑州航空港经济综合试验区是中国首个航空港经济发展先行区,吸引苹果、中兴和酷派等多家手机生产厂家入驻。据统计,截至2015年年底,累计生产手机约4亿部,2015年手机产量约1.39亿部。另有手机研发中心、生活小镇、准时达电子商务、苹果手机翻新维修、航空物流园等多个相关项目建成和推进。据此完成6~8题。
6.郑州航空港试验区将力争打造成全球智能终端(手机)制造基地作为发展目标,其主要得益于该地( )
A.自然资源丰富 B.劳动力资源充足
C.消费市场广阔 D.协作条件优越
7.郑州航空港吸引多家手机生产厂家入驻,能够( )
A.增加手机生产成本 B.降低产品运输成本
C.减轻环境污染 D.提高产品创新力
8.目前手机可通过电子商务进行销售,可能( )
A.促进产品的升级换代
B.削弱产品的市场开拓
C.降低商业网点空间布局的要求
D.增加产品的流通环节
答案 6.D 7.D 8.C
解析 第6题,由材料可知,手机生产过程中的不同环节在该地得以建成和推进,因此协作条件优越,有利于郑州航空港实验区成为全球智能终端(手机)制造基地,故选D。第7题,郑州航空港吸引多家手机生产厂家入驻,使不同手机生产厂家信息与技术交流加强及企业竞争加剧,为促进各自企业生存与发展,不同手机生产厂家会不断提高产品创新力。不同手机企业为了更好的发展,因此会降低手机生产成本;由于对于消费市场距离影响不大,因此没有降低产品运输成本;手机生产厂家在该地区集聚,对环境问题会带来一定影响,会加重环境污染。故选D。第8题,由于电子商务主要通过互联网进行网上销售,会降低手机商业网点的空间布局要求。产业升级主要得益于当地经济发展与技术的创新,手机通过电子商务进行销售对产品升级换代影响不大;手机通过电子商务进行销售不会削弱产品的市场开拓,会增加市场开拓;手机通过电子商务进行销售,可通过厂家直接到达消费者手中,会减少产品的流通环节。故选C。
阅读图文资料,完成下列要求。
沙特阿拉伯人口主要集中在沿海和内陆绿洲地区。21世纪初,该国甲地发现便于开采、储量丰富的优质磷酸盐矿(位置见下图)。初期开采的矿石送往乙地加工。2013年,该国在甲地附近筹建磷酸盐工业城,使其成为集开采、加工于一体的国际磷酸盐工业中心。
(1)分析沙特阿拉伯建设国际磷酸盐工业中心的优势条件。
(2)分析在甲地附近建设磷酸盐工业城需要克服的不利地理条件。
答案 (1)沙特阿拉伯(靠近亚洲、非洲、欧洲市场)濒临海洋,产品运输方便;磷酸盐矿品位高,储量大,易开采;油气资源丰富,能源成本低;资金雄厚。
(2)高温干燥,淡水资源短缺,施工环境差;地处偏远地区,人口稀少,劳动力缺乏;地区开发历史短,工业与基础设施薄弱。
解析 (1)从交通、原料、市场、资金、能源等方面分析回答,上述方面在图文材料中都有体现,通过认真分析材料将有效信息提取出来。(2)沙特阿拉伯人口主要集中在沿海和内陆绿洲地区,而甲地位于内陆干旱沙漠区,因而水源缺乏、劳动力不足、工业基础差等成为限制磷酸盐工业发展的不利条件。
1.工业区位条件评价类题目的答题思路
角度一 工业区位因素和区位选择,其答题思路为:
角度二 区域工业发展条件的评价,其答题思路为:
2.工业区位条件评价用语
分析角度
评价用语
自然
条件
原料
接近原料产地(原料充足)
燃料
接近燃料地(煤矿等),能源充足
水源
靠近水源(河流、湖泊、水库),水资源丰富
土地
地势平坦开阔,利于建厂;地价低,利于降低成本
经济
条件
市场
接近市场(人口密集、市场广阔)
交通
靠近铁路(公路、港口、机场),交通便利
技术
靠近高等院校和科研院所,有人才和技术优势
劳动力
人口稠密,劳动力丰富、廉价或劳动力素质高
产业基础
靠近商品粮基地或农业产区,农业基础好;工业基础好
社会
条件
国家政策
有国家政策的扶持和鼓励
工业惯性
搬迁费用高
社会协作
设施完善,社会协作条件好
环境
因素
大气
不污染城区空气
水
远离城市河流上游或水源地
1.某城市位于我国黄河中下游地区,周边农村盛产棉花。该城市位于第二亚欧大陆桥附近,人口在40万左右。该市第一中学地理研究性学习小组的同学收集该市“十三五”平面规划图,开展有关工业区位选择的研究性学习活动。读图完成下列问题。
(1)为了适应城市发展的需要,A、B、C三地选择________地建大型飞机场比较合适,理由是________________________________________________________________________
________________________________________________________________________。
(2)D、E、F三地选择________地建高科技工业区合适,理由是__________________
______________________________________________________。
(3)图中①~⑨工业基地有一处布局明显不合理,其数码代号是________,理由是________________________________________________________________________
________________________________________________________________________。
(4)评价火力发电厂布局的合理性。
(5)“十三五”规划实施之初,该城市抓住发展机遇,大力调整产业结构,该市原有工业部门中应加快发展____________________业,理由是__________________________________
________________________________________________________________________。
答案 (1)A 地势平坦开阔,远离市中心高层建筑物,靠近高速公路,交通发达
(2)D 接近科学文化城,环境洁净优美
(3)⑧ 化工厂产生大气污染和水污染,不宜建在居民区,不宜建在城市主导风向上风地带和城市河流上游
(4)接近煤矿,减少原料运输费用;交通便利;位于与盛行风向垂直的郊外,对市内环境影响小;在厂区与市区之间有绿化带,减轻污染等。
(5)纺织工业和服装加工 该市位于黄河中下游,盛产棉花,原料丰富;该市劳动力资源充足,纺织工业和服装加工业属于劳动力指向型工业
解析 (1)飞机场要与城市有适当距离,A地远离市区,没有高层建筑,地势较平坦且靠近高速公路。(2)高新技术产业主要考虑技术和环境条件。(3)⑧大型化工厂既有空气污染也有水污染,在市区布局不合理。(4)图中火力发电厂布局要从原料、交通、环境等方面进行评价。(5)关键是明确该地位于黄河中下游,盛产棉花。
2.(2018·全国文综Ⅲ)阅读图文资料,完成下列要求。
1991年博茨瓦纳在索瓦(下图)建立纯碱厂,采盐沼地下卤水,入蒸发池,再用蒸发后的浓缩卤水生产纯碱,纯碱产品主要销往南非。近年来,由于采取环保新工艺和来自美国产品的竞争,纯碱厂常处于亏损状态。
(1)分析在索瓦建纯碱厂有利和不利的社会经济条件。
(2)近年来,纯碱厂常处于亏损状态。当地对是否关闭纯碱厂有不同观点。表明你支持的观点并说明理由。
答案 (1)有利条件:接近原料地;可用地广(地价低)。
不利条件:交通不便,距离市场远,基础设施不足(投入高)。
(2)同意关闭:技术水平较低,生产成本高,运费高,竞争力弱,短期内难以改变亏损状态;国内资金不足;市场狭小(主要销往南非)。
不同意关闭:保护民族工业,保障就业,带动当地相关产业的发展。
课时作业
(2019·宿迁模拟)江苏无锡是中国光伏产业最为集中的地区。自2001年首家中澳合资光伏企业成立。至2011年,无锡光伏产业发展实行两头在外的发展模式(关键零部件、生产设备和销售市场主要依赖国外)参与国际市场竞争。2016年,无锡市太阳能电池产能占全国总规模的50%以上,已形成包括光伏材料、电池原件、光伏组件、逆变器、运维服务、数据管理等各生产环节的全产业链竞争优势。光伏制造设备的本地化率已经超过50%;企业在为客户提供电子化学品原料的同时,还针对单晶硅和多晶硅生产中的化学品污染问题,主动研发废化学品的回收再利用技术;开发了可以通过互联网实现对遥远地区的风能、光伏等发电装置的远程监控、运行管理和维护技术。据此完成1~3题。
1.与发达国家相比,2001~2011年间无锡光伏产业参与国际市场竞争的主要有利条件是( )
A.生产成本较低 B.原料资源丰富
C.交通位置优越 D.市场需求量大
2.无锡光伏产业在短短10多年间,从两头在外发展模式到形成全球性竞争优势,主要得益于( )
A.生产规模不断扩大
B.智能化的运行管理和维护服务
C.技术研发和创新
D.废化学品的回收再利用
3.2016年,江苏省光伏累计装机容量位列全国第五,仅次于4个太阳能资源一类地区——新疆、甘肃、青海和内蒙古。在东部沿海各省区中,江苏省光伏累计装机容量居首位的比较优势是( )
A.太阳能资源丰富 B.国家新能源政策的扶持
C.清洁能源市场需求量大 D.光伏全产业链的强力支撑
答案 1.A 2.C 3.D
解析 第1题,当时无锡“实行两头在外的发展模式”,即加工型工业,则中国的优势是土地、劳动力价格低,故A正确。第2题,“形成包括光伏材料、电池原件、光伏组件、逆变器、运维服务、数据管理等各生产环节的全产业链竞争优势”,说明除以前的加工环节外,在产品技术研发环节已有提升,则C正确。第3题,材料信息主要是江苏在光伏产业中的产业链的发展过程,从中可看出江苏的优势体现在具有全产业链生产、组织能力,故D正确。
意大利蒙特贝卢纳是一个体育产业型特色小镇。目前,全球约80%的赛车靴、75%的滑雪靴、65%的冰刀鞋和55%的登山鞋等运动鞋产自此镇。大量生产企业的聚集促进了商业、居住及公共服务等城市功能的配套完善,形成了“运动鞋生产集群+城市服务功能”的小镇发展架构(下图)。2017年5月11日我国国家体育总局发布《关于推动运动休闲特色小镇建设工作的通知》明确指出到2020年,在全国扶持建设一批体育特征鲜明、文化气息浓厚、产业集聚融合、生态环境良好、惠及人民健康的运动休闲特色小镇。阅读图文材料,回答4~6题。
4.该镇体育产业区的特点叙述正确的是( )
A.企业规模以大型为主,研发成本低,经营比较稳定
B.构成一个“小分散、大集中”的布局
C.服务业的集聚推动了核心体育用品的生产及其上下游企业的完善
D.实行高度的专业化分工,每个生产环节由各自独立的企业来完成
5.设计、研发等相关企业围绕核心企业布局的最主要目的是( )
A.共用基础设施 B.开拓产品市场
C.共用廉价劳动力 D.加强信息交流与技术协作
6.与该镇相比,在我国兴建体育特色小镇的优势是( )
A.潜在消费群基数大 B.有着良好的户外运动传统
C.民众收入、消费水平高 D.工业协作基础好
答案 4.D 5.D 6.A
解析 第4题,意大利蒙特贝卢纳是一个体育产业型特色小镇(新兴工业区),企业规模以中小型为主,A错误;构成一个“小集中、大分散”的布局,B错误;大量生产企业的聚集促进了商业、居住及公共服务等城市功能的配套完善,C错误;企业实行高度的专业化分工,故D项正确。第5题,设计、研发企业需要了解核心企业的生产需求,接近核心企业布局,可加强和生产企业的交流与技术协作,促进研发、设计的针对性与创新性;故D项正确。第6题,我国的优势在于政府的强力支持,经济收入增长促使消费欲望快速增长,同时人口众多,则潜在消费群基数大,故A项正确。
某中德合资大型汽车企业总部设在吉林省长春市,从1991年成立至今,已形成长春、成都、佛山、青岛等生产基地。长春基地原来生产高中低档各种车型,现主要保留高档车型的生产,中低档车型的生产大部分转移到其他基地。据此完成7~9题。
7.长春基地高档车型的合理市场定位是( )
A.吉林省市场 B.东北市场
C.全国市场 D.欧洲市场
8.与保留生产中低档车型相比,长春基地保留生产高档车型可以( )
A.减少运输成本 B.降低生产成本
C.获取更多利润 D.扩大市场占有率
9.该汽车企业在成都等地建生产基地的主要目的是( )
A.利用当地的廉价劳动力 B.抢占当地的消费市场
C.利用当地的交通优势 D.借助当地的科技优势
答案 7.C 8.C 9.B
解析 第7题,从材料信息“企业总部设在吉林省长春市”“已形成长春、成都、佛山、青岛等生产基地”说明长春基地高档车型的市场并不只是吉林省或者东北地区,应为全国市场。相比欧洲,长春在高档车型生产中并不占优势,所以市场定位为欧洲市场不合理。第8题,根据产业转移的规律看,一般产品附加值较小的产业先转移到其他地区。长春基地保留生产高档车型对生产成本和运输成本影响不大,保留附加值较高的产品能达到追求更高利润的目的,但对扩大市场占有率起的作用不大。第9题,相比长春基地,其他汽车生产基地由于建设历史比较短并不具备科技优势。成都基地位于我国内陆,相比长春基地,不具备交通优势。佛山基地经济较发达,劳动力成本较高。综合各大基地区位和“产业转移的目的是通过降低生产成本,扩大消费市场,追求更高的利润”这一规律判断,该汽车企业在其他地区建生产基地的主要目的是占领当地市场。
(2018·如东中学模拟)读图1和图2,完成10~12题。
10.据图1信息判断制糖工业属于( )
A.市场指向型工业 B.劳动力指向型工业
C.原料指向型工业 D.技术指向型工业
11.近年我国制糖工业有逐渐向西部省区转移的趋势,最主要的原因是( )
A.东北市场处于饱和状态 B.东部原料供应日渐困难
C.西部生产技术更加先进 D.西部交通条件日渐改善
12.与传统单一的制糖企业相比,图2中企业实现了( )
A.劳动力成本降低 B.蔗糖的生产量上升
C.废弃物的零排放 D.经济效益的大幅提高
答案 10.C 11.B 12.D
解析 第10题,读图分析可知,该工业的分布与我国糖料作物甜菜和甘蔗的种植区基本一致。制糖工业属原料不便于长距离运输且制成品重量和体积大大减少的企业,为原料指向型工业。故答案选C项。第11题,制糖工业属于原料指向型工业,随着制糖工业的迅速发展,食糖需求的增加,东部原料的供应日益不足,出现供应困难。同时糖料生产向西部地区转移趋势明显,因此导致我国制糖工业有逐渐向西部省区转移的趋势,B正确;制糖工业不属于市场指向型工业,并且东北市场并未达到饱和,A错;东部制糖工业历史悠久,经验丰富,生产技术更加先进,C错误;西部交通改善,但交通并不是影响制糖工业的主要因素,D错误。故选B项。第12题,读图分析可知,该图反映的是制糖业的生产流程,该流程为清洁生产,将生产过程中的废弃物加以利用和回收,这在一定程度上,能够减少废弃物的排放,同时能增加原料的利用率,增加了产品种类,从而提高经济效益,D正确;该企业降低了原料成本,对劳动力成本影响不大,A错误;该流程增加了废弃物的利用,产生了更多的副产品,而糖的产量变化不大,B错误;减少废弃物的排放,但不是零排放,C错误。故选D项。
(2019·连云港模拟)20世纪70年代初,胜利油田建成投产,淄博市逐渐成为重要的石油化工基地。20世纪80年代,淄博市工业结构发生很大变化,并逐渐建立了以冶金、采矿、建材、陶瓷、玻璃等为主的多个工业区。2003年后,全市工业明显形成一个呈“T”形的产业集聚带。下图为“1980年淄博市工业布局图(图a)”和“2003年淄博市工业分布图(图b)”。据此完成13~15题。
13.20世纪70年代,淄博市成为石油化工基地的主要优势是( )
A.市场广阔 B.原料充足
C.资金雄厚 D.劳动力丰富
14.20世纪80年代初,淄博市工业结构发生很大变化的根本原因是( )
A.产业结构升级 B.国家政策调整
C.市场竞争加剧 D.石油供应紧张
15.2003年,“T”形产业集聚带的形成,反映出( )
A.交通运输的影响增强 B.新老工业中心属于生产上的空间联系
C.市场对工业的影响减小 D.原有工业中心逐渐衰落
答案 13.B 14.B 15.A
解析 第13题,20世纪70年代,我国实行的是计划经济,尚未出现完全的市场竞争,此时工业布局不需要考虑市场,A错误;胜利油田建成投产,为淄博市成为石油化工基地提供了必要的原料条件,B正确;当时我国经济较为落后,资金相对匮乏,C错误;劳动力丰富不是淄博独有的优势,D错误。第14题,无论是石油化工还是冶金、采矿、建材等都属于第二产业,没有出现产业结构升级,只是产业比重调整,A错误;改革开放后,国有企业自主权扩大以及大量非公有制企业的繁荣发展,成为淄博市工业发展的动力,促使淄博市工业结构发生很大变化,B正确;80年代初为改革开放初期,同类型的企业在全国数量不多,市场竞争不是很激烈,C错误;临近胜利油田,80年代仍为高产稳产期,石油供应充足,D错误。第15题,读图可知,“T”形产业集聚带沿交通线布局,说明交通的影响力在增强,A正确;无法判断市场对工业的影响是否减小,C错误;“T”形产业集聚带分布的工业区内,新老工业中心类别不同,属于非生产上的空间联系,B错误;通过对比两图可知,2003年原有工业中心仍存在,且工业中心规模扩大,说明原有工业中心仍在发展,D错误。
16.阅读图文材料,回答下列问题。
江西省进贤县文港镇毛笔制作已有1 600多年历史。目前,其毛笔生产企业、作坊多达5 000多家,毛笔产量占全国70%以上。文港镇从业人员有3万多人,其中毛笔技工1.2万人,是全国闻名的“华夏笔都”“中国毛笔之乡”。但年产值百万元以上的企业只有几十家,多以家庭作坊为主。文港镇欲以毛笔产业为龙头,推动区域整体发展,提出了“生产+互联网=在线定制”的发展思路。下图为文港镇周边环境示意图。
(1)简析文港镇成为“中国毛笔之乡”的有利社会经济条件。
(2)简述文港镇家庭作坊式生产的优势。
(3)指出文港镇毛笔制造业目前存在的不足。
(4)推测文港镇提出“生产+互联网=在线定制”发展思路的理由。
答案 (1)历史悠久,品牌效应显著;劳动力丰富、素质高;传承传统技艺,技术水平高;交通便利,便于原料及产品的运输。
(2)灵活安排生产,劳动力资源利用率高;适应性强,可及时根据市场需求调整生产;投资少,生产成本低。
(3)家庭作坊式生产(生产规模小),不利于技术的创新;同类产业集聚,易产生无序竞争;专业化程度不高,产业链配置不全。
(4)利用互联网销售,有利于降低销售成本,扩大销售范围;满足个性化、定制生产需求。
解析 (1)读材料可知,文港镇毛笔制作历史悠久,技术水平高,品牌效应显著;毛笔制作需要大量的劳动力,本区劳动力丰富、素质高;从图中知,该地交通便利,便于原料及产品的运输。(2)家庭作坊式生产灵活,便于安排生产,劳动力资源利用率高;规模小可以随时改变生产,对市场适应性强;规模小,投资少,生产成本低。(3)结合生产规模分析,不利于技术创新,容易产业竞争,专业化程度不高,产业链配置不全。(4)“生产+互联网=在线定制”模式是利用互联网销售,有利于降低销售成本,扩大销售范围,增加销售,满足个性化、定制生产需求。
相关资料
更多

